SM482_TechnicalReference(Eng_Ver1.1)(1) - 第98页
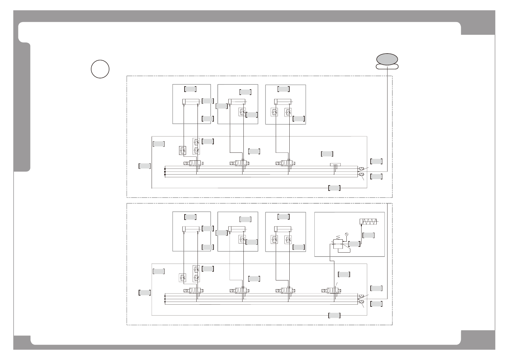
Page SAMSUNG TECHWIN 88 SM482 AIR Ass’y(5/5) NO. Lev . P ART NO. P ART NAME Q'TY Old No. Sup ply Supply L T Reference 1 J6701088A CYLINDER[CM2C32-50] 1 2 J671 10 28A ELBOW FITTING KQ2L04-01/SQL04-01S-W 2 3 J6703028A…

Page
SAMSUNG TECHWIN
87
SM482
AIR Ass’y(5/5)
STANDARD AIR ASSY
2-J6711028A
KQ2L04-01
J6701088A
CM2C32-50
SOL_VALVE_EDGE_FIX-OPTION
2-J6711028A
KQ2L04-01
J6701088A
CM2C32-50
'd'
3-HP06-000275
DIN 908-G1/8-ST
AM03-007232A SM482_SOL_VALVE_MODULE (4연)
2-J6703028A
SS4-M5MA
2-HP09-000164
U-E-1/8-S
HP14-000397 VUVG-S10-M52-RT-M5-1H2L
HP06-000279
QS-E-1/8-8-C
U2-4-6*4(YELLOW)
HP14-000398
GRLA-E-M5-QS-4C
J67031002A
ASD230F-M5-04
U2-4-4*2.5
3-HP14-000397
VUVG-S10-M52-RT-M5-1H2L
J1301188
KQ2L04-M5
J6701018B
WTS10X30-RS2
U2-4-4*2.5(BLUE)
U2-4-4*2.5
J1301354
AS1201F-M5-04-X214
J9080778B(J6701064A)
BDAS10X5-1A-ZC153A2
U2-4-4*2.5(YELLOW)
U2-4-4*2.5
2-J6703028A
SS4-M5MA
HP15-000010
VABB-L1-10-S
AM03-007338A SOL_VALVE_EDGE_FIX-OPTION
2-J6703028A
SS4-M5MA
2-HP09-000164
U-E-1/8-S
HP06-000279
QS-E-1/8-8-C
3-HP06-000275
DIN 908-G1/8-ST
U2-4-6*4(YELLOW)
HP14-000398
GRLA-E-M5-QS-4C
J67031002A
ASD230F-M5-04
U2-4-4*2.5
4-HP14-000397
VUVG-S10-M52-RT-M5-1H2L
J1301188
KQ2L04-M5
J6701018B
WTS10X30-RS2
U2-4-4*2.5(BLUE)
U2-4-4*2.5
J1301354
AS1201F-M5-04-X214
J9080778B(J6701064A)
BDAS10X5-1A-ZC153A2
U2-4-4*2.5(YELLOW)
U2-4-4*2.5
2-J6703028A
SS4-M5MA
J6701037B
CQ2B12-KRC0137-2D
J6709018A
AR10-M5BG
2-J1301188
KQ2L04-M5
U2-4-4*2.5
J1301188
KQ2L04-M5
HP09-000156
B-M5-B
CONVEYOR ASSY
BUT ASSY
STOPPER ASSY(WORK)
ANC ASSY
CONVEYOR ASSY SOL_VALVE_EDGE_FIX-OPTION
BUT ASSY
STOPPER ASSY(WORK)
ANC ASSY
J9053341A EDGE FIXER ASSY(OPTION)
1
2
5
6
11
12
12
13
13
15
14
13
12
11
7
8
10
10
9
9
8
7
6
5
4
4
3 3
3 3
2
1
D
B-D
5
5

Page
SAMSUNG TECHWIN
88
SM482
AIR Ass’y(5/5)
NO. Lev. PART NO. PART NAME Q'TY Old No. Supply Supply LT Reference
1 J6701088A
CYLINDER[CM2C32-50]
1
2
J6711028A ELBOW FITTING KQ2L04-01/SQL04-01S-W
2
3
J6703028A SPEED CONTROLLER [SS4-M5MA]
2
4 HP03-000096
CYLINDER-CXSJM10-40-A93
1 J6701018B
5 J1301188 FITTING [KQ2L04-M5/PL4-M5M/SQL04-M5] 2
6 J1301354 THROTTLE VALVE STRAIGHT [AS1201F-M5-04- 1
7 J9080778B ANC SENSOR CABLE ASSY[SM-CV010] 1
8 HP14-000398 VALVE,THROTTLE-GRLA-E-M5-QS-4C 1
9 HP06-000275 FITTING-DIN 908-G1/8-ST;Plug,Thread 3
10 J67031002A DOUBLE_SPEED_CONTROLLER ASD230F-M5-04 1
11 HP14-000397 VALVE,SOLENOID-VUVG-S10-M52-RT-M5-1H2L 1
12 HP15-000010 ACCESSORY,VALVE-VABB-L1-10-S 1
13 HP09-000164 SILENCER-U-E-1/8-S 2
14 HP09-000156 ACCESSORY,PNEUMATICS-B-M5-B 1
15 AM03-007338A ASSY,AIR-SOL_VALVE_EDGE_FIX-OPTION 1

Page
SAMSUNG TECHWIN
89
SM482
Blank