SOM-1223-007J.pdf - 第75页
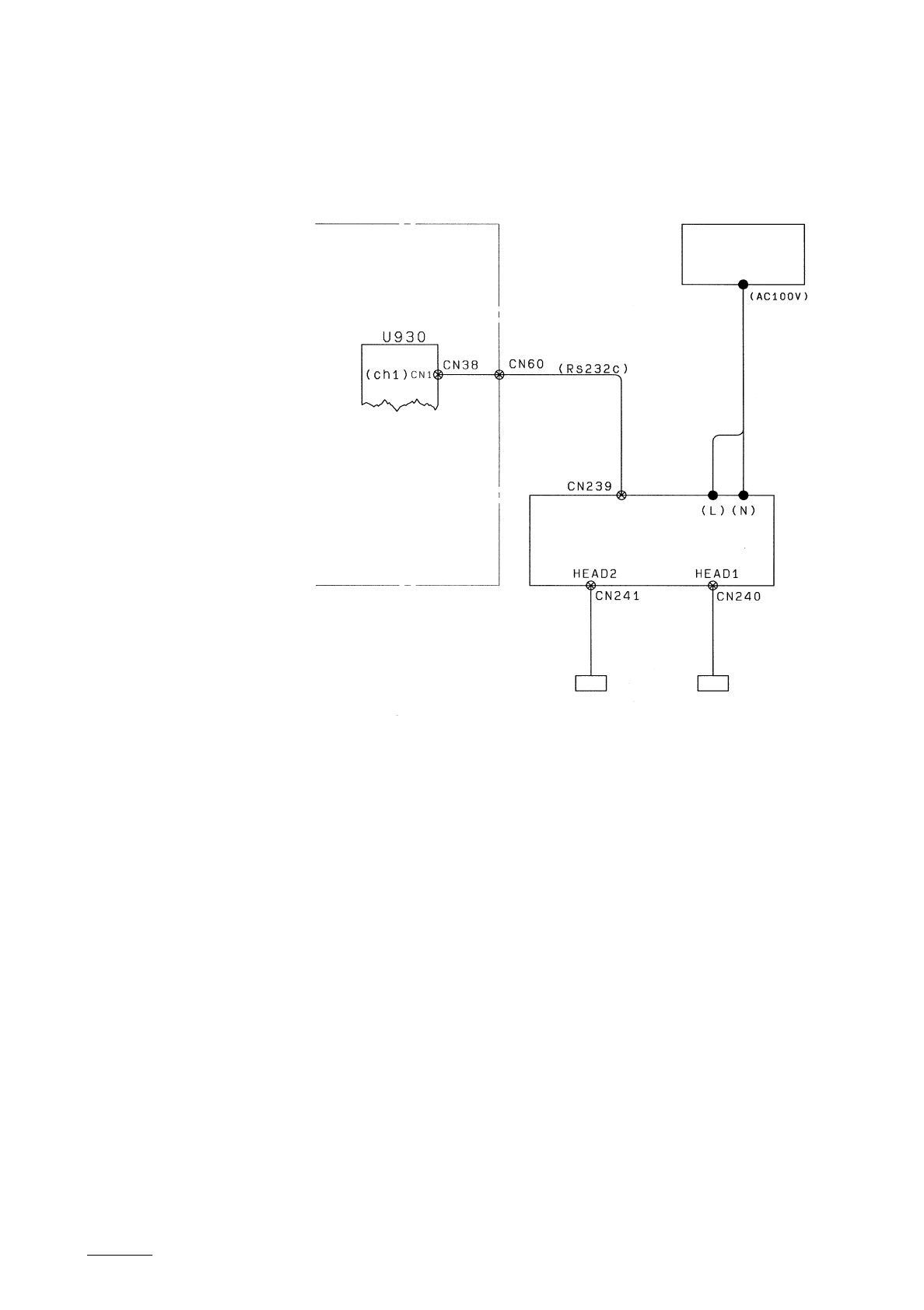
9. 電気回路図 電気回路図 電気回路図 電気回路図 総合ブロック図 総合ブロック図 総合ブロック図 総合ブロック図 0101-001 ABM01JGW 68 68 制御ボックス リレーシーケンス ボックス R1側リードライトヘッド R2側リードライトヘッド IDコントローラ

(パターン No. 081 ~パターン No. 100)
<パターン<パターン
<パターン<パターン
<パターン
No. 081No. 081
No. 081No. 081
No. 081
>>
>>
>
<パターン<パターン
<パターン<パターン
<パターン
No. 091No. 091
No. 091No. 091
No. 091
>>
>>
>
----------------- -----------------
<パターン<パターン
<パターン<パターン
<パターン
No. 082No. 082
No. 082No. 082
No. 082
>>
>>
>
<パターン<パターン
<パターン<パターン
<パターン
No. 092No. 092
No. 092No. 092
No. 092
>>
>>
>
----------------- -----------------
<パターン<パターン
<パターン<パターン
<パターン
No. 083No. 083
No. 083No. 083
No. 083
>>
>>
>
<パターン<パターン
<パターン<パターン
<パターン
No. 093No. 093
No. 093No. 093
No. 093
>>
>>
>
----------------- -----------------
<パターン<パターン
<パターン<パターン
<パターン
No. 084No. 084
No. 084No. 084
No. 084
>>
>>
>
<パターン<パターン
<パターン<パターン
<パターン
No. 094No. 094
No. 094No. 094
No. 094
>>
>>
>
----------------- -----------------
<パターン<パターン
<パターン<パターン
<パターン
No. 085No. 085
No. 085No. 085
No. 085
>>
>>
>
<パターン<パターン
<パターン<パターン
<パターン
No. 095No. 095
No. 095No. 095
No. 095
>>
>>
>
----------------- -----------------
<パターン<パターン
<パターン<パターン
<パターン
No. 086No. 086
No. 086No. 086
No. 086
>>
>>
>
<パターン<パターン
<パターン<パターン
<パターン
No. 096No. 096
No. 096No. 096
No. 096
>>
>>
>
----------------- -----------------
<パターン<パターン
<パターン<パターン
<パターン
No. 087No. 087
No. 087No. 087
No. 087
>>
>>
>
<パターン<パターン
<パターン<パターン
<パターン
No. 097No. 097
No. 097No. 097
No. 097
>>
>>
>
----------------- -----------------
<パターン<パターン
<パターン<パターン
<パターン
No. 088No. 088
No. 088No. 088
No. 088
>>
>>
>
<パターン<パターン
<パターン<パターン
<パターン
No. 098No. 098
No. 098No. 098
No. 098
>>
>>
>
----------------- -----------------
<パターン<パターン
<パターン<パターン
<パターン
No. 089No. 089
No. 089No. 089
No. 089
>>
>>
>
<パターン<パターン
<パターン<パターン
<パターン
No. 099No. 099
No. 099No. 099
No. 099
>>
>>
>
----------------- -----------------
<パターン<パターン
<パターン<パターン
<パターン
No. 090No. 090
No. 090No. 090
No. 090
>>
>>
>
<パターン<パターン
<パターン<パターン
<パターン
No. 100No. 100
No. 100No. 100
No. 100
>>
>>
>
----------------- -----------------
0101-001 ABM01JGW67 67

9. 電気回路図
電気回路図電気回路図
電気回路図
総合ブロック図
総合ブロック図総合ブロック図
総合ブロック図
0101-001
ABM01JGW68
68
制御ボックス
リレーシーケンス
ボックス
R1側リードライトヘッドR2側リードライトヘッド
IDコントローラ

電気回路図
電気回路図電気回路図
電気回路図(2)
(2)(2)
(2)
注
注注
注:
::
:
S が本特別仕様です。
0101-001
ABM01JGW69
69
コンソール電源(前面)
コンソール電源(後面)
作業用照明
照明
制御電源
IDコントローラへ
IDコントローラへ
基板認識照明用DC電源へ
セーフティリレー正面扉(下)
制御ボックスDC電源用
カムポジショナ電源用
正面モニタ用
コンセント
後面モニタ用
コンセント
認識ライティング用
コンセント
認識ライティング用
コンセント
認識ライティング用
コンセント
認識モニターTV
認識モニタTV用
コンセント