SOM-1223-007J.pdf - 第78页

0302-001 ABM01JGW 70 71

100%1 / 79
ID
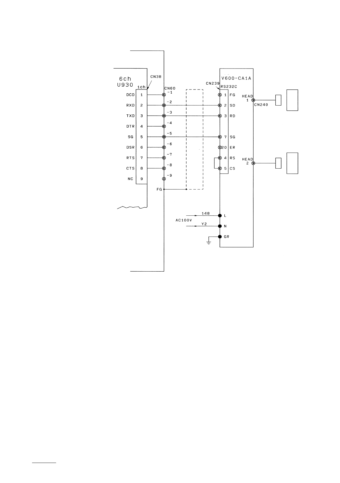
コントローラ
コントローラコントローラ
コントローラ
(R232C)
70
制御ボックス
R2パレット
R1 パレット
IDコントローラ
シールド
シリアル
R2リード
ライトヘッド
R2リード
ライトヘッド
2 データ
キャリア
R1データ
キャリア
0101-001
ABM01JGW70
0302-001
ABM01JGW70
71
1997 8 初版発行 不許複製
2003 2 7 版発行
編集および発行所
三洋ハイテクノロジー株式会社
370-0596 群馬県邑楽郡大泉町坂田 1-1-1
TEL0276-61-7930 FAX0276-61-8710
0302-007
ABM01JGP