KE-3010A_KE-3020VA_KE-3020VRA-Rev14 - 第183页
- - REF.NO NOTE PARTNO DESCRIPTION Qty 1 401-29046 SIDESENSORCABLEASM 1 2 401-46364 LEFTSENSORCABLEASM 1 3 401-35828 LRWAITCOUTSENSORASM 1 4 401-10054 WAITSENSORCABLEASM 1 5 401-29042 AWC/…

- -
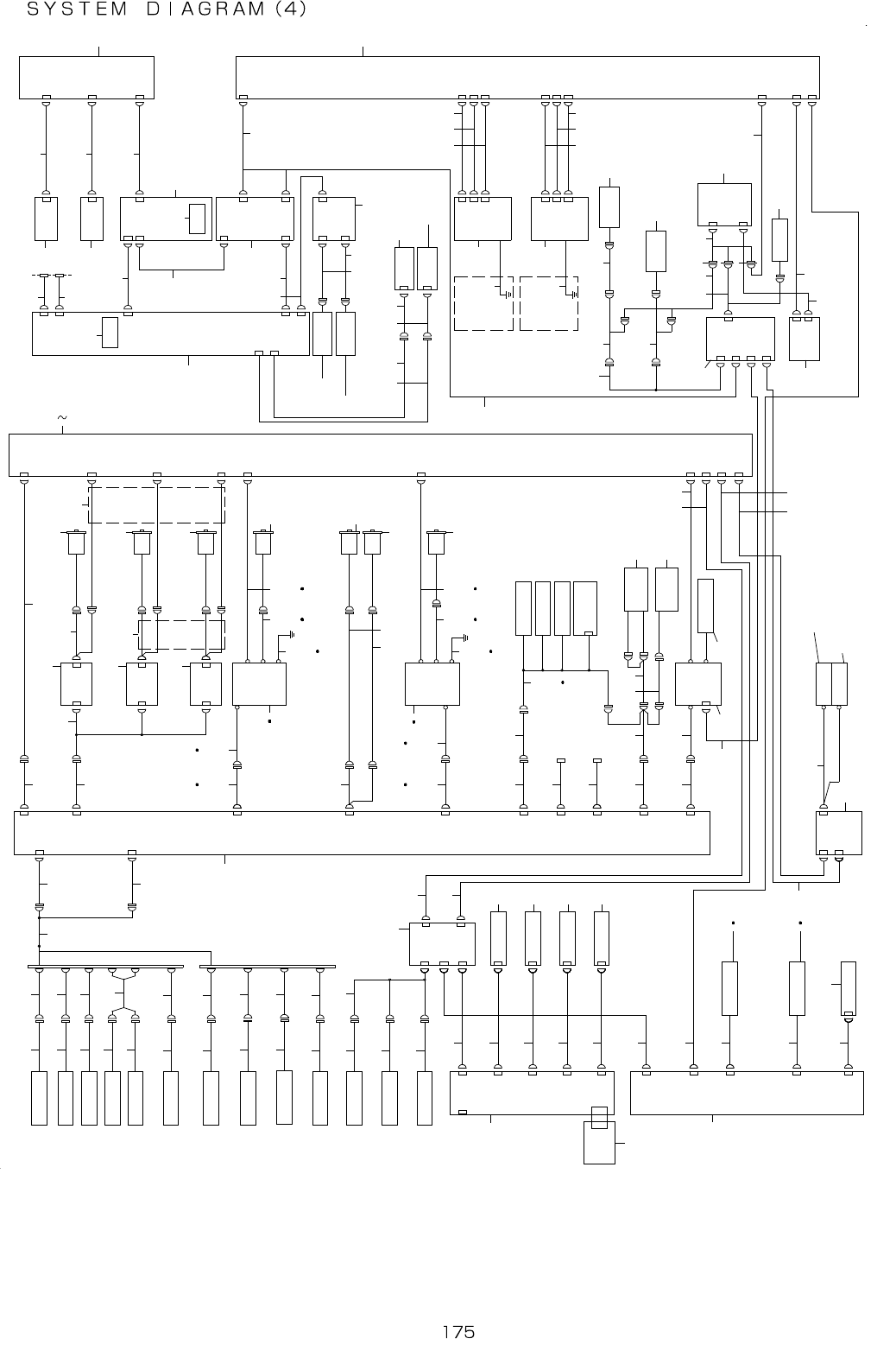
88.SYSTEMDIAGRAM(4)
1 3 5 7 3
1
2 4 6
9 1 1
1 3
1 5
1 0
1 2
1 4
1 6
8
1 5 3
1 5 4 4 2
2 0 2 1
1 9
4 3
2 3 2 4 2 5 2 5 2 5 3 3 3 4 3 5
2 2
2 6
3 2
3 6 3 7
3 0
1 7
1 8
3 1 3 1 3 1
2 8 2 9
2 7
3 8 4 0
3 9
3 8 4 1
1 0 1
1 0 3
4 4 4 6
4 7
4 5
5 1 5 2
5 3 5 4
5 5 5 1 5 2
5 6 5 7
5 9
5 8 6 1 6 2
4 8
7 6
7 7
4 8 4 8
4 9 5 0
6 0 8 2
4 9 5 0
1 0 6 1 0 9
7 4
7 57 57 5
8 3 8 8
8 9 9 6
6 3 6 9
6 4 7 0
7 1
7 2
6 5
6 6
6 7 6 8
8 7
8 6
1 0 5
1 0 4
1 0 2
9 4 9 5
9 2 9 3
9 0 9 1
8 4 8 5
8 0 8 1
7 8 7 9
9 7
9 8
9 9
1 0 0
1 1 0
1 1 2
1 1 1 1 1 1
1 1 3
1 1 4
1 1 5
1 1 6
1 1 9
1 1 8
1 2 2 1 2 3 1 2 6
1 2 0 1 2 1
1 2 5
1 2 7
1 3 0
1 2 8
1 2 4 1 2 9
1 1 7
1 3 1
1 3 3
1 3 2
1 3 3
1 3 2
1 4 0
1 4 11 4 1
1 4 4 1 1 0
1 4 6
1 4 5
1 4 7
1 4 9
1 4 3
1 4 3
1 4 2
1 5 0
1 5 2
1 5 1
1 4 8
1 3 4
1 3 5
1 3 6
1 3 9
1 3 8
1 3 7
7 3
L E F T S E N S O R
W A I T S E N S O R
B U O R G S E N S O R
S T O P S E N S O R
C O U T S E N S O R
R I G H T S E N S O R
B U P I N S E N S O R
( E M I S S I O N )
B U L O C K S E N S O R
B U P I N S E N S O R
( R E C E I V I N G )
A W C O R G S E N S O R
V C S O P
S E N S A S M
V C S S T
S E N S A S M
V C S S . V .
C A B L E A S M
S B O T T O M
L I G H T P C B
I P - X 7
P C B 2 / 2
2 - 1 B
C N 1 0 7 2
C N 1 0 6 7
C N 1 0 6 5
C N 1 0 6 6
C N 1 3 7 0
C N 1 3 7 1
C N 4 7 5
C N 4 7 4
C N 4 7 6
S 4
S 3
S 1
S 6
S 7
S 5
S B 1
S 1
S 3
S 2
S 5
S B 2
C O A X I A L
L I G H T P C B
C N 2
C N 1
C N 9
C N 6
C N 6
C N 6
C N 6
V O U T
A C 1
A C 2
I P - X 7 E N C
C N 4
C N 1
V C S
C A M E R A
V C S
C A M E R A
X E N C
L E N Z E S T
L E N Z E O P
1 - 2 B
X S E R V O A M P
M R - J 4 - 7 0 B - K M 0 1 2 2 / 2
S S I D E
L I G H T P C B
C N 1
S S I D E
L I G H T P C B
C N 1
S S I D E
L I G H T P C B
C N 1
S L I G H T
C T R L P C B
2 / 2
B A C K L I G H T
P C B
C N 1
C N 1 0
C N 9
C N 8
2 - 1 A
C N 7
C N 6
C N 1 0
C N 9
B A S E I / O
P C B 2 / 2
2 - 5 B
C N 2 2
C N 1 6
C N 1 2
C N 1 4
C N 1 7
C N 1 4
C N 2 3
C N 2 5
C N 3
C N 4
C N 2 1
C N 1 5
C N 5
C N 8
S M E M A
( L O W E R
U N I T )
S M E M A
( U P P E R
U N I T )
C N 1 3
F L U X S V
E V
F L U X E R 1
F L U X E R 2
L O A D C E L L
A M P
C N 1
C N 1
C N 2
C V S P C B
C N 3
C V S
C O N T A C T ( + )
C V S
C O N T A C T ( - )
F L U X E R
U N I T A S M
( B A N K )
F L U X E R
U N I T A S M
( B A S E )
S T O P P E R S V
S H A P E Y S V
( B U _ L L O C K S V )
C N 9 0 9
( S A F T Y U N I T )
L O A D C E L L A S M
A W C M O T O R
A W C M O T O R
B U U P E N C O D E R
A W C M
A W C E
B U E
C N 8
2 P
4 P
B A N K
C N 6 0
C N 3 6
C N 2 8
C N 1 1
C N 1 2
B U U P M O T O R
C N 3 4
C N 3 5
C E N T
M O T O R
O U T
M O T O R
I N
M O T O R
P O W E R U N I T 5 / 5
3 - 3 B
C N 2 7
C N 3 3
C N 1 6
C N 1 2
B U M
O T M - P
R M T
C M T
C M - P
L M T
I N M - P
I N M O T O R
D R V
C E N T M O T O R
D R V
O U T M O T O R
D R V
C N 1
C N 2
C N 1
C N 2
C N 1
C N 2
5 P H A S E D R I V E R
C N 1 5
5 P H A S E D R I V E R
C N 1 7
C N 1 8
C N 1 4
S - X Y R E L A Y
P C B 3 / 3
Y L S E R V O A M P
M R - J 4 - 2 0 0 B - K M 0 1 2
2 / 2
C O P L A C P U
B O A D 2 / 2
C O P L A M O N I T O R
S W I T C H B O A R D
2 / 2
C N 1 3
2 - 5 C
Y E N C
1 - 2 C
L A N 1
D V I 1
L A N 2
1 - 3 D
C N 3
C N 2
C N 8
C N 1
C N 1
C N 3
C N 2
U S B
S E L E C T O R
2 / 2
C P U
B O A R D
1 / 2
U S B
U S B
U S B
L A N
S S D
D V I 1
2 - 4 D
U S B
K E Y B O A R D
S P A S M
U S B
K E Y B O A R D
S P A S M
R E A R
F R O N T
S U P E R I M P O S E
B O A R D
C O P L A S E N S O R
H E A D
R S 2 3 2 C
V I D E O
D C 1 2 V
R S 2 3 2 C
D C 1 2 V
V I D E O
M O N I T O R ( F )
M O N I T O R ( R )
E N O N L Y
E N O N L Y
C O D E
R E A D E R
( H E A D )
D M 1 0 0
D M 1 0 0
C O D E
R E A D E R
( C O N V E Y O R )
D M 1 0 0
A T X - P O W E R
2 / 2
1 - 2 D
H D
C O M
R S 1
D V I 1
M 1 ( O U T 1 2 V )
R S 2
M 2 ( O U T 1 2 V )
D V I 2
I N P U T D C 1 2 V
R S P C 1
N T S C 1
C N 9
C N 6
C N 5
B A R C O D E
R E A D E R
B R
S I O 7
S I O 8
5 V D C
5 V D C
8 - P O R T C O M
B O A R D 3 / 3
2 - 5 B
S I O 7 / 8
S I O 5
S I O 6
S I O 4
S I O 3
2 - 4 B
C P U
B O A R D
2 / 2
C O M 2
C O M 1
L A N
D V I P C
1 5 5
C O P L A
S S D A S M
B A R C O R D
R E A D E R ( R )
B A R C O R D
R E A D E R ( F )
U S B
U S B
1 5 6
1 5 6
1 5 7
1 5 7
1 5 8
1 5 8
1 1 7

- -
REF.NO NOTE PARTNO DESCRIPTION Qty
1 401-29046 SIDESENSORCABLEASM 1
2 401-46364 LEFTSENSORCABLEASM 1
3 401-35828 LRWAITCOUTSENSORASM 1
4 401-10054 WAITSENSORCABLEASM 1
5 401-29042 AWC/BUORGSENSORCABLEASM 1
6 401-46362 BUORGSENSORCABLEASM 1
7 401-10065 STOPSENSORASM 1
8 401-46432 ST/COSENSORCABLEASM 1
9 401-46363 RIGHTSENSORCABLEASM 1
10 401-29058 SEPARATESENSOREMISSIONASM 1
11 401-46361 BUPIN(EMIS)CABLEASM 1
12 400-92574 BULOCKSENSORASM 1
13 401-10058 BULOCKSENSORCABLEASM 1
14 401-29057 SEPARATESENSORRECEIVERASM 1
15 401-46365 BUPIN(RCV)CABLEASM 1
16 401-29042 AWC/BUORGSENSORCABLEASM 1
17 401-46366 AWCORGSENSORCABLEASM 1
18 400-02147 VCSOPSENSORASM 1
19 401-09803 S_VCSSENSORCABLEASM 1
20 400-02146 VCSSTSENSORASM 1
21 400-02148 VCSSVCABLEASM 1
22 401-08595 S-BOTTOM-LIGHTPCBASM 1
23 401-09802 S_VCSLIGHTCABLEASM 1
24 401-09805 S_BACKLIGHTCABLEASM 1
25 401-09804 S_SIDELIGHTCABLEASM 1
26 400-66576 COAXIALLIGHTPCBASM 1
27 401-08607 S-LIGHT_CTRLPCBASM 1
28 401-09801 S_VCSLEDPOWERCABLEASM 1
29 401-13632 LIGHTCONTROLPOWERASM 1
30 400-66577 BACKLIGHTPCBASM 1
31 401-08603 S-SIDE-LIGHTPCBASM 1
32 400-71300 IPX7ASM 1
33 401-09806 CAMERATRIGCABLEASM 1
34 E9623-721-000 PORTRAITMONITORCABLE
1
35 401-13633 VCSCAMERASTCABLEASM 1
36 401-13634 VCSCAMERAOPCABLEASM 1
37 401-09797 XENCODEROUTPUTCABLEASM 1
38 400-71669 VCSCAMERA 1
39 401-29652 XAXISDRIVER 1
40 400-71668 LENZESTD 1
41 400-71667 LENZEOPT 1
42 400-92631 BASE-IOSENSORRLYCABLEASM 1
43 400-71680 BASEIOPCBASM 1
44 400-92630 BASE-IOPOWERRLYCABLEASM 1
45 401-10018 BASE-IOPOWERCABLEASM 1
46 400-92628 BASE-IOMTR1-3RLYCABLEASM 1
47 401-46443 MT1-3PULSECABLEASM 1
48 HM-0013200-00 MOTORDRIVER 1
49 HX-0042000-00 5PHASESTEPDRIVER 1
50 HX-0068900-00 5PHASESTEPDRIVER 1
51 401-46429 BASE-IOMTR4-5RLYCABLEASM 1
52 400-92629 BASE-IOMTR4-5RLYCABLEASM 1
53 401-10030 BUDRIVECABLEASM 1
54
#01
401-10031 BUDRIVECABLEASM(EN) 1
55 401-46430 BASE-IOENCRLYCABLEASM 1
56 401-10037 AWCDRIVECABLEASM 1
57
#01
401-10038 AWCDRIVECABLEASM(EN) 1
58 400-92633 BASE-IOSOLRLYCABLEASM 1
59 401-10044 SVCABLEASM 1
60 401-10045 SVWIREASM 1
61 401-10047 SMEMAINCABLEASM 1
62 401-10048 SMEMAOUTCABLEASM 1
63 400-92632 BASE-IOSENS-FXRLYCABLEASM 1
64 401-13660 FLUXERRELAYCABLEASM 1
65 400-99908 FLUXERBASERELAYCABLEASM 1
66 400-99909 FLUXERBASERELAYCABLEASM 1
67 400-42180 FLUXERCYLINDERUNITASM 1
68 400-97610 FLUXERCYLINDERBANKUNITASM 1
69 400-92624 BASE-IOAN-INRLYCABLEASM 1
70 401-13658 LOADCELLANAROGCABLEASM 1
71 401-46378 LOADCELLCTRLCABLEASM 1
72 400-32128 LOADCELLAMPLIFIER 1
73 400-31620 LOADCELLASM 1
74 401-46442 IN-MOTORCABLEASM 1
75 400-48074 CENTERMOTORASM 1
76 401-46444 MOTORDRIVERPOWERCABLEASM 1
77 401-46445 CENT/OUTMOTORCABLEASM 1
78 401-10019 BUDRVPOWERCABLEASM 1
79
#01
401-10020 BUDRVPOWERCABLEASM(EN) 1
80 401-10032 BUMOTORCABLEASM 1
81
#01
401-10033 BUMOTORCABLEASM(EN) 1
82
#01
401-10046 SVWIREASM(EN) 1
83 400-48076 BACKUPMOTORASM 1
84 401-10034 BUDRVFGCABLEASM 1
85
#01
401-10035 BUDRVFGCABLEASM(EN) 1
86 401-10036 BUENCCABLEASM 1
87 401-10043 AWCENCCABLEASM 1
88 E9433-729-0A0 BUENC 1
89 400-48077 AWCMOTORASM 1
90 401-10021 AWCDRVPOWERCABLEASM 1
91
#01
401-10022 AWCDRVPOWERCABLEASM(EN) 1
92 401-10039 AWCMOTORCABLEASM 1
93 401-10040 AWCMOTORCABLEASM(EN) 1
94 401-10041 AWCDRVFGCABLEASM 1
95
#01
401-10042 AWCDRVFGCABLEASM(EN) 1
96 400-48077 AWCMOTORASM 1
97 401-13657 LOADCELLAMPPOWERCABLEASM 1
98 401-09801 S_VCSLEDPOWERCABLEASM 1
99 401-13632 LIGHTCONTROLPOWERASM 1
100 401-13671 CVSPOWERCABLEASM 1
101 401-46379 CVSCOMCABLEASM 1
102 400-95117 CVSPCBASM 1
103 401-01188 CVSPROBECABLEASM 1
104 401-03180 CVSCONTACTCABLE(+)ASM 1
105 401-05380 CVSCONTACTCABLE(-)ASM 1
106
#02
401-49489 POWERSUPPLYUNIT10ASM 1
107
#03
401-49490 POWERSUPPLYUNIT10(EN)ASM 1
108
#04
401-45556 POWERSUPPLYUNIT20ASM 1
109
#05
401-49559 POWERSUPPLYUNIT20(EN)ASM 1
110 401-23242 CPUBOARD 1
111 400-44522 USBRELAYCABLE 1
112 401-49405 ENVIRONMENTSYSTEMASM10VA(HR6) 1
113 HW-0018100-80 LANCABLE 1
114 400-48031 PANELLINKCABLE1M 1
115 400-48031 PANELLINKCABLE1M 1
116 401-41856 USBCABLE1MA-A 1
117 401-23194 USBKEYBOARDSPASM 1
118 401-22816 USBCABLE2M 1
119 401-48260 USBCABLE3M 1
120 401-06795 S-XYRELAYPCBASM 1
121 401-29654 YAXISDRIVER 1
122 400-97424 COPLAPOWERCABLEASM 1
123 401-13695 COPLANARITYENCODERCABLEASM 1
124 400-97422 COPLANARITYSENSOR 1
125 401-23242 CPUBOARD 1
126 401-02830 LANCABLE(CAT6) 1
127 401-32154 COPLAMONITORSWITCHINGBOARD 1
128 400-03321 ICZTRMBUNIT 1
129 401-97864 SUPERIMPOSEBOARD 1
130 401-41515 USBSELECTPCBASM 1
131 401-46371 MONITORSWITCHCOMCABLEASM 1
132 401-58158 15INCHLCDMONITOR 1
133
#01
401-48287 MONITORFGWIREASM 1
134 401-46375 F-232CCABLEASM 1
135 401-29642 DVICABLEL2.5M 1
136 401-35794 F_LCD40146379CABLEASM 1
137 401-46376 R-232CCABLEASM 1
138 400-48032 PANELLINKCABLE4.5M 1
139 401-35795 R_LCD40146379CABLEASM 1
140 401-38946 SIORELAYCABLEASM 1
141 401-39308 SCANNERADAPTERCABLE 1
142
#01
401-29307 TB1-FXAMPWIREASM(EN) 1
143 401-39312 BARCODEREADER 1
144 401-35433 8-PORTCOMBOARD 1
145 401-39311 SCANNERPOWERADAPTERCABLE 1
146 401-13670 BARCODEREADERCABLEASM 1
147 401-46438 ATX232CCABLEASM 1
148 401-46425 ATXHDCABLEASM 1
149 401-46346 ATXPSU 1
150 401-35975 SUPERIMPOSEBOARDPOWERCABLEASM 1
151 HX-0061000-00 BARCODEREADER 1
152 401-46377 TOUCHPANEL232CCABLEASM 1
153 401-46360 SBCABLEASM 1
154 401-46394 BASE-IOSPWRCABLEASM 1
155 401-60224 COPLASSDASM(WIN7) 1
156
#06
401-73481 USBREPEATERCABLE 1
157
#06
401-73482 USBBARCORDREADERCABLE(4M) 1
158
#06
EZ-1458644-11 READERBARCODE 1

- -
89.SYSTEMDIAGRAM(5)
5
4
3
2
1 6
7
8
9
1 0
H E A D