文档中心
/
EJM9BE-AL-00W-00
EJM9BE-AL-00W-00 - 第105页
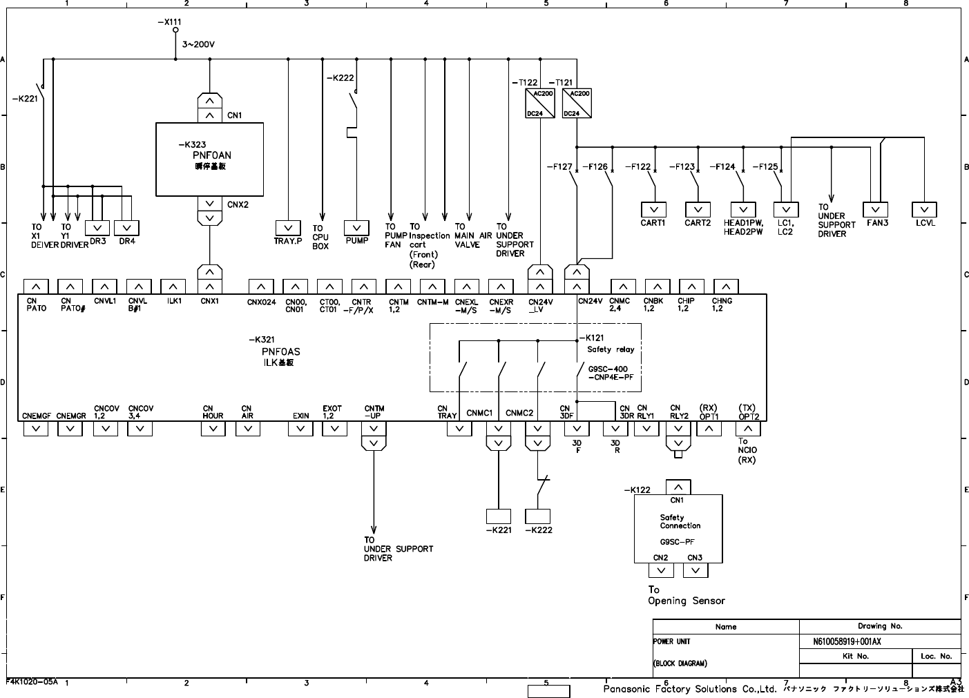
EJM9BE- TP-01W - 00 2. CONTROL BOX DIAGRAM 2-2 POWER UNIT
目录
100%
显示:宽度
宽度
1 / 228
回到旧版
旧版
?
= MEMO
=
EJM9BE-
TP-01W
-
00
2. CONTROL BOX DIAGRAM
2-2 POWER UNIT
该页面需要启用 JavaScript 才能进行交互式预览。