文档中心
/
EJM9BE-AL-00W-00
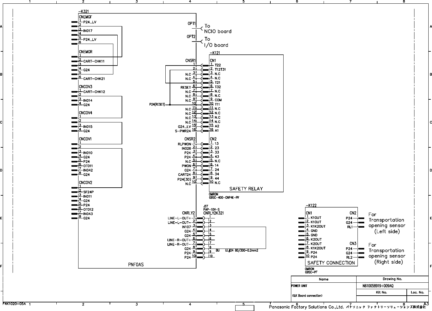
EJM9BE-AL-00W-00 - 第113页
在线预览 EJM9BE-AL-00W-00 PDF 文档。
目录
100%
显示:宽度
宽度
1 / 228
回到旧版
旧版
?
该页面需要启用 JavaScript 才能进行交互式预览。