文档中心
/
EJM9BE-AL-00W-00
EJM9BE-AL-00W-00 - 第143页
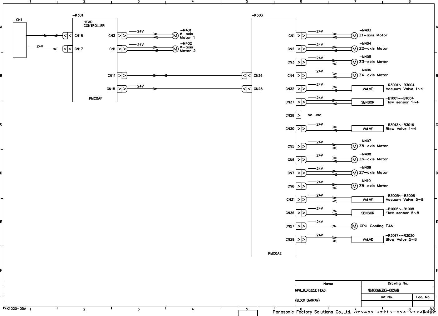
EJM9BE- TP-01W - 00 4. OPTION 4-2 8NOZZLE HEA D WIRING DIA GR A M
目录
100%
显示:宽度
宽度
1 / 228
回到旧版
旧版
?
EJM9BE-
TP-01W
-
00
4. OPTION
4-2 8NOZZLE HEA
D WIRING DIA
GR
A
M
该页面需要启用 JavaScript 才能进行交互式预览。