P-0138-001 - 第33页
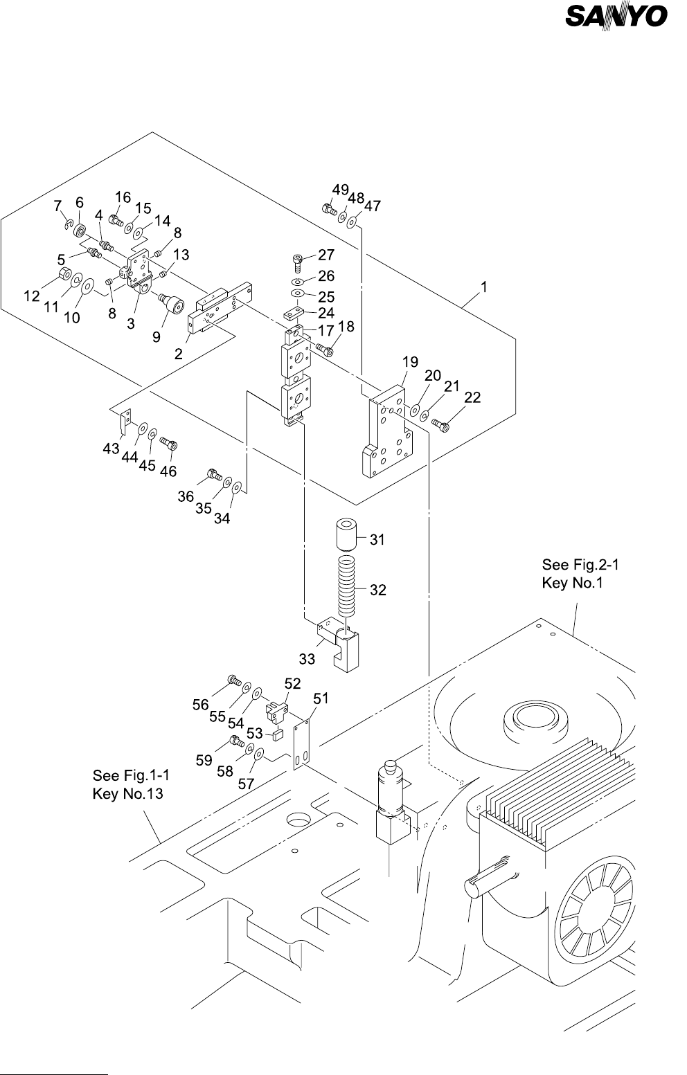
MODEL TCM-3700 9912-001 3- 3 PART No. PART NAME Q'ty REMARK S 1 630 060 9691 ASSY ,PLATE(CZ) 1 2 630 052 0408 GUID E,LINEAR 1 739KB-01H-008 3 630 048 2225 PLAT E,LOCATE 1 739KB-01B -006 4 630 038 5663 PIN,LO CATE 1 …

MODEL TCM-3700
9912-001
ヘッド駆動部 HEAD DRIVING SECTION
Fig. 3-3 吸着上下補正部 Pick-up Level Adjuster

MODEL TCM-3700
9912-001
3- 3
PART No. PART NAME Q'ty REMARKS
1 630 060 9691 ASSY,PLATE(CZ) 1
2 630 052 0408 GUIDE,LINEAR 1 739KB-01H-008
3 630 048 2225 PLATE,LOCATE 1 739KB-01B-006
4 630 038 5663 PIN,LOCATE 1 739KB-01B-007
5 630 038 5687 PIN,LOCATE 1 739KB-01B-008
6 630 001 1241 BEARING,RADIAL 2 739KB-01H-005
7 411 001 0003 RING E 4 2 739KB-01H-006
8 630 000 8920 SET SCREW 2 M4X6 SET
9 630 072 7180 CAM FOLLOWER 1 739KB-01H-007
10 411 141 4503 WASHER V 8X17X1.6 1 FW8
11 411 141 3100 WASHER SPR 8 1 SW8
12 411 141 0901 NUT HEX 8 1 M8
13 630 000 8944 SET SCREW 1 M5X6 SET
14 411 141 3902 WASHER V 3X7X0.5 4 FW3
15 411 141 2806 WASHER SPR 3 4 SW3
16 630 000 7510 BOLT,HEX-SCT 4 M3X8
17 630 052 0415 GUIDE,LINEAR 1 739KB-01H-009
18 630 000 7619 BOLT,HEX-SCT 2 M4X8
19 630 052 3898 PLATE 1 739KB-01B-005
20 411 141 3902 WASHER V 3X7X0.5 8 FW3
21 411 141 2806 WASHER SPR 3 8 SW3
22 630 000 7534 BOLT,HEX-SCT 8 M3X12
24 630 052 3911 PLATE 1 739KB-01B-018
25 411 141 4008 WASHER V 4X9X0.8 2 FW4
26 411 141 2905 WASHER SPR 4 2 SW4
27 630 000 7626 BOLT,HEX-SCT 2 M4X10
31 630 059 4126 COLLAR 1 739KB-01B-041
32 630 059 6670 SPRING,COMP 1 739KB-01B-032
33 630 059 4102 SLIDE(CZ) 1 739KB-01B-029
34 411 141 4305 WASHER V 6X12.5X1.6 2 FW6
35 411 141 3001 WASHER SPR 6 2 SW6
36 630 000 7893 BOLT,HEX-SCT 2 M6X20
43 630 048 2249 PLATE 1 739KB-01B-010
44 411 141 3902 WASHER V 3X7X0.5 2 FW3
45 411 141 2806 WASHER SPR 3 2 SW3
46 630 000 7503 BOLT,HEX-SCT 2 M3X6
47 411 141 4305 WASHER V 6X12.5X1.6 3 FW6
48 411 141 3001 WASHER SPR 6 3 SW6
49 630 000 7886 BOLT,HEX-SCT 3 M6X16
51 630 048 2232 BRACKET 1 739KB-01B-009
52 630 000 0252 SENSOR,PHOTO 1 739KB-01H-010
53 630 000 0269 SENSOR,PHOTO(CONNECTOR) 1 739KB-01H-012
54 411 088 9005 WASHER F 3X6X0.5 2 FWS3 F
55 411 086 4408 WASHER SPR 3 2 SW3 F
56 411 040 7803 SCR PAN 3X12 2 M3X12 PAN
57 411 141 4107 WASHER V 5X10X1 2 FW5
58 411 141 6705 WASHER SPR 5 2 SW5
59 630 000 7749 BOLT,HEX-SCT 2 M5X10
Key No.
NOTE

MODEL TCM-3700
9912-001
ヘッド駆動部 HEAD DRIVING SECTION
Fig. 3-4 カム軸- 1 Cam Shaft-1