文档中心
/
N7205A058E
N7205A058E - 第275页
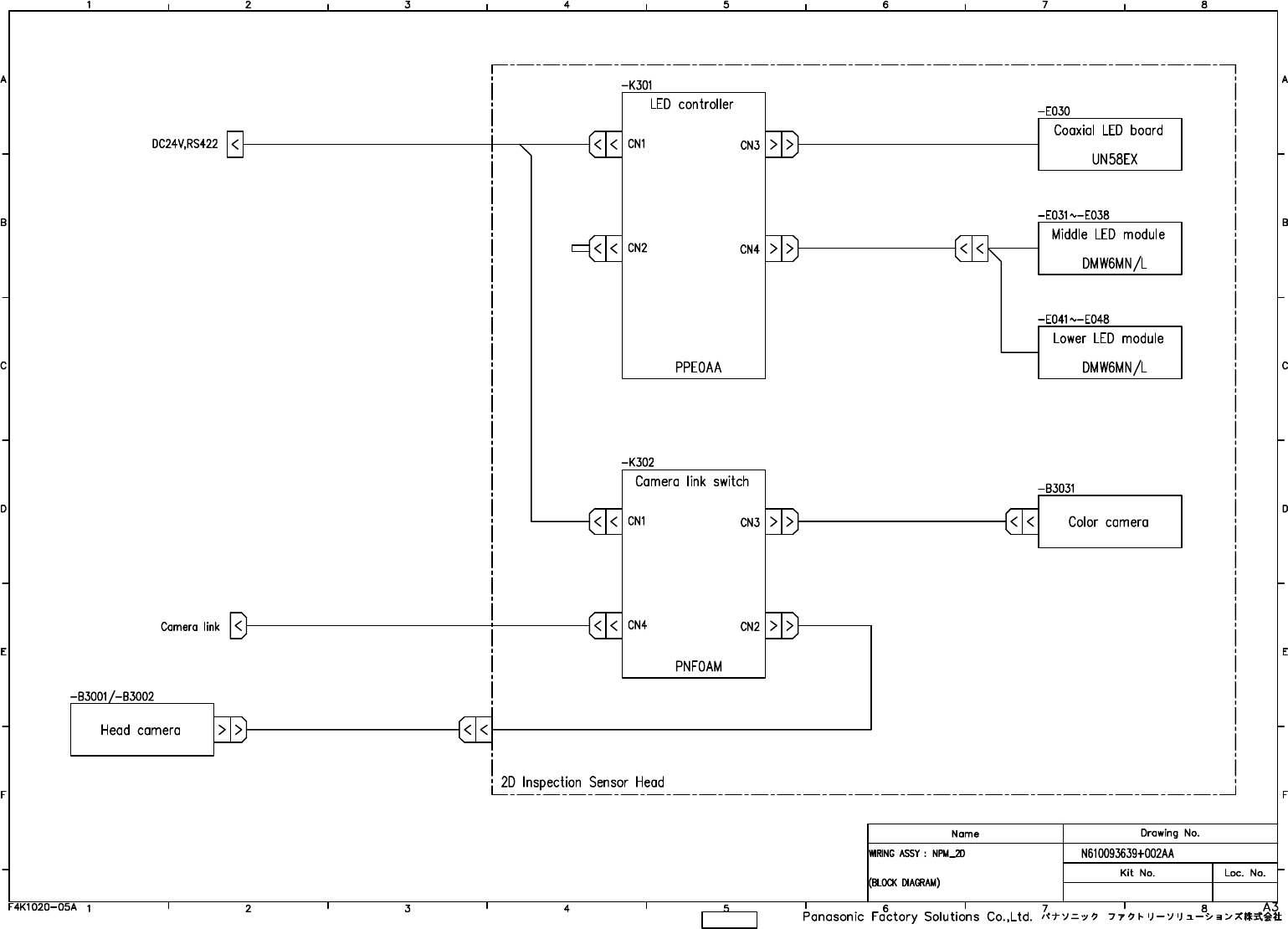
EJM9B-TP-00W-04 4. OPTION 4-17 2D INSPECTION HEAD
目录
100%
显示:宽度
宽度
1 / 333
回到旧版
旧版
?
= MEMO
=
EJM9B-TP-00W-04
4. OPTION
4-17 2D INSPECTION HEAD
该页面需要启用 JavaScript 才能进行交互式预览。