JUKI IS软件说明书_.pdf - 第19页
6 - 2 . 主要地区使用电压和对应插头 根据使用地区的不同 , 请按照下表对使用电压和对应插头的种类进行区分 . 附带的电源电缆插头形状 为 A 型 。 没有附带插头转换器 . 请参考各对应插头类型选择转换器 。 注 : 海外各地区的插座插口形状有所不同 , 请务必确认各国的插头形状和电源电压 。 主要对应插头 使用电压 对应地区 类型 美国 . 加拿大 , 日本及其他国家 A 100 V - 120 V 澳大利亚 , 新西兰及其他…

6
规格
6
-
1
.
对应供料器一览表
(
1
)
带式供料器
CTF
CTFR
对应机种
(
型号
M
注幻
ATF
对应机种
(
型号
>
(
注
2
>
FTF
对应机种
(
型号
)
(
注
2
)
FTFR
对应机
种
(
型号
)
(
注
2
)
NTF
对应机种
(
型号
>
(
注
1
)
载带宽度
对应机种
(
型号
)
《
注
2
>
SS
用
)
CF
03
HP
CF
03
HPR
FF
03
HP
1005
用
(
纸带用
)
AF
05
HP
CF
05
HP
CF
05
HPR
FF
05
HP
NF
05
HP
AN
05
HP
CN
05
HP
CN
05
HPR
FN
05
HP
8
mm
(
压纹带用
)
AF
081
E
.
AF
08
HE
CF
081
E
,
CF
08
HE
CF
081
ER
,
CF
08
HER
FF
081
E
,
FF
08
HE
NF
081
E
,
NF
08
HE
CN
08
HER
AN
081
E
,
AN
08
HE
CN
081
E
,
CN
08
HE
FN
081
E
,
FN
08
HE
8
mm
AF
081
P
CF
081
P
CF
081
PR
(
纸带用
)
8
mm
織
f
纹带
CN
081
P
CN
081
C
CN
081
CR
AN
081
P
AN
081
C
8
mm
~
(
可对应搭接
)
FF
081
J
,
FN
081
J
FF
08
HJ
,
FN
08
HJ
8
mm
CF
8
L
1
E
,
CF
8
L
1
P
CF
8
L
1
ER
,
CF
8
L
1
PR
FF
8
L
1
E
,
FF
8
L
1
J
,
NF
81
LE
(
大型卷筒
)
CN
8
L
1
C
CN
8
L
1
E
CN
8
L
1
P
CN
8
L
1
CR
FN
8
L
1
E
,
FN
8
L
1
J
12
mm
AF
121
S
.
AF
122
S
AF
123
S
.
AF
12
FS
AF
12
NS
FF
121
S
,
FF
122
S
FF
123
S
,
FF
12
FS
,
FF
12
NS
NF
121
S
,
NF
122
S
NF
123
S
,
NF
12
FS
16
mm
AF
161
S
,
AF
162
S
AF
163
S
.
AF
16
FS
AF
16
NS
NF
161
S
,
NF
162
S
NF
163
S
,
NF
16
FS
FF
161
S
,
FF
162
S
FF
163
S
,
FF
16
FS
FF
16
NS
24
mm
AF
242
S
,
AF
243
S
AF
244
S
.
AF
245
S
AF
246
S
.
AF
24
FS
AF
24
NS
FF
24
FS
,
FF
242
S
FF
243
S
,
FF
2
FF
245
S
,
FF
2
FF
24
NS
NF
242
S
,
NF
243
S
NF
244
S
,
NF
245
S
NF
246
S
,
NF
24
FS
44
S
46
S
32
mm
FF
323
S
,
FF
324
S
FF
32
FS
NF
323
S
,
NF
324
S
NF
32
FS
FF
323
R
,
FF
324
R
FF
32
FR
44
mm
FF
443
S
,
FF
444
S
FF
44
FS
FF
443
R
,
FF
444
R
FF
44
FR
NF
443
S
,
NF
444
S
NF
44
FS
56
mm
FF
564
S
,
FF
568
S
FF
564
R
,
FF
568
R
FF
56
FR
NF
564
S
,
NF
568
S
72
mm
(
特殊订货
)
FF
724
S
,
FF
728
S
注
1
>
8
mm
的一部分的类型和
12
mm
56
mm
时
,
没有
X
方向调整功能
。
注
2
>
为了使用
RFID
功能
,
需要有带
RFID
的供料器
。
(
2
)
散装元件供料器
元件尺寸 元件尺寸
型号
型号
BF
10
AS
BF
11
AS
BF
12
BS
BF
12
CS
C
1005
C
1608
C
2125
M
C
2125
S
BF
25
CS
BF
28
CS
BF
28
RS
C
1005
C
1608
R
1608
9

6
-
2
.
主要地区使用电压和对应插头
根据使用地区的不同
,
请按照下表对使用电压和对应插头的种类进行区分
.
附带的电源电缆插头形状
为
A
型
。
没有附带插头转换器
.
请参考各对应插头类型选择转换器
。
注
:
海外各地区的插座插口形状有所不同
,
请务必确认各国的插头形状和电源电压
。
主要对应插头
使用电压
对应地区
类型
美国
.
加拿大
,
日本及其他国家
A
100
V
-
120
V
澳大利亚
,
新西兰及其他国家
0
意大利
,
印度
.
印度尼西亚
.
奥地利
.
瑞士
,
瑞
典
,
泰国
.
中国
,
德国
,
挪威
,
匈牙利
,
芬兰
,
法国
,
巴西
,
韩国及其他国家
C
220
V
~
240
V
英国
,
香港
,
印度
,
新加坡
.
泰国
,
马来西亚及
其他国家
BF
6
-
3
.
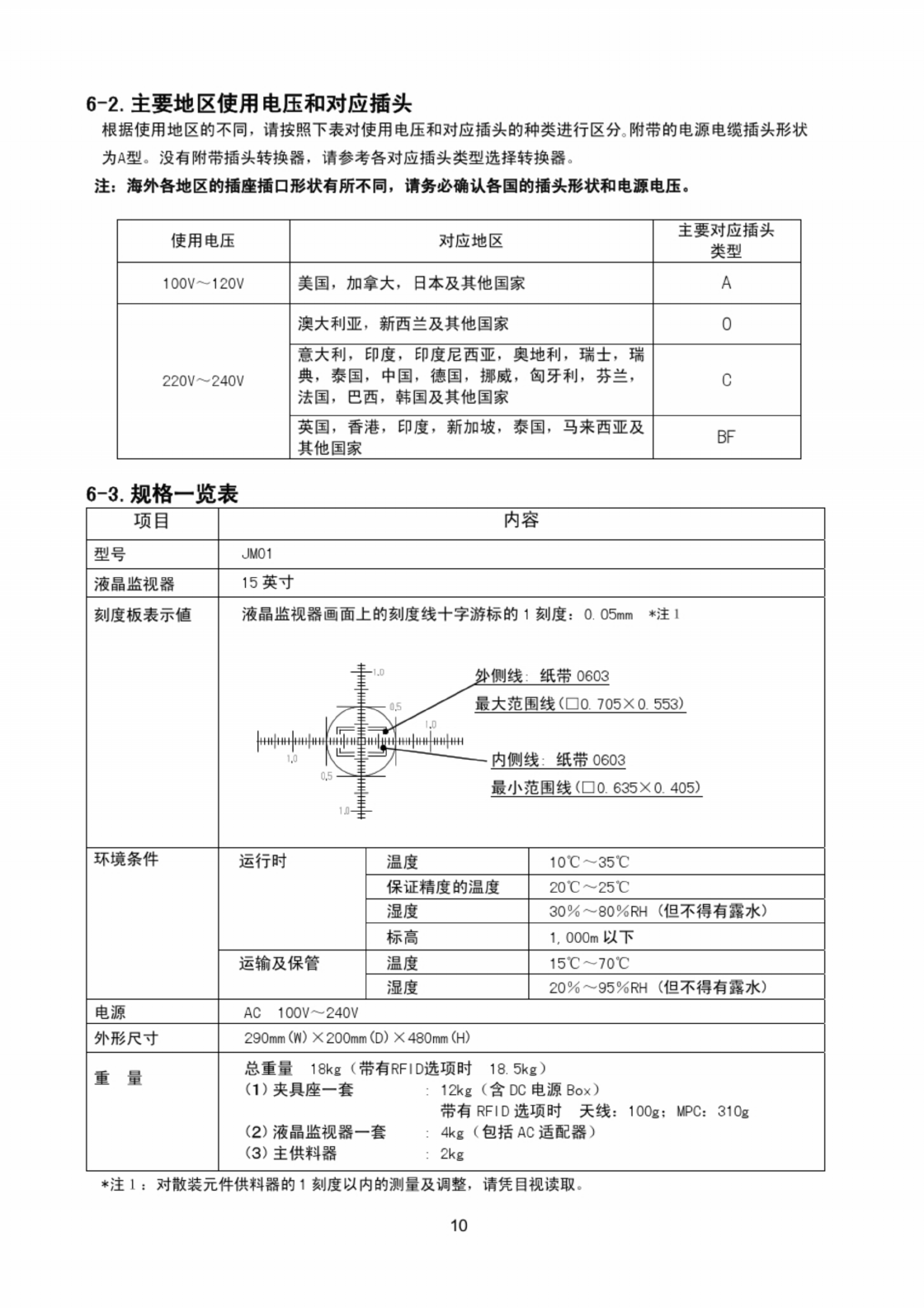
规格一览表
内容
项目
型号
JM
01
15
英寸
液晶监视器
液晶监视器画面上的刻度线十字游标的
1
刻度
:
0
.
05
rmn
*
注
1
刻度板表示値
外侧线
:
纸带
0603
最大范围线
(
口
0
.
705
X
0
.
553
)
内侧线
:
纸带
0603
最小范围线
(
口
0
.
635
X
0
,
405
)
环境条件
运行时
温度
101
C
35
X
:
保证精度的温度
201
C
25
*
C
湿度
30
%
~
80
%
RH
(
但不得有
S
水
)
标高
1
,
000
m
以下
运输及保管
温度
15
*
C
70
*
C
湿度
20
%
~
95
%
RH
(
但不得有露水
)
电源
AC
100
V
240
V
290
mm
(
W
)
X
200
mm
(
D
)
X
480
mm
(
H
)
外形尺寸
总 重 畐
1 8
kg
(
带 有
RFID
选 项 时
1 8
.
5
k
£
)
(
1
>
夹具座一套
重畐
:
12
kg
(
含
DC
电源
Box
)
带有
RFID
选 项 时 天 线
:
100
g
:
MPC
310
4
kg
(
包括
AC
适配器
)
(
2
)
液晶监视器一套
(
3
)
主供料器
2
kg
*
注
1
:
对散装元件供料器的
1
刻度以内的测量及调整
.
请凭目视读取
.
10

7
带供料器的调整
7
-
1
.
调整前的准备工作
(
根据主供料器进行基准位置调整
)
①
打开液晶监视器
,
DC
电源
BOX
的开关
。
②
把主供料器装到夹具上
。
把主供料器的基准销插到固定部的圆孔里
,
再把主供
料器的锁定销安装到锁定轴的
V
槽部
t
此时
.
请确认确实将主供料器底面连接部的锁定销插
进了锁定轴的槽内
(
下图
)
。
基准销
圆孔部
主供料器座
定位部
锁定销
锁定轴
NG
:
销子未插
入槽内
夹具座的背面
0
K
③
在液晶监视器画面中显示出主供料器的吸附位置孔
(
4
>
1
mm
)
吸附位置孔
④
对齐刻度板的焦点
。
请旋转显微镜
TV
适配器的旋钮进行调整
.
11