NXT 机械手册 QD029-29.pdf - 第369页
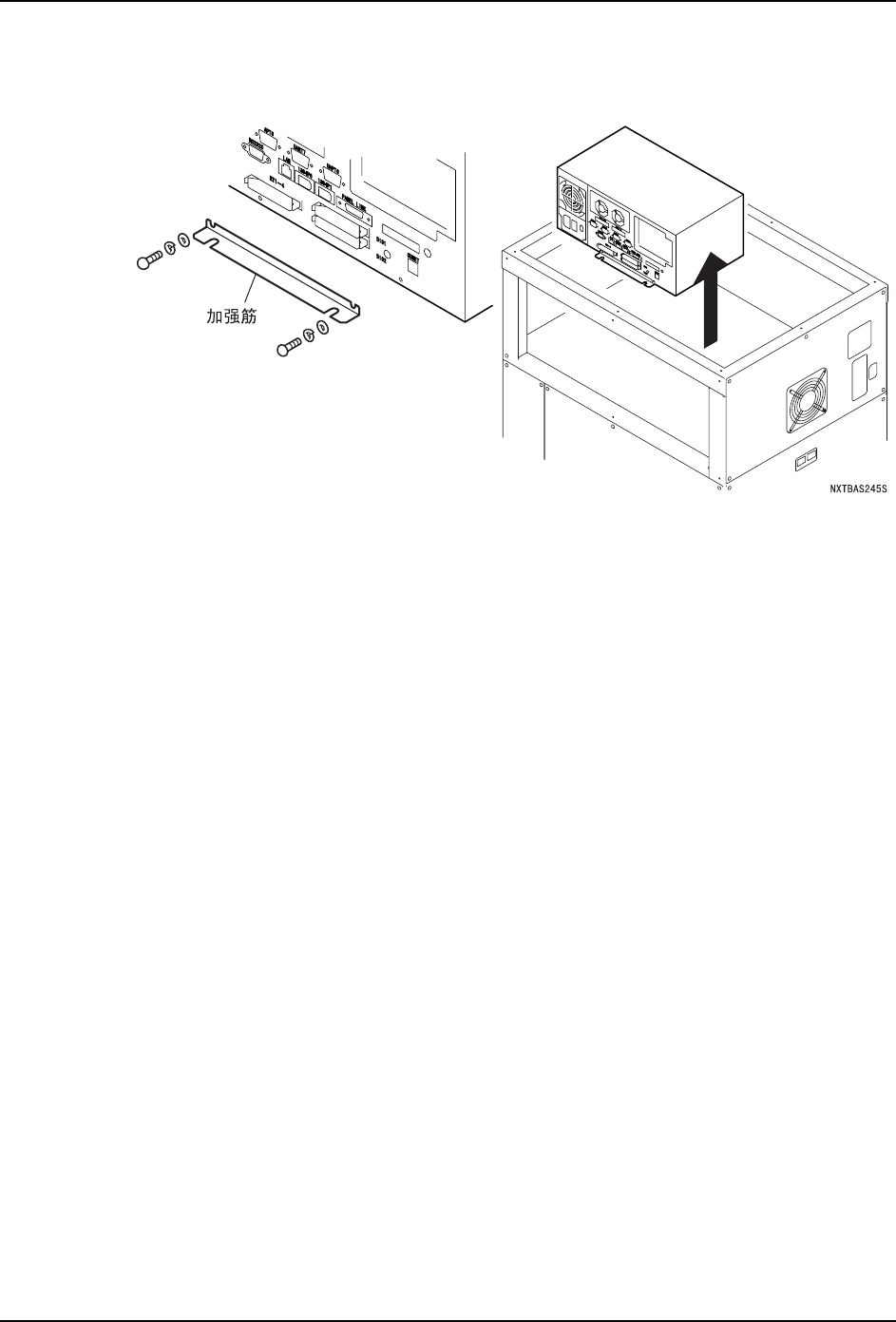
8. 部件的更换 QD029-09 352 NXT 机械手册 5. 将 PC 卡从旧的 CPU 箱中取出,插入到新的 CPU 箱中去。 6. 从基座中取出 CPU 箱。从 CPU 箱上拆下加强筋。 7. 以拆除新的 CPU 箱的相反的步骤安装模组主体。

QD029-09 8. 部件的更换
NXT 机械手册 351
8.12.3 2M 基座的时候 ( 外加控制箱 )
1. 将主电源开关 OFF,切断机器的电源。
2. 拆下螺丝 (4 根 ),取下盖板。
3. 拆除固定 CPU 箱的螺栓 (4 根)。
4. 拆除■所显示部分的插头。
NXTBAS244
1
3
4
5
8
7

8. 部件的更换 QD029-09
352 NXT 机械手册
5. 将 PC 卡从旧的 CPU 箱中取出,插入到新的 CPU 箱中去。
6. 从基座中取出 CPU 箱。从 CPU 箱上拆下加强筋。
7. 以拆除新的 CPU 箱的相反的步骤安装模组主体。

QD029-09 8. 部件的更换
NXT 机械手册 353
8.13 真空泵控制箱的更换
8.13.1 8M 基座 /4M 基座
1. 将主电源开关 OFF,切断机器的电源。
2. 拆下螺丝 (4 根 ),取下盖板。
警告
·在进行更换操作时,请务必在切断电源后进行。
·在进行更换模组伺服箱的操作时,请注意使其他的操作者不要进行插入
模组的操作。有手指被夹住而切断的危险。
注意
·连接电缆的插接,请握住插头不要拉电缆。
·取出伺服箱时,请注意不要强行拉出电缆。
·在连接插头时,请确认插头名称注意不要错误。
·安装伺服箱时,请注意不要夹住电缆。