5OM-1840-001w_F8S - 第124页
5OM-1840 4-1-17 1604-001 Main Machine U01 I/O PCB 2 Section 18 19 21 GND(B) Di Do Do Left Panel Under the Base (U27) GND(B) Di GND(B) Di GND(B) Di GND(B) Di GND(B) Di Do Do Do Do Do :14 X2761 :15 :16 K65A 1 6 :17 :18 24A…

5OM-1840
4-1-16
1604-001
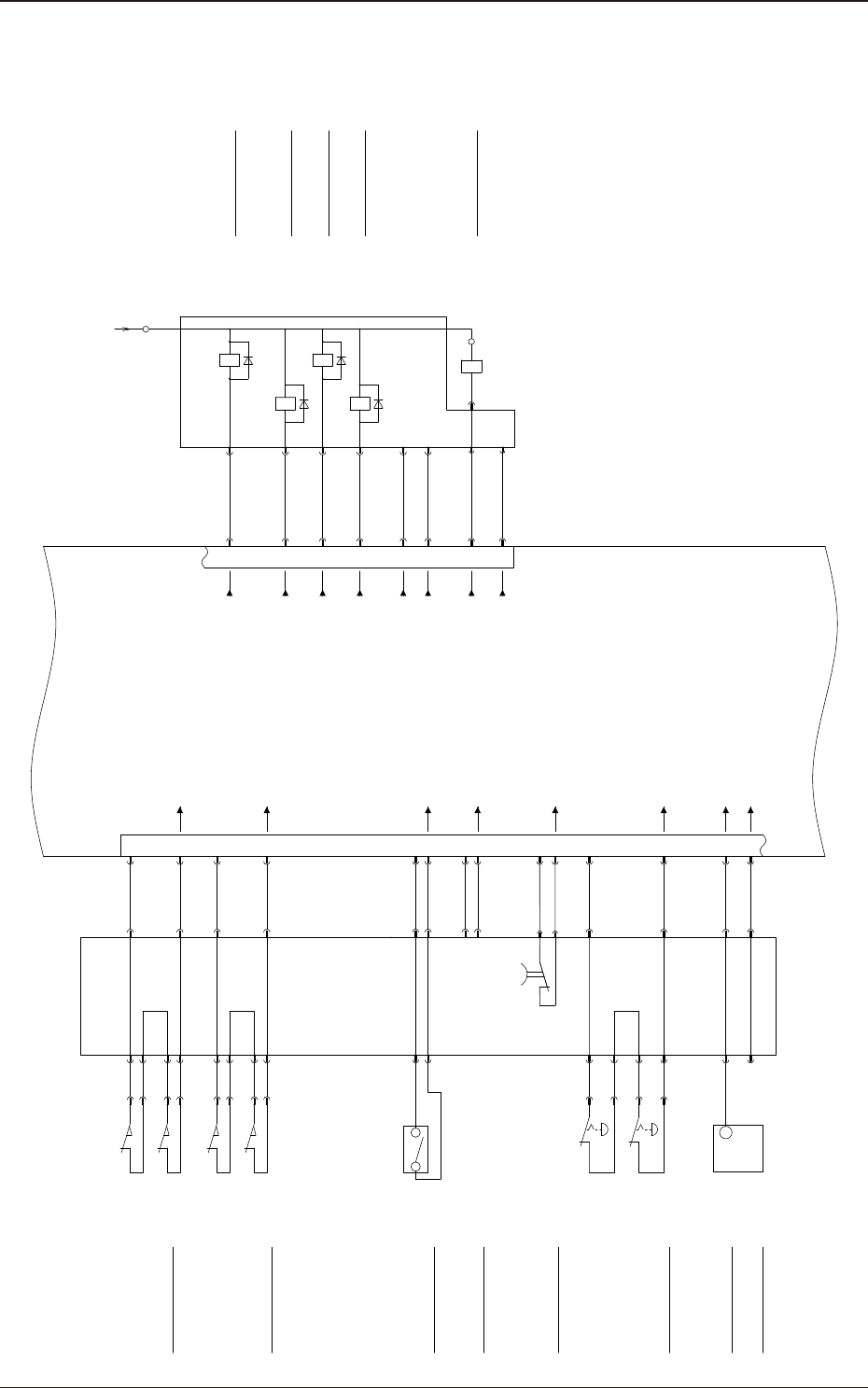
Main Machine U01 I/O PCB 1 Section
A Lane Work Request TRO(Input Machine)
1
2
3
4
18
19
20
21
9
10
11
12
13
14
15
16
17
5
6
8
22
23
24
7
GND(B)
Di
A Lane Work Input TRI(Input Machine)
B Lane Work Request TRO(Input Machine)
B Lane Work Input TRI(Input Machine)
A Lane BOARD_END(Input Machine) OP
B Lane BOARD_END(Input Machine) OP
A Lane BOARD_END(Output Machine) OP
B Lane Work Request TRI(Output Machine)
A Lane Work Input TRO(Input Machine)
B Lane Work Input TRO(Input Machine)
A Lane Work Request TRI(Output Machine)
B Lane BOARD_END(Output Machine) OP
Front/Rear IF
1
2
3
4
5
6
7
8
11
13
14
15
16
17
18
19
20
GND(B)
24V(B)
Di
GND(B)
24V(B)
Di
GND(B)
Di
GND(B)
Di
GND(B)
24V(B)
Di
24V(A)
Do
24V(A)
Do
Lightning Surge Error
Feeder Base Power Supply (B1)
Feeder Base Power Supply (B2)
Vacuum Pump Breaker OFF
Left Panel Under the Base
NC
:1
X20126
K75
A2A1
:2
K77
A2A1
24A3
[02-5B]
Q205
1413
:8
:7
F201
F202
F203
X10126
:1
:2
:1
:2
1
2
3
4
GND(B)
1
2
3
4
5
6
10
24A6
10
24A6
[02-3A/3B]
[02-2C]
10
24A3
10
10
24A1
24A3
24V(A)24V(B)
24V(B)
24V(A)
24V(A)
GND(B)
GND(A)
GND(A)
GND(A)
X1
X2
CN26
CN28
24A3
24A3
Main Machine Left(B)
1
2
4
24V(A)
Do
Main Machine Left(F)
CN30
GND(A)
Di
10
10
10
10
10
10
1
2
4
24V(A)
Do
CN32
GND(A)
Di
X0126
X0128
X01X1
X01X2
U01
IO P.C.B
X0128A-F:1
:2
X0128B-F:1
:2
X0128BE-R:1
:2
X0128BED:1
:2
X0128E:1
:3
:4
:3
:4
:3
:4
:3
:4
X0128BE-F:1
:2
:2
X0128A-R:1
:2
X0128B-R:1
:2
Di
Di
Di
GND(B)
Di
RLY4
RLY5
RLY6
RLY7
RLY8
RLY9
Do
Di
GND(B)
Di
GND(B)
OUT1
OUT2
-
BK
O
BL
FCT6-21
Adhesion mistake Part detection (B21) Realistic
Adhesion mistake Part detection (B22) Realistic
10
:1
:2
M
M112-1
BK
Y
R
:2
XM112
:1
:3
24A6
10
H12FAN1
Head 12 FAN Error
:2
M112-1
:1
:3
3
3
X0130
M
M111-1
BK
Y
R
:2
XM111
:1
:3
24A6
10
H11FAN1
:2
M111-1
:1
:3
X0132
M
M121-1
BK
Y
R
:2
XM121
:1
:3
24A6
10
H21FAN1
:2
M121-1
:1
:3
Head 11 FAN Error
Head 21 FAN Error
+
BR
:4
9
24V(B)
24A6
24V(B)
12
:4
24A6
OUT1
OUT2
-
BK
O
BL
FCT6-22
+
BR
M
M111-2
BK
Y
R
H11FAN2
:2
M111-2
:1
:3
M
M121-2
BK
Y
R
H21FAN2
:2
M121-2
:1
:3
M
M112-2
BK
Y
R
H12FAN2
:2
M112-2
:1
:3
:5
:3
:5
:3
:1
:2
:4
:3
BH21
:1
:2
:4
:3
BH22
FCT6
FCT6
:1
:2
X015X
U01-CN51
U01-CN52
:1
:2
X015X

5OM-1840
4-1-17
1604-001
Main Machine U01 I/O PCB 2 Section
18
19
21
GND(B)
Di
Do
Do
Left Panel Under the Base (U27)
GND(B)
Di
GND(B)
Di
GND(B)
Di
GND(B)
Di
GND(B)
Di
Do
Do
Do
Do
Do
:14
X2761
:15
:16
K65A
1 6
:17
:18
24A1
U27
:19
K66A
1 6
[02-3A]
Safety Cover Lock Confirm
Safety Cover Open/Close Monitor
Emergency Stop Detection
Power On
Emergency Stop Switch
DC Load Power Supply Control
Safety Cover Lock (B2)
Main Power Supply Shut-down
Safety Cover Lock (B1)
Vacuum Pump Power Control
K43
12 1
K25
1 5
1
2
3
4
5
6
7
8
9
10
11
12
14
15
16
17
:21
Di
13
Cart Unit Cover Detection
:4
:3
10
S105B
:12
:11
10
S105F
XS105B
:5
:6
:5
:6
XS105F
S132F
22 21
S132B
22 21
S132
:3
S132
:3
:3
:4
:3
:4
:5
:6
:5
:6
:4
:4
X2725
X2728
X2741
X2742
U27
:6
:5
:2
:1
X2761
10
10
K2A
12 9
:9
:10
10
CN25
20
Do
:20
:3
X2723
K29
A1 A2
X0125
U01
IO P.C.B
X27150
:9
:10
K3
1314
K4
X1
:13
:9
X2709
Di
22
:23
:12
X2709
(Back)
(Front)
S132F
52 51
S132B
52 51
S132
:7
S132
:7
:8
:8
:7
:8
:7
:8
X2741
X2742
:8
:7

5OM-1840
4-1-18
1604-001
Main Machine U01 I/O PCB 7 Section
1
2
3
4
5
6
7
8
9
10
XY Beam Emergency Stop (11)
24V(A)
Do
24V(A)
Do
24V(A)
Do
24V(A)
Do
XY Beam Emergency Stop (12)
Head Emergency Stop(11)
Head Emergency Stop(12)
Safety Relay K4 Auxiliary Output
To Motion Ctrl(S1)
1
2
3
4
5
6
7
8
9
10
XY Beam Emergency Stop (21)
24V(A)
Do
24V(A)
Do
24V(A)
Do
24V(A)
Do
XY Beam Emergency Stop (22)
Head Emergency Stop(21)
Head Emergency Stop(22)
Safety Relay K4 Auxiliary Output
To Motion Ctrl(S2)
CPU2 : U82
(Motion Control Board)
CN8
CN9
1
2
3
4
5
6
7
8
9
10
24V(A)
Do
24V(A)
Do
24V(A)
Do
24V(A)
Do
24V(A)
Do
Feeder Base
CN27
1
2
3
4
5
6
7
8
9
10
11
12
UP_RXD_0(+)
GND
LVDS UP PORT
UP_RXD_0(-)
UP_TXD_0(+)
GND
GND
GND
FG
FG
FG
FG
UP_TXD_0(-)
DN_TXD_0(+)
GND
LVDS DN PORT
DN_TXD_0(-)
DN_RXD_0(+)
GND
GND
GND
FG
FG
FG
FG
DN_RXD_0(-)
1
2
3
4
5
6
7
8
9
10
11
12
GND
LVDS T PORT
GND
GND
GND
FG
FG
FG
FG
1
2
3
4
5
6
7
8
9
10
11
12
U85 (High-Speed I/O Host Board)
X8504
[44-3B]
:1
CN1
CN2
CN3
24A3
24A3
24A3
24A3
GND(A)
24A3
24A3
24A3
24A3
GND(A)
X0108
X0109
X0101
X0102
X0103
:23
:1
:48
:2
:47
:22
:23
:1
:48
:2
:23
:1
:48
:2
:47
:22
:23
:1
:48
:2
CPU2 : U83
(Motion Control Board)
[42-2B]
X8203
[42-2C]
X8204
[43-2B]
X8303
[43-2C]
X8304
U01
IO P.C.B
:2
:3
:4
:5
:6
:7
:8
:9
Reserve
GND
FG
GND
GND
GND
Front Side Bundled Connector
X1300C1
[30-3C]
:1
:2
:3
:4
:5
:6
:7
:8
:9
GND
FG
GND
GND
GND
Safety Circuit
:
Auxiliary Output(Monitor)
GND(A)
K4-X1(CN15)
Do
IL(The inner logic)
Safety Circuit
:
Auxiliary Output(Monitor)
Do
GND(A)
T_TXD_0(+)
T_TXD_0(-)
T_RXD_0(+)
T_RXD_0(-)