5OM-1840-001w_F8S - 第114页
5OM-1840 4-1-7 Electrical and Electronic Symbols 1604-001

5OM-1840
4-1-6
Electrical and Electronic Symbols
1604-001

5OM-1840
4-1-7
Electrical and Electronic Symbols
1604-001

5OM-1840
4-1-8
1604-001
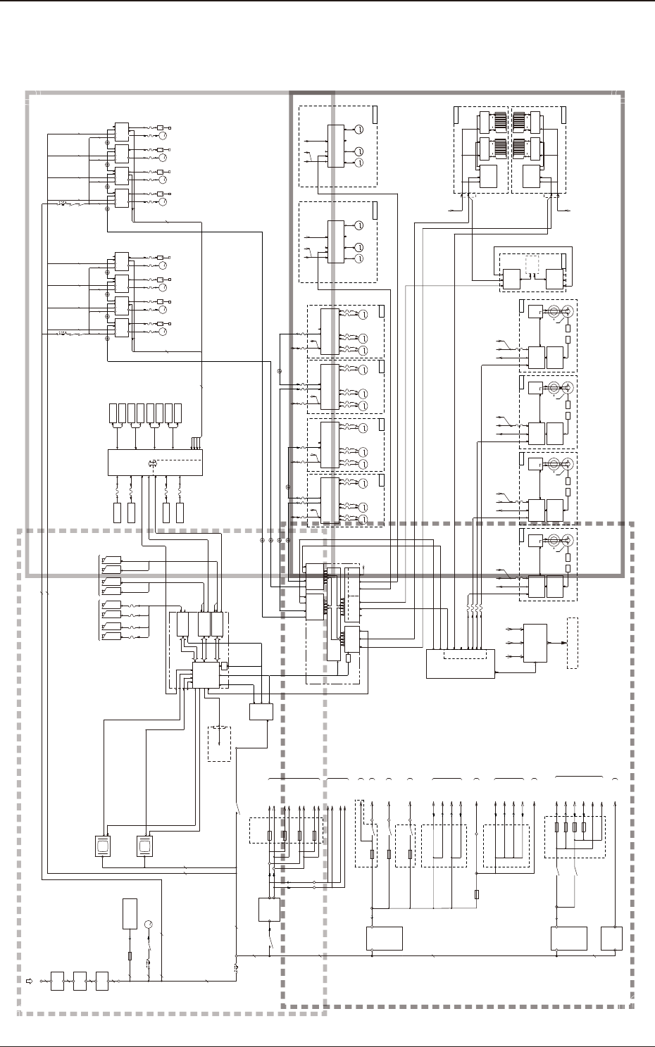
Integrated Block Diagram
24B4
24B6
U08
B Lane
and Sensor
Each loads
Conveyor I/O
U69
Feeder I/O
U69
U67
X100
Connector PCB
X300B
U68
X100
Connector PCB
FEEDER
FEEDER
10Lane
U67
X100
Connector PCB
U68
X100
Connector PCB
FEEDER
FEEDER
10Lane
10Lane 10Lane
Feeder(B)
F201~203(5A)
F200
Lightning Surge
Q205
K29
VACUUM PUMP
M66
Q206
DC48V
G2
F13(5A)
48D3A
48D3B
U27
3
M
Multi-Axis Board Main Power
LCD
(TP)
REAR
N74B
K10
DC24V
G1
24A1
F1(3.15A)
K1A
24A
Multi-Axis Board Control Power Unit
G7
48H Lighting Contorol Board U95
24A2
24A0 Power Input Circuit
Safety Circuit
24A3
DC Load Power Source
K25
K1B
Main Power
Control Power
ServoAMP
Monitor Power
Touch Panel
F14(5A)
48D3C
F15(5A)
48D3D
F16(5A)
Head 11
Head 12
Head 21
Head 22
10D
10D
10D
10D
48D
48D
Convetor Main Power
10D
10D
F2(6.3A)
F5(3.15A)
(I/O Output)
DC Load Power Source
(Operation System, Power Supply System I/O Output)
48D
DC48V
48H
U27
U27
U27
24A
24A
24A
Head Unit
Head 11
Head 12
Head 21
Head 22
24A
Head Unit
Head Valve PCB U04
DC24V
G3
24A6
F7(6.3A)
24A6
Main Machine Satellite PCB U01
U27
Head Satellite PCB U02
Head 11
Head 12
Head 21
Head 22
24B
Linear Measure PCB U03
Conveyor Driver Contorol Power Unit
24A6
24A6
24A6
Conveyor Satellite PCB U08, U14
AELINK Communication Power Unit
K28
Servo Motor
X-Axis
Linear Scale
I/F
AMP
Y-Axis
Linear Scale
X-Axis
Linear Scale
Servo Motor
AMP
Servo Motor
AMP
I/F I/F
11-A21
Servo Motor
11-A22
M21
I/F
U21
M22
U22
AMP
Servo Motor
AMP
Servo Motor
AMP
I/F I/F
Q221A
3
M
3
M
3
M
3
M
3
M
3
M
Q221B
K33A
K33B
3 3 3
K33C
K33D
3 3 3
22 2 22 2
Y-Axis
Linear Scale
Servo Motor
AMP
I/F
3
M
3
2
12-A21 12-A22
Servo Motor
AMP
I/F
3
M
3
2
M21
U21
M22
U22
X-Axis
Linear Scale
Y-Axis
Linear Scale
X-Axis
Linear Scale
M21
U21
M22
U22
Y-Axis
Linear Scale
M21
U21
M22
U22
21-A21 21-A22 22-A21 22-A22
CPU1(Operation and Recg. PC)
LAN2
CPU
U91
USB(3)
DVI
LAN1
USB(11)
U92
Frame
Grabber 1
PIO
CAM
AC-IN
U93
Frame
Grabber 2
PIO
CAM
U94
ATX
Option
EXT. LAN
IF Panel
G21
COM1
COM2
+5V
D89
CPU1-LINE:LAN1
Frame
Grabber 3
PIO
CAM
Control
U95
CN6
Lighting
Board
CN5
E191
(1)
E192
(1)
Component Recog.
(2)
E192
(2)
E191
CN11
CN10
E191
(3)
E192
(4)
E192
E191
(3)
(4)
CON7
CON5
CON3
CON1
CN13
CN8
CN12
CN7
E39
PCB Recog. Lamp1
E39
(1)
(2)
PCB Recog. Lamp2
E39
PCB Recog. Lamp3
E39
(1)
(2)
PCB Recog. Lamp4
SSD
CN2
PCIe-bus
CAM
CAM
+12V
CN3
CN9
CN14
CN14
(expand)
CONTROL
U83
MOTION
U85
RS485
I/OSSCNET
+5V
U81
CPU
COM1 LAN
X01
24A6
CPU2(Control PC)
ID:0
D81
CPCI
2CH1CH 2CH1CH
CN2
AE_LINK
COM2
(RS232C)
U180
CF
DN TUP
High-speed I/O
LVDS
CN1
SERIAL2 SERIAL1
CONTROL
U82
MOTION
I/OSSCNET
ID:0
2CH1CH 2CH1CH
SSCNET3(Optic)
Transfer B
A41
CN1
EMG
CN6
PWR
N2
AE
N1
AE
CN8CN7
M42
NMR
NML
M41
M MM
M44
NA-WB
MM
48D
CN9 CN10
A41
CN6
PWR
N2
AE
N1
AE
M50
NMR
NML
M49
M MM
M52
NA-WB
MM
48D
Transfer A
AE_LINK
U01
I/O
LVDS
UP
DN
T
AE_LINK
U02
LINE SENSOR
U03
LINE SENSOR
R
CN1
CN3
Slip
T
CN9
Rings
U37
U04
Head11
J1
CN1CN2 X1
24A
U02
LINE SENSOR
U03
LINE SENSOR
R
CN1
CN3
Slip
T
CN9
Rings
U37
U04
Head12
J1
CN1CN2 X1
24A
U02
LINE SENSOR
U03
LINE SENSOR
R
CN1
CN3
Slip
T
CN9
Rings
U37
U04
Head21
J1
CN1CN2 X1
24A
U02
LINE SENSOR
U03
LINE SENSOR
R
CN1
CN3
Slip
T
CN9
Rings
U37
U04
Head22
J1
Multi-Axis
CN1CN2 X1
Board
24A24A6
UP DN T
U14
A Lane
UP DN T
24A6
Feeder I/O
X300C
X300B
X300C
LVDS
SERIAL(RS-232C)
SERIAL(RS-232C)
LVDS
LVDS
+12V
NOISE
FILTER
Z2
NOISE
FILTER
Z1
Q200
3
3
3
3
3
3
3 3
2 2
LCD
(TP)
FRONT
N74F
Main Power
3
Control Power
2
CN9
CN8
SSCNET3(Optic)
SSCNET3(Optic)
SSCNET3(Optic)
T
T
T
T
D4920
CN8CN7 CN9 CN10
D4920
SSCNET3(Optic)
SSCNET3(Optic)
M33
NLNSDD
M32M31
Servo Motor AMP
A31
CNP1
48V/24V
CN1A
SSC
24A
48D3A
CN1B
P2A 2A P2B 2B P2C 2C P2D 2D
M M M
HEAD11
M33
NLNSDD
M32M31
Servo Motor AMP
A31
CNP1
48V/24V
CN1A
SSC
24A
48D3B
CN1B
P2A 2A P2B 2B P2C 2C P2D 2D
M M M
HEAD12
M33
NLNSDD
M32M31
Servo Motor AMP
A31
CNP1
48V/24V
CN1A
SSC
24A
48D3C
CN1B
P2A 2A P2B 2B P2C 2C P2D 2D
M M M
HEAD21
M33
NLNSDD
M32M31
Servo Motor AMP
A31
CNP1
48V/24V
CN1A
SSC
24A
48D3D
CN1B
P2A 2A P2B 2B P2C 2C P2D 2D
M M M
HEAD22
2
3
3
4
2 2
B36(1)
B36(2)
(1)~(4)
B36(3)
B36(4)
PCB Recog.
B61(1)
B61(2)
(1)~(4)
B61(3)
B61(4)
Component Recog.
LVDS
LVDS
LVDS
LVDS
LVDS
U27
24B
Relay P.C.B
Each Loads and Sensor
24A48D
Emergency stop
CN1
EMG
Emergency stop
Feeder(F)
+3.3V
+12V
+5V
+5V
+12V
+3.3V
+5V
+12V
+3.3V
+12V
PCIe-bus
PCI-bus
2
2
2
24B
U27
Feeder Base Power Distributor PCB U68
Feeder 11
Feeder 21
Feeder 12
Feeder 22
24B
24B
24B
K77
K75
F21(4A)
F23(4A)
F25(4A)
F27(4A)
Feeder I/O Satellite PCB U09
Feeder(B)
Feeder(F)
24B
24B
VGA
24A6 24A6
24A624A624A6
Camera
Camera
Ring Lamp1
Component Recog.
Ring Lamp2
Component Recog.
Ring Lamp3
Component Recog.
Ring Lamp4
Component Recog.
Coaxial Lamp1
Component Recog.
Coaxial Lamp2
Component Recog.
Coaxial Lamp3
Component Recog.
Coaxial Lamp4
Power
EXT. Transfer
High-speed
Multi-Axis
Board
Multi-Axis
Board
Multi-Axis
Board
Bundled Connector(F)
EXT. Unit Connecting
Bundled Connector(B)
EXT. Unit Connecting
Cooling FAN, Image Distribution PCB U165
Power Unit Each Sensor,
Protector
Supply
3φ AC200V
A
B
C
D