5OM-1840-001w_F8S - 第119页
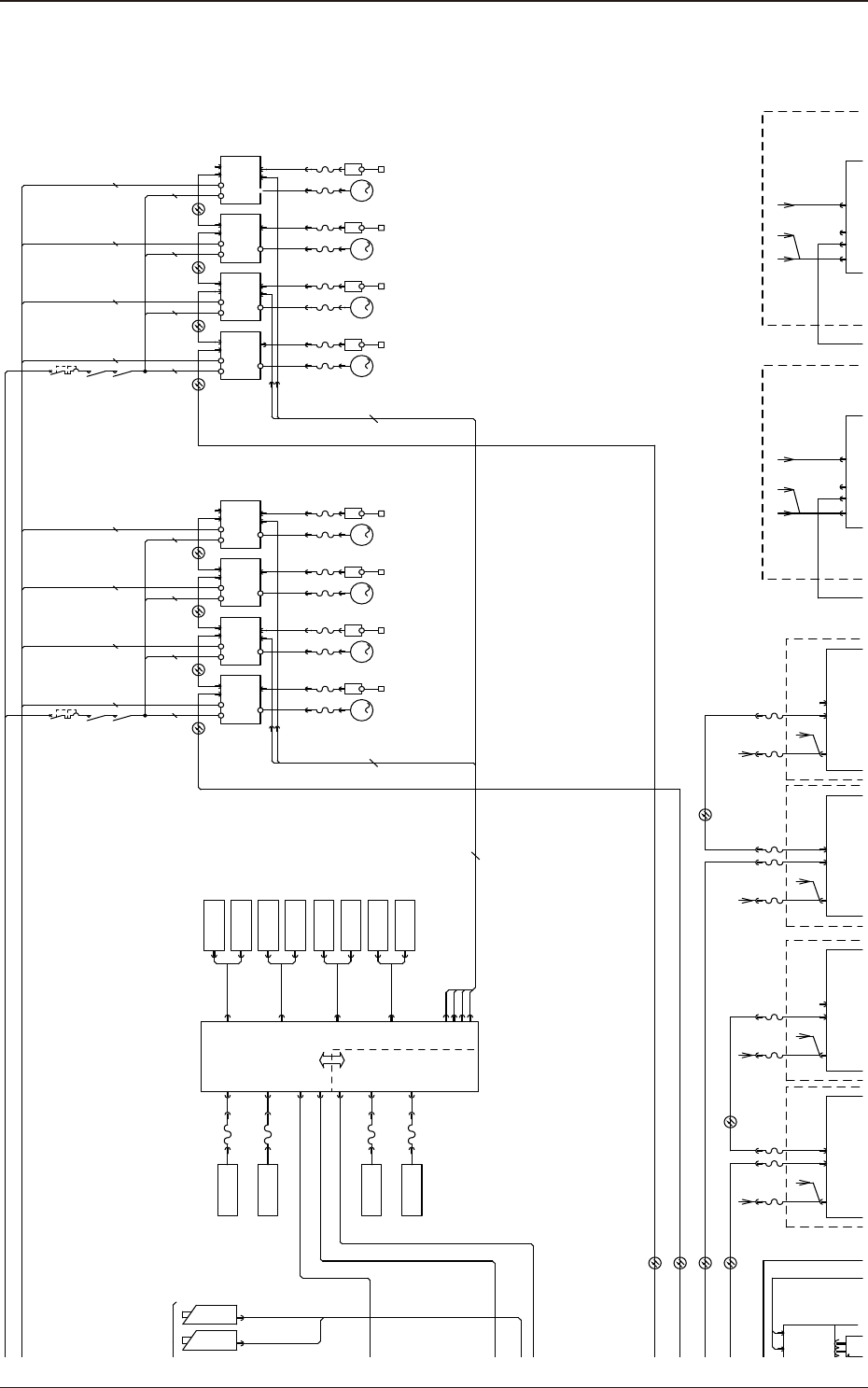
5OM-1840 4-1-12 1604-001 Integrated Block Diagram (Details D) 24B4 24B6 U08 B Lane and Sensor Each loads Conveyor I/O U69 Feeder I/O U69 U67 X100 Connector PCB X300B U68 X100 Connector PCB FEEDER FEEDER 10Lane U67 X100 C…

5OM-1840
4-1-11
1604-001
Integrated Block Diagram (Details C)
Servo Motor
X-Axis
Linear Scale
I/F
AMP
Y-Axis
Linear Scale
X-Axis
Linear Scale
Servo Motor
AMP
Servo Motor
AMP
I/F I/F
11-A21
Servo Motor
11-A22
M21
I/F
U21
M22
U22
AMP
Servo Motor
AMP
Servo Motor
AMP
I/F I/F
Q221A
3
M
3
M
3
M
3
M
3
M
3
M
Q221B
K33A
K33B
3 3 3
K33C
K33D
3 3 3
22 2 22 2
Y-Axis
Linear Scale
Servo Motor
AMP
I/F
3
M
3
2
12-A21 12-A22
Servo Motor
AMP
I/F
3
M
3
2
M21
U21
M22
U22
X-Axis
Linear Scale
Y-Axis
Linear Scale
X-Axis
Linear Scale
M21
U21
M22
U22
Y-Axis
Linear Scale
M21
U21
M22
U22
21-A21 21-A22 22-A21 22-A22
Control
U95
CN6
Lighting
Board
CN5
E191
(1)
E192
(1)
Component Recog.
(2)
E192
(2)
E191
CN11
CN10
E191
(3)
E192
(4)
E192
E191
(3)
(4)
CON7
CON5
CON3
CON1
CN13
CN8
CN12
CN7
E39
PCB Recog. Lamp1
E39
(1)
(2)
PCB Recog. Lamp2
E39
PCB Recog. Lamp3
E39
(1)
(2)
PCB Recog. Lamp4
CN2
CN3
CN9
CN14
CN14
(expand)
CONTROL
MOTION
I/O
ID:0
2CH1CH
SSCNET3(Optic)
A41
CN1
EMG
CN6
PWR
N2
AE
N1
AE
48D
A41
CN6
PWR
N2
AE
N1
AE
48D
SSCNET3(Optic)
SSCNET3(Optic)
SSCNET3(Optic) SSCNET3(Optic)
SSCNET3(Optic)
Servo Motor AMP
A31
CNP1
48V/24V
CN1A
SSC
24A
48D3A
CN1B
Servo Motor AMP
A31
CNP1
48V/24V
CN1A
SSC
24A
48D3B
CN1B
Servo Motor AMP
A31
CNP1
48V/24V
CN1A
SSC
24A
48D3C
CN1B
Servo Motor AMP
A31
CNP1
48V/24V
CN1A
SSC
24A
48D3D
CN1B
4
2 2
(1)~(4)
B61(3)
B61(4)
Component Recog.
Emergency stop
CN1
EMG
Emergency stop
24A6 24A6
Camera
Ring Lamp1
Component Recog.
Ring Lamp2
Component Recog.
Ring Lamp3
Component Recog.
Ring Lamp4
Component Recog.
Coaxial Lamp1
Component Recog.
Coaxial Lamp2
Component Recog.
Coaxial Lamp3
Component Recog.
Coaxial Lamp4

5OM-1840
4-1-12
1604-001
Integrated Block Diagram (Details D)
24B4
24B6
U08
B Lane
and Sensor
Each loads
Conveyor I/O
U69
Feeder I/O
U69
U67
X100
Connector PCB
X300B
U68
X100
Connector PCB
FEEDER
FEEDER
10Lane
U67
X100
Connector PCB
U68
X100
Connector PCB
FEEDER
FEEDER
10Lane
10Lane 10Lane
Feeder(B)
X01
24A6
CONTROL
MOTION
I/O
ID:0
2CH
2CH1CH
Transfer B
A41
CN1
EMG
CN6
PWR
N2
AE
N1
AE
CN8CN7
M42
NMR
NML
M41
M MM
M44
NA-WB
MM
48D
CN9 CN10
A41
CN6
PWR
N2
AE
N1
AE
M50
NMR
NML
M49
M MM
M52
NA-WB
MM
48D
Transfer A
AE_LINK
AE_LINK
LINE SENSOR
LINE SENSOR
R
CN3
Slip
T
Rings
U37
U04
Head11
J1
X1
24A
U02
LINE SENSOR
U03
LINE SENSOR
R
CN1
CN3
Slip
T
CN9
Rings
U37
U04
Head12
J1
CN1CN2 X1
24A
U02
LINE SENSOR
U03
LINE SENSOR
R
CN1
CN3
Slip
T
CN9
Rings
U37
U04
Head21
J1
CN1CN2 X1
24A
U02
LINE SENSOR
U03
LINE SENSOR
R
CN1
CN3
Slip
T
CN9
Rings
U37
U04
Head22
J1
Multi-Axis
CN1CN2 X1
Board
24A24A6
UP DN T
U14
A Lane
UP DN T
Feeder I/O
X300C
X300B
X300C
LVDS
SERIAL(RS-232C)
SERIAL(RS-232C)
LVDS
D4920
CN8CN7 CN9 CN10
D4920
M33
NLNSDD
M32M31
Servo Motor AMP
A31
CNP1
48V/24V
CN1A
SSC
24A
48D3A
CN1B
P2A 2A P2B 2B P2C 2C P2D 2D
M M M
HEAD11
M33
NLNSDD
M32M31
Servo Motor AMP
A31
CNP1
48V/24V
CN1A
SSC
24A
48D3B
CN1B
P2A 2A P2B 2B P2C 2C P2D 2D
M M M
HEAD12
M33
NLNSDD
M32M31
Servo Motor AMP
A31
CNP1
48V/24V
CN1A
SSC
24A
48D3C
CN1B
P2A 2A P2B 2B P2C 2C P2D 2D
M M M
HEAD21
M33
NLNSDD
M32M31
Servo Motor AMP
A31
CNP1
48V/24V
CN1A
SSC
24A
48D3D
CN1B
P2A 2A P2B 2B P2C 2C P2D 2D
M M M
HEAD22
Emergency stop
CN1
EMG
Emergency stop
Feeder(F)
24A6 24A6
24A624A6
24A6
Multi-Axis
Board
Multi-Axis
Board
Bundled Connector(F)
EXT. Unit Connecting
Bundled Connector(B)
EXT. Unit Connecting

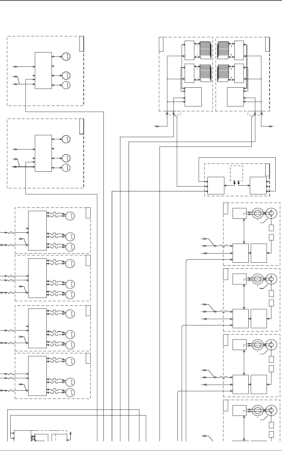
5OM-1840
4-1-13
1604-001
AC Power Section
PEL3L2L1
6
NOISE FILTER1
4
5
1 2 3
MITSUBISHI
L300
L200
L100
400W
VACUUM PUMP
3
M
U
V
W
K29
65
43
1 2
For Power Supply to Control PC
K28
1 2
G21
For Power Supply Operation & Recognition PC
L220
L120
CPU1/2
ATX Power
NF100-SRU 3P
OK AYA
3SUPF-BH50-ER-6
KHB400A-306-G1
MITSUBISHI
SD-Q11D(6A)
L300L200L100
For Power Supply to Control Servo AMP
3 4
Q200
Z1
L10
L20
L30
ORION
MITSUBISHI
SD-Q11D(6A)
8AWG
8AWG
8AWG
L11
L21
L31
8AWG
8AWG
8AWG
8AWG
8AWG
8AWG
L110
L210
L310
10AWG
10AWG
10AWG
18AWG
18AWG
18AWG
22-A22
L120
L220
L220
L120
L220
L120
L220
L120
21-A22
21-A21
Servo Motor AMP(Y)
Servo Motor AMP(X)
22-A21
Servo Motor AMP(Y)
Servo Motor AMP(X)
L120
L220
L220
L120
L220
L120
L220
L120
11-A22
11-A21
Servo Motor AMP(Y)
Servo Motor AMP(X)
12-A21
Servo Motor AMP(X)
L132
L232
L332
3
5 6
4
2
1
3
5 6
4
2
1
3
5 6
4
2
1
3
5 6
4
2
1
L131
L231
L331
K33C K33D
Q221B
MITSUBISHI
SD-N35CX DC24V
MITSUBISHI
SD-N35CX DC24V
FUJI ELECTRIC
BW50RAGU-3P050
K33A K33B
MITSUBISHI
SD-N35CX DC24V
MITSUBISHI
SD-N35CX DC24V
Q221A
FUJI ELECTRIC
BW50RAGU-3P050
12-A22
Servo Motor AMP(Y)
14AWG
14AWG
18AWG
18AWG
8AWG
8AWG
8AWG
14AWG
14AWG
14AWG
14AWG
14AWG
14AWG
14AWG
14AWG
14AWG
14AWG
14AWG
14AWG
14AWG
14AWG
14AWG
14AWG
14AWG
14AWG
14AWG
14AWG
14AWG
14AWG
14AWG
18AWG
18AWG
18AWG
18AWG
18AWG
18AWG
18AWG
18AWG
18AWG
18AWG
18AWG
18AWG
18AWG
18AWG
18AWG
18AWG
Q205
FUJI ELECTRIC
BM3RSB-004
NOISE FILTER2
Z2
L111
L211
L311
L121
L221
L130
L230
L330
L132
L232
L332
L132
L232
L332
L132
L232
L332
L242
L342
L141
L241
L341
L140
L240
L340
L142
L242
L342
L142
L242
L342
L142
L242
L342
M66
Q206
FUJI ELECTRIC
BW50RAGU-3P030
14AWG
14AWG
L120
L220
8AWG
L120 L220 L320
Each power supply load
L300L200L100L220L120
14AWG
L320
14AWG
14AWG
14AWG
14AWG
L142
OK AYA
3SUPF-BH50-ER-6
14AWG
14AWG
14AWG
For Power Supply to Touch Panel Monitor
N74B
N74F
18AWG
18AWG
(5A)
(5A)
(5A)
Absorber
L201
L301
Thunder
Surge
L101
F201
F203
F202
F200
OK AYA
RAV-781BXZ-4
DAITO
FUSE : GP50
DAITO
FUSE HOLDER : GPH-4S
8AWG
8AWG
[01-4A]
[02-1A]
[01-4A]
[40-11D/11H]
L320
L220
[20-2B]
[20-2E]
[20-8B]
[20-8E]
[21-2B]
[21-2E]
[21-8B]
[21-8E]
[50-4A]
TCS-05SRU3
F-05SRUL
64
5
1 2 3