5OM-1840-001w_F8S - 第144页
5OM-1840 4-1-37 1604-001 Dual T ransfer Block Diagram D4920 T ransfer Driver AE-LINK PWR AE-LINK (24A6) DC24V UB95(U08) PWR L VDS Load Sensor Input 16 Output 16 T rabsfer Unit Sensor • Load B Lane (24A3) DC24V L VDS U85 …

5OM-1840
4-1-36
1604-001
Single Transfer Block Diagram
D4920
MMM
Transfer Driver
PWR
AE-LINK
(48D)
DC48V
(24A6)
DC24V
UB95
PWR
LVDS
Load Sensor
Input 16 Output 16
Transfer Unit Sensor • Load
(24A3)
DC24V
LVDS
AE-LINK
U85 CN1
(48D)
(24A6)
(24A6)(24A3)
TDNUP
STP
Transfer Emergency Stop
UC18
PCB Detection
Deceleration/Stop
Sensor 1,2
Mobile chute
Origin Sensor
B Lane
[44-5D]
[02-12F]
[02-7G]
[02-5B]
[18-2B]
[A1-1G]
[44-5C]
Feeder Base(BLOCK1)
U85 CN5
UC69 CN8
B Lane
B Lane
CN7 CN2 CN8
CN9,CN4
CN10 CN5
N-B302
N-B305
N-M301 N-M302 N-M201
CN6 CN1 N1 N2
CN1 CN2 CN3X2 X1
N-B303
N-B306
N-B301
N-B304
N-B201
CN3
PCB Detection
Deceleration/Stop
Sensor 1,2
Feed Axis 1 Feed Axis 2 Width Change
Sensor1 Sensor2

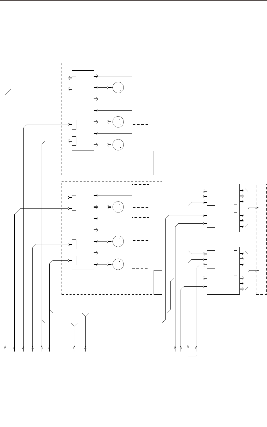
5OM-1840
4-1-37
1604-001
Dual Transfer Block Diagram
D4920
Transfer Driver
AE-LINK
PWR
AE-LINK
(24A6)
DC24V
UB95(U08)
PWR
LVDS
Load Sensor
Input 16 Output 16
Trabsfer Unit Sensor • Load
B Lane
(24A3)
DC24V
LVDS
U85 CN5
UB95(U14)
PWR
LVDS
Load
Sensor
Input 16 Output 16
TDN
AE-LINK
(48D)
(24A6)
(24A6)(24A3) (24A6)(24A3)
(48D)
DC48V
UP TDNUP
STP
Transfer Emergency Stop
UC18
D4920
Transfer Driver
PWR
AE-LINK
(48D)
(24A6)
STP
B Lane
[44-5D]
[44-5D]
U85 CN2
U85 CN1
A Lane
B Lane A Lane
[18-2B]
[02-12F]
[02-7G]
[02-5B]
[44-5C]
[A1-1G]
Feeder Base(BLOCK1)
UC69 CN8
Transfer Emergency Stop
UC18
A Lane
[18-2B]
CN1 CN2 CN3X2 X1 CN1 CN2 CN3
X2
X1
N1 N2 N1 N2CN6 CN1 CN6 CN1
(48D)
DC48V
[02-12F]
(24A6)
DC24V
[02-7G]
(24A6)
DC24V
[02-5B]
MMM
CN7 CN2 CN8
CN9,CN4
CN10 CN5
N-B302
N-B305
N-M301 N-M302 N-M201
N-B303
N-B306
N-B301
N-B304
N-B201
CN3
MMM
CN7 CN2 CN8
CN9,CN4
CN10 CN5
N-B302
N-B305
N-M301 N-M302 N-M201
N-B303
N-B306
N-B301
N-B304
N-B201
CN3
Feed Axis 1 Feed Axis 2 Width Change Feed Axis 1 Feed Axis 2 Width Change
PCB Detection
Deceleration/Stop
Sensor 1,2
Sensor1
PCB Detection
Deceleration/Stop
Sensor 1,2
Sensor2
Mobile chute
Origin Sensor
PCB Detection
Deceleration/Stop
Sensor 1,2
Sensor1
PCB Detection
Deceleration/Stop
Sensor 1,2
Sensor2
Mobile chute
Origin Sensor

5OM-1840
4-1-38
1604-001
Y510 mm Transfer Block Diagram
A41
MMM
Transfer Driver
PWR
AE-LINK
48D
DC48V
24A6
DC24V
U08
PWR
LVDS
Load Sensor
Sensor • Load
24A3
DC24V
LVDS
AE-LINK
U85 CN1
(48D)
(24A6)
(24A6)(24A3)
TDNUP
STP
Transfer Emergency Stop
U01
B Lane
[44-5D]
[02-12F]
[02-7G]
[02-5B]
[18-2B]
[A1-1G]
[44-5C]
Feeder Base(B1)
U85 CN5
U69 CN8
B Lane
CN7 CN8 CN9 CN10
N-M301 N-M302 N-M201
CN6 CN1 N1 N2
CN1 CN2 CN3X2 X1
Transfer
Sensor
A45
Backup Driver
PWR
AE-LINK
(48D)
(24A6)
M
STP
CN1
N-M401
CN10 CN9 N1 N2
Transfer
Sensor
M
CN5
N-M402
Transfer Unit