5OM-1840-001w_F8S - 第146页
5OM-1840 4-1-39 1604-001 T ransfer Driver (D4920) Section CN7 N-X307 M 4 3 2 5 2 4 3 1 /B /A NC B 5 A CN8 N-X308 M 2 4 3 1 5 Axis1 Axis2 D4920 CN2(Axis1) Y BL R OR :1 :3 :2 :4 N-M301 Y BL R OR :1 :3 :2 :4 N-M302 CN3(Axis…

5OM-1840
4-1-38
1604-001
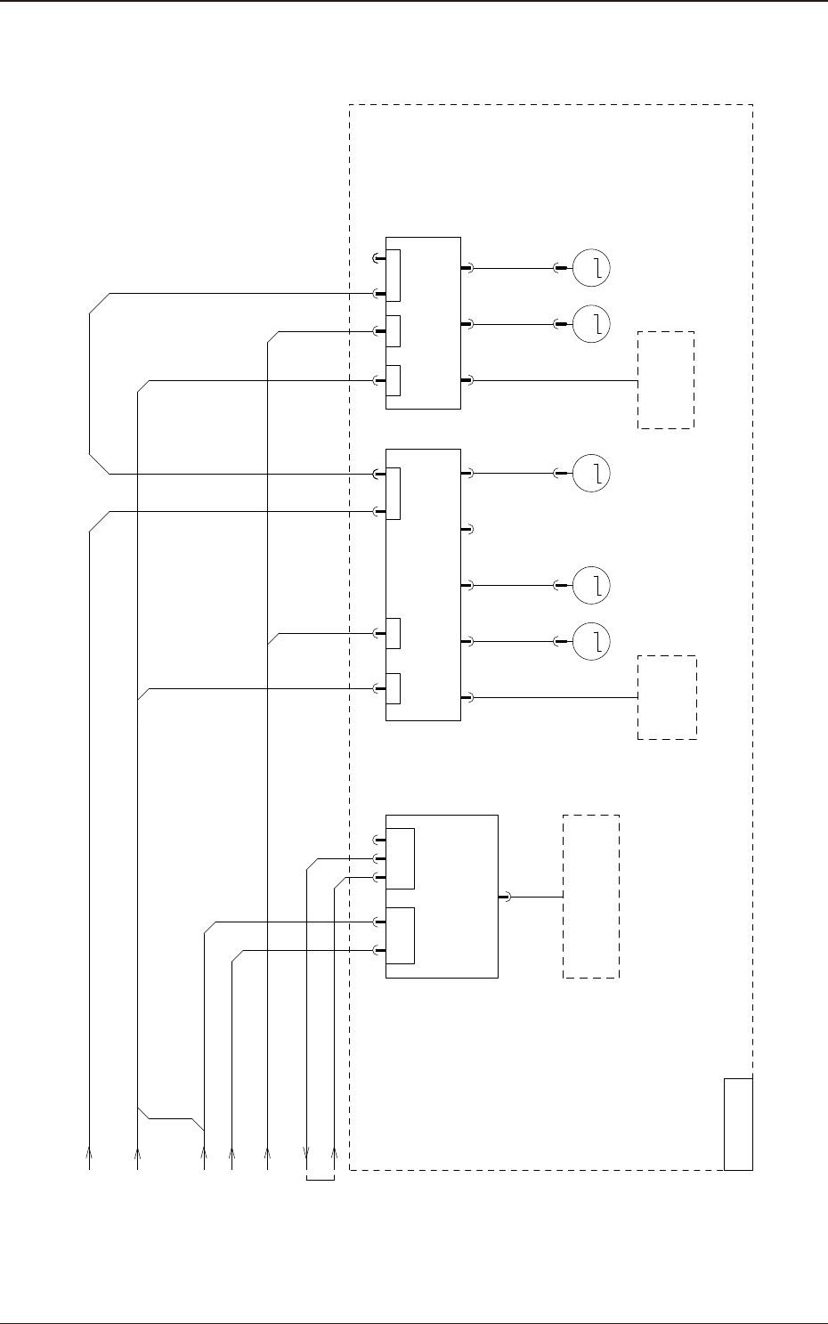
Y510 mm Transfer Block Diagram
A41
MMM
Transfer Driver
PWR
AE-LINK
48D
DC48V
24A6
DC24V
U08
PWR
LVDS
Load Sensor
Sensor • Load
24A3
DC24V
LVDS
AE-LINK
U85 CN1
(48D)
(24A6)
(24A6)(24A3)
TDNUP
STP
Transfer Emergency Stop
U01
B Lane
[44-5D]
[02-12F]
[02-7G]
[02-5B]
[18-2B]
[A1-1G]
[44-5C]
Feeder Base(B1)
U85 CN5
U69 CN8
B Lane
CN7 CN8 CN9 CN10
N-M301 N-M302 N-M201
CN6 CN1 N1 N2
CN1 CN2 CN3X2 X1
Transfer
Sensor
A45
Backup Driver
PWR
AE-LINK
(48D)
(24A6)
M
STP
CN1
N-M401
CN10 CN9 N1 N2
Transfer
Sensor
M
CN5
N-M402
Transfer Unit

5OM-1840
4-1-39
1604-001
Transfer Driver (D4920) Section
CN7
N-X307
M
4
3
2
5
2
4
3
1
/B
/A
NC
B
5
A
CN8
N-X308
M
2
4
3
1
5
Axis1
Axis2
D4920
CN2(Axis1)
Y
BL
R
OR
:1
:3
:2
:4
N-M301
Y
BL
R
OR
:1
:3
:2
:4
N-M302
CN3(Axis2)
5
6
4
2
1
CN4(Axis3)
SEN+
SEN3
COM
3 SEN2
SEN4
CN9
N-X309
2
4
3
1
5
CN10
N-X310
M
2
4
3
1
5
Axis4
Y
BL
R
OR
:1
:3
:2
:4
N-M304
1
2
3
CN6
4
2
4
3
N1
2
4
3
N2
ALM-
STP-
ALM+
STP+1
2
3
4
CN1
24A6
N-X306
GND(SG)
COM B
+V
COM A
COM B
+V
COM A
N-X3N1
24A6
10
COM A
COM B
Main Power
DC48V(48D)
CV+
10
GND(B)
MV+
GND(D)
48D
10D
Control Power
DC24V(24A6)
1
1
GND(SG)
N-X301
/B
/A
NC
B
A
/B
/A
NC
B
A
/B
/A
NC
B
A
SEN1
5
6
4
2
1 SEN+
SEN3
COM
3 SEN2
SEN4
SEN1
5
6
4
2
1 SEN+
SEN3
COM
3 SEN2
SEN4
SEN1 (Sensor Input)
4
3
2
5
4
3
2
5
N-X3N2
CN7
N-X407
M
4
3
2
5
2
4
3
1
/B
/A
NC
B
5
A
CN8
N-X408
M
2
4
3
1
5
Axis5
Axis6
Deceleration/Stop Sensor5
CN2(Axis1)
N-X402
Y
BL
R
OR
:1
:3
:2
:4
N-M401
Y
BL
R
OR
:1
:3
:2
:4
N-M402
CN3(Axis2)
N-X403
5
6
4
2
1
CN5(Axis3)
SEN+
SEN3
COM
N-X405
3 SEN2
SEN4
CN9
N-X409
2
4
3
1
5
CN10
N-X410
M
2
4
3
1
5
Axis8
Y
BL
R
OR
:1
:3
:2
:4
N-M404
1
2
3
CN6
4
2
4
3
N1
2
4
3
N2
ALM-
STP-
ALM+
STP+1
2
3
4
CN1
24A6
N-X406
GND(SG)
COM B
+V
COM A
COM B
+V
COM A
N-X4N1
Main Power
DC48V(48D)
CV+
10
GND(B)
MV+
GND(D)
48D
10D
Control Power
DC24V(24A6)
1
1
GND(SG)
N-X401
/B
/A
NC
B
A
/B
/A
NC
B
A
/B
/A
NC
B
A
Deceleration/Stop Sensor6
SEN1
5
6
4
2
1 SEN+
SEN3
COM
3 SEN2
SEN4
SEN1
5
6
4
2
1 SEN+
SEN3
COM
3 SEN2
SEN4
SEN1 (Sensor Input)
24A3
Do
4
3
2
5
4
3
2
5
BL
BK
BR
OR
PK
B401
:1
:2
:4
:3
:5
N-B401
24A6
10
PCB Detection Sensor1
-
OUT
+
BL
BK
BR
B301
:1
:2
:3
N-B301
BL
BK
BR
OR
PK
B402
:1
:2
:4
:3
:5
N-B402
24A6
10
PCB Detection Sensor2
-
OUT
+
BL
BK
BR
B304
:1
:2
:3
N-B304
Deceleration/Stop Sensor1
Deceleration/Stop Sensor2
N-X302
-
OUT1
OUT2
+
IN
BL
BK
BR
OR
PK
BL
BK
BR
OR
PK
B302
B303
:1
:2
:4
:3
:5
N-B302
:1
:2
:4
:3
:5
N-B303
N-X303
N-X304
BL
BK
BR
OR
PK
BL
BK
BR
OR
PK
B305
B306
:1
:2
:4
:3
:5
N-B305
:1
:2
:4
:3
:5
N-B306
Deceleration/Stop Sensor3
Deceleration/Stop Sensor4
24A6
10
24A6
10
[02-6C]
[02-3C]
[02-6C]
[02-3C]
24A6
10
COM A
COM B
24A6
10
COM A
COM B
A41
D4920
A107
N-X4N2
-
OUT1
OUT2
+
IN
-
OUT1
OUT2
+
IN
-
OUT1
OUT2
+
IN
-
OUT1
OUT2
+
IN
-
OUT1
OUT2
+
IN
E3X-DA21-S
OMRON
E3X-DA21-S
OMRON
E3X-DA21-S
OMRON
E3X-DA21-S
OMRON
E3X-DA21-S
OMRON
E3X-DA21-S
OMRON
23KM-K044BS02CA
MINEBEA
23KM-K044BS02CA
MINEBEA
103H7823-1762
SANYO DENKI
E3S-LS3N-1
OMRON
E3S-LS3N-1
OMRON
Note
2. Connection Destination which is at the time of Backup(OP) Non-Loading
3. Connection Destination which is at the time of Backup(OP) Loading
[C2-3C]
D4460
N2
[C5-8D]
D4460 N1
Note2
[C4-4B]
D4460 N1
Note3
[C5-4D]
D4460 N1
Note2
[C4-4C]
D4460 N1
Note3
Transfer Emergency Stop
[18-5B]
U01
A Lane: X10153
[18-5C]
B Lane: X10154
Note1
1. Connection Destination is Different in A Lane,B Lane.
[C6-4B]
B Lane: U08 Transfer I/O X0817
[C7-4B]
A Lane: U14 Transfer I/O X1417
Note1
[C6-4B]
B Lane: U08 Transfer I/O X0818
[C7-4B]
A Lane: U14 Transfer I/O X1418
Note1
[C6-4B]
B Lane: U08 Transfer I/O X0819
[C7-4B]
A Lane: U14 Transfer I/O X1419
Note1
[C6-4B]
B Lane: U08 Transfer I/O X0820
[C7-4B]
A Lane: U14 Transfer I/O X1420
Note1
[C6-4C]
B Lane: U08 Transfer I/O X0823
[C7-4C]
A Lane: U14 Transfer I/O X1423
Note1
[C6-4C]
B Lane: U08 Transfer I/O X0824
[C7-4C]
A Lane: U14 Transfer I/O X1424
Note1
24A3
Do
5
6
4
2
1
CN5(Axis4)
SEN+
SEN3
COM
3 SEN2
SEN4
SEN1
N-X305
:4
:2
:1
:3
B1005
Mobile Chute Origin
B1005
L.ON
+
D.ON
0V
24A6
10
Feed Axis
Feed Axis
Width Change Axis
23KM-K044BS02CA
MINEBEA
23KM-K044BS02CA
MINEBEA
103H7823-1762
SANYO DENKI
Feed Axis
Feed Axis
Width Change Axis
5
6
4
2
1
CN5(Axis4)
SEN+
SEN3
COM
3 SEN2
SEN4
SEN1
N-X305
:4
:2
:1
:3
B1005
Mobile Chute Origin
B1005
L.ON
+
D.ON
0V
24A6
10

5OM-1840
4-1-40
1604-001
Y510 mm Transfer Driver (D4920) Section
X1007
M
4
3
6
1
2
4
3
1
/B
/A
N.C.
B
5
A
X1008
M
2
4
3
1
5
NL_L Motor
5
6
4
2
1
SEN+
SEN3
COM
3 SEN2
SEN4
:4
:2
:1
:3
B1005
2
4
3
1
5
X1010
M
2
4
3
1
5
/B
/A
N.C.
B
A
/B
/A
N.C.
B
A
/B
/A
N.C.
B
A
Mobile Chute Origin
SEN1
4
3
6
1
4
3
6
1
M41
Stepping Motor Driver
A10
B1005
L.ON
+
D.ON
0V
NR_L Motor
M42
NA_W Motor
M44
CN5
X1005
CN7
CN8
CN9
CN10
X1007
X1008
X1009
X1010
24A6
10
(Axis4)
(Axis1)
(Axis2)
PCB Detection Sensor1
Deceleration/Stop Sensor 1
Deceleration/Stop Sensor 2
CN2(Axis1)
N-X302
-
OUT
+
-
OUT1
OUT2
+
IN
BL
BK
BR
BL
BK
BR
OR
PK
BL
BK
BR
OR
PK
B301
B302
B303
:1
:2
:4
:3
:5
N-B302
:6
:8
:7
:9
:1
:2
:3
N-B1301
24A6
10
6
5
2
1 SEN+
SEN3
COM
4
SEN2
SEN4
SEN1 (Sensor Input)
[C6-5B]
-
OUT1
OUT2
+
IN
B LANE: to U08-CN17
[C7-5B]
A LANE: to U14-CN17
[C6-5B]
B LANE: to U08-CN18
[C7-5B]
A LANE: to U14-CN18
Note1
Note1
:1
:2
N-I/O2
:3
:4
:5
:10
:1
:3
to U08-CN36
[C6-2B]
to U14-CN36
[C7-2B]
B LANE:
A LANE:
Note1
3
PCB Detection Sensor2
Deceleration/Stop Sensor 3
Deceleration/Stop Sensor 4
CN3(Axis2)
N-X303
-
OUT
+
-
OUT1
OUT2
+
IN
BL
BK
BR
BL
BK
BR
OR
PK
BL
BK
BR
OR
PK
B304
B305
B306
:1
:2
:4
:3
:5
N-B305
:6
:8
:7
:9
:1
:2
:3
N-B1304
24A6
10
6
5
2
1 SEN+
SEN3
COM
4
SEN2
SEN4
SEN1 (Sensor Input)
[C6-5B]
-
OUT1
OUT2
+
IN
B LANE: to U08-CN19
[C7-5B]
A LANE: to U14-CN19
[C6-5C]
B LANE: to U08-CN20
[C7-5C]
A LANE: to U14-CN20
Note1
Note1
:6
:7
N-I/O2
:8
:9
:10
:10
:1
:3
3
from N-I/O1
[C2-1C]
CN4(Axis3)
6
5
2
1 SEN+
SEN3
COM
4
SEN2
SEN4
SEN1 (Sensor Input)
3
Transfer1
Transfer2
Width Change
Note
1. Connection Destination is Different in A Lane,B Lane.
2. Connection Destination by Y510mm Transfer Unit(OP)
Without in case of non-loading and a connection destination
Axis1
0
4
8
12
Address
1
5
9
13
2
6
10
14
3
7
11
15
OFF
Axis2 Axis3 Axis4
OFF
SW2-1
OFF
SW2-2 SW2-3
OFFOFFON
OFFOFF
OFF
ON
ON ON
1
ON
2
1
ON
2 3 4
5 6 7 8
6
7
STP(Emergency Stop)
1-3
Following Table Referring
OFF
OFF
NO.
Setting Contents
Setting
Note
Effective
SW2
ON
AE-LINK Terminating
NO.
Setting Contents
Setting
Note
SW1
2
AE-LINK Terminating
4,5,8
No Use
Telegraph Speed
ON
307.2Kbps
Servo OFF
MV+
Motor Power Indication
Control Power Indication
Alarm Indication
Note
CV+
ALM
LED Name
Lights up by Supply 48V
Lights up by Supply 24V
OK:Lights up/NG:Turning off
A10 LED Explanation
A10 Explanation
1
1
ON
2
AE-LINK Terminating
OFF
AE-LINK Terminating
Transfer OP
2
1
ON
OFF
Y510mm
3.Identification label of A Lane or B Lane is put on the connector(N-I/O1,N-I/O2,N-I/O3).
Standard Unit
(Axis3)
(Axis4)