5OM-1840-001w_F8S - 第154页
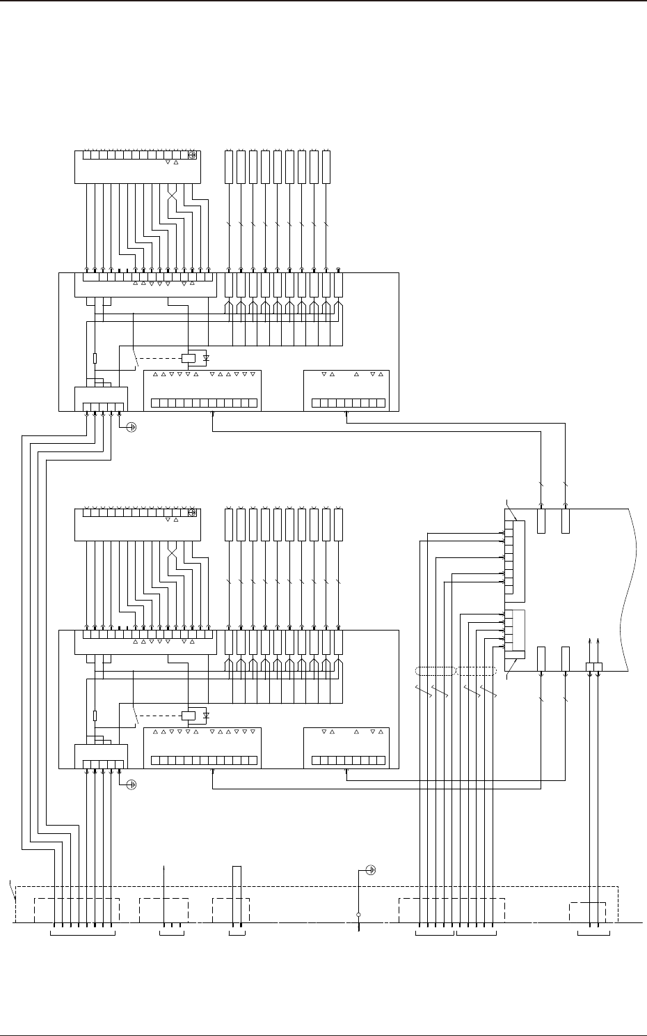
5OM-1840 4-1-47 1604-001 V alve U04 IO PCB Section (Slip Rings) U37 U04 I/O P .C.B (STL T_HD) (HEAD) 2 1 -X0415 X10421:1 X10421:2 [B3-1C] (UC22) R BK TP1 TP2 TP3 TP5 TP4 TP6 TP7 TP8 TP9 GND IN DC5V B0413T Y W PK B0413T :…

5OM-1840
4-1-46
1604-001
Head U02 IO PCB Section
IN
OUT
INPUT DATA 0
INPUT DATA 1
INPUT DATA 2
INPUT DATA 5
INPUT DATA 4
INPUT DATA 3
COMMAND 0
INPUT DATA 7
INPUT DATA 6
COMMAND 3
COMMAND 2
COMMAND 1
RESET
READY
SYNC
OUTPUT DATA 1
OUTPUT DATA 0
OUTPUT DATA 2
OUTPUT DATA 3
OUTPUT DATA 7
OUTPUT DATA 6
OUTPUT DATA 4
OUTPUT DATA 5
OUTPUT DATA 11
OUTPUT DATA 10
OUTPUT DATA 8
OUTPUT DATA 9
RESERVED
STROBE
User Input1
D15
D12
D13
D14
D9
D10
D11
D6
D7
D8
D3
D4
D5
D2
D1
D0
D0
D1
D2
D5
D4
D3
D8
D7
D6
D11
D10
D9
D14
D13
D12
D15
LINE SENSOR AMP
U03
COMMAND 4
User Input2
11
12
13
14
15
16
17
18
19
21
22
23
24
25
26
20
27
28
1
2
3
4
5
6
7
8
9
10
29
30
31
32
33
34
35
36
37
38
39
40
CN1
GND1
GND1
GND2
24V_1
24V_1
A
B
CN5
A+
X0305
1
2
3
4
GND
8
A-
B+
B-
:1
:3
:5
:7
:13
SERVO MOTOR AMP(CN5)
[B2-4C]
A31
1
2
3
24V(B)
24V(B)
TX-
DO10_OUT
11
12
13
14
15
16
17
18
19
21
22
23
24
25
26
20
27
28
1
2
3
4
5
6
7
8
9
10
1
2
3
NS_IN
X1
CN1
CN6
29
30
31
32
33
34
35
36
37
38
39
40
24V(B)
L_DI15
24V(B)
L_DI14
L_DI13
L_DI12
L_DI11
L_DI10
L_DI09
L_DI08
L_DI07
L_DI06
L_DI05
L_DI04
L_DI03
L_DI02
L_DI01
L_DI00
L_DO15
L_DO14
L_DO13
L_DO12
L_DO11
L_DO10
L_DO09
L_DO08
L_DO07
L_DO06
L_DO05
L_DO04
L_DO03
L_DO02
L_DO01
L_DO00
A
B
TX+
DI08_IN
DO09_OUT
1
2
3
4
5
6
24V(B)
DI06_IN
DO08_OUT
DI07_IN
1
DO07_OUT
2
24V(A)
Air Blow
CN5
CN2
CN8
CN9
UP_RXD_0(+)
UP_RXD_0(-)
UP_TXD_0(+)
UP_TXD_0(-)
TX+
TX-
HEAD_IL_OUT
CN4
CN3
1
2
3
4
6
5
7
8
S_TXD(+)
S_TXD(-)
S_RXD(+)
S_RXD(-)
1
2
3
4
(UC17)
24V(A)
24A
24A6
Nozle Select Position Detection
(+)
(-)
OUT1
OUT2
BL
BK
W
BR
Nozle Up/Down Interlock
(+)
(-)
OUT1
OUT2
BL
BK
W
BR
B0206
B0210
X10422
X10421
:1
:2
:3
:4
:2
:1
X3701
BK
R
Y
O
BL
GR
[B4-3B]
In the Center Shaft
5
3
6
4
2
1
J1
Slip Rings
PT
PT
PT
PT
U37
U04 (UC22)
TP2
TP1
TP9
TP8
TP7
TP6
GND1
GND1
SENSOR AMP
GND
Light Stop
Zero Shift Input
TX+
TX-
V+
Blue
Purple
Pink
Black
White
Brawn
SENSOR HEAD
B309
B309
GS-IH100
GND
+V
Outside Tuning
Control Output
Stability Output
Pink
Blue
Black
Brown
Orange
GND1
GS-IB100
GND1
GND1
GND2
FG
FG
FG
GND2
GND1
GND1
GND1
24V(A)
OUT
IN
7
8
9
10
1
2
3
4
5
6
[B1-2B]
[B1-4B]
10
10
BK
R
Y0902
U02
HEAD ILB
X0206
X02X1
X0201
X0202
X0203
X0204
X0205
X0208
A31
X314B/X314D
[B2-4BC]
:4
:4
IO
:A1
:B1
:A2
:B2
:C1
:C2
:D2
[B1-2C]
X102X1
:B3
:B1
:B4
:B2
NC
24V(B)
24V(A)
GND1
GND1
5
6
7
8
4
:7
:1
:6B
:6A
1
2
3
5
6
7
4
Height until PCB
Sensor AMP
B308
Bad Mark Detection
Sensor Head
B308
A31 X31P1
[B2-1B]
X314B
X314D
X314B
X314B
:D1
GND2
1
2
3
24V(B)
DI02_IN
CN10
GND1
X0206
[B1-4C]
[B1-2C]
[B1-4C]
X31P1
X31P1
:A5
SENSOR HEAD(R)
X0302
CN2
B0413
8
GND
7
START
6
CK3
5
CK2
4
CK1
3
DOS
2
OS
1
+12V
DI04_IN
24V(B)
Detection

5OM-1840
4-1-47
1604-001
Valve U04 IO PCB Section
(Slip Rings)
U37
U04
I/O P.C.B (STLT_HD)
(HEAD)
2 1
-X0415
X10421:1
X10421:2
[B3-1C]
(UC22)
R
BK
TP1
TP2
TP3
TP5
TP4
TP6
TP7
TP8
TP9
GND
IN
DC5V
B0413T
Y
W
PK
B0413T
:2
:1
:3
SENSOR HEAD (T)
BR
W
V
(Slip Rings)
U37
[B3-1C]
X10422:1
X10422:2
X10422:3
X10422:4
O
Y
GR
BL
2 1
-X0414
2 1
-X0413
2 1
-X0412
2 1
-X0411
2 1
-X0410
2 1
-X0409
2 1
-X0408
2 1
-X0407
2 1
-X0406
2 1
-X0405
2 1
-X0404
2 1
-X0403
2 1
-X0402
2 1
-X0401
CN1
CN2
CN3
CN4
CN5
CN6
CN7
CN8
CN9
CN10
CN11
CN12
CN13
CN14
CN15
Y0415
Y0414
Y0413
Y0412
Y0411
Y0410
Y0409
Y0408
Y0407
Y0406
Y0405
Y0404
Y0403
Y0402
Y0401

5OM-1840
4-1-48
1604-001
Feeder Cart Section 1
9
8
5
6
7
Drawer Connector for Feeder
4
1
2
3
+24V
+24v
GND
X01
GND
FG
13
10
11
12
S.GND
TXD
RXD
14
14
14
14
14
14
14
14
14
X03
X05
X07
X09
X11
X13
X15
X17
X19
X68100A
9
8
5
6
7
Feed
Completion of
Feeder
4
1
2
3
+24V
+24V
GND
X21
GND
FG
13
10
11
12
S.GND
TXD
RXD
X6801
X6802 14
X6803 14
X6804 14
X6805 14
X6806 14
X6807 14
X6808 14
X6809 14
X6810 14
X6811 14
X23
X25
X27
X29
X31
X33
X35
X37
X39
X00
X68100B
EXT.Unit Connecting Bundled Connector
X30
24B4A/6A
10
24B4B/6B
:3
:6
:5
:4
:10
:9
:8
:7
B module
(12Pins)
X300B
U69
X6909
FG
/TX
CN8
TX
/RX
RX
I/O P.C.B
STLT_FB
:2
:1
10
24B4/6
:6
:10
:9
:8
:7
:1
:2
:3
:4
C module
/RX
/TX
RX
TX
RTS
TxD
S.GND
RxD
CTS
A module
(3Pins)
:2
79 68
FG
RTS
CN6
CTS
5
S.GND
4 3
TXD
2
RXD
1
50X6901
CN1CN2
50
X6902
Drawer Connector for Feeder
Drawer Connector for Feeder
Drawer Connector for Feeder
Drawer Connector for Feeder
Drawer Connector for Feeder
Drawer Connector for Feeder
Drawer Connector for Feeder
Drawer Connector for Feeder
Drawer Connector for Feeder
Drawer Connector for Feeder
Drawer Connector for Feeder
Drawer Connector for Feeder
Drawer Connector for Feeder
Drawer Connector for Feeder
Drawer Connector for Feeder
Drawer Connector for Feeder
Drawer Connector for Feeder
Drawer Connector for Feeder
Drawer Connector for Feeder
Connector for Feeder Setup
X68101
X68102
X68101
X68102
X6906
X300A
CN4
30
X6904
30X6903
CN3
1
3 2
6
:1
To Valve
C module
:12
:11
DC24V
[30-3C]:(1)
[30-7C]:(2)
Cart Connect Check
[30-2C]:(1)
[30-4C]:(2)
RS232C
[30-2C]:(1)
[30-4C]:(2)
High-Speed IO
DC24V
Hose for Air Pressure
[30-2A]:(1)
[30-4B]:(2)
10
10
10
24B4A/6A
24B4B/6B
B module
(12Pins)
X69X1
X1
GND
1
2
24V
:3
(12Pins)
X300C
(12Pins)
:5
SG
4
SG
4GND
1
2
3
+24V
+24V
GND
9
8
5
6
7
13
10
11
12
S.GND
TXD
RXD
14
15
16FG
X01
X02
X03
X04
X05
OUT1
OUT2
IN1
IN2
IN3
X06
X07
X08
X09
X10
X11
4
3
2
1 GND
+24V
GND
+24V
X100
Connection P.C.B FB
U68
5 FG
47
50
49
48
46
45
5
4
OUT1
OUT2
IN1
IN2
IN3
X01:
X01:
X01:
X01:
X01:
OUT1
X02:
1
3
…
X101
27
30
29
28
4
3
X01:
X01:
X01:
X02:
X10:
X10:
… …
X102
S.GND
TXD
RXD
S.GND
TXD
RXD
1Ω3W
RLY
OUT1
OUT2
IN1
IN2
IN3
X10:
X10:
X10:
X10:
X10:
6
IN3
X09:
…
2
2
1
X10:
S.GND
X09:
RXD
4GND
2
3
+24V
+24V
GND
9
8
5
6
7
13
10
11
12
S.GND
TXD
RXD
14
15
16FG
X01
X02
X03
X04
X05
OUT1
OUT2
IN1
IN2
IN3
X06
X07
X08
X09
X10
X11
4
3
2
1 GND
+24V
GND
+24V
X100
Connection P.C.B FB
U67
5 FG
47
50
49
48
46
45
5
4
OUT1
OUT2
IN1
IN2
IN3
X01:
X01:
X01:
X01:
X01:
OUT1
X02:
1
3
…
X101
27
30
29
28
4
3
X01:
X01:
X01:
X02:
X10:
X10:
… …
X102
S.GND
TXD
RXD
S.GND
TXD
RXD
1Ω3W
RLY
OUT1
OUT2
IN1
IN2
IN3
X10:
X10:
X10:
X10:
X10:
6
IN3
X09:
…
2
2
1
X10:
S.GND
X09:
RXD
X6801
X6802
X6803
X6804
X6805
X6806
X6807
X6808
X6809
X6810
X6811
[30-2C]:(1)
[30-4C]:(2)
[30-2B]:(1)
[30-4B]:(2)
Starting 1
Feed
Starting 2
Preparations
Feed
Completion of
Preparations
Communication
Contact Check
Feed
Completion of
Feeder
Starting 1
Feed
Starting 2
Preparations
Feed
Completion of
Preparations
Communication
Contact Check