5OM-1840-001w_F8S - 第59页
5OM-1840 Pneumatic and Mounting Diagrams 1-1-2 1604-001 Main Body (Pneumatic Diagram) KQ2L08-99 Hose Nipple KQ2H10-02S 12 12 12 12 12 22 Cutter(1 1) Positioning(1) KQ2H06-00 21 KQ2H06-00 21 KQ2H06-00 21 12 12 12 12 12 11…

5OM-1840
Pneumatic and Mounting Diagrams
1-1-1
1604-001
Entire System (Pneumatic Diagram)
A
P
R
Φ10(Blue)
300mm
Positioning(1)
Φ8(Blue)
2000mm
Head(21)
Exhaust
Φ8
Cutter(21)
Cart Bundled
Connector(1)
Φ6
40mm
Φ8
40mm
Φ6
40mm
Φ8(Blue)
720mm
Φ6
770mm
Φ6
400mm
Φ8(Blue)
400mm
Φ6
70mm
Φ10(Blue)
1200mm
Φ6
400mm
Ø8 (Blue)
400mm
Φ6
2000mm
Φ8(Blue)
2000mm
Φ6
150mm
Φ6
70mm
Φ6
70mm
Φ8(Blue)
70mm
Φ6
70mm
Φ6
100mm
Φ6
150mm
Φ6
100mm
Φ6
150mm
Nozzle Stocker
(12)(22)
Nozzle Stocker
(11)(21)
Φ8
40mm
Φ6
150mm
Φ8
100mm
Φ8
950mm
Φ8
700mm
Φ8
1830mm
Φ8
1630mm
Φ8
2450mm
Transfer
(PCB Z Clamp,PCB Stopper)
φ6 (Blue)
1100mm
Φ10(Blue)
2050mm
Φ6
2000mm
Φ8
500mm
Φ6
800mm
KQ2P-10
Φ8
200mm
Φ8
3200mm
Φ10
400mm
Φ10
150mm
Φ8
200mm
Φ8
2600mm
Φ8
350mm
Φ10
120mm
A
Air/Vacuum Mode Change Valve
P
R
Setup
0.05MPa
0.45MPa
(Φ6)
Setup
0.35MPa
Setup
(Φ6)
(Φ8)
A
P
R
A
P
R
Head(21)
Head(22)
Head(22)
Air/Vacuum Mode Change Valve
Air/Vacuum Mode Change Valve
Air/Vacuum Mode Change Valve
Head(11)
Head(11)
Head(12)
Head(12)
Cutter(12)
Cutter(11)
Cart Bundled
Connector(2)
Cutter(22)
Positioning(2)

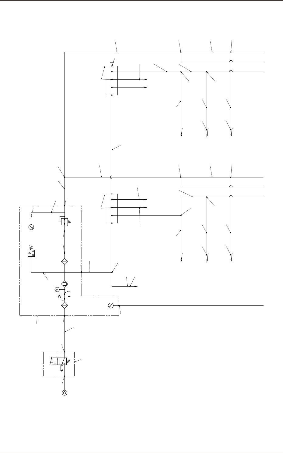
5OM-1840
Pneumatic and Mounting Diagrams
1-1-2
1604-001
Main Body (Pneumatic Diagram)
KQ2L08-99
Hose Nipple
KQ2H10-02S
12
12
12
12
12
22
Cutter(11)
Positioning(1)
KQ2H06-00
21
KQ2H06-00
21
KQ2H06-00
21
12
12
12
12
12
11
11
11
11
11
11
13
13
13
23
KQ2P-06
Φ6
26
KQ2U06-08
21
KQ2U06-08
Φ8
KQ2U08-00
25
KQ2U06-00
24
Head(12)
KQ2U06-00
24
KQ2U08-00
25
KQ2H06-00
21
26
KQ2U06-08
KQ2U06-08
26
7
KQ2H08-00
KQ2T10-08
KQ2U06-08
KQ2U08-00
7
KQ2H08-00
23
22
25
1
2
26
Φ8
Cutter(12)
Cart Bundled
Connector(1)
Φ6
40mm
Φ8
40mm
Φ6
40mm
Φ6
100mm
Φ6
150mm
Φ6
100mm
Φ6
150mm
(12)(22)
Nozzle Stocker
(11)(21)
Φ8
40mm
Φ8
950mm
Φ8
700mm
Φ8
1830mm
Φ8
1630mm
Φ8
2450mm
Transfer
(PCB Z Clamp,PCB Stopper)
Φ6
2000mm
Φ6
Φ6
800mm
KQ2P-10
KQ2L08-99
Φ8
200mm
Φ8
3200mm
Φ10
400mm
Φ10
1400mm
Φ10
150mm
Φ8
200mm
Φ8
2600mm
Φ8
350mm
Φ10
120mm
KQ2H06-M5
KQ2L10-02S
KQ2L06-01S
KQ2L08-02S
KQ2L08-02S
KQ2H08-02S
KQ2L10-02S
KQ2L06-02S
KQ2H06-M5
Setup
0.05MPa
0.45MPa
(Φ6)
0.35MPa
(Φ6)
(Φ8)
Cutter(21)
Nozzle Stocker
Cutter(21)
Positioning(2)
Cart Bundled
Connector(2)
Head(22)
Setup
Setup

5OM-1840
Pneumatic and Mounting Diagrams
1-1-3
1604-001
Main Body (Pneumatic Diagram)
A
P
R
Φ10(Blue)
300mm
Φ8 (Blue)
2000mm
Exhaust
Head(12)
Head(22)
Φ8 (Blue)
720mm
Φ6
770mm
Φ6
400mm
Φ8(Blue)
400mm
Φ6
70mm
Φ10 (Blue)
1200mm
Φ6
400mm
Ø8 (Blue)
400mm
Φ6
2000mm
Φ8(Blue)
2000mm
Φ6
150mm
Φ6
70mm
Φ6
70mm
Φ8(Blue)
70mm
Φ6
70mm
Φ6
150mm
Φ8
100mm
φ6 (Blue)
1100mm
Φ10(Blue)
2050mm
Φ8
500mm
A
P
R
A
Air/Vacuum Mode Change Valve
P
R
A
P
R
KQ2H06-02S
KQ2H08-02S
KQ2H08-01S
KQ2H06-M5
MBA1403
MPG14
KQ2R06-10
MHQ1410
KQ2L10-03S
11
11
11
11 15
11
11
11
24
24
11
14
15
15
28
15
16
15
15
16
15
24
KQ2U06-00
KQ2U06-00
24
KQ2U06-00
19
3
4
KQ2H08-00
22
21
KQ2U08-10
22
KQ2U06-00
24
4
4
4
22
KQ2H08-00
KQ2H06-00
KQ2H08-00
KQ2H06-00
22
21
KQ2H08-00
22
KQ2U08-10
27
KQ2H06-02S
KQ2H08-01S
KQ2H06-M5
KQ2H06-02S
KQ2H08-02S
KQ2H08-02S
KQ2H08-02S
KQ2H08-01S
KQ2H06-M5
KQ2H06-02S
KQ2H08-01S
KQ2H06-M5
Head(11)
Head(11)
Air/Vacuum Mode Change Valve
Air/Vacuum Mode Change Valve
Air/Vacuum Mode Change Valve
Head(21) Head(21)
No. Name Q’ty No. Name Q’ty No. Name Q’ty No. Name Q’ty
1 Air Supply Unit 1 6 Manifold Unit 1 23 Different Cheese 1
2 Air Supply Unit 1 7 Manifold Unit 1 24 Union Y 6
2-1 Vacuum Gauge 1 11 Tube
φ
6 1 25 Union Y 3
2-2 Combination Unit 1 12 Tube
φ
8 1 26 Different Union Y 5
2-3 Pressure Switch 1 13 Tube
φ
10 1 27 Different Union Y 2
2-4 Pressure Gauge 1 14 Tube
φ
6BU 1
2-6 Regulator 1 15 Tube
φ
8BU 1
2-7 Regulator 1 16 Tube
φ
10BU 1
3 Vacuum Pump Unit 1 21 Straight 6
4 Solenoid Valve Unit 4 22 Straight 6