5OM-1840-001w_F8S - 第72页
5OM-1840 Pneumatic and Mounting Diagrams 1-1-15 1604-001 Feeder Base (Pneumatic Diagram) 1 7 B A B A 3 2 4 6 5 From Main Body No. Name Q’ty No. Name Q’ty No. Name Q’ty No. Name Q’ty 1 Tube φ 6 1 2 Solenoid Valve 2 3 Spee…

5OM-1840
Pneumatic and Mounting Diagrams
1-1-14
1604-001
Head Unit (Mounting Diagram)
3
4
5
6
No. Name Q’ty No. Name Q’ty No. Name Q’ty No. Name Q’ty
3 Solenoid Valve 1
4 Rotary Joint 1
5 Solenoid Valve 15
6 Filter 15

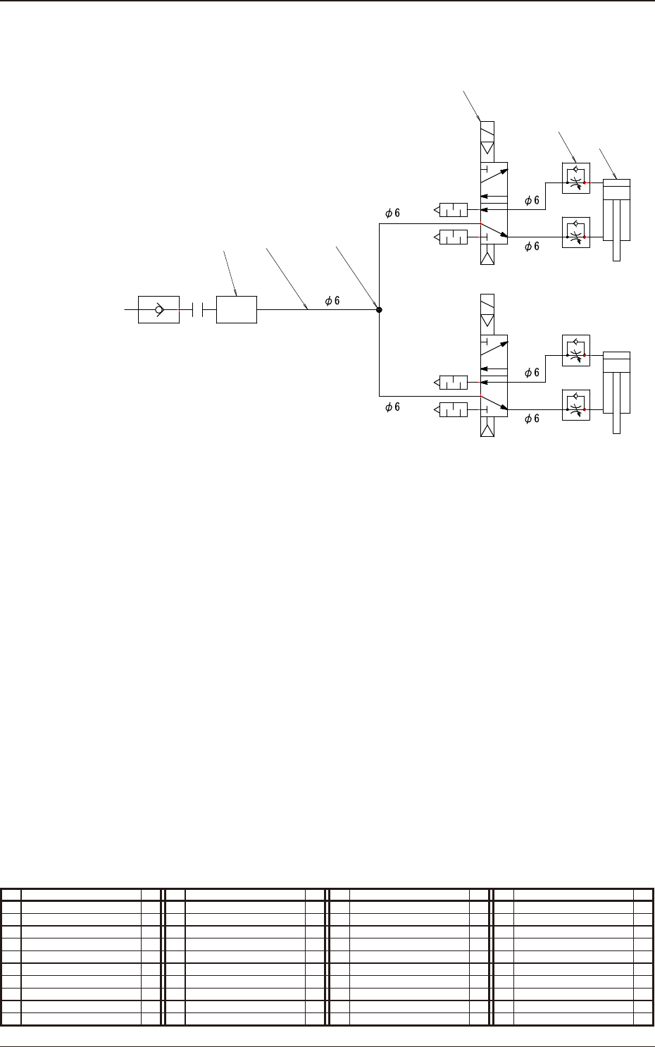
5OM-1840
Pneumatic and Mounting Diagrams
1-1-15
1604-001
Feeder Base (Pneumatic Diagram)
1
7
B
A
B
A
3
2
4
6
5
From Main Body
No. Name Q’ty No. Name Q’ty No. Name Q’ty No. Name Q’ty
1 Tube
φ
6 1
2 Solenoid Valve 2
3 Speed Controller 4
4 Cylinder 2
5 Modular Unit 2
6 Air Connector Pin 2
7 Union Y 1

5OM-1840
Pneumatic and Mounting Diagrams
1-1-16
1604-001
Feeder Base (Mounting Diagram)
3
2
4
5
6
No. Name Q’ty No. Name Q’ty No. Name Q’ty No. Name Q’ty
2 Solenoid Valve 2
3 Speed Controller 4
4 Cylinder 2
5 Modular Unit 2
6 Air Connector Pin 2