KE-3010_KE-3020V_KE-3020VR-Rev04 - 第267页

- - REF.NO NOTE PART NO D E S C R I P T I O N Q t y 1 400-02125 C AL V C UM SV ASM 1 2 400-07376 C ALBLOCK P CB A SM 1 3 400-92504 C AL B L OCK CAB LE ASM 1 4 400-47483 F EEDER CAL( F ) CAB L E AS M 1 5 400-47560 F EED…

100%1 / 282
- -
129.SYSTEM DIAGRAM(6)(TYPE XL)(AFTER M/C REV.E)
8 9 9 0
9 9
8 08 0
8 7 8 8
8 68 08 0
8 2 9 78 27 8
7 4 7 5
9 89 68 48 39 59 49 39 1 9 28 5
8 4
8 3
8 1
7 9
7 8
7 6 7 7
3 9
3 9
6 8
6 7
5 95 85 7
4 4
5 6
4 1
3 8
4 8
5 0
4 94 54 34 03 6
4 23 53 5
3 7
5 3 3 7
4 8
4 9
5 4
6 3 6 4 6 5 6 6
4 23 53 5
7 37 27 16 9
6 2
6 1
5 5
5 2
5 1
4 7
4 6
5
4 9 2 3 3 43 3
3 23 2
3 13 02 92 82 7
2 6
2 52 4
2 2
2 12 01 91 81 71 61 51 41 31 21 11 0
8
76
3
1
7 0 7 0 7 0
6 0
7 0
CA L
VA C U U M S E N S O R
A T C O P E N S E NS
A T C C L O S E S E N S
F E ED E R F L O A T
S E NS ( F F ) ( R E C)
F E ED E R FL O A T
S E NS ( F R )( R E C)
B AN K U P
S W ( F )
EL E C F E E D D E T
SE N S (F ) ( R EC )
E L EC F E ED F L O A T
S E NS ( F ) (R E C )
D R I V E C Y L
S E N S O R F A S M
A T C S . V
F E ED E R FL O A T
S E NS ( F F )( E M I)
F E E D ER F L O A T
S E N S (F R ) ( E M I )
E L EC F E ED F LO A T
S E NS ( F ) (E M I )
FE E D E R F L OA T
SE N S ( RF ) ( RE C )
FE E D ER F L OA T
SE N S (R R ) ( RE C )
E L EC F E E D D E T
S E NS O R ( F ) ( E MI )
B A NK U P
S W ( R )
E L E C F E E D D E T
S E N S (R ) ( R EC )
EL E C FE E D F L O A T
SE N S ( R) ( R EC )
D R I V E C Y L
S E N S O R R AS M
F E E D E R F L OA T
S E N S ( R F ) ( EM I )
F E E D E R F L OA T
S E N S ( R R ) ( EM I )
E L E C F E E D F L O AT
S E N S (R ) ( E M I )
E C UT T E R (F )
E C UT T E R (R )
CN 4 2 9
C N 4 18
C N 2 C N 1
C N 66 9
CA L F
C N 1 9
CN 4 0 2
C N4 0 3
C N 41 3
C N4 1 0
C N 41 7
CN 4 1 4
C N 45 1
A TC
C N4 1 2
C N 4 11
CN 4 1 5
C N 41 6
C N 42 1
C N4 2 2
C N4 2 6
C N 4 25
C N 45 0
C N4 2 0
C N 4 2 3
C N 4 2 4
E- C U T T E R
E - C UT T E R
C N3 5 4
CN 3 5 4
2
C A L S . V
CA L P C B
CN 2 1
C N 4 22
C N2 1
C N 7
I O N S V
S I G N A L L I GH T
K E Y C H A N G E S W
F E E D E R S W ( R )
( N O N - S T O P
O P E R A T I O N )
N O N - S T O P
S I G N A L
L I G H T ( R )
C O V E R ( R ) L O C K S V
C O V E R ( R ) L O C K S V
C O V E R O P E N S W ( R )
E M G S W _ R
M N L T
4 - 5 A
H O D B O X
M O U S E / K E Y B O A R D
S E L E C T O R
K E Y C H A N G E S W
F E E D E R S W ( F )
( N O N - S T O P
O P E R A T I O N )
N O N - S T O P
S I G N A L
L I G H T ( F )
C O V E R ( F ) L O C K S V
C O V E R ( F ) L O C K S V
C O V E R O P E N S W ( F )
E M G S W _ F
C N 2 0
C N 1 0
2 - 5 C
O P E R A T I O N
P C B ( R )
C N 1 5
C N 2 2
C N 7
C N 2 3
C N 8
C N 1 2
C N 1 3
C N 1
S W 5
S W 4
S W 2
S W 1
C N 1 3
C N 1
S W 7
S W 6
S W 5
S W 4
S W 3
S W 2
S W 1
C N 2 2
C N 7
C N 1 5
C N 2 1
C N 2 4
C N 1 2
C N 8
C N 2 3
2 - 5 C
O P E R A T I O N
P C B ( F )
M - B A N K ( R )
C N 1
C N 3
C N 2
M - B A N K ( F )
C N 2
C N 1
L E D P C B ( R - L L )
L E D P C B ( R - L R )
C N 2 4
C N 2 3
C N 1 8
C N 1 7
C N 1 6
C N 1 5
C N 2 1
L E D P C B ( R - R L )
L E D P C B ( R - R R )
L E D P C B ( F - R R )
L E D P C B ( F - R L )
L E D P C B ( F - L R )
L E D P C B ( F - L L )
M - E B A N K S W
D R I V E C Y L I N D E R
A S S Y
D R I V E C Y L I N D E R
A S S Y
B K - R R
B K - R L
C N 3 5 3
C N 3 5 1
C N 3
B A N K P C B ( F )
E B A N K (R )
C N 1 0
C N 9
C N 2
C N 6
C N 5
C N 8
C N 7
P O W E R U N I T
E B A N K ( F )
C N 7 0
C N 2 3
C N 6 7
C N 6 9 C N 2 4
C N 6 5
C N 3 0
C N 3 1
C N 6 6
C N 2 5
C N 9
B A N K P C B ( F )
C N 2
C N 3
C N 1 0
C N 7
C N 8
C N 5
C N 6
C N 3 5 1
C N 3 5 3
C N 3 7 0
B K - F R
B K - F L
C A L R
R L Y 0 3C N 3
C N 1
C N 3 1
C N 3 0
C N 2 8
C N 2 7
C N 3
M - E B A N K S W
D R I V E C Y L I N D E R
A S S Y
D R I V E C Y L I N D E R
A S S Y
C N 1 9
C N 5
C N 2 0
2 - 5 A
F E E D ER
P C B
C N 4
C N 4
C N 3 7 0
4 - 4 A
C N 3
- -
REF.NO NOTE PART NO D E S C R I P T I O N Qty
1 400-02125 CAL VCUM SV ASM 1
2 400-07376 CALBLOCK PCB ASM 1
3 400-92504 CAL BLOCK CABLE ASM 1
4 400-47483 FEEDER CAL(F) CABLE ASM 1
5 400-47560 FEEDER PC B ASM 1
6 400-02126 CAL VACUUM SENSOR ASSY 1
7 400-92508 ATC OPEN SENS ASM 1
8 401-06785 FEEDER SENS CABLE F ASM(XL) 1
9 400-48176 FEEDER SENS RELAY(F) CABLE ASM 1
10 400-92509 ATC CLOSE SENS ASM 1
11 401-10001 FD-FLOAT(FF)RECEIVE SENS ASM 1
12 401-10003 FD-FLOAT(FR)RECEIVE SENS ASM 1
13 401-10013 E-FD-DETECT(F) RECEIVE SENS ASM 1
14 401-10009 E-FD-FLOAT(F)RECEIVE SENS ASM 1
15 400-92513 DRIVE CYL SENSOR F ASM 1
16 400-92510 ATC SV CABLE ASM 1
17 401-10000 FD-FLOAT(FF)EMISSIN SENS ASM 1
18 401-10002 FD-FLOAT(FR)EMISSIN SENS ASM 1
19 401-10008 E-FD-FLOAT(F)EMISSIN SENS ASM 1
20 401-10012 E-FD-DETECT(F) EMISSIN SENS ASM 1
21 401-10005 FD-FLOAT(RF)RECEIVE SENS ASM 1
22 401-06786 FEEDER SENS CABLE R ASM(XL) 1
23 400-48177 FEEDER SENS RELAY(R) CABLE ASM 1
24 401-10007 FD-FLOAT(RR)RECEIVE SENS ASM 1
25 401-10014 REFLEX ARRAY SENSOR ASM 1
26 401-10015 REFLEX ARRAY SENSOR RELAY ASM 1
27 401-10011 E-FD-FLOAT(R)RECEIVE SENS ASM 1
28 400-92514 DRIVE CYL SENSOR R ASM 1
29 401-10004 FD-FLOAT(RF)EMISSIN SENS ASM 1
30 401-10006 FD-FLOAT(RR)EMISSIN SEN S ASM 1
31 401-10010 E-FD-FLOAT(R)EMISSIN SENS ASM 1
32 400-92640 AUTO TAPE CUTTER CABLE ASM2 1
33 400-92639 AUTO TAPE CUTTER CABLE ASM1 1
34 400-92659 AUTO TAPE CUTTER CABLE ASM7 1
35 400-00574 DRIVE CYLINDER ASSY 4
36 400-02244 BANK FR CABLE ASM 2
37 400-66568 BANK PCB ASM 1
38 400-92600 MECH BANK CONNECTOR F CABLE ASM 1
39 400-92599 MECH BANK CABLE ASM 1
40 400-02243 BANK FL CABLE ASM 1
41 400-92602 M BANK DC PWR CABLE F ASM 1
42 400-92511 SWITCH D3DC-3 1
43 400-92604 M BANK SWITCH F CABLE ASM 1
44 400-92601 BANK PWR C ABLE F ASM 1
45 401-10583 FEEDER IF F CABLE ASM 1
46 400-47481 FEEDER IF RELAY(F) CABLE ASM 1
47 401-07941 FEEDER IF RELAY-03 CABLE ASM 1
48 400-84838 ELEC BANK FG WIRE ASM 1
49 401-11734 ELEC BANK RELAY WIRE ASM 2
50 400-97590 ETF(F) PWR CABLE ASM 1
51 400-47484 FEEDER CAL(R) CABLE ASM 1
52 400-92505 FEEDER XY EMG CABLE ASM 1
53 401-18724 POWER UNIT_XL 1
54 400-92501 FEEDER PWR CABLE (F) ASM 1
55 400-97591 ETF(R) PWR CABLE ASM 1
56 400-92603 M BANK AC PWR CABLE F ASM 1
57 400-92579 OPERATION PWR CABLE(F)ASM 1
58 400-92580 OPERATION PWR CABLE(R)ASM 1
59 400-92608 M BANK AC PWR CABLE R ASM 1
60 400-92606 BANK PWR C ABLE R ASM 1
61 400-47482 FEEDER IF RELAY(R) CABLE ASM 1
62 401-07942 FEEDER IF RELAY-04 CABLE ASM 1
63 401-10584 FEEDER IF R CABLE ASM 1
64 400-02245 BANK RL CABLE ASM 1
65 400-02246 BANK RR CABLE ASM 1
66 400-92609 M BANK SWITCH R CABLE ASM 1
67 400-92607 M BANK DC PWR CABLE R ASM 1
68 400-92605 MECH BANK CONNECTOR R CABL E ASM 1
69 400-92533 FPI LED CABLE(FL)ASM 1
70 E8626-729-0A0 FPI LED BOARD ASM. 2
71 400-92534 FPI LED CABLE(FR)ASM 1
72 400-92535 FPI LED CABLE(RL)ASM 1
73 400-92536 FPI LED CABLE(RR)ASM 2
74 400-92408 OPERATION PCB FRONT10 ASM 1
75
#01
400-92482 OPERAT ION PCB FRONT10 ASM(EN) 1
76 401-20505 EMG SW(F) ASM 1
77
#01
401-31989 EMG SW F CABL E ASM (EN) 1
78 400-02254 COVER OPEN SW CABLE ASM 2
79 401-10074 COVER LOCK SV CABLE F ASM 1
80 401-10073 COVER LOCK SV ASM 2
81 400-92584 MINI SIGNAL RLY CABLE F ASM 1
82 400-48055 MINI PATLITE ASM 2
83 400-48035 L FEEDER SW ASM 2
84 400-48036 CONSOLE SW ASM 2
85 400-47823 CONSOLE SELECT CABLE ASM 1
86 400-03281 MOUSE/KEYBOARD SELECTOR 1
87 E9649-729-000 HOD ASM. 1
88 #01 E9662-729-000 HOD (EN) 1
89 400-92481 OPERAT ION PCB REAR10 ASM 1
90
#01
400-92483 OPERATION PCB R EAR10 ASM(EN) 1
91 401-20506 EMG SW(R) ASM 1
92
#01
401-33944 EMG SW R CABLE ASM (XL_EN) 1
93 400-97605 COVER OPEN RELAY CABLE ASM 1
94 401-10075 COVER LOCK SV CABLE R ASM 2
95 400-92585 MINI SIGNAL RLY CABLE R ASM 1
96 400-92586 SIGNAL LIGHT RLY CABLE ASM 1
97 400-48045 SIGNAL TOWER LIGHT ASM 1
98 401-13675 IONIZER SV CABLE ASM 1
99 401-13674 IONIZER SV ASM 1
- -
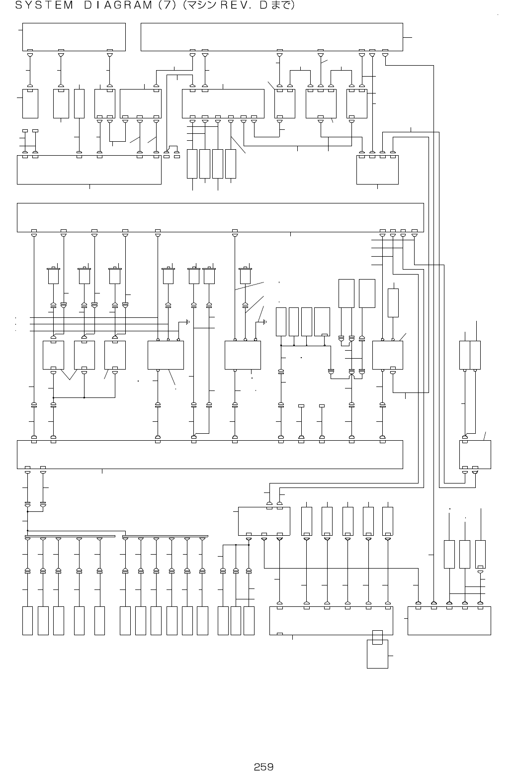
130.SYSTEM DIAGRAM(7)(UNTIL M/C REV.D)
X S E R V O
A M P
M R - J 3 - 7 0 B - R J 0 2 4
C O P LA
S E N SO R
H E A D
C O P L A
M O N I T O R
S W I T C H
B O A R D
C O P L A
C P U B O A D
MO NI T O R ( F )
S S D
C P U
B O A R D
I E E E 1 3 9 4
B O A R D
MO NI T O R ( R )
A T X - P O W E R
S U P E R
I M P O S E
B O A R D
M O U S E
/ K E Y B O A R D
S E L E C T O R
M O U S E
K E Y
B O A R D
M O U S E
K E Y
B O A R D
V C S
C A M E RA
V C S
C A M E RA
L E N Z E
O P
L E N Z E
S T
V C S S . V .
C A B L E A S M
V C S S T
S E N S A S M
V C S O P
S E N S A S M
L O A D
C E L L A S M
L O A D
C E L L A M P
R I G H T S E N S O R
A W C O R G
S E N S O R
T . P I N S E N S O R
B U P I N S E N S O R
( R E C E I V I N G )
B U L O C K
S E N S O R
B U O R G
S E N S O R
C O U T S E N SO R
S T O P S E N SO R
W A I T S E N SO R
B U PI N S EN S O R
( E M IS S I O N)
L E F T S E N SO R
S M E M A
( U P P E R
U N I T )
S M E M A
( L O W E R
U N I T )
( B U _ L L O C K S V )
S H A P E Y S V
A W C MO T OR
5 P H A S E
D R I V E R
A W C M O T O R
B U U P E N C O D E R
B U U P M O T O R
5 P H A S E
D R I V E R
O U T M O T O R
C E N T M O T O R
I N M O T O R
OU T
MO T O R D R V
CE N T
MO T O R D R V
I N M O T OR D R V
S T O P P E R S V
F L U X E R 2
1 - 2 B
C N 8C O M
1 - 2 C
Y E N C
Y L S E R V O
A M P
M R - J 3 - 20 0 B - R J 0 24
2 - 5 C
C N 1 3
S - X Y
R E L A Y
P C B
X E N CI P - X 7 E N C
C N 9
C N 6
S S I D E
L I G H T P C B
C N 6 C N 1
S
S I D E
L I G H T P C B
C N 6 C N 1
C N 7
C N 6 0
C N 8
1- 3 D
C V S
C O N T A C T ( - )
C V S
C O N T A C T ( + )
C N 3
C N 1
C N 2
C N 2 8
C V S
P C B
C O M C
L A N 2 L A N
L A N 1L A N
D V I 1
C N 2
C N 3
C N 1
3 - 5 B
2 - 4 B
1 - 2 D
2 - 5 B
R S 2 3 2 C
D C 1 2 V
V I D E O
R S 2 3 2 C
C N 8
C N 1 0
H O S T
H D D
U S B
U S B
D V I 1
K B
M O U S E
C O M
C O M D
C O M B
C O M A
R S 2
N T S C 1
C O N S O L S WR S P C
D C I N
V I D E O
D C 1 2 V
C N 5
L C D B
L C D A
R S 1
H O S T
M S 2
K B 2
M S 1
K B 1K B / M S P C
C N 3 6
V O U T
A C 2
A C 1
2 - 1 B
IP -X7
PC B
C O A X IA L
L I G H T P C B
2 - 1 A
S S I D E
L I G H T P C B
B A C K
L I G H T P C B
S L I G H T
C T R L P C B
S B O T T O M
L I G HT P C B
C N 4C N 1
C N 6 C N 1
C N 1C N 9
C N 4 7 6
C N 4 7 4
C N 4 7 5
C N 1C N 2 C N 6C N 1 0
C N 1
C N 8
C N 5
C N 1 5
F L U X E R
U N I T A S M
( B A N K )
B A N K
4 P
2 P
F L U X E R
U N I T A S M
( B A S E )
F L U X E R 1
F L U X S V
E V
C N 8
C N 2 1
S B 2
C N 1 0
C N 9
C N 2 3
C N 2 2
S B 1
C N 4
C N 3
C N 9 0 9
( S A F T Y U N I T )
C N 13
C N 2 5
C N 2 7
C N 12
C N 1 6
A W C M
CN 1 1
A W C E
B U E
B U M
C N 1 2
C N 14
C N 1 4
C N 17
C N 18
C N 1 7
C N 15
C N 1 4
C N 3 3
C N 3 5
C N 3 4
O T M - P
O T M
C M - P
C M
I N M - P
I N M
C N 2C N 1
C N 2C N 1
C N 2C N 1
C N 16
C N 1 2
2 - 5 B
B A S E I / O
P C B
3 - 3 B
P O W E R
U N I T
1 3 5 7 9
2 4 6 8 1 0
1 1
1 2
1 3
1 4
1 5
1 6
1 7
1 8
1 9
2 0
2 1
2 2
2 4
2 3
3 3
3 4 3 5 3 5 3 5
3 7
3 8
3 9
4 0
4 3
4 6
2 6
2 5
3 2
4 8
4 9 5 0
5 1
2 8
2 9
2 7
3 13 13 13 0
4 1 4 2
4 4 4 5
4 7
1 0 9
1 1 0
1 0 8
1 0 7
1 0 6
1 0 5
1 0 4
1 0 3
1 0 2
1 0 0
9 99 5
9 6
9 7
9 8
9 49 38 9
9 1 9 2
6 4
8 1 8 2
6 5 6 6
6 4 7 6
7 7
6 7 6 8
5 3
5 2 5 4
5 5
5 6
5 6
8 08 07 87 3
8 3 8 4
8 5 8 6
8 7 8 8
6 7 6 8
9 0
7 9
7 7
5 9 5 9 5 9
6 3
5 8 6 1
6 26 05 7
6 9 7 0
7 1 7 2
7 4 7 5
1 3 11 3 1
1 3 01 3 0
1 5 0
1 4 9
1 1 2
1 1 3
1 1 3
1 1 4 1 2 0
1 2 2
1 2 4 1 2 2
1 3 7
1 3 6
1 3 5
1 3 4
1 3 2
1 3 3
1 2 9
1 3 9
1 4 1
1 4 0
1 4 5
1 4 4
1 4 8
1 4 7
1 3 9
1 4 2
1 4 3
1 2 5
1 4 6
1 1 7 1 1 9 1 2 3
1 2 7
1 2 8
1 3 8
1 2 6
1 1 6
1 1 8
1 1 5 1 2 1
1 1 1
7 9
1 5 1
1 0 1
3 6
3 5
3 1
C N 1C N 6
S S I D E
L I G H T P C B