KE-3010_KE-3020V_KE-3020VR-Rev04.pdf - 第159页
- - REF.NO NOT E P A RT NO D E S C R I P T I O N Q ty 1 40 1 - 14 9 4 1 A WC MECHA N I C A SM V 1 2 #03 400-94743 A WC_3020_MECHANIC_ASM 1 3 40 0 - 00 7 6 8 A WC P UL LEY A ASM. ( 1) 4 E2153-725-00 0 A WC PULLEY A (1) …

- -
OPTION
75.AWC COMPONENTS
3 7
3 6
3 5
3 4
3 4
3 3
3 2
3 2
3 1
2 9
1 5
1 2
1 1
1 8
1 4
2 7
1 5
1 2
1 1
1 7
6
3
2 1
1 0
2 8
2 5
2 6
2 4
2 2
1 2
3 0
2 3
1 6
1 3
9
8
5
7
2 0
3 8
4
1 9
4 0
4 1
3 9

- -
REF.NO NOTE PART NO D E S C R I P T I O N Qty
1 401-14941 AWC MECHANIC ASM V 1
2
#03
400-94743 AWC_3020_MECHANIC_ASM 1
3 400-00768 AWC PULLEY A ASM. (1)
4 E2153-725-000 AWC PULLEY A (1)
5 SM-8040602-TP SCREW M4X0.7 L=6 (2)
6 400-00769 AWC PULLEY B ASM. (1)
7 E2154-725-000 AWC PULLEY B (1)
8 SM-8040402-TP SCREW M4X0.7 L=4 (2)
9 SM-8040602-TP SCREW M4X0.7 L=6 (2)
10 SL-6031092-TN SCREW (2)
11 400-94550 SENSOR BRACKET AWC (2)
12 SL-6031092-TN SCREW (4)
13 400-92569 BU PIN SENSOR EMISSION ASM (1)
14 400-92575 BU PIN SENSOR RECEIVER ASM (1)
15 SL-6031092-TN SCREW (4)
16 400-48077 AWC MOTOR ASM (1)
17 E2163-725-000 AWC BRACKET E (1)
18 E2160-725-000 AWC BELT (E) (1)
19 E2161-725-000 AWC OP DOG (E) (1)
20 SL-6030692-TN BOLT (2)
21 E4805-729-000 AWC SENSOR BRACKET B (E) (1)
22 SM-4030501-SN SCREW M3 L=5 (1)
23 SL-6041292-TN SCREW (4)
24 SL-4031091-SC SCREW M3 X 10 (2)
25 HX-0034400-00 HARNESS PARTS (1)
26 SL-6030692-TN BOLT (1)
27 EA-9500B01-00 CABLE BAND (2)
28 HX-0052200-00 SPIRAL TUBE (0.32)
29 400-65488 BU PIN SENSOR DOG (1)
30 SL-6051492-TN BOLT (2)
31
#01
401-13951 WAIT SENSOR BR ML (1)
32
#01
400-65488 BU PIN SENSOR DOG (2)
33
#01
401-13950 WAIT SENSOR BR MR (1)
34
#01
SM-4030501-SN SCREW M3 L=5 (2)
35
#02
401-10110 WAIT SENSOR BR (2)
36
#02
400-65488 BU PIN SENSOR DOG (2)
37
#02
SM-4030501-SN SCREW M3 L=5 (2)
38 400-92577 AWC ORG SENS ASM (1)
39 400-00534 BACK UP DRIV PLATE (1)
40 SL-4041091-SC SCREW M4 L=10 (3)
41 E1038-871-000 PLATEN LOCK CAM SCREW (1)

- -
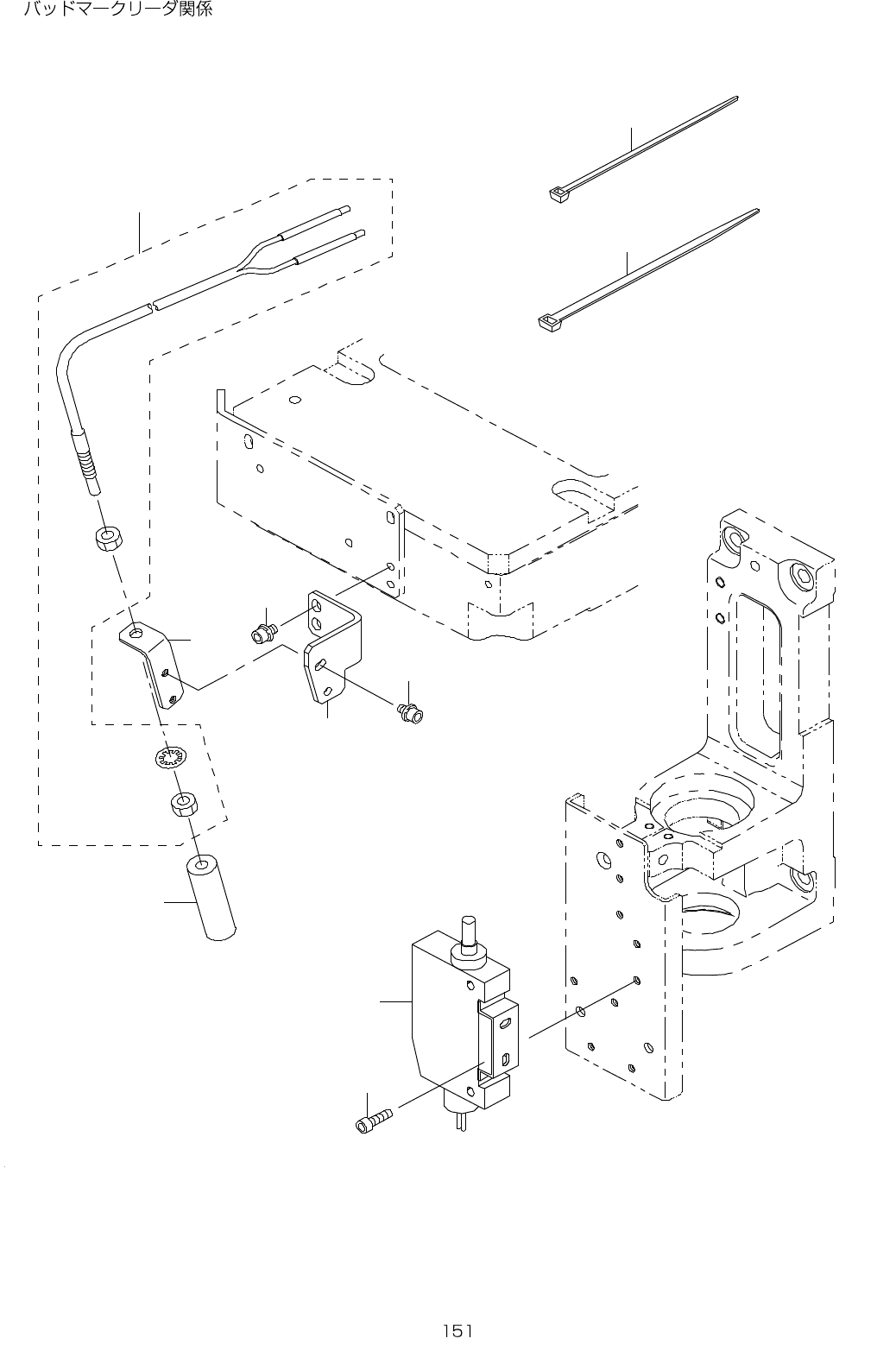
76.BAD MARK READER COMPONENTS
5
6
3
4
1
8
9
2
7
2