KE-3010_KE-3020V_KE-3020VR-Rev04.pdf - 第256页
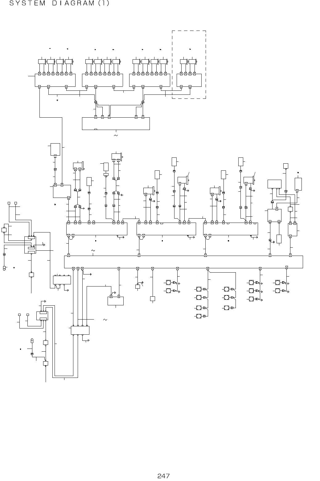
- - 124 .SY STEM DIAGRAM(1) 6 6 1 8 8 0 8 0 8 0 8 0 8 0 8 0 7 9 7 9 7 9 7 9 7 9 7 9 7 9 7 9 7 6 1 1 2 1 1 2 1 1 2 7 7 7 8 7 5 1 0 3 1 0 5 4 1 3 8 3 6 1 1 1 3 4 3 5 3 7 4 0 3 9 4 2 4 5 4 4 4 3 4 7 4 8 4 6 4 9 5 4 5 3 5 …

- -
REF.NO NOTE PART NO D E S C R I P T I O N Qty
1 401-26506 DISCHARGE_GUIDE_ASM_REV_B 1
2 401-38858 DISCHARGE_GUIDE_UPPER_REV_B (1)
3 401-25970 TAPE_GUIDE_C_ASM_REV_B (1)
4 401-38839 TAPE_GUIDE_C (1)
5 SL-6030692-TN SCREW M3 L=6 (7)
6 401-38813 SHAFT (1)
7 401-17450 ONEWAY CLUTCH (1)
8 401-17433 HUSING (1)
9 401-17434 ARM (1)
10 401-17436 CYL JOINT (1)
11 E1038-871-000 PLATEN LOCK CAM SCREW (1)
12 401-38820 CYL_SUP_10 (1)
13 SL-6030692-TN SCREW M3 L=6 (2)
14 401-17440 CYLINDER (1)
15 PC-0105190-00 SPEED CONTROLLER (2)
16 NM-6040001-SC NUT M4X0.7 TYPE1 (1)
17 PJ-3010400-04 REDUCER (2)
18 401-38816 TAPE_GUIDE_D (1)
19 BT-0400251-EA URETHANE TUBE BLUE 4X2.5 (0.4)
20 401-17435 BRG PLATE (4)
21 SB-1080007-00 BEARING (4)
22 SL-6030692-TN SCREW M3 L=6 (8)
23 401-38811 SP_HOOK_BR (1)
24 SL-6040892-TN SCREW M4 L=8 (4)
25 401-26507 BELT_PLATE_ASM_REV_B (9)
26 401-38817 PLATE_A (1)
27 401-38818 PLATE_B (1)
28 401-38812 IDLER (1)
29 401-17446 IDLER (1)
30 401-17447 IDLER SHAFT (1)
31 401-17448 COLLAR A (1)
32 401-38819 BELT (1)
33 SB-1040005-00 BEARING (1)
34 SM-1020301-SN SCREW (1)
35 SM-8030302-TP SCREW M3X3 (2)
36 401-25967 SPACER (1)
37 SL-6031092-TN SCREW (1)
38 WP-0320500-SC WASHER M3 (1)
39 NM-6030002-SC NUT M3X0.5 TYPE2 (1)
40 SL-6030692-TN SCREW M3 L=6 (4)
41 WP-0841601-SC WASHER M8 (9)
42 RE-0600000-K0 E-RING 6 (13)
43 400-94891 SPRING 0.69N (9)
44 401-38810 GUIDE_SUP (2)
45 SL-6040892-TN BOLT (8)
46 SM-3040652-TN SCREW M4 L=6 (4)
47 401-46779 FILL_GAP_PLATE (1)
48 SL-4040891-SC SCREW M4X8 (4)
49 401-38803 GUIDE_INNER (1)
50 SL-6030692-TN SCREW M3 L=6 (5)
51 401-38806 TAPE_GUIDE_BOTTOM_A (1)
52 400-94843 HINGE B-1146-3 (2)
53 NM-3040510-SL FLANGE NUT (4)
54 401-26044 DISCHARGE_GUIDE_LOWER_REV_B (1)
55 SL-6040892-TN BOLT (2)
56 SL-6040892-TN SCREW M4 L=8 (4)
57 SL-6030692-TN SCREW M3 L=6 (2)
58 401-38849 DISCHARGE_COVER (1)
59 SL-6040892-TN SCREW M4 L=8 (4)
60 400-92716 TAPE CUTTER DANGER LABEL (1)
61 168-70206 GRAVITY SEAL (1)
62 401-14008 DISCHARGE GUIDE 3 (1)
63 401-38821 CUTTER_CABLE_BR (1)
64 PV-0100060-00 HAND VALVE (1)
65 SL-6042592-TN SCREW (2)
66 HX-0002400-0D CLAMP (2)

- -
124.SYSTEM DIAGRAM(1)
6 6
1 8
8 0 8 0 8 0 8 0 8 0 8 0 7 97 97 97 97 97 97 97 9
7 6
1 1 2
1 1 2
1 1 27 7 7 8
7 5
1 0 3 1 0 5
4 1
3 8
3 6
1 1 1
3 4 3 5
3 7
4 0
3 9
4 2
4 5
4 4
4 3
4 7
4 8
4 6
4 9
5 4
5 3
5 5
5 7
5 85 8
5 6 5 6
6 1
6 0
6 2
5 7
7 2
7 0
7 1
7 3 7 4
6 3
6 9
6 8
8 1
6 4
5 25 2
5 0 5 1
3 3
3 1 3 2
1 1 0
8 6
5 9
6 5
6 7
1 1 1 3
2 8
3 0
2 9
2 9
2 7
2 7
2 7
2 6
2 5
2 5
2 2
2 42 1
2 3
2 0
1 9
1 0 6
1 0 7
1 5 1 7
1 4
1 0 8
1 0 9
9
8
5
1 0
7
6
4
2 3
1
I N P U T
T B 1
X S ER V O
A M P
M R - J 3 - 7 0 B - R J 0 2 4
[ C T R L UN I T ]
N F B
AC I N P U T
UN I T
M T S P W R ( L )
M T C P W R ( R )
T B 2
T F 1
20 0 V
3 4 V
10 0 V
20 0 V
P O W E R
U N I T
C N 0 1
C N 0 3
C N 0 4
V A C UU M
P U M P
C N 1 4 A
( C N 1 4 B)
C N 0 1 0
HO U R
ME T ER
C N 0 7
C N 0 6
C N 0 0 1
FA NF A N
[ B A S E1 ]
C N 0 0 3
FA NF A N
[ B A S E2 ]
C N 0 04
FA NF A N
F A N
CN 1 1 C N P 1
C N P 2
Y L S ER V O
A M P
M R - J 3- 2 0 0 B - R J 0 2 4
CN 1 2 C N P 1
C N P 2
Y R S E R V O
A M P
M R -J 3 - 2 0 0 B - R J 0 2 4
CN 1 3 C N P 1
C N P 2
C N 0 6 3
C N 2 5 1
A T X - P O W E R
B A T T E R Y
C P C I
B A C K
B O A R D
M A I N S W
M A I N S W
E
C N 1 A
E
C N 1 B
C N 1 A
E
C N 1 A 1 C H N E T
P O S I T I O N
B O A R D
CN 2
C N P 3
C N 2 L
C N 1 B
CN 2
C N P 3
C N 2 L
C N 1 B
CN 2
C N P 3
C N 2 L
S E R V O
M O T O R
7 5 0 W
Y M O T O R
Y L
1 5 0 0 W
Y M O TO R
YR
15 0 0 W
2 C H N E T
1 - 4B
P O W E R
U N I T
1 C H D I
S - X Y
R E L A Y
P C B
C N 1 1
2 - 5 B
1 - 2 D
C N 2 1 C N1 3
C N 3 7
C N 1 4
C N 1 5
C N 3 8
C N 1 5 1 X EN C
X M TR
Y L M T R
Y R M T R
A T X 1 3
P S - O N
X Y 1 1
Z T P W R 1
ZT P W R 2
4 A X I S S ER V O
A M P ( 2)
C N 1 A
C N 1 B
C N P 1
C N 2D
C N P 2 D
C N 2C
C N P 2 C
C N 2B
C N P 2 B
C N 2A
C N P 2 A
4 A X I S S E RV O
A M P ( 3 )
C N 1 A
C N 1 B
C N P 1
C N 2D
C N P 2 D
C N 2C
C N P 2 C
C N 2B
C N P 2 B
C N 2A
C N P 2 A
4 A X I S S E RV O
A M P ( 1 )
C N 1 A
C N 1 B
C N P 1
C N 2D
C N P 2 D
C N 2C
C N P 2 C
C N 2B
C N P 2 B
C N 2A
C N P 2 A
4 A X I S S E RV O
A M P ( 4 )
C N 1 A
C N P 1
C N 2D
C N P 2 D
C N 2C
C N P 2 C
2 - 3B
2 - 2 A
2 - 2 A
2 - 2 B
2 - 2 B
Z 1 M O T OR
H C - B P 0 3 3 6 LW 4 - S 1
Z 2 M O T OR
H C - B P 0 3 3 6 LW 4 - S 1
Z 3 M O T O R
H C - B P 03 3 6 L W 4 - S 1
Z 4 M O T O R
H C - B P 03 3 6 L W 4 - S 1
Z 5 M O T O R
H C - B P 03 3 6 L W 4 - S 1
Z 6 M O T O R
H C - B P 03 3 6 L W 4 - S 1
Z 7 M O T O R
H C - B P 03 3 6 L W 4 -S 1
7 M O TO R
H C - B P 03 3 6 L W 4 -S 1
1 M O T OR
H C - B P 0 1 3 6 D- S 1
2 M O TO R
H C - B P 0 1 3 6 D - S 1
3 M O T O R
H C - B P 01 3 6 D - S 1
4 M O T O R
H C - B P 01 3 6 D - S 1
5 M O T O R
H C - B P 01 3 6 D - S 1
6 M O T O R
H C - B P 01 3 6 D - S 1
4 - 5 C
1 - 1 A
1 - 3 D
C O P L A- P S
C O P L A -P O W E R
C N 1
C P
C N 2
C N 3
C N 3
C N 4
4 - 5 A
C O P L A M O N I T O R
S W I T C H B O A R D
E T F
P O W E R
U N I T
C N 0 4
GN D G N D
S C A L E
H E A D X
E N C X S EN S X
S E N S Y L E NC Y L
S C A L E
H E A D Y
S E N S Y R E NC Y R
4 - 1 D
4 - 5 A
O N LY 30 2 0 V 3 0 2 0 R V
PO W ER O N
LI G HT
C N 0 01
1 1 2
Y M O T O R
Y R
1 5 00 W
8 9
8 7
8 5
6 0
8 2
Y R M T R
Y R M T R
EN C Y R
M O T O R Y R C N 2
S C A L E YR C N 2L S E N S Y R
CN 2
C N P 3
C N 1 B
5 0 5 1
E N C Y L S E N S Y L
8 9
S C A L E
H E A D Y
S C AL E
H E AD Y
S C AL E
H E AD Y
YL M T R
Y M O T OR
Y L
1 5 0 0 W
S C A L E Y L C N 2 L
M O T O R Y L C N 2
8 7
8 4
5 3
8 2
X E NC
M O T O R X C N 2
S C A L E X C N 2 L
C N 1 6 5
C N 15 1
CN 1 6 5
CN 2
C N P 3
C N 1 B
CN 2
C N P 3
C N 1 B
SE N S X
X E N C
X M T R
S E R V O
M O T O R
7 5 0 W
9 0
S C A L E
H E A D X
8 9
8 7
1 1 1
8 2
8 7
8 3
9 1
1 0 0
1 0 1
9 8
9 7
9 6
1 0 2
9 5 9 4
2 3
9 2
9 3
T F 1
IN P UT
N F B
A C I N P U T
U N IT
C N 0 0 1
P O W E R O N L IG H T
T B 1 T B 1
M A I N S W 1 / 2
C N 0 6
M T S PW R ( L )
M T C P W R ( R )
C N 0 7
L F 1
1 - 3 D
2 0 0V
1 0 0V
3 4 V
2 0 0V
9 9
8 8
[ B A S E R S I DE ]
[ P OW E R UN I T ]
[ B AS E L S I D E ]
F A NFA NF A NF A N
F A NFA NF A N
[ C T R L U N I T ]
1 1 3
1 1 3
1 1 3
1 1 3
1 1 3
1 1 3
1 1 3
P W R 2 9
5 65 6
3 6
5 4
6 1
4 5
4 4

- -
REF.NO NO TE PART NO D E S C R I P T I O N Qty
1
#04
400-924 12 P OWER ON LAMP RELAY CABLE ASM 1
2
#01
401-066 08 POWER LAMP 200V CAB LE ASM 1
3 #02 40 1-06609 P OWER LAMP 400V CABLE ASM 1
4 #04 40 1-09918 B REAKER OUT CA BLE ASM 1
5
#04
401-099 19 MA IN SW O UTPUT CABLE AS M 1
6
#04
401-099 22 MTC PWR WIRE L ASM 1
7 #04 40 1-09923 MTC PWR WIRE R ASM 1
8 #04 40 1-09920 TF INPUT CAB LE ASM 1
9
#04
401-099 21 TF INPUT DEL TA CAB LE ASM 1
10
#04
401-099 24 INPUT UNIT FG CABLE ASM 1
11 #04 401-14531 P OWER UNI T ASM 1
12 #05 401-33955 P OWER SUPPLY UNIT ASM 1
13
#03
401-339 58 POWER SUPPLY UNIT (EN) ASM 1
14 401-099 26 TF 200V OUTPU T CAB LE ASM 1
15 #04 401-099 27 TF 34V OUTPUT CABL E ASM 1
16 #05 401-136 37 SAFETY U 34 V I N CAB LE ASM(EN) 1
17
#03
401-136 38 SAFETY U 34V O UT CABLE A SM(EN) 1
18 401-145 33 E TF POWER AS M 1
19 401-136 35 G ND COMMON CAB LE ASM 1
20 400-995 47 V ACUUM PUMP ASM 1
21 401-099 34 V AC PUM P POWER CAB LE ASM 1
22 401-099 35 V ACUUM PUMP FG CAB LE ASM 1
23 HB-00 06400-00 TIMER 1
24 401-099 39 HO UR METER ASM 1
25
#04
400-924 40 BASIC FAN ASM 1
26
#04
401-099 66 FAN CABLE ASM 1 1
27 #04 400-92440 B ASIC FAN ASM 1
28 #04 401-099 67 FAN CABLE ASM 2 1
29
#04
400-924 40 BASIC FAN ASM 1
30
#04
401-099 68 FAN CABLE ASM 3 1
31 #04 400-445 38 SERVO AMP 750 W 1
32 #0 5 40 1-29652 X A XIS DRIVER 1
33 401-099 33 X DRV FG CA BLE ASM 1
34
#0 4
401-136 16 OPTICAL FIBER CA BLE 2.1M 1
35
#0 5
401-186 21 OPTICAL FIBER CA BLE 2M 1
36 401-099 43 X MOTO R CABL E ASM 1
37
#0 4
401-099 49 X LINEA R SENSOR CAB LE ASM 1
38 400-445 40 1 6AXIS 2CH SERVO CONTROLLER 1
39 401-099 48 P OS BO ARD1 1CH CABLE ASM 1
40 400-976 14 X Y-RELA Y POS RELA Y CA BLE ASM 1
41 401-067 95 S -XY RELAY P CB ASM 1
42 400-480 70 O PTICAL FIBER CABLE 7M 1
43
#04
401-136 21 XY BEAR 5P CABLES ASM 1
44 400-445 45 X MOTO R ENCODER CABLE 1
45 400-445 46 X MTR P WR C ABLE 1
46
#04
400-689 14 SERVO MOTOR 750W 1
47
#04
401-136 22 XY BEAR 1P CABLE S ASM 1
48 #04 40 0-44531 MAGNETIC SCALE X SE NSOR UNIT 1
49 401-13685 OPT ICAL FIBER CABLE 0.7M 1
50
#04
400-445 39 SERVO AMP 200 0W 1
51
#05
401-296 54 Y AXIS DRIVER 1
52 400-92416 DRV FG CABLE AS M 1
53 401-09941 Y L ENCO DER CAB LE ASM 1
54 401-09944 Y L MO TO R CAB LE ASM 1
55
#04
401-099 50 YL LINEA R SENSOR CABLE ASM 1
56 400-76136 S AR VO MOTOR 1500W 1
57
#04
401-136 23 Y BEAR CABLES ASM 1
58
#04
400-445 32 MA GNETIC SCALE Y SE NOR UNIT 1
59 401-099 32 Y R PWR CABLE ASM 1
60 401-099 42 Y R ENCODER CABLE ASM 1
61 401-099 45 Y R MOTOR CABLE ASM 1
62
#04
401-099 51 YR LINEAR SENSOR C ABLE ASM 1
63 400-480 06 A TX PSU 1
64 400-478 94 A TX PWR RLY CABLE ASM 1
65 401-099 36 A TX PWR CABLE ASM 1
66 HX-00 57700-00 P OWER SUPPLY 1
67 400-974 30 CO PLA INPUT RELAY CABLE ASM 1
68 400-974 28 CO PLA C PU POWER CA BLE AS M 1
69 400-974 33 CO PLA C PU GND CABLE A SM 1
70 401-099 37 CP CI POW ER CABLE AS M 1
71 401-056 81 MO NITOR SWITCH PCB PWR CA BLE A 1
72 400-974 32 CO PLA C PU CP CABL E ASM 1
73
#04
400-974 34 CO PLA M ONITO R SWITCH BOARD 1
74
#0 5
401-321 54 CO PLA M ONITOR SWITCHING BOARD 1
75 401-099 65 L ZT PWR REL AY CABLE AS M 1
76 400-445 35 4 AXIS SERVO AMP 1
77
#04
401-136 21 XY BEAR 5P CABLES ASM 1
78
#05
401-357 96 XY BEAR CABLE S ASM 1
79 400-44534 S ER VO MOTOR 30W 1
80 400-44533 S ER VO MOTOR 10W 1
81 400-48007 B AT TERY UNIT 1
82
#05
401-353 54 ENCODER Y CABL E 1
83
#05
401-356 52 X AXIS LINEAR SENS OR CAB LE ASM 1
84 #05 401-356 53 YL AXIS LINE AR SENSOR CA BLE AS 1
85
#05
401-356 54 YR AXIS LINEAR SENSOR CABL E AS 1
86 401-099 31 Y L PWR CABLE ASM 1
87
#05
401-357 97 Y BEAR CABLES ASM 1
88 #0 5 40 1-33866 FAN CABLE ASM 1
89
#0 5
401-296 30 XY LINE AR SCALE HEAD 1
90
#0 5
401-296 53 X AXIS MO TOR 1
91
#0 5
401-317 64 ATX CTRL CABLE ASM 1
92 #0 5 40 1-33971 TF INPUT CAB LE (DELTA) ASM 1
93
#05
401-350 52 TRANSFORMER 1
94
#05
401-339 70 TF INPUT CAB LE ASM 1
95
#05
401-339 62 NFB OUTPUT CABL E ASM 1
96 #05 40 1-33965 NFB ON LAMP CABLE ASM 1
97
#05
40 1-33966 MA IN SW INPUT CABLE ASM 1
98
#05
401-339 67 MA IN SW O UTPUT CABLE AS M 1
99
#05
401-339 52 AC INPUT UNIT 1
100 #05 401-33968 MTS PO WER CABLE L ASM 1
101
#05
401-339 69 MTC POWER CA BLE R ASM 1
102
#05
401-339 61 AC INPUT UNIT FG CABL E ASM 1
103
#04
401-145 31 POWER UNIT AS M 1
104 #05 401-33955 POWER SUPPLY UNIT ASM 1
105
#03
401-339 58 POWER SUPPLY UNIT (EN) ASM 1
106 401-136 82 TRANSFOMER 1
107 401-099 25 TF FG CAB LE ASM 1
108 401-099 28 TF 100VA OUTPUT CABLE AS M 1
109 401-099 29 TF 200V B OUTP UT CABLE AS M 1
110 401-099 30 X PWR CABLE A SM 1
111 401-099 40 X ENC CABLE ASM 1
112 400-445 41 OPTICAL FIBER CABLE 0.15M 1
113
#05
401-337 68 DC FAN 1