KE-3010_KE-3020V_KE-3020VR-Rev04 - 第259页
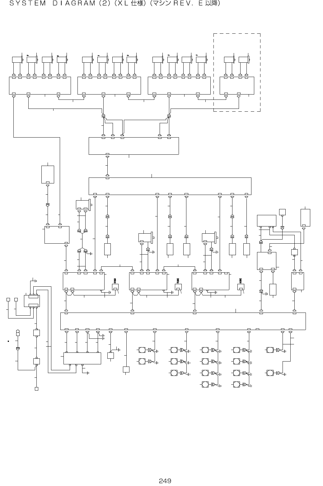
- - REF.NO N O TE PART NO D E S C R I P T I O N Q ty 1 400-92410 BR EAKER INPUT CABLE ASM 1 2 400-92412 PO WER ON LAMP RELAY C ABL E ASM 1 3 400-92411 BR EAKER OUT CABLE ASM 1 4 #01 40 1-0 6608 PO WER LAM P 20 0V CABLE…

- -
125.SYSTEM DIAGRAM(2)(TYPE XL)(AFTER M/C REV.E)
T B 1
I N P U T
4 5
2
1
3
1 1
1 2
1 0
6
7
2 0
1 5 1 6 1 7 1 8
2 5
2 8
3 3 3 4 3 5 3 6
2 9
3 7
4 5
4 6
7 4
7 2
5 9
5 8
5 7
6 1
7 0
7 1
6 2
9 4
6 3
6 5
7 8
7 9
8 0
8 3
7 8
8 4
8 5
4 8
4 9
5 4
5 5
8 7
8 8
9
8
1 3
1 4
2 6
2 4
2 7
3 2
3 2
3 2
3 2
3 2 3 2
3 2
3 2
3 2 3 2
3 2
3 2
3 2
4 4
4 3
3 2
3 2
5 25 1
5 3
5 0
5 6
4 7
2 3 3 92 33 1
4 0 4 04 1
2 32 2
2 1 3 0 3 8
4 24 2
7 5
7 3 7 3
8 2
8 1
7 6 7 7 7 6 7 76 9
6 7
6 6
6 0
6 8
8 6
6 4
1 9
9 0 9 0
8 9
9 0
9 2 9 3 9 2 9 3 9 2
9 19 19 19 1
9 29 2 9 3 9 2 9 39 2 9 3 9 2 9 3
1 9
[ B A S E 1 ]
F A N
[ B A S E 2 ]
C N 0 0 1
P O W E R O N
L I G H T
C N 1 2
1 - 3 D
M A I N S W
C N 0 0 2
C N 0 0 3
C N 0 6
C N 0 7
H O U R
M E T E R
C N 1 3
C N 0 0 4
V A C U U M
P U M P
C N 0 4 A
C N 0 3
C N 0 1
P O W E R
U N I T
1 0 0 V
1 0 0 V
3 4 V
2 2 0 V
T F 1
T B 2
M T C P W R ( R )
M T S P W R ( L )
A C I N P U T
U N I T
N F B
[ C T R L U N I T ]
T B 1
C N 0 4 B
C N 1 1
C N 1 4 A
C N 0 1 0
C N 0 0 1
C N 0 6 3
C N 0 0 6
C N 0 0 7
C O P L A - P S
1 - 4 B
C N 0 0 5
[ B A S E 3 ]
[ Y R M O T O R ][ Y L M O T O R ]
F A N
F A NF A NF A N
F A NF A NF A NF A N
F A NF A NF A NF A N
F A NF A N
X S E R V O A M P
M R - J 3 - 7 0 B - R J 02 4
C N P 1
C N P 2
C N 1 A
C N 2
C N P 3
C N 2 L
C N 1 B
E
M R - R B 1 2
Y L S E R V O A M P
M R - J 3 - 2 0 0 B - R J 0 2 4
C N 2
C N P 3
C N 2 L
C N 1 B
E
C N P 1
C N P 2
C N 1 A
M R - R B 1 2
X S E R V O A M P
M R - J 3 - 7 0 B - R J 0 2 4
C N 2
C N P 3
C N 2 L
C N 1 B
C N P 1
C N P 2
C N 1 A
E
M R - R B 1 2
C N 2 5 1
B A T T E R Y
C O P L A - P O W E R
A T X - P O W E R
C N 1 CN 2
C N 3
C N 3
4 - 5 C
C P
A T X 1 3
C P C I
B A C K
B O A R D
P S - O N
1 - 1 A
M A I N S W
C O P L A M O N I T O R
S W I T CH B O A R D
C N 4
4 - 5 A
Y R O R G
S E N S O R
C N 1 4 0
S E N S Y R
S C A L E
H E A D R L
E N C Y R
Y R M T R
C N 1 3 6
Y L O R G
S E N S O R
S C A L E
H E A D Y L
S E N S Y L
E N C Y L
Y M O T O R
Y L 1 5 0 0 W
Y L M T R
Y M O T O R
Y R 1 5 0 0 W
S C A L E
H E A D X
S E N S X
E N C X
X E N C
X M T R
C N 1 5 1
C N 1 6 5
P O S I T I O N
B O A R D
1 C H D I
2 C H N ET
1 C H N ET
S E R V O M O T OR
7 5 0 W
X Y 1 1
X Y - R EL A Y P C B
2 - 5 B
C N 1 1
C N 5
C N 1 4
C N 2
M A G N ET I C
S C A L E
P C B
C N 2 1
1 - 2 D
P O W E R U N I T
C N 7
C N 3
C N 1 0
C N 8
C N 4
C N 1 1
2 - 4 C
C N 1 3
C N 3 7
C N 1 4
C N 1 5
C N 3 8
2 - 3 B
Z T P W R 2
Z T P W R 1
4 A X I S S E R V O
A M P ( 1 )
C N 1 A
C N P 1
C N 1 B
C N 2 D
C N P 2 D
C N 2 C
C N P 2 C
C N 2 B
C N P 2 B
C N 2 A
C N P 2 A
2 - 2 A
4 A X I S S E R V O
A M P ( 2 )
C N 1 A
C N P 1
C N 1 B
C N 2 D
C N P 2 D
C N 2 C
C N P 2 C
C N 2 B
C N P 2 B
C N 2 A
C N P 2 A
2 - 2 A
4 A X I S S E R V O
A M P ( 3 )
C N P 1
C N 1 B
C N 2 D
C N P 2 D
C N 2 C
C N P 2 C
C N 2 B
C N P 2 B
C N 2 A
C N P 2 A
2 - 2 B
C N 1 A
Z 1 M O T O R
H C - B P 03 3 6 L W 4 - S 1
1 M O T O R
H C - B P 0 1 3 6 D - S 1
Z 2 M O T O R
H C - B P 0 3 3 6 L W 4 - S 1
2 M O T O R
H C - B P 01 3 6 D - S 1
Z 3 M O T O R
H C - B P 0 3 3 6 L W 4 - S 1
3 M O T O R
H C - B P 0 1 3 6 D - S 1
Z 4 M O T O R
H C - B P 0 3 3 6 L W 4 - S 1
4 M O T O R
H C - B P 0 1 3 6 D - S 1
Z 5 M O T O R
H C - B P 0 3 3 6 L W 4 - S 1
5 M O T O R
H C - B P 0 1 3 6 D - S 1
Z 6 M O T O R
H C - B P 0 3 3 6 L W 4 - S 1
6 M O T O R
H C - B P 0 1 3 6 D - S 1
Z 7 M O T O R
H C - B P 0 3 3 6 L W 4 - S 1
Z 7 M O T O R
H C - B P 0 3 3 6 L W 4 - S 1
4 A X I S S E R V O
A M P ( 4 )
C N P 1
C N 1 A
C N P 2 D
C N 2 D
C N 2 C
C N P 2 C
2 - 2 B
2 - 2 B
O N L Y 3 0 2 0 V 3 0 2 0 V R

- -
REF.NO NOTE PART NO D E S C R I P T I O N Qty
1 400-92410 BREAKER INPUT CABLE ASM 1
2 400-92412 POWER ON LAMP RELAY CABLE ASM 1
3 400-92411 BREAKER OUT CABLE ASM 1
4
#01
401-06608 POWER LAMP 200V CABLE ASM 1
5
#02
401-06609 POWER LAMP 400V CABLE ASM 1
6 400-92439 MTC PWR WIRE L ASM 1
7 400-02063 MTC POWER WIRE R ASM 1
8 400-94708 AC INPUT UNIT 1
9 400-02056 INPUT UNIT FG CABLE ASM 1
10 400-92413 MAIN SW OUTPUT CABLE ASM 1
11 400-92414 TF INPUT CABLE ASM 1
12 400-92664 TF INPUT DELTA CABLE ASM 1
13 400-92415 TF FG CABLE ASM 1
14 400-71184 TRANSFOMER GX-10 1
15 400-92417 TF 220V OUTPUT CABLE ASM 1
16 400-92417 TF 220V OUTPUT CABLE ASM 1
17 400-95136 TF 100VA OUTPUT CABLE ASM 1
18 400-95137 TF 100VB OUTPUT CABLE ASM 1
19 401-18724 POWER UNIT_XL 1
20 400-92420 X PWR CABLE ASM 1
21 400-44538 SERVO AMP 750W 1
22 400-92436 X MOTOR RB CABLE ASM 1
23 400-92416 DRV FG CABLE ASM 1
24 400-99547 VACUUM_PUMP_ASM 1
25 401-13734 VAC PUMP POWER CABLE ASM XL 1
26 401-09935 VACUUM PUMP FG CABLE ASM 1
27 HB-0006400-00 HOUR METER 1
28 400-99144 HOUR METER ASM 1
29 400-92421 YL PWR CABLE ASM 1
30 400-44539 SERVO AMP 2000W 1
31 400-92437 YL MOTOR RB CABLE ASM 1
32 400-92440 BASIC FAN ASM 1
33 400-92441 FAN CABLE ASM_1 1
34 400-92442 FAN CABLE ASM_2 1
35 400-92443 FAN CABLE ASM_3 1
36 400-92444 FAN CABLE ASM_4 4
37 400-92422 YR PWR CABLE ASM 2
38 400-44538 SERVO AMP 750W 1
39 400-92438 YR MOTOR RB CABLE ASM 1
40 400-92658 REGENERATIVE REGISTOR 1
41 400-54885 REGENERATIVE RESISTOR 1
42 400-44541 OPTICAL FIBER CABLE 0.15M 1
43 400-97602 FAN CABLE ASM_7 1
44 400-97601 FAN CABLE ASM_6 1
45 400-47893 ATX PWR CABLE ASM 1
46 400-47894 ATX PWR RLY CABLE ASM 1
47 400-48006 ATX PSU 1
48 400-92435 CPCI POWER CABLE ASM 1
49 401-05681 MONITOR SWITCH PCB PWR CABLE A 1
50 400-97432 COPLA CPU CP CABLE ASM 2
51 400-48007 BATTERY UNIT 1
52 400-97430 COPLA INPUT RELAY CABLE ASM 1
53 HX-0057700-00 POWER SUPPLY 1
54 400-97428 COPLA CPU POWER CABLE ASM 1
55 400-97433 COPLA CPU GND CABLE ASM 1
56 401-32154 COPLA MONITOR SWITCHING BOARD 1
57 400-92447 OPTICAL FIBER CABLE 2.4M 1
58 400-45395 XL ENC CABLE ASM 1
59 400-92657 XL MTR CABLE ASM 1
60 400-44540 16AXIS 2CH SERVO CONTROLLER 1
61 400-92638 Y BEAR CABLES ASM XL 1
62 400-47930 POS BOARD1 1CH CABLE ASM 1
63 400-97614 XY-RELAY POS RELAY CABLE ASM 1
64 400-71676 XY RELAY PCB ASM 1
65 400-92448 OPTICAL FIBER CABLE 6.5M 1
66 400-44545 X MOTOR ENCODER CABLE 1
67 400-44546 X MTR PWR CABLE 1
68 400-68914 SERVO MOTOR 750W 1
69 400-44531 MAGNETIC SCALE X SENSOR UNIT 1
70 400-92637 XY BEAR CABLES ASM XL 1
71 400-97578 X LINEAR SENSOR CABLE ASM 1
72 400-92451 YL ENCODER CABLE ASM 1
73 400-76136 SARVO MOTOR 1500W 1
74 400-92453 YL MOTOR CABLE ASM 1
75 400-97582 YL ENC RELAY CABLE ASM 2
76 400-44532 MAGNETIC SCALE Y SENOR UNIT 1
77 400-02171 YL ORG SENS ASM 2
78 400-92638 Y BEAR CABLES ASM XL 1
79 400-97579 YL LINEAR SENSOR CABLE ASM 2
80 400-97584 YL ORG SENSOR CABLE ASM 1
81 400-92452 YR ENCODER CABLE ASM 2
82 400-92454 YR MOTOR CABLE ASM 1
83 400-94583 EMERGENCY SW(CNV) CABLE 2 ASM 1
84 400-97580 YR LINEAR SENSOR CABLE ASM 1
85 400-97585 YR ORG SENSOR CABLE ASM 1
86 400-95130 MAGNETIC SCALE PCB ASM 2
87 400-97586 MAGNE SCALE PCB PWR CABLE ASM 1
88 400-92461 LZT PWR RELAY CABLE ASM 2
89 400-92637 XY BEAR CABLES ASM XL 1
90 400-44541 OPTICAL FIBER CABLE 0.15M 2
91 400-44535 4AXIS SERVO AMP 2
92 400-44534 SERVO MOTOR 30W 2
93 400-44533 SERVO MOTOR 10W 1
94 400-97581 X ENC RELAY CABLE ASM 1

- -
126.SYSTEM DIAGRAM(3)
1 0
1 2 6
1 0 4
1 2 8
7 2
1 2 7
7 3
7 4 7 5
7
9 2 9 39 0 9 1
1 3 1
1 0 0
1 3 0
9 7
9 6
9 4
9 5
8 8
8 9
4 2 4 3
8 6
8 7
8 5
7
7
8 48 4
8 3
1 2 9
7 6
7 7
7 8 7 9
8 0
8 1 8 2
1 2 4 5 4
5 0
5 1 5 3
1 2 5
5 9 6 0
5 8
5 7
5 5 5 5 5 6
4 5
4 4
4 7
4 6
2 9
1 0 1
3 6
3 7 4 1
4 2 4 33 8 3 9
4 9
4 8
1 1 8 1 2 0
1 0 5
1 0 6
1 0 7
1 0 8
3 5 1 2 3
4 0
3 1
1 0 2
3 3
3 4
3 2
3 0
5 6
3 13 13 1
6 76 76 66 5
6 8 7 1
6 3
6 2
6 1
5 6
2 4
2 7
6 4
8 9
2 01 81 61 4
1 2
2 2
2 4 2 5
5 6
1 0 3
7
1 2 1
5 6
4
3
2
1 2 2
1 1
1 3 1 5
1 7
1 9
2 1 2 3 2 6 2 6
2 7 2 8
1
E N 3
E N 2
E N 1
S - H E A D M A I N
P C B A S M
4 A X I S S E R V O
A M P ( 1 )
C N 4 B C N 5C N 1 9
C N 4 D
4 A X I S S E R V O
A M P ( 2 )
C N 4 B C N 5
C N 4 D
4 A X I S S E R V O
A M P ( 3 )
C N 4 B C N 5
C N 4 D
4 A X I S S E R V O
A M P ( 4 )
C N 4 C C N 5
C N 4 D
1 - 5 A
1 - 5 B
1 - 5 C
1 - 5 D
L N C 6 0
CN 1
S C M 3
P C B
J 4 C O M
C N 8 4 8
E T H E R
M A I N P C B
J 8
X Y - RE L A Y
P C B
C N 1 6
1 - 3 A
S A F T Y
U N I T
( E N )
AI R P R ES S
ME T E R ( + )
AI R P R ES S
ME T E R ( - )
E N 2
E N 1
E T H E R
S L A V E
P C B
B A S E I / O
P C B
E N 2
E N 1
E T H E R
S L A V E
P C B
4 - 2 A
F E E D E R
P C B
E N 2
E N 1
E T H E R
S L A V E
P C B
3 - 2 A
X Y 0 3
C N 3 4
X Y 0 5
C N 1
C N 2
I / F L
I / F R
M T S I / F
M T C I / F
H E A D I O
S A F E I O
C N P 1
C N P 2
C N 0 6 4
C N 4
X Y 0 4
Y - L I M I T
S E N S O R
Y + + L I N IT
S E N S O R
Y N E A R
S E N S O R
Y - L I M
X + + L I M
Y N E A R
X - L I M I T
S E N S O R
X + L I M I T
S E N S O R
X N E A R
S E N S O R
X - L I M
X N E A R
X + L I M X + L I M
C N 1 2 7
C N 1 5
P O W ER U NI T
C N 1 7
C N 2 6
C N 0 6 4
C N 2 0C N 1 3
C N 2 0 1
I O N I Z E R
I O N I Z E R
I O N P W R
C N 9 0 1
C N 3 3
C N 7
C N 9
C P U
B O A R D
C O M 2
4 - 4 A
O P E R A T I O N
P C B ( F )
C N 1 4
3 - 4 A
O P E R A T I O N
P C B ( R )
C N 1 4
3 - 4 B
X Y 0 8
X Y 0 1
X Y 0 2
I E E E 1 3 9 4 a
R E P E A T E R
C H 2
L N C 6 0
C N 2 45
C H 1
I E E E 1 3 9 4
B O A R D
C H 1
4 - 4 C
C P U
B O A R D
C O M 1
2 - 5 B
2 - 4 A
I P -X 7
P C B
A C 3
C N 4 7 8
C N 2
4 - 1 D
F M L A
1 - 3 B
H M S H E A D R C N 3 2
B / M F I B E R C N 1 4
B / M A M P
C D S F IB E R
C N 2 0
C D S A M P
E N 1
C N 8 1 3
S L I G H T
C T R L P C B
E N 2
E N 1
E T H E R
S L A V E
P C B
4 - 2 C
3 - 3 B
C N 1
O C C RC N 3 1
O C C L
C N 9
L I G H T - CC N 6
L I G H T - C
C N 1 0
L I G H T - A 1C N 7
L I G H T - A 1
C N 11
L I G H T - A 2C N 8
L I G H T - A 2
C N 2 7
C N 2 4
B R 1
C N 2 5
C N 2 6
C N 2 3
T E M P E R A T U R E
S E N S O R
P W B A S M
C N 1 2
C N 3 2
C N 1 6
C N 2 8
C N 1 0
XY 10
C N 1 9
N Z D W N 3
N Z D W N 1
N Z D W N 2
E S F
X Y E N 2
X Y E N 2
L E D F
L E D R
C O P L A L A
H M S
4 - 5 A
O N L Y 3 0 2 0 V 3 0 2 0 R V
O N L Y 3 0 2 0 V 3 0 2 0 R V
O C C
C A M E R A
O C C
C A M E R A
O C C C
L I G H T
P C B A S M
O C C C
L I G H T
P C B A S M
O C C A
L I G H T
P C B A S M
O C C A
L I G H T
P C B A S M
O C C A
L I G H T
P C B A S M
O C C A
L I G H T
P C B A S M
T 7 S L O W
D O W N
S E N S O R
Z 1
P R E S S U R E
S E N S O R
Z 2
P R E S S U R E
S E N S O R
Z 3
P R E S S U R E
S E N S O R
Z 4
P R E S S U R E
S E N S O R
Z 5
P R E S S U R E
S E N S O R
Z 6
P R E S S U R E
S E N S O R
Z 7
P R E S S U R E
S E N S O R
Z 1 V A C S V Z 1 B L W S V
Z 2 V A C S V Z 2 B LW S V
Z 3 V A C S V Z 3 B LW S V
Z 4 V A C S V Z 4 B LW S V
Z 5 V A C S V Z 5 B LW S V
Z 6 V A C S V Z 6 B LW S V
Z 7 V A C S V Z 7 B LW S V
F A N
N O Z Z L E
D O W N
S E N S O R R
N O Z Z L E
D O W N
S E N S O R L
N O Z Z L E
D O W N
S E N S O R I C
N O Z Z L E
U P
S V A S M
C O P L A
L A S E R K E Y
P I L O T L A M P
P I L O T L A M P
C N 6 1
C N 6 2
M O T O R
S W I C H
F U L X R L YF U L X R L Y 2
R T F U L X
1 1 2
1 1 1
1 1 0
1 1 3
1 1 4
F U L X P W R
F U L X R L Y 1
R T F L U X o p t i o n
R O T A R Y F L U X E R
M O T O R
S W I TC H
1 1 6
1 1 7
1 1 5
9 8
P U M P - I O
C N 6 8
1 3 2
1 0 9
C N 6 1
C N 6 2
F U L X R L Y 2
F U L X R L Y 1
S W I C H
M O T O R
R T F U L X
F U L X R L Y
F U L X P W R
M O T O R
S W I C H
1 3 3
1 3 51 3 4
9 9