KE-3010_KE-3020V_KE-3020VR-Rev04 - 第261页
- - R E F .NO NOT E PA R T N O D E S C R I P T I O N Q ty 1 40 1 -4 964 7 E T H E R MA IN B OA R D 1 2 40 1- 136 24 E TH E R C A BLE MAI N - X Y A S M 1 3 40 1- 136 25 E TH E R H E AD CA BLE A SM 1 4 40 1- 136 27 E T…

- -
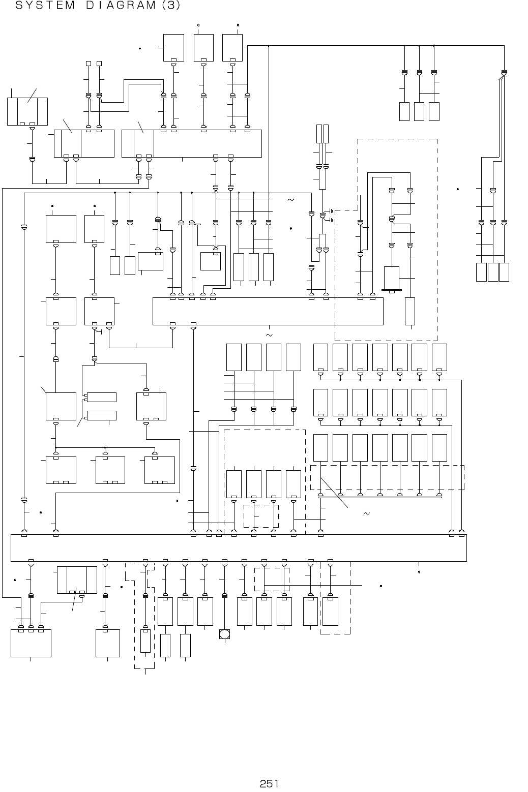
126.SYSTEM DIAGRAM(3)
1 0
1 2 6
1 0 4
1 2 8
7 2
1 2 7
7 3
7 4 7 5
7
9 2 9 39 0 9 1
1 3 1
1 0 0
1 3 0
9 7
9 6
9 4
9 5
8 8
8 9
4 2 4 3
8 6
8 7
8 5
7
7
8 48 4
8 3
1 2 9
7 6
7 7
7 8 7 9
8 0
8 1 8 2
1 2 4 5 4
5 0
5 1 5 3
1 2 5
5 9 6 0
5 8
5 7
5 5 5 5 5 6
4 5
4 4
4 7
4 6
2 9
1 0 1
3 6
3 7 4 1
4 2 4 33 8 3 9
4 9
4 8
1 1 8 1 2 0
1 0 5
1 0 6
1 0 7
1 0 8
3 5 1 2 3
4 0
3 1
1 0 2
3 3
3 4
3 2
3 0
5 6
3 13 13 1
6 76 76 66 5
6 8 7 1
6 3
6 2
6 1
5 6
2 4
2 7
6 4
8 9
2 01 81 61 4
1 2
2 2
2 4 2 5
5 6
1 0 3
7
1 2 1
5 6
4
3
2
1 2 2
1 1
1 3 1 5
1 7
1 9
2 1 2 3 2 6 2 6
2 7 2 8
1
E N 3
E N 2
E N 1
S - H E A D M A I N
P C B A S M
4 A X I S S E R V O
A M P ( 1 )
C N 4 B C N 5C N 1 9
C N 4 D
4 A X I S S E R V O
A M P ( 2 )
C N 4 B C N 5
C N 4 D
4 A X I S S E R V O
A M P ( 3 )
C N 4 B C N 5
C N 4 D
4 A X I S S E R V O
A M P ( 4 )
C N 4 C C N 5
C N 4 D
1 - 5 A
1 - 5 B
1 - 5 C
1 - 5 D
L N C 6 0
CN 1
S C M 3
P C B
J 4 C O M
C N 8 4 8
E T H E R
M A I N P C B
J 8
X Y - RE L A Y
P C B
C N 1 6
1 - 3 A
S A F T Y
U N I T
( E N )
AI R P R ES S
ME T E R ( + )
AI R P R ES S
ME T E R ( - )
E N 2
E N 1
E T H E R
S L A V E
P C B
B A S E I / O
P C B
E N 2
E N 1
E T H E R
S L A V E
P C B
4 - 2 A
F E E D E R
P C B
E N 2
E N 1
E T H E R
S L A V E
P C B
3 - 2 A
X Y 0 3
C N 3 4
X Y 0 5
C N 1
C N 2
I / F L
I / F R
M T S I / F
M T C I / F
H E A D I O
S A F E I O
C N P 1
C N P 2
C N 0 6 4
C N 4
X Y 0 4
Y - L I M I T
S E N S O R
Y + + L I N IT
S E N S O R
Y N E A R
S E N S O R
Y - L I M
X + + L I M
Y N E A R
X - L I M I T
S E N S O R
X + L I M I T
S E N S O R
X N E A R
S E N S O R
X - L I M
X N E A R
X + L I M X + L I M
C N 1 2 7
C N 1 5
P O W ER U NI T
C N 1 7
C N 2 6
C N 0 6 4
C N 2 0C N 1 3
C N 2 0 1
I O N I Z E R
I O N I Z E R
I O N P W R
C N 9 0 1
C N 3 3
C N 7
C N 9
C P U
B O A R D
C O M 2
4 - 4 A
O P E R A T I O N
P C B ( F )
C N 1 4
3 - 4 A
O P E R A T I O N
P C B ( R )
C N 1 4
3 - 4 B
X Y 0 8
X Y 0 1
X Y 0 2
I E E E 1 3 9 4 a
R E P E A T E R
C H 2
L N C 6 0
C N 2 45
C H 1
I E E E 1 3 9 4
B O A R D
C H 1
4 - 4 C
C P U
B O A R D
C O M 1
2 - 5 B
2 - 4 A
I P -X 7
P C B
A C 3
C N 4 7 8
C N 2
4 - 1 D
F M L A
1 - 3 B
H M S H E A D R C N 3 2
B / M F I B E R C N 1 4
B / M A M P
C D S F IB E R
C N 2 0
C D S A M P
E N 1
C N 8 1 3
S L I G H T
C T R L P C B
E N 2
E N 1
E T H E R
S L A V E
P C B
4 - 2 C
3 - 3 B
C N 1
O C C RC N 3 1
O C C L
C N 9
L I G H T - CC N 6
L I G H T - C
C N 1 0
L I G H T - A 1C N 7
L I G H T - A 1
C N 11
L I G H T - A 2C N 8
L I G H T - A 2
C N 2 7
C N 2 4
B R 1
C N 2 5
C N 2 6
C N 2 3
T E M P E R A T U R E
S E N S O R
P W B A S M
C N 1 2
C N 3 2
C N 1 6
C N 2 8
C N 1 0
XY 10
C N 1 9
N Z D W N 3
N Z D W N 1
N Z D W N 2
E S F
X Y E N 2
X Y E N 2
L E D F
L E D R
C O P L A L A
H M S
4 - 5 A
O N L Y 3 0 2 0 V 3 0 2 0 R V
O N L Y 3 0 2 0 V 3 0 2 0 R V
O C C
C A M E R A
O C C
C A M E R A
O C C C
L I G H T
P C B A S M
O C C C
L I G H T
P C B A S M
O C C A
L I G H T
P C B A S M
O C C A
L I G H T
P C B A S M
O C C A
L I G H T
P C B A S M
O C C A
L I G H T
P C B A S M
T 7 S L O W
D O W N
S E N S O R
Z 1
P R E S S U R E
S E N S O R
Z 2
P R E S S U R E
S E N S O R
Z 3
P R E S S U R E
S E N S O R
Z 4
P R E S S U R E
S E N S O R
Z 5
P R E S S U R E
S E N S O R
Z 6
P R E S S U R E
S E N S O R
Z 7
P R E S S U R E
S E N S O R
Z 1 V A C S V Z 1 B L W S V
Z 2 V A C S V Z 2 B LW S V
Z 3 V A C S V Z 3 B LW S V
Z 4 V A C S V Z 4 B LW S V
Z 5 V A C S V Z 5 B LW S V
Z 6 V A C S V Z 6 B LW S V
Z 7 V A C S V Z 7 B LW S V
F A N
N O Z Z L E
D O W N
S E N S O R R
N O Z Z L E
D O W N
S E N S O R L
N O Z Z L E
D O W N
S E N S O R I C
N O Z Z L E
U P
S V A S M
C O P L A
L A S E R K E Y
P I L O T L A M P
P I L O T L A M P
C N 6 1
C N 6 2
M O T O R
S W I C H
F U L X R L YF U L X R L Y 2
R T F U L X
1 1 2
1 1 1
1 1 0
1 1 3
1 1 4
F U L X P W R
F U L X R L Y 1
R T F L U X o p t i o n
R O T A R Y F L U X E R
M O T O R
S W I TC H
1 1 6
1 1 7
1 1 5
9 8
P U M P - I O
C N 6 8
1 3 2
1 0 9
C N 6 1
C N 6 2
F U L X R L Y 2
F U L X R L Y 1
S W I C H
M O T O R
R T F U L X
F U L X R L Y
F U L X P W R
M O T O R
S W I C H
1 3 3
1 3 51 3 4
9 9

- -
REF.NO NOT E PAR T N O D E S C R I P T I O N Qty
1 401-4964 7 E TH E R MA IN BOAR D 1
2 40 1-136 24 E TH ER C ABLE MAI N-XY AS M 1
3 40 1-136 25 E TH ER H EAD CA BLE A SM 1
4 40 1-136 27 E TH ER LI GHT C ABLE ASM 1
5
#04
40 1-136 21 X Y BEA R 5 P C ABLE S ASM 4
6 #05 40 1- 357 96 X Y BEA R C ABL ES AS M 1
7 40 0-475 57 E TH ER -S LAVE PC B ASM 4
8
#04
40 1-067 99 S -HEAD M AIN PCB ASM 1
9 #05 40 1- 302 59 S -H EAD M AIN P CB ASM 1
1 0
#04
40 1-136 96 H IGH T SEN SOR UN IT AS M 1
1 1 40 1-136 94 S ENS OR ( 1 )
1 2 40 1-136 97 HIGH T SEN SOR RE LAY CA B LE AS M ( 1 )
1 3 H D-00 131 00- 30 F IB ER UN IT 1
1 4 40 0-479 81 B AD MAR K FIBE R A MP A SM 1
1 5 H D-00 260 00- 10 S ENS OR 1
1 6 40 0-454 84 NO Z Z LE S ENS OR A MP A SM 1
1 7 40 0-298 24 TEM PER A T URE S ENS OR P CB ASM 1
1 8 40 1-137 07 B ASE T EM P C AB L E ASM 1
1 9 40 1-137 08 HE AD FAN C ABLE ASM 1
2 0 40 1-137 09 HE AD FAN R ELAY CAB LE A SM 1
2 1 40 0-480 28 O CC C AMER A 1
2 2 40 0-924 66 O CC C AMER A L CA BLE AS M 1
2 3 40 0-475 12 O CC C LIGH T PC B ASM 1
2 4 40 1-099 77 O CC LIG H T C ABLE ASM 2
2 5 #01 40 1- 099 78 O CC LIGH T 30 10 C A BL E AS M 1
2 6 40 0-475 08 O CC A L IGHT P CB ASM 2
2 7 40 1-099 79 O CC OPAS S LIGH T C ABLE ASM 2
2 8 40 1-136 98 T7 SLOW DOW N SEN SOR ASM 1
2 9 40 1-099 76 HE AD I/ O CA BLE A SM 1
3 0 40 1-137 06 Z- THET A S IG N AL C ABL E ASM 1
3 1 40 0-445 35 4AX IS SERVO AM P 4
3 2 40 0-802 03 LNC 60 I/F C ABLE ASM 1
3 3 E9 345 -721- 0A0 CA BL E AS M. 1
3 4 40 0-032 64 FM LA S ENS OR 1
3 5 40 0-445 17 1394 RO B O T CA BLE A SM 1
3 6 40 0-445 18 IEEE1 394 REP EAT ER BO AR D 1
3 7 40 1-136 17 1394 RE LAY CAB LE AS M 1
3 8 #04 40 0- 480 03 I EEE1 394 BOAR D 1
3 9
#05
40 1-500 21 I EEE 1 394 BOAR D 1
4 0 40 1-099 72 S CM 3 PC B P WR CA BLE A SM 1
4 1 40 1-099 73 FM LA S ERI AL C ABL E ASM 1
4 2
#04
40 1-137 23 C PU BO A RD 2
4 3 #05 40 1- 354 32 CPU BOA RD 1
4 4 40 0-479 87 V ACU UM P RES SUR E S W A SM 1
4 5 40 0-976 26 IONIZ ER C AB L E ASM 1
4 6 40 0-937 24 IONIZ ER 1
4 7 40 0-481 68 A IR PRE SS U RE SW AS M 1
4 8 40 1-136 73 IONIZ ER PW R CAB LE AS M 1
4 9 40 1-099 62 P WR UN IT I/O CAB LE A SM 1
5 0 40 1-136 40 S AF ETY U 901 CA BLE ASM( E N ) 1
5 1 40 1-099 61 X Y-REL AY I/O CAB LE A SM 1
5 2 #03 40 1- 227 82 X Y -R EL AY I/O CAB LE A SM 1
5 3
#05
40 1-227 82 X Y-REL AY I/O CAB LE A SM 1
5 4 40 1-136 90 X Y-REL AY P W R REL A Y C A BLE ASM 1
5 5 40 0-999 03 P ILOT LA MP 2
5 6 40 0-999 02 K EY SW ITCH 1
5 7 40 0-999 06 P ILOT LA MP C ABL E F AS M 1
5 8 40 0-999 07 P ILOT LA MP C ABL E R ASM 1
5 9 #04 40 0- 999 04 K E Y SW IT CH C ABLE ASM 1
6 0
#05
40 1-137 14 K EY SW ITCH C ABLE ASM 1
6 1 40 1-137 05 NO Z Z LE U P S V RE LAY CAB LE AS M 1
6 2 40 1-137 03 NO Z Z LE D O W N C A BLE ASM 1
6 3 40 0-924 67 O CC C AMER A R C ABLE ASM 1
6 4 #04 40 0- 924 75 E J E CT O R R E LAY CAB LE A SM 1
6 5 40 0-480 28 O CC C AMER A 1
6 6 40 0-475 12 O CC C LIGH T PC B ASM 1
6 7 40 0-475 08 O CC A L IGHT P CB ASM 2
6 8 #04 40 1- 136 99 V A CU UM S V C AB LE ASM 302 0 1
6 9
#06
40 1-137 00 V ACU U M S V C AB LE ASM 301 0 1
7 0 #05 40 1- 357 93 V A CU UM CA BL E ASM (7 AXIS ) 1
7 1
#07
40 1-357 90 V ACU U M C A BL E ASM 1
7 2 40 1-099 54 X ORG RA NGE SEN SOR ASM 1
7 3 40 1-099 56 X PLU S S ENS OR R ELA Y C ABLE ASM 1
7 4
#04
40 1-136 23 Y BE AR C ABL ES ASM 1
7 5 #05 40 1- 357 97 Y BEAR C ABL ES AS M 1
7 6 40 0-475 60 FEE DER PC B A SM 1
7 7 40 0-716 80 B ASE I O PC B ASM 1
7 8 40 1-136 26 E TH ER C ABLE BASE FE EDE R A SM 1
7 9 40 0-926 10 E TH ER C ABL XY BAS E ASM 1
8 0 40 1-067 95 S -XY RE LAY P CB A SM 1
8 1 40 0-976 21 E TH ER C ABL XY BAS E R ELAY ASM 1
8 2 40 0-976 22 E TH ER C ABLE MAI N- XY R ELA Y ASM 1
8 3 40 1-100 49 M T C M TS I/F C ABL E ASM 1
8 4 40 1-100 50 M T C M TS I/F B R C ABL E ASM 2
8 5 40 1-136 88 X Y M TC M TS CAB LE A SM 1
8 6 40 1-136 91 X Y-REL AY H OD 232 C RELA Y C ABLE ASM 1
8 7 40 1-099 64 X Y-REL AY H OD 232 C CABL E ASM 1
8 8 40 0-976 19 X Y-REL AY OPE RAT ION R ELAY CA BLE A SM 1
8 9 40 1-100 68 O PER A TI ON R LY CA BLE F A SM 1
9 0 40 0-924 08 O PER A TI ON P CB FR ON T1 0 AS M 1
9 1 #02 40 0- 924 82 O PER ATION P CB FR ON T1 0 AS M(EN ) 1
9 2 40 0-924 81 O PER A TI ON P CB RE A R10 AS M 1
9 3 #02 40 0- 924 83 O PER ATION P CB REA R1 0 ASM ( EN) 1
9 4 40 0-976 20 X Y -R EL AY OPE RAT ION R ELAY CA BLE A SM 1
9 5 40 1-100 69 O PE R ATI ON R LY CA BLE R A S M 1
9 6 40 1-136 89 X Y -R EL AY SE NSO R R ELAY CA BLE AS M 1
9 7 40 1-099 52 X Y -R EL AY SE NSO R C ABLE ASM 1
9 8 #05 40 1- 099 63 P UM P I/O CAB LE A SM 1
9 9
#05
40 1-227 86 R OTAR Y F LU XER C ABLE A SM 1
10 0 40 1- 099 58 Y NE AR SEN SO R ASM 1
10 1 40 0- 924 60 S CM 3 PC B 1
10 2 40 1- 136 22 X Y BEA R 1 P C ABLE S ASM 1
10 3 40 1- 099 75 O CC C AB LE ASM 1
10 4 40 0- 455 47 L NC 60 1
10 5 40 1- 137 04 NOZ Z LE U P S V ASM 1
10 6 40 1- 137 02 NOZ Z LE D OWN SE NS I C A SM 1
10 7 40 0- 924 95 NOZ Z LE D OWN SE NS L AS M 1
10 8 40 1- 137 01 NOZ Z LE D OWN SE NS R AS M 1
10 9 #05 40 1- 227 83 ROT A R Y F LU XER PWR C ABL E ASM 1
11 0
#03
40 1- 227 84 RO TAR Y FLU XER I/O C ABL E AS M 1
11 1
#03
40 1- 227 85 RO TAR Y FLU XER RLY CABL E ASM 1
11 2 #03 401- 227 83 ROT AR Y FLU XER PWR CABL E ASM 1
11 3
#03
40 1-227 87 R O T AR Y F LU XER MO T OR C ABLE ASM 1
11 4 #03 401- 227 86 ROT AR Y FLU XER C ABLE AS M 1
11 5
#03
40 1-227 89 R O T AR Y F LU XER SWI TC H ASM 1
11 6 #03 401- 227 88 ROT AR Y FLU XER MOT O R ASM 1
11 7
#03
HA-0005 900 -0 0 P OWER SW ITC H 1
11 8 #04 401- 145 31 P O W ER UNIT A SM 1
11 9 #05 401- 339 55 P O W ER SU PPL Y U NIT AS M 1
12 0
#08
40 1-339 58 P OWER SU PPL Y U NIT ( EN ) A SM 1
12 1 40 1- 086 07 S -LIG HT C TRL PC B A SM 1
12 2 40 0- 713 00 I PX7 ASM 1
12 3 40 1- 099 71 L A SE NSO R R E LA Y CA BLE AS M 1
12 4 40 0- 976 16 X Y-REL AY I/O REA LY C ABL E ASM 1
12 5 40 1- 099 60 X Y-REL AY PW R CABL E AS M 1
12 6 40 1- 099 74 HEAD M AIN PWR C A BL E A SM 1
12 7 40 1- 099 53 X MIN U L L MT SEN SOR ASM 1
12 8 40 1- 099 55 X PLU S L MT SEN SOR ASM 1
12 9 40 0- 479 54 E THER C ABLE FE EDE R LR-R F A SM 1
13 0 40 1- 099 57 Y - L MT SE NSOR AS M 1
13 1 40 1- 099 59 Y ++ LM T SE N SOR AS M 1
13 2 #05 40 1-227 84 R O T AR Y FLU XER I/O C A BL E AS M 1
13 3
#05
40 1-227 87 R O T AR Y FLU XER MOTO R C ABLE ASM 1
13 4
#05
40 1-227 88 R O T AR Y FLU XER MOTO R ASM 1
13 5 #05 40 1-227 89 R O TAR Y F LU XER S WI TCH ASM 1

- -
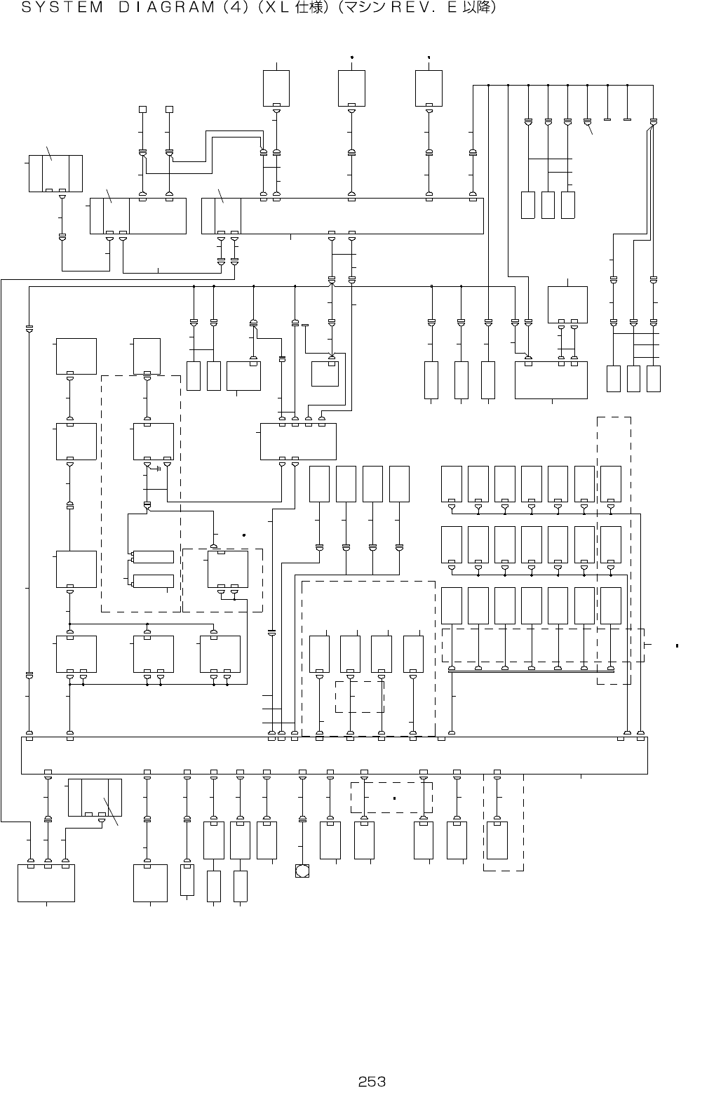
127.SYSTEM DIAGRAM(4)(TYPE XL)(AFTER M/C REV.E)
I P - X 7
P C B
B /M
F IB E R
C DS
F IB E R
E T H E R
M A I N P C B
N O Z Z L E U P
S V A S M
N O Z Z L E D O W N
S E N S O R I C
N O Z Z L E D O W N
S E N S O R L
N O Z Z L E D O W N
S E N S O R R
F A N
Z 7 B L W S VZ 7 V A C S V
Z 6 B L W S VZ 6 V A C S V
Z 5 B L W S VZ 5 V A C S V
Z 4 B L W S VZ 4 V A C S V
Z 3 B L W S VZ 3 V A C S V
Z 2 B L W S VZ 2 V A C S V
Z 1 B L W S VZ 1 V A C S V
Z 7
P R E S S U R E
S E N S O R
Z 6
P R E S S U R E
S E N S O R
Z 5
P R E S S U R E
S E N S O R
Z 4
P R E S S U R E
S E N S O R
Z 3
P R E S S U R E
S E N S O R
Z 2
P R E S S U R E
S E N S O R
Z 1
P R E S S U R E
S E N S O R
T 7 S L O W
D O W N
S E N S O R
O C C A L I G H T
P C B A S M
O C C A L I G H T
P C B A S M
O C C A L I G H T
P C B A S M
O C C A L I G H T
P C B A S M
O C C C L I G H T
P C B A S M
O C C C L I G H T
P C B A S M
O C C C A M E R A
O C C C A M E R A
C P U
B O A R D
C P U
B O A R D
P I L O T
L A M P
P I L O T
L A M P
C O P L A
L A S E R K E Y
O N L Y 3 0 2 0 V 3 0 2 0 V R
O N L Y 3 0 2 0 V R
O N L Y 3 0 2 0 V 3 0 2 0 R V
O N L Y 3 0 2 0 V 3 0 2 0 R V
O N L Y 3 0 2 0 V 3 0 2 0 R V
H M S
N Z D W N 2
N Z D W N 1
N Z D W N 3
T E M P E RA T U R E S E N S O R
P W B A S M
B R 1
L I G H T - A 2
L I G H T - A 2
L I G H T - A 1
L I G H T - A 1
L I G H T - C
L I G H T - C
O C C L
O C C R
C D S A M P
B / M A M P
H M S
H E A D R
1 - 3 D
4 - 5 A
C O P L A S E N S O R
H E A D
C N 0 9
C N 1 3
C O P L A L A
L E D R
L E D F
C N 1 2
S C A L E 0 1
S C A L E 0 2
M A G N E T I C
S C A L E P C B
X Y E N 2
X Y E N 2
E S F
C N 1 9
XY 1 0
C N 3 0
C N 2 8
C N 1 6
C N 3 2
C N 1 2
C N 2 3
C N 2 6
C N 2 5
C N 2 4
C N 2 7
C N 8
C N1 1
C N 7
C N 10
C N 6
C N 9
C N 3 1
C N 1
3 - 3 B
4 - 2 C
E T H E R
S L A V E
P C B
E N 1
E N 2
S L I G H T
C T R L P C B
C N 8 1 3
E N 1
C N 2 0
C N 1 4
C N 3 2
1 - 3 B
F M L A
4 - 1 D
C N 2
C N 4 7 8
A C 3
2 - 4 A
2 - 5 B
C O M 1
C H1
I E E E 1 3 9 4
B O A R D
C H 1
C N 2 4 5
L N C 6 0
C H 2
I E E E 1 3 9 4 a
R E P E A T E R
X Y 0 2
XY 0 1
X Y 0 8
3 - 4 B
C N 1 4
O P E R A T I O N
P C B ( R )
3 - 4 A
C N 1 4
O P E R A T I O N
P C B ( F )
4 - 4 A
C O M 2
C N 9
C N 7
C N 3 3
C N 9 0 1
I O N P W R
I O N I Z E R
I O N I Z E R
C N 2 0 1
C N 1 3
C N 2 0 C N 0 6 4
C N 2 6
C N 1 7
P O W E R
U N I T
C N 1 5
C N 1 2 7
C N1 3 1
C N 1 3 0
C N 1 3 2
C N 1 3 0
C N1 3 1
X N E A R
S E N S O R
X + L I M I T
S E N S O R
X - L I M I T
S E N S O R
C N 4 3 0
C N 4 3 1
C N 1 3 9
C N 1 4 3
C N 1 3 8
C N 1 3 7
X Y 0 4
C N 2
C N 0 6 4
C N P 2
C N P 1
S A F E I O
H E A D I O
M T C I / F
M T S I / F
I / F R
I / F L
C N 2
C N1
X Y 0 5
C N 3 4
X Y 0 3
3 - 2 A
E T H E R
S L A V E
P C B
E N 1
E N 2
F E E D E R
P C B
4 - 2 A
E T H E R
S L A V E
P C B
E N 1
E N 2
B A SE
I / O P C B
E T H E R
S L A V E
P C B
E N 1
E N 2
A I R P R E S S
M E T E R ( - )
A I R P R E S S
M E T E R ( + )
S A F T Y
U N I T
( E N )
1 - 3 A
C N 1 6
X Y - R E L A Y
P C B
J 8
C N 8 4 8
C O MJ 4
S C M 3
P C B
C N1
L N C 6 0
1 - 5 D
1 - 5 C
1 - 5 B
1 - 5 A
C N 4 D
C N 5C N 4 C
4 A X I S
S E R V O
A M P ( 4 )
C N 4 D
C N 5C N 4 B
4 A X I S
S E R V O
A M P ( 3 )
C N 4 D
C N 5C N 4 B
4 A X I S
S E R V O
A M P ( 2 )
C N 4 D
C N 1 9 C N 5C N 4 B
4 A X I S
S E R V O
A M P ( 1 )
H E A D
M A I N P C B
E N 1
E N 2
E N 3
2
1 9
3 4
1 0
5 1 1 1 3
1 2
1 4 1 6
1 5 1 7 1 9 2 1 2 3 2 5 2 6 2 8 2 9
2 0
1 8 2 42 2 2 7 2 7
5 9
5 7
5 5
5 3
5 2
4 9
8
6 0 6 1
3 0 3 2
3 4
3 1
3 3
3 5
3 3
4 7 4 8
4 1
3 6
4 2
4 3
6 2 6 3 6 4 6 5
5 0
5 4 5 6 5 8 5 8
4 0
3 7
3 9
4 4
4 6
3 8 4 5
6 7
6 8
7 0
7 1
7 2
7 7 7 8 8 0
8 2
7 4
7 3
7 5
8 3
8 4
8 7
8 8
8 7
9 8 9 9
6 9
7 97 67 6 8 1
8 5
1 0 5 1 0 9 1 1 1
1 1 21 1 01 0 6
1 0 3
1 0 2
1 0 1
1 1 6
1 1 5
9 79 7
9 6
9 3
9 2
9 1
9 4
1 0 0
7 7
7
1 0 4 1 0 7 1 0 8 1 1 3 1 1 4
1 1 8
6
6 6
9 5
5 1
7
Y - L I M I T
S E N S O R
Y + + L I N I T
S E N S O R
Y N E A R
S E N S O R
1 1 7
3 3 3 3
8 6
8 9
9 0
1 1 9
1 2 0