KE-3010_KE-3020V_KE-3020VR-Rev04.pdf - 第269页
- - REF.N O NOTE PART NO D E S C R I P T I O N Q ty 1 401-10063 LE F T SE NS A S M 1 2 401-10052 LE F T SE NS CA B LE AS M 1 3 400-92569 BU P IN S E NSOR EMISSIO N A SM 1 4 401-10053 BU P IN( E MISSIO N) CABL E ASM 1 5…

- -
130.SYSTEM DIAGRAM(7)(UNTIL M/C REV.D)
X S E R V O
A M P
M R - J 3 - 7 0 B - R J 0 2 4
C O P LA
S E N SO R
H E A D
C O P L A
M O N I T O R
S W I T C H
B O A R D
C O P L A
C P U B O A D
MO NI T O R ( F )
S S D
C P U
B O A R D
I E E E 1 3 9 4
B O A R D
MO NI T O R ( R )
A T X - P O W E R
S U P E R
I M P O S E
B O A R D
M O U S E
/ K E Y B O A R D
S E L E C T O R
M O U S E
K E Y
B O A R D
M O U S E
K E Y
B O A R D
V C S
C A M E RA
V C S
C A M E RA
L E N Z E
O P
L E N Z E
S T
V C S S . V .
C A B L E A S M
V C S S T
S E N S A S M
V C S O P
S E N S A S M
L O A D
C E L L A S M
L O A D
C E L L A M P
R I G H T S E N S O R
A W C O R G
S E N S O R
T . P I N S E N S O R
B U P I N S E N S O R
( R E C E I V I N G )
B U L O C K
S E N S O R
B U O R G
S E N S O R
C O U T S E N SO R
S T O P S E N SO R
W A I T S E N SO R
B U PI N S EN S O R
( E M IS S I O N)
L E F T S E N SO R
S M E M A
( U P P E R
U N I T )
S M E M A
( L O W E R
U N I T )
( B U _ L L O C K S V )
S H A P E Y S V
A W C MO T OR
5 P H A S E
D R I V E R
A W C M O T O R
B U U P E N C O D E R
B U U P M O T O R
5 P H A S E
D R I V E R
O U T M O T O R
C E N T M O T O R
I N M O T O R
OU T
MO T O R D R V
CE N T
MO T O R D R V
I N M O T OR D R V
S T O P P E R S V
F L U X E R 2
1 - 2 B
C N 8C O M
1 - 2 C
Y E N C
Y L S E R V O
A M P
M R - J 3 - 20 0 B - R J 0 24
2 - 5 C
C N 1 3
S - X Y
R E L A Y
P C B
X E N CI P - X 7 E N C
C N 9
C N 6
S S I D E
L I G H T P C B
C N 6 C N 1
S
S I D E
L I G H T P C B
C N 6 C N 1
C N 7
C N 6 0
C N 8
1- 3 D
C V S
C O N T A C T ( - )
C V S
C O N T A C T ( + )
C N 3
C N 1
C N 2
C N 2 8
C V S
P C B
C O M C
L A N 2 L A N
L A N 1L A N
D V I 1
C N 2
C N 3
C N 1
3 - 5 B
2 - 4 B
1 - 2 D
2 - 5 B
R S 2 3 2 C
D C 1 2 V
V I D E O
R S 2 3 2 C
C N 8
C N 1 0
H O S T
H D D
U S B
U S B
D V I 1
K B
M O U S E
C O M
C O M D
C O M B
C O M A
R S 2
N T S C 1
C O N S O L S WR S P C
D C I N
V I D E O
D C 1 2 V
C N 5
L C D B
L C D A
R S 1
H O S T
M S 2
K B 2
M S 1
K B 1K B / M S P C
C N 3 6
V O U T
A C 2
A C 1
2 - 1 B
IP -X7
PC B
C O A X IA L
L I G H T P C B
2 - 1 A
S S I D E
L I G H T P C B
B A C K
L I G H T P C B
S L I G H T
C T R L P C B
S B O T T O M
L I G HT P C B
C N 4C N 1
C N 6 C N 1
C N 1C N 9
C N 4 7 6
C N 4 7 4
C N 4 7 5
C N 1C N 2 C N 6C N 1 0
C N 1
C N 8
C N 5
C N 1 5
F L U X E R
U N I T A S M
( B A N K )
B A N K
4 P
2 P
F L U X E R
U N I T A S M
( B A S E )
F L U X E R 1
F L U X S V
E V
C N 8
C N 2 1
S B 2
C N 1 0
C N 9
C N 2 3
C N 2 2
S B 1
C N 4
C N 3
C N 9 0 9
( S A F T Y U N I T )
C N 13
C N 2 5
C N 2 7
C N 12
C N 1 6
A W C M
CN 1 1
A W C E
B U E
B U M
C N 1 2
C N 14
C N 1 4
C N 17
C N 18
C N 1 7
C N 15
C N 1 4
C N 3 3
C N 3 5
C N 3 4
O T M - P
O T M
C M - P
C M
I N M - P
I N M
C N 2C N 1
C N 2C N 1
C N 2C N 1
C N 16
C N 1 2
2 - 5 B
B A S E I / O
P C B
3 - 3 B
P O W E R
U N I T
1 3 5 7 9
2 4 6 8 1 0
1 1
1 2
1 3
1 4
1 5
1 6
1 7
1 8
1 9
2 0
2 1
2 2
2 4
2 3
3 3
3 4 3 5 3 5 3 5
3 7
3 8
3 9
4 0
4 3
4 6
2 6
2 5
3 2
4 8
4 9 5 0
5 1
2 8
2 9
2 7
3 13 13 13 0
4 1 4 2
4 4 4 5
4 7
1 0 9
1 1 0
1 0 8
1 0 7
1 0 6
1 0 5
1 0 4
1 0 3
1 0 2
1 0 0
9 99 5
9 6
9 7
9 8
9 49 38 9
9 1 9 2
6 4
8 1 8 2
6 5 6 6
6 4 7 6
7 7
6 7 6 8
5 3
5 2 5 4
5 5
5 6
5 6
8 08 07 87 3
8 3 8 4
8 5 8 6
8 7 8 8
6 7 6 8
9 0
7 9
7 7
5 9 5 9 5 9
6 3
5 8 6 1
6 26 05 7
6 9 7 0
7 1 7 2
7 4 7 5
1 3 11 3 1
1 3 01 3 0
1 5 0
1 4 9
1 1 2
1 1 3
1 1 3
1 1 4 1 2 0
1 2 2
1 2 4 1 2 2
1 3 7
1 3 6
1 3 5
1 3 4
1 3 2
1 3 3
1 2 9
1 3 9
1 4 1
1 4 0
1 4 5
1 4 4
1 4 8
1 4 7
1 3 9
1 4 2
1 4 3
1 2 5
1 4 6
1 1 7 1 1 9 1 2 3
1 2 7
1 2 8
1 3 8
1 2 6
1 1 6
1 1 8
1 1 5 1 2 1
1 1 1
7 9
1 5 1
1 0 1
3 6
3 5
3 1
C N 1C N 6
S S I D E
L I G H T P C B

- -
REF.N O NOTE PART NO D E S C R I P T I O N Qty
1 401-10063 LEF T SENS ASM 1
2 401-10052 LEF T SENS CABLE ASM 1
3 400-92569 BU P IN SENSOR EMISSIO N ASM 1
4 401-10053 BU P IN( EMISSION) CABLE ASM 1
5 401-10064 WAIT SENSO R ASM 1
6 401-10054 WAIT SENS CABLE ASM 1
7 401-10065 ST OP SENSOR ASM 1
8 401-10055 ST OP SENS CABLE ASM 1
9 401-10066 C .OUT SEN SOR ASM 1
10 401-10056 C .OUT SEN S CABLE ASM 1
11 400-92573 BU O RG S ENS ASM 1
12 401-10057 BU O RG S ENS CABLE ASM 1
13 400-92574 BU LOCK SENS ASM 1
14 401-10058 BU LOCK SENS CABLE ASM 1
15 400-92575 BU P IN SENSOR RECEIVER ASM 1
16 401-10059 BU P IN( RECEVING) CABLE A SM 1
17 400-92576 T .PIN SEN S ASM 1
18 401-10060 T PIN SENS CABLE ASM 1
19 400-92577 AW C O RG SENS ASM 1
20 401-10061 AW C O RG SENS CAB LE ASM 1
21 401-10067 R IGHT SEN S ASM 1
22 401-10062 R IGHT SEN S CABLE ASM 1
23 400-02147 VCS O P SE NS ASM 1
24 401-09803 S VCS SENS CABLE ASM 1
25 400-02146 VCS ST SENS ASM 1
26 400-02148 VCS S.V. CA BLE ASM 1
27 401-08607 S- LIGHT CTRL PCB ASM 1
28 401-09801 S VCS LED P OWER CA BLE ASM 1
29 401-13632 LIGHT CON TROL POWER ASM 1
30 400-66577 BA CK LIGHT PCB A SM 1
31 401-08603 S- SIDE-LIGH T PCB ASM 4
32 401-08595 S- BO TTOM-LIGHT PCB ASM 1
33 401-09802 S VCS LIG HT CABLE ASM 1
34 401-09805 S BACK LIGH T CAB LE ASM 1
35 401-09804 S SIDE LIG HT CABLE ASM 4
36 400-66576 C OAX IAL LIGHT PC B ASM 1
37 400-71300 IPX7 A SM 1
38 401-09806 C AMERA T RIG CABLE ASM 1
39 E9623-721- 000 PORTR AIT MONITOR CABLE 1
40 401-13633 VCS CAMERA ST CABLE ASM 1
41 400-71669 VCS CAMERA 1
42 400-71668 LENZE STD 1
43 401-13634 VCS CAMERA OP CAB LE ASM 1
44 400-71669 VCS CAMERA 1
45 400-71667 LENZE OPT 1
46 401-09797 X ENCO DER O UTPUT CABLE ASM 1
47 400-44538 SE RVO AMP 750W 1
48 401-10051 SB CABLE ASM 1
49 400-92634 BA SE-IO SPWR-LR RLY CABLE AS 1
50 400-92631 BA SE-IO SENS RLY CA BLE ASM 1
51 400-71680 BA SE IO PCB ASM 1
52 400-92630 BA SE-IO POWER RLY CABLE ASM 1
53 401-10018 BA SE-IO PWR CABLE ASM 1
54 400-92628 BA SE-IO MTR1-3 R LY CABLE ASM 1
55 401-10029 MT 1-3 PULSE CABLE ASM 1
56 HM- 0013200-00 MOTO R DR IVER 3
57 401-10026 IN -MOTOR CABLE ASM 1
58 401-10023 IN MOTOR PWR CABLE ASM 1
59 400-48074 C EN TER MO TOR AS M 3
60 401-10027 C EN T-MOTOR CABLE ASM 1
61 401-10024 C EN T MOTO R PWR C ABLE A SM 1
62 401-10028 OUT -MOTOR CABLE ASM 1
63 401-10025 OUT MOTOR PWR CABLE ASM 1
64 400-92629 BA SE-IO MTR4-5 R LY CABLE ASM 2
65 401-10030 BU D RIVE C ABLE ASM 1
66
#0
1
401-10031 BU D RIVE C ABLE ASM(EN) 1
67 HX-0042000- 00 5 PHASE STEP D RIVER 2
68 #01 HX-0054500- 00 5 PHASE STEP D RIVER 2
69 401-10019 BU D RV PWR CABLE ASM 1
70
#01
401-10020 BU D RV PWR CABLE ASM(EN) 1
71 401-10032 BU MOTOR CABLE ASM 1
72 #01 401-10033 BU MO TOR CAB LE ASM(EN ) 1
73 400-48076 BA CK UP MO TOR ASM 1
74 401-10034 BU D RV FG CABLE ASM 1
75 #01 401-10035 BU D RV FG CABLE ASM(EN) 1
76 400-92626 BA SE-IO ENC RLY CABLE ASM 1
77 401-10036 BU E NC CABLE ASM 1
78 E9 433-729-0A0 BU ENC ASM. 1
79 401-10043 AW C ENC C ABLE ASM 1
80 400-48077 AW C MOTOR ASM 2
81 401-10037 AW C DR IVE CABLE ASM 1
82
#01
401-10038 AW C DR IVE CABLE ASM(EN) 1
83 401-10021 AW C DR V PWR CAB LE ASM 1
84 #01 401-10022 AWC DR V PWR CA BLE ASM(EN) 1
85 401-10039 AW C MOTOR CABLE ASM 1
86
#01
401-10040 AW C MO TOR CABLE ASM(EN) 1
87 401-10041 AW C DR V FG CABLE ASM 1
88 #01 401-10042 AWC DR V FG CAB LE ASM(EN) 1
89 400-92633 BA SE-IO SOL RLY CABLE ASM 1
90 401-10044 SV CABLE ASM 1
91 401-10045 SV WIRE ASM 1
92 #01 401-10046 SV WIRE ASM (EN ) 1
93 401-10047 SMEMA IN CABLE ASM 1
94 401-10048 SMEMA OU T CABLE AS M 1
95 400-92632 BA SE-IO SENS-FX RLY CABLE AS 1
96 401-13660 F LUXER RELAY CABLE ASM 1
97 400-99908 F LUXER BASE RELAY C ABLE ASM 1
98 400-99909 F LUXER BANK RELAY CABLE ASM 1
99 400-92624 BA SE-IO AN-IN RLY CABLE ASM 1
100 401-13658 LO A D CELL ANA ROG CABLE ASM 1
101 400-32128 LO A D CELL AMPLIFIER 1
102 401-13659 LO A D CELL CTR L CABLE A SM 1
103 400-31620 LO A D CELL ASM 1
104 401-13657 LO A D CELL AMP PWR CAB LE ASM 1
105 401-09801 S VCS LED POWER CAB LE ASM 1
106 401-13632 LIG HT CON TROL POWER ASM 1
107 401-13671 C VS POWER CABLE ASM 1
108 400-95117 C VS PCB ASM 1
109 401-01188 C VS PROBE CABLE ASM 1
110 401-03180 C VS CO NT ACT CABLE( +) ASM 1
111 401-14531 POWER UNIT ASM 1
112 401-13723 C PU BOARD 1
113 400-44522 U SB RELAY CABLE 2
114 400-45441 SSD I/F CABLE ASM 1
115 401-13004 ENVIRO NMENT SYSTEM DISK 132V 1
116 401-06795 S- XY RELAY PCB ASM 1
117 400-97424 C OPLA POWER CABLE ASM 1
118 400-44539 SERVO AMP 2000W 1
119 401-13695 C OPLANARITY ENCODER CABLE ASM 1
120 HW-0018100- 80 LAN C ABLE 1
121 400-97209 C PU BOARD 1
122 400-48031 PANEL LINK CAB LE 1M 2
123 401-02830 LA N C ABLE(CAT6) 1
124 401-02814 MO NIT OR SWITCH COM C ABLE A SM 1
125 400-48082 SUPER INPA USE BOARD 1
126 401-13615 MOUS E/KEYBOARD SE LECT OR CABLE ASM 1
127 400-97434 COPLA MONITOR SWIT CH BOARD 1
128 400-03312 PANEL LINK CAB LE 1
129 400-03281 MOUS E/KEYBOARD SE LECT OR 1
130 400-03318 KEY BOARD SP ASM 2
131 400-80173 OPTICAL SCROLL MOU SE 2
132 401-13628 F-MO USE CABLE ASM 1
133 401-13631 R-KEY BO ARD CABLE A SM 1
134 401-13630 F-KE Y BOARD CAB LE ASM 1
135 401-13629 R -MOUSE C ABLE ASM 1
136 401-10080 R -232C CABLE ASM 1
137 401-10079 F -232C C ABLE ASM 1
138 400-02264 O P-232C C ABLE ASM 1
139 400-48083 15IN CH LCD MODULE 2
140 400-48032 PANEL LINK CAB LE 4.5M 1
141 401-10076 F LCD POWER CABLE ASM 1
142 400-48006 AT X PSU 1
143 401-10078 IN PAUSE BOARD PWR CABLE ASM 1
144 401-10077 R LCD POWER CABLE ASM 1
145 400-48030 U PS 232C C ABLE ASM 1
146 400-97422 C OPLANARITY SENSOR 1
147 400-48032 PANEL LINK CAB LE 4.5M 1
148 401-10081 T OU CH PANEL 232C CABLE ASM 1
149 401-13672 C VS CO MM CABLE ASM 1
150 400-48003 IEEE 1394 BOARD 1
151 401-05380 C VS CO NT ACT CABLE( -) ASM 1

- -
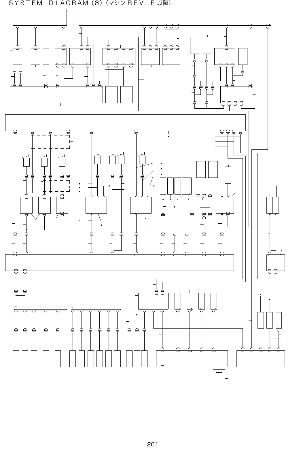
131.SYSTEM DIAGRAM(8)(AFTER M/C REV.E)
3 6
1 0 1
1 5 1
1 1 1 1 1 2
1 2 11 1 5
1 1 8
1 1 6
1 2 7
1 2 3
1 1 91 1 7
1 4 6
1 2 9
1 3 3
1 3 2
1 3 4
1 3 5
1 2 2
1 2 01 1 4
1 1 3
1 1 3
1 5 3
6 9 7 0
7 1 7 2
7 4 7 5
5 7
6 0
5 95 95 9
7 7
7 9
9 0
6 7 6 8
8 7 8 8
8 5 8 6
8 3 8 4
7 3 7 8 8 0 8 0
5 6
5 6
5 5
5 45 2
5 3
6 7 6 8
7 66 4
6 5 6 6
8 1 8 2
6 4
9 1 9 2
8 9 9 3 9 4
9 8
9 7
9 6
9 5 9 9
1 0 0
1 0 2
1 0 3
1 0 4
1 0 5
1 0 6
1 0 7
1 0 8
1 1 0
1 0 9
4 7
4 1 4 5
4 1 4 2
3 0 3 1 3 1 3 1
2 7
2 9
2 8
5 1
5 04 9
4 8
3 2
2 5
2 6
4 6
4 3
4 0
3 9
3 8
3 7
3 53 53 53 4
3 3
2 3
2 4
2 2
1
2 0
1 9
1 8
1 7
1 6
1 5
1 4
1 3
1 2
1 1
1 08642
17131
3 - 3 B
B A S E I / O P C B 2 / 2
2 - 5 B
C N 1 2
C N 1 6
CN 1 C N 2
CN 1 C N 2
CN 1 C N 2
IN M
I N M -P
C M
C M - P
O T M
O T M - P
C N 3 4
C N 3 5
C N 3 3
C N 1 4
C N 1 5
C N 1 7
C N 1 8
C N 1 7
C N 1 4
C N 1 4
C N 1 2
B U M
B U E
A W C E
C N1 1
A W C M
C N 1 6
C N 1 2
C N 2 7
C N 2 5
C N 1 3
( S A F T Y U N I T )
C N 9 0 9
C N 3
C N 4
SB 1
C N 2 2
C N 2 3
C N 9
C N 1 0
S B 2
C N 2 1
C N 8
E V
F L U X S V
F L U X E R 1
F L U X E R
U N I T A S M
( B A S E )
2 P
4 P
B A N K
F L U X E R
U N I T A S M
( B A N K )
C N 1 5
C N 5
C N 8
CN 1
C N 1 0 C N 6C N 2 C N 1
C N 4 7 5
C N 4 7 4
C N 4 7 6
C N 9 C N 1
C N 1C N 6
C N1 C N 4
S B O T T O M
L I G H T P C B
S L I G H T
C T R L P C B
2 / 2
B A C K
L I G H T P C B
S S I D E
L I G H T P C B
2 - 1 A
C O A X I A L
L I G H T P C B
I P - X 7
P C B 2/2
2 - 1 B
A C 1
A C 2
V O U T
C N 3 6
K B / M S P C
K B 1
M S 1
K B 2
M S 2
R S 1
R S 2
D V I 1
U S B
U S B
H D D
3 - 5 B
C N 1
C N 3
C N 2
D V I 1
L A N L A N 1
L A NL A N 2
C V S P C B
C N 2 8
C N 2
C N 1
C N 3
C V S
C O N T A C T ( + )
C V S
C O N T A C T ( - )
1 - 3 D
C N 8
C N 6 0
C N 7
C N 1C N 6
S S I D E
L I G H T P C B
C N 1C N 6
S S I D E
L I G H T P C B
C N 6
C N 9
I P - X 7 E N C X E N C
S - X Y R E L A Y
P C B 3 / 3
C N 1 3
2 - 5 C
Y L S E R V O A M P
M R - J 4 - 2 0 0 B - K M 0 1 2
2 / 2
Y E N C
1 - 2 C
C N 8
1 - 2 B
F L U X E R 2
S T O P P E R S V
I N MO T O R D R V
C E N T
M O T O R DR V
O U T
M O T O R DR V
I N M O T O R
C E N T MO T O R
O U T MO T O R
5 P H AS E
D R I VE R
B U U P M O T O R
B U U P E N C O D E R
A W C M O T O R
5 P HA S E
D R IV E R
A W C M O T O R
S H A P E Y S V
( B U _ L L O C K S V )
S M E MA
( U P PE R
U N I T)
S M E M A
( L O W E R
U N I T )
L E F T S E N S O R
BU P I N SE N S O R
(E M I S S I ON )
W A I T S E N S O R
S T O P S E N S O R
C O U T S E N S O R
B U O R G
S E N S O R
B U L O C K
S E N S O R
B U P I N S E N S O R
( R E C E I V I N G )
T . P I N S E N S O R
A W C O R G
S E N S O R
R I G H T S E N S O R
L O A D
C E L L A M P
L O A D
C E L L A S M
V C S O P
S E N S A S M
V C S S T
S E N S A S M
V C S S . V .
C A B L E A S M
L E N Z E
S T
L E N Z E
O P
V C S
C A M E R A
V C S
C A M E R A
M O U S E
/ K E Y B O A R D
S E L E C T O R
S S D
C O P L A
C P U BO A D
C O P LA
M O N IT O R
S W I TC H
B O A RD 2 / 2
C O P L A
S E N S O R
H E A D
X S E R V O
A M P
M R - J 4 - 70 B - K M 0 1 2
S M E M A
( U P P E R
U N I T )
5 8
K B
M O U S E
P S 2 KE Y B O A R D
S P A S M
P S 2 K E Y B O A R D
S P A S M
1 2 4
1 2 8
S U P E R
I M P O S E
B O A R D
D V I P C
M 1 ( O U T 1 2 V )
D V I 2
M 2 ( O U T 1 2 V )
D V I 1
I N P U T D C 1 2 V
R S P C 1
R S P C
R S 2
RS 1
R S 2 3 2 C
VI D E O
D C 1 2 V
R S 2 3 2 C
VI D E O
D C 1 2 V
M O N I T O R ( F )
M O N I T O R (R )
6 3 6 3
1 2 6
1 2 2
1 3 7
1 4 0
C N 70 1
CN 7 0 2C N 7 0 3SI O 7
A T X - 9
C N 7 1 3
A T X - 9
C N 7 1 1
S I O 8
C O D E RE A D E R
( H E A D )
C O D E R E A D E R
( C O N V E Y O R )
8 - P O R T C O M B O AR D
A T X - P O W E R 2 / 2
1 - 2 D
C O M
C N 6
B R
B A R C O D E R E A D E R
C N 9
C N 5
C P U B O A D 3 / 3
PO W E R U N I T 5 / 5
S I O 3
S I O 4
S I O 5
S I O 7/ 8
S I O 2
S I O 1
S I O 6
5
1 3 6
1 4 0
1 3 0
1 4 1 1 4 1
1 3 9
1 3 8
1 3 1
1 4 3
1 4 4
2 1
1 4 2 1 5 2
1 4 8
9
1 4 5
1 5 0
1 4 7
N T S C 1
1 2 5
6 2 6 2
6 14 4
1 4 9
2 - 5 B