KE-3010_KE-3020V_KE-3020VR-Rev04.pdf - 第275页
- - RE F .NO N O TE PART NO D E S C R I P T I O N Q t y 1 401-22 793 2D RE ADE R H AS M 1 2 401-22 795 2D RE ADE R H RE LAY C A BLE ASM 1 3 401-22 796 2D RE ADE R H CA B LE AS M 1 4 401-22 798 2D RE ADE R I/F H CAB L E…

- -
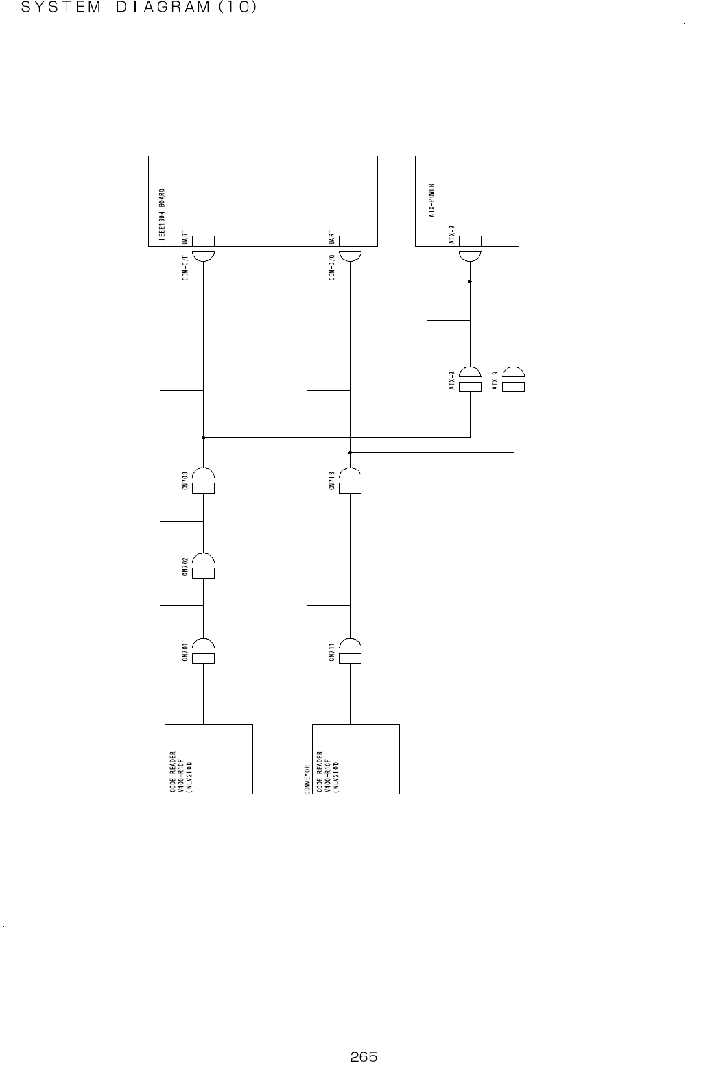
133.SYSTEM DIAGRAM(10)
5
4
3
2
1 6
7
8
9
1 0
H E A D

- -
REF.NO NOTE PART NO D E S C R I P T I O N Qty
1 401-22793 2D READER H ASM 1
2 401-22795 2D READER H RELAY CABLE ASM 1
3 401-22796 2D READER H CABLE ASM 1
4 401-22798 2D READER I/F H CABLE ASM 1
5 400-48003 IEEE1394 BOARD 1
6 401-22794 2D READER C ASM 1
7 401-22797 2D READER C CABLE ASM 1
8 401-22799 2D READER I/F C CABLE ASM 1
9 401-22800 DC POWER CABLE ASM 1
10 400-48006 ATX PSU 1

- -
134.SYSTEM DIAGRAM(11)
1 1 1
2
7
1 0
1 4
1 4
1 2
8
1 8
1 7
2 0
7
3 4 5 6
9
1 1
1 3
1 6
1 9
1 5