EJM8ACIM1 - 第21页
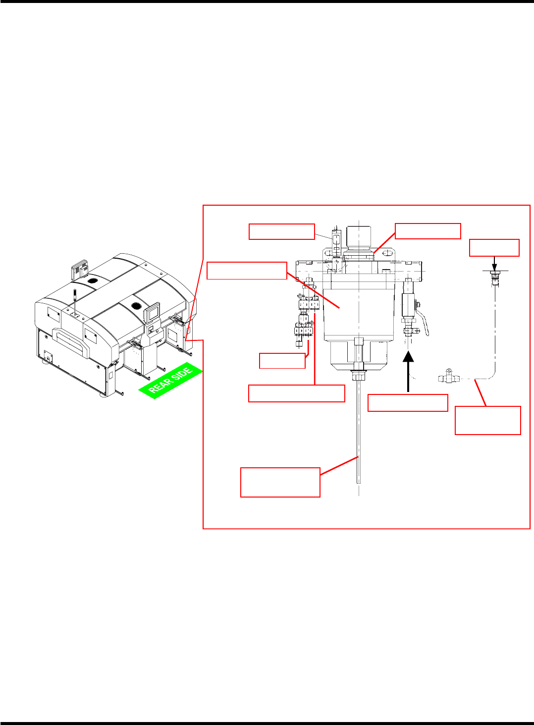
CM602-L 安装手册 1.2 Pa ge 1-21 1.2.6 空气源的连接 1. 在图的 A 部供给压缩空气。 2. 供给使用了空气干 燥器的洁净空气。 ∗ 气压 : 0.49 MPa ~ 0.78 M Pa ( 连接软管的供给口尺寸为 3/8) 空气供给之后用调节器 把气压调至 0.49 MP a ~ 0.54 M Pa 。 ∗ 空气供给量 : 170 L/m in ( 使用散装供料器时,每根 散装供料器另需 …

CM602-L
安装手册
1.2
设置步骤
Page 1-20
B
类型
(7
极类型
)
∗
B
类型的主电源端子时,请不要连接到
N
端子
上。
EJM8A-C-IMB01-A01-00
E64C-803E
4X3C-806E
主电源端子
EJM4A-AA

CM602-L
安装手册
1.2
Page 1-21
1.2.6
空气源的连接
1.
在图的
A
部供给压缩空气。
2.
供给使用了空气干燥器的洁净空气。
∗
气压
: 0.49 MPa ~ 0.78 MPa
(
连接软管的供给口尺寸为
3/8)
空气供给之后用调节器把气压调至
0.49 MPa ~ 0.54 MPa
。
∗
空气供给量
: 170 L/min
(
使用散装供料器时,每根散装供料器另需
8 L/min
。
)
EJM8A-C-IMB01-A01-00
EJM4A-AB01
3T3C-PS020
A
调节器
排水口
(
内侧直径
20 mm)
空气软管
(5 m)
到各设备
初级空气供给侧
供给清净空气
初级空气
压力开关
过滤器 (内侧)

CM602-L
安装手册
1.2
设置步骤
Page 1-22
1.2.7
确认电源、空气源的连接
配线、连接作业完了后,请按照如下顺序确认连接是否正确。
1.
请确认供给电压与贴在本机上的供给电压显示标牌的电压相一致。
1.
打开本机前面侧右下部的盖。
•
此盖用螺栓固定
1
处。
2.
卸下本机前面侧右侧面的盖。
•
此盖用螺栓固定
4
处。
3.
如左图所示,确认供给电源
(3
处
)
的电压
与贴在本机上的供给电压显示标牌的电压
相一致。
•
关于初级侧的电源电压的条件,请参照
“1.1.4
电源、空气源
A)
电源
第
2
项
”
。
EJM8A-C-IMB01-A01-00
E53C-802E
主电源端子
L3
L1L2
L1
L3
L2
PE
E53C-803E
主电源端子
E53C-804E
主电源端子
EJM4A-AA
右下盖