高速轴向元件插件机 - 第71页
AV131 维修手册 4. 控制系 统 D79MCC-14- 000-A0 4-2 D79MC C-14- 0 00- A0 4. 控制系统 本章用图解对控 制系统进行说 明。

AV131
维修手册
4. 控制系统
D79MCC-14-000-A0
4-1
4. 控制系统

AV131
维修手册
4. 控制系统
D79MCC-14-000-A0
4-2
D79MCC-14-000-A0
4. 控制系统
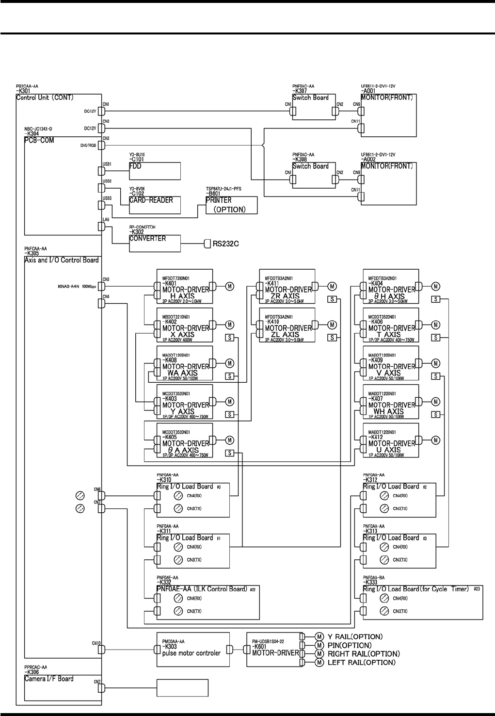
本章用图解对控制系统进行说明。

AV131
维修手册
4.1 控制系统配置
D79MCC-14-020-B0
4.1-1
4.1. 控制系统配置
D79MCC-14-020-B0
4.1.1 控制系统框图
孔位置照相机
环状 I/O 的发送
环状 I/O 的接收