HS50 circuit diagram - 第105页
2 Circuit Diagr ams 105 I 0033618 1-030 103TD3 D istributo r , sector 2 SMD Placement System SIPL ACE HS50 Distrib utor, se ctor 2 Font size 2 .5 mm, mater ial Scotchal 3698-E (color A1 RAL 9006) BBBB = Date (year/mon th…

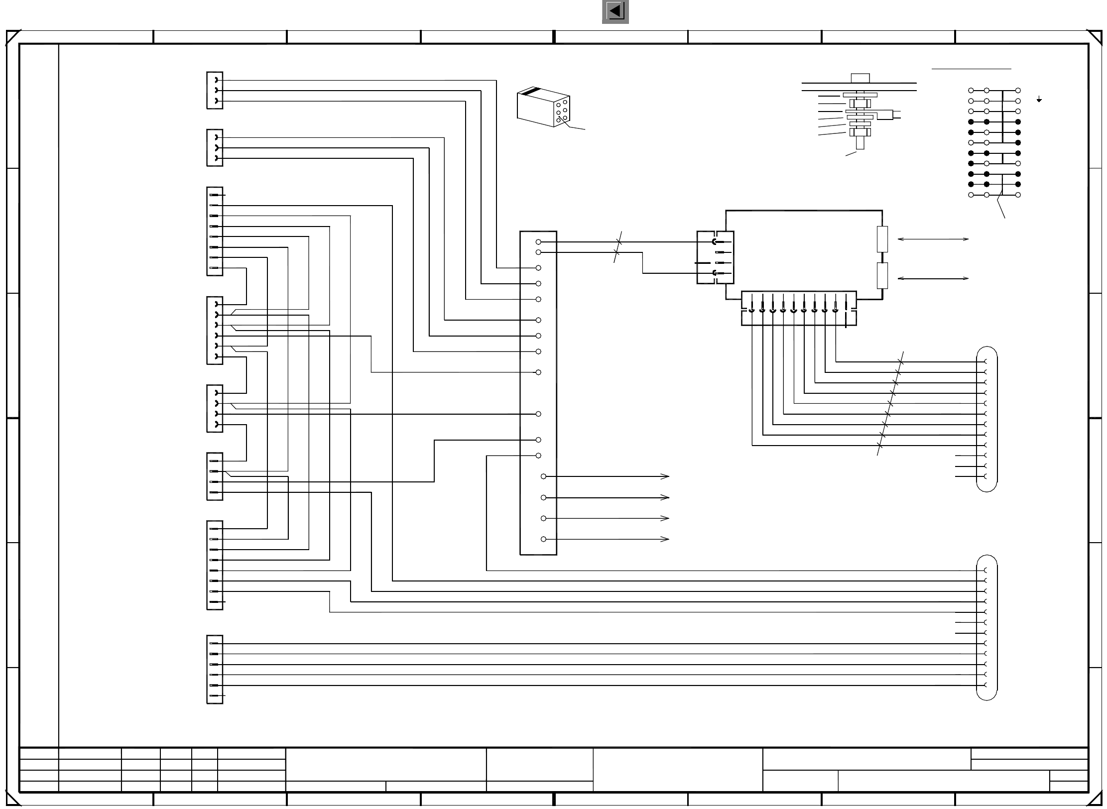
2 Circuit Diagrams 104
I
00336181-030201LD3 Distributor, sector 2
3 6
A
B3
B4
B5
B6
B8
CANL
ab
87
A1 CAN-bus coupler
00332557 (bg)
B10
B11
B12
B2
E
B
56
3
2
key
+5V
X3bg and X4bg
A2
A1
A9
A6
A4
A8
A3
A5
A12
A11
A10
A7
X1bf
87
500kbps
CAN bus
CANH
Ground connection :
0.56mm² / bk
0.56mm² / bk
M5 hexagon nut, DIN 439
Distributor sheet
Locking clip plug:
c
PE
GND
B7
F
5
B
D
C
GND
+5V
+24V
Jumper
PE
PE
1P34V
GND
A module
P8V
N8V/34V
X2bg
X3bg
CAN bus
500kbps
CAN_INT
CAN_RESET
Function stat.
01.
03.
Tek
Tek
Tek
1
M5 hexagon nut, DIN 439
Contact washer
00336787gnye
To machine frame
00336788gnye
To distributor sheet
00336789gnye
To cover
Annular cable lug
8 / 9
2
2
5
4
7
02.
25.03.99
1
00336181-030201LD3
Distributor, sector 2
Hoffmann
11.12.1997
13.01.00
13.01.00
Document stat.
Product stat.
6
3
3
1
4
2
6
3
4
5
3
8 / 9
2
1
3
2
1
4
5
3
1
7a
PE
PE
PE
3c
7c
1
7
6
2
4
2
1
1
5
4
3
2
1
PE
that the numerical sequence of a locking clip plug
Please note that ...
must be as viewed from the rear side of the casing.
Cable
3
3
6
GROUND
6a
1
2
2
3
PL EA1 E2
8
8
9
910
1
2
3
4
7b
5
56
6
7
7
1a
2c
4c
6c
2a
4a
14
4
1
4
4b
Spare
S_CompEnd
S_hood
S_StartButton
S_Emerg.StopButton
S_CompFlap
S_StopButton
L_End
L_Begin
S_hood
S_StartButton
S_StopButton
L_End
L_Begin
S_hood
L_End
L_Begin
S_CompFlap
L_End
S_StopButton
S_CompFlap
S_Emerg.StopButton
S_StartButton
S_hood
L_End
S_CompEnd
Spare
PCC21
PCC22
Spare
Address bit 0
GND_Address
Address bit 1
Spare
Spare
Spare
S_Begin
L_Begin
L_End
S_End
Spare
Spare
PCC21
PCC22
ModifiedStatus Stand.Date Name Orig. Replaced byRepl. f.
Author
Check.
Date
Sheet
Sh.
Bauteilangaben nur zur Information
Weitergabe sowie Vervielfaeltigung dieser Unterlage, Ver-
wertung und Mitteilung ihres Inhalts nicht gestattet, soweit
nicht ausdruecklich zugestanden. Alle Rechte vorbehalten, ins-
besondere fuer den Fall der Patenterteilung oder GM-Eintragung.
Comunicado como segredo empresarial. Reservados todos os direitos.
Confie a titre de secret d’entreprise. Tous droits reserves.
Proprietary data , company confidential . All rights reserved.
Confiado como secrete industrial. Nos reservamos todos los derechos.
1P34V
P8V
N8V/34V
GND
+5V
Voltages ring circuit
Sec2<>Sec3
Infeed
Socket 2, peripheral modules
StartStopOutputLeft
HoodPCBOutput
Safety ring circuit
Sec1<>Sec2
Safety ring circuit
Sec2<>Sec3
SMD Placement System SIPLACE HS50
00336790gnye
8
To Harting plug housing (from X1)
+24V
+24V
+24V
X25bf
CompFlap2
X7bf
2
B9
M5 washer, DIN 125
M5 split washer, DIN 7980
M5x16 fillister head screw, DIN 912
+24V
GND
+5V
+24V
X5bf
X2bf
X8bf
X4bf
X6bf
X3bf
Hood2
All control lines: 1.00mm² / black
Cable ties are used to form the cable harness !
Voltages ring circuit
Sec1<>Sec2
432
1 4
10
key
X3bg
X200 terminals overview
B1
X1bf
B module
C
1
X4bg
X4bg
F
E
D
1
2
3
4
5
6
7
+5V
GND
X1bg
A
=
SIEMENS AG
+
3
5
2
4
6
1

2 Circuit Diagrams 105
I
00336181-030103TD3 Distributor, sector 2
SMD Placement System SIPLACE HS50
Distributor, sector 2
Font size 2.5 mm, material Scotchal 3698-E (color A1 RAL 9006)
BBBB = Date (year/month/day) acc. to SN 01007
CCCC = Manufacturer/location of plant acc. to SN 37040
Identification: testing engineer, month, year
C: PE label (gn/ye)
B: Inspection label
AA = Numerals
The ’PE terminal block’ and the ( 1 2 3 ... ) terminals
will be connected with an additional yellow/green jumper.
and 2 grey 3-pole terminal blocks with 2 yellow/green jumpers.
’PE terminal block’ made of a yellow/green 3-pole terminal block
Document status
Product status
Function status
Assembly inscription acc. to VA-F-510-001
The following labels have to be applied:
A: Identification label
* Please note!
Ground hole
font size 4 mm
Plug inscription on edge,
Part 002
gn/ye
Bracket
Pin12
Pin12
Part 001
Module A
Module B
Pin1
Pin1
Pneumatic module
(Pins 1 and 3 are wired)
Status Modified Date Name
Author
Check.
Stand.
Date
Name
(Drawing number)
Main no.
Sheet
Sh.
CAN bus coupler for component table 2
Jumper configuration
10.04.00
03.
01.
Tek
Tek
Tek
10.04.00
21.04.99
21.04.99
Hoffmann14.01.1998
03.
1
A3
1
7
FSUAUSESFS

2 Circuit Diagrams 106
I
00336182-030102LD3 Distributor, sector 3
1
X300 terminals overview
CAN bus
X3cg
X2cg
F
B
500kbps
32
1
4
5
6
7
ab c
CAN bus
500kbps
+5V
B10
B11
B12
B2
00332557 (cg)
2
X4cg
Locking clip plug:
key
key
B module
X1cf
B1
B6
B8
CANH
CAN_INT
CANL
C
D
E
10
2
3
A1 CAN-bus coupler
X3cg and X4cg
3
2
8
78
A
X300
To cover
gnye
PE
GND
B7
B9
00336790
X1cg
X3cg
4
3
1
D
C
GND
B5
B4
B3
gnye
To distributor sheet
00336789
Ground connection :
Contact washer
M5 hexagon nut, DIN 439
Annular cable lug
M5 washer, DIN 125
5
B
gnye
To Harting plug housing (from X1)
E
+5V
+24V
Bridge
0.56mm² / bk
0.56mm² / bk
6
5
M5 split washer, DIN 7980
M5x16 fillister head screw, DIN 912
M5 hexagon nut, DIN 439
Distributor sheet
4
SMD Placement System SIPLACE HS50
GND
+5V
A
X4cg
X7cf
X3cf
Hood3
All control lines: 1.00mm² / black
Cable ties are used to form the cable harness !
+24V
X25cf
CompFlap3
CAN_RESET
F
67
PE
PE
8
00336787gnye
To machine frame
00336788
+24V
+24V
1P34V
P8V
N8V/34V
GND
+5V
+24V
GND
+5V
+24V
X5cf
X2cf
X8cf
X4cf
X6cf
GND
1P34V
P8V
N8V/34V
A module
X1cf
A7
A10
A11
A12
A5
A3
A8
A4
A6
A9
A1
A2
02.
Function stat.
Product stat.
Document stat.
24.03.99
08.09.99
11.12.1997
Hoffmann
Distributor, sector 3
00336182-030102LD3
1
24.03.99
Voltages ring circuit
Sec2<>Sec3
Voltages ring circuit
Sec3<>Sec4
Infeed
Socket 3, peripheral modules
StartStopOutputRight
Emerg.StopPCBOutput
Safety ring circuit
Sec2<>Sec3
Safety ring circuit
Sec3<>Sec4
Cable
1
Tek
Tek
Tek
03.
01.
9
910
1
2
3
4
1
4
that the numerical sequence of a locking clip plug
Please note that ...
must be as viewed from the rear side of the casing.
7b
7c
3c
PE
PE
PE
PE
7
8
8
GROUND
PL EA1 E2
7a
4
5
6
6
7
1
5
14
31
2
2
3
3
1
5
4
2
8 / 9
3
5
4
6
2a
4a
6a
7
1
2
3
1
2
3
6
3
6
4b
1a
2c
4c
6c
4
5
3
4
6
7
5
4
1
2
2
4
1
3
2
8 / 9
2
1
3
1
2
Spare
S_CompFlap
S_StopButton
L_End
S_Emerg.StopButton
S_StartButton
S_hood
S_CompEnd
L_Begin
S_StartButton
S_Emerg.StopButton
S_StopButton
L_End
L_Begin
S_hood
L_End
L_Begin
S_CompFlap
L_End
S_StopButton
S_CompFlap
S_Emerg.StopButton
S_StartButton
S_hood
L_End
S_CompEnd
Spare
PCC31
PCC32
Spare
Address bit 0
GND_Address
Address bit 1
Spare
Spare
Spare
S_Begin
L_Begin
L_End
S_End
Spare
Spare
PCC31
PCC32
ModifiedStatus Stand.Date Name Orig. Creat. byCreat. f.
Author
Check.
Date
Sheet
Sh.
3
5
2
4
6
1
=
SIEMENS AG
+