HS50 circuit diagram - 第89页
2 Circuit Diagr ams 89 I 0033614 5-030 201LD4 HS -50 cir cuit diagr am wi th opt ion lifting table (du al conve yor) (Sh . 5 of 6 ) 0033614 5-030 201LD4 HS -50 cir cuit diagr am wi th opt ion lifting table (du al conve y…

2 Circuit Diagrams 88
I
00336145-030201LD4 HS-50 circuit diagram with option lifting table (dual conveyor) (Sh. 3 of 6)
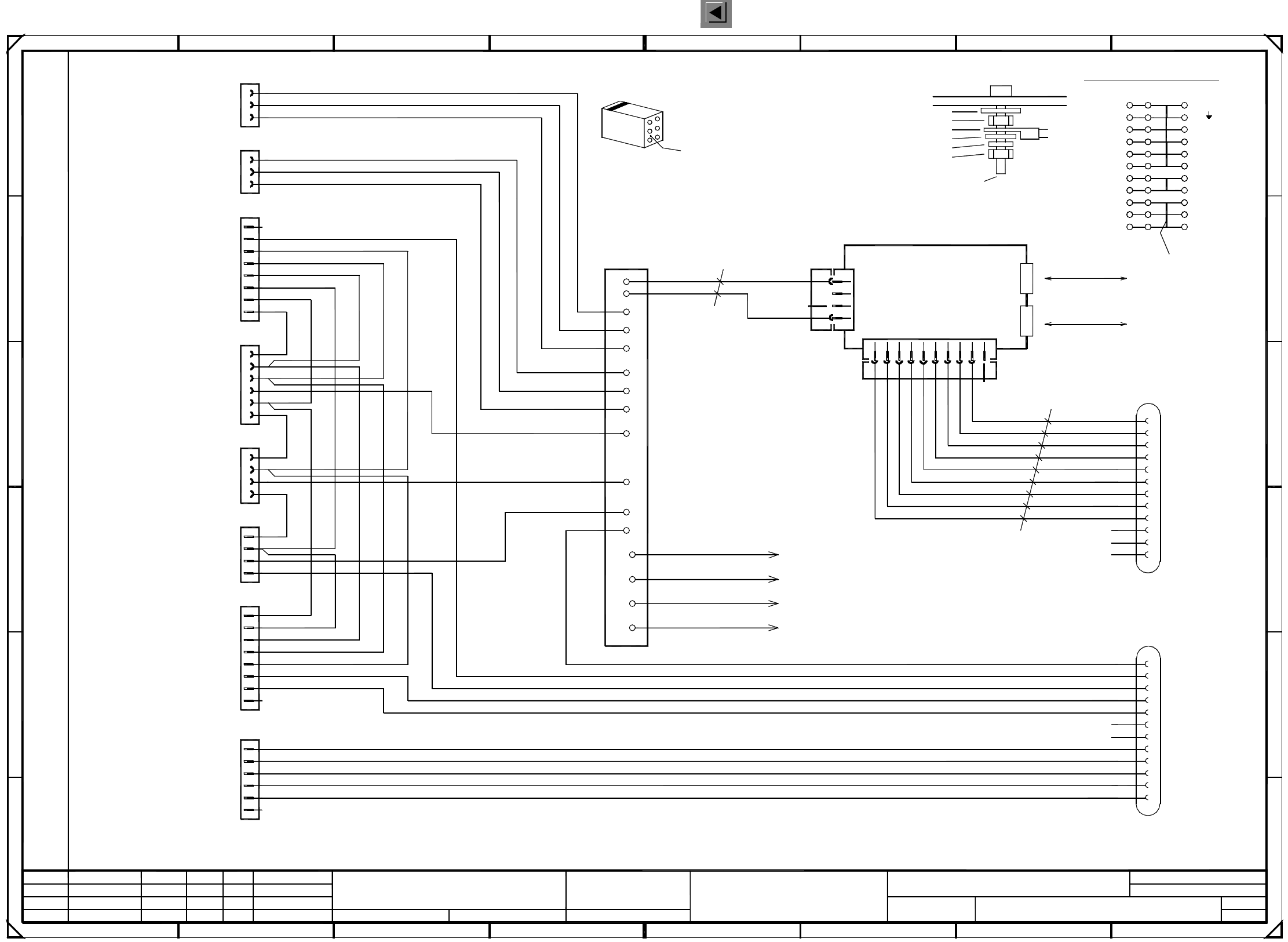
00336145-030201LD4 HS-50 circuit diagram with option lifting table (dual conveyor) (Sh. 4 of 6)
1234
D
C
B
A
E
Sheet 2B
SIEMENS
A&D CD TDV Bremen
TEF3
Willnecker
Cramer
00336145-030201LD4
Typ 4AV1301-4CT-1D
AutoCAD
3
6
with option lifting table (dual conveyor)
HS50 power supply
25.6.99
Technical aspects Untol. dimens. Scale: Weight:
Check.
Stand.
Date
Author
ModifiedStat. NameDate Replacement for Replaced by
Sheet
Sh.
53
52
51
ILS
6361 62 64 6765 66 68 71 72 73
Sheet 3
29.6.99
6
2
4
Technical aspects Untol. dimens. Scale: Weight:
Check.
Stand.
Date
Author
ModifiedStat. NameDate Replacement for Replaced by
Sheet
Sh.
Supply net
(Sheet 2)
(Sheet 5)
Monitor
(Sheet 5)
Lifting table1
(Sheet 5)
Lifting table2
(Sheet 5)
Lifting table3
(Sheet 5)
Lifting table4
(Sheet 5)
Ctrl_Lift1
(Sheet 5)
Ctrl_Lift2
(Sheet 5)
Ctrl_Lift3
(Sheet 5)
Ctrl_Lift4
(Sheet 5)
0 V
(Sheet 5)
0 V
(Sheet 5)
1
2
34
D
C
B
A
5
3
1
ELR2
E
SIEMENS
A&D CD TDV Bremen
TEF3
Willnecker
Cramer
00336145-030201LD4
Ty
p
4AV1301-4CT-1D
AutoCAD
4
6
w
i
t
h
option liftin
g
table (dual conve
y
or)
H
S
50 power suppl
y
Contactor relay blocks (NO)

2 Circuit Diagrams 89
I
00336145-030201LD4 HS-50 circuit diagram with option lifting table (dual conveyor) (Sh. 5 of 6)
00336145-030201LD4 HS-50 circuit diagram with option lifting table (dual conveyor) (Sh. 6 of 6)
1234
D
C
B
A
E
SIEMENS
A&D CD TDV Bremen
TEF3
Willnecker
Cramer
00336145-030201LD4
Typ 4AV1301-4CT-1D
AutoCAD
5
6
with option lifting table (dual conveyor)
HS50 power supply
(NC)(NC)(NO)(NC)
29.6.99
Technical aspects Untol. dimens. Scale: Weight:
Check.
Stand.
Date
Author
ModifiedStat. NameDate Replacement for Replaced by
Sheet
Sh.
Cutter
Sheet 4
1234
D
C
B
A
E
SIEMENS
A&D CD TDV Bremen
TEF3
Willnecker
Cramer
00336145-030201LD4
Ty
p
4AV1301-4CT-1D
AutoCAD
6
6
w
i
t
h
option liftin
g
table (dual conve
y
or)
H
S
50 power suppl
y
Threaded bolt M6
(Threaded bolt
M10)
(Threaded bolt
M8)
E
m
e
r
g
e
n
cyStop
C
o
ntrolOn
G
r
o
u
n
d
t
e
r
m
i
n
a
l
G
r
o
u
n
d
t
e
r
m
i
n
a
l
G
r
o
u
n
d
t
e
r
m
i
n
a
l
G
r
o
u
n
d
t
e
r
m
i
n
a
l
G
r
o
u
n
d
t
e
r
m
i
n
a
l
G
r
o
u
n
d
t
e
r
m
i
n
a
l
G
r
o
u
n
d
t
e
r
m
i
n
a
l
G
r
o
u
n
d
t
e
r
m
i
n
a
l
s
2
9
.
6
.
9
9
P200V
P100P6V
P30V
P34V, 2P34V
P8V
P48V
=
=
=
=
=
=
ap
p
r
o
x
.
2
0
0
V
ap
p
r
o
x
.
1
0
0
V
/
4
V
ap
p
r
o
x
.
3
0
V
ap
p
r
o
x
.
4
0
V
ap
p
r
o
x
.
1
0
V
ap
p
r
o
x
.
5
2
V
Voltage ratings in the circ
u
i
t
d
i
a
g
r
a
m
s
c
o
r
r
e
s
p
o
n
d
t
o
s
i
g
n
a
l
n
a
m
e
s
.
Please refer to the table a
b
o
v
e
f
o
r
t
h
e
r
e
a
l
v
o
l
t
a
g
e
s
a
n
d
t
h
e
i
r
c
o
r
r
e
s
p
o
n
d
i
n
g
s
i
g
n
a
l
n
ames.
Technical aspects
U
n
t
o
l
.
d
i
m
e
n
s
.
S
c
a
l
e
:Weight:
C
h
e
c
k
.
S
t
a
n
d
.
D
a
t
e
A
u
t
h
o
r
ModifiedStat.
N
a
m
e
D
a
t
e
R
e
p
l
a
c
e
m
e
n
t
f
o
r
Replaced by
Sheet
Sh.
Sheet 5

2 Circuit Diagrams 90
I
00336152-030103LD3 Distributor, sector 1 (Sh. 1 of 2)
=
SIEMENS AG
+
GND
+5V
+24V
Voltages ring circuit
Sec4<>Sec1
Voltages ring circuit
Sec1<>Sec2
Infeed
Socket 1, peripheral modules
StartStopInputRight
Emerg.StopPCBInput
Safety ring circuit
Sec4<>Sec1
Safety ring circuit
Sec1<>Sec2
5
B
SMD Placement System SIPLACE HS50
4
X1af
A7
A10
+24V
+24V
1P34V
P8V
N8V/34V
GND
+5V
+24V
876
D
2
X3ag and X4ag ,
X100 terminals overview
X5af
X2af
X8af
X4af
X6af
X3af
Hood1
All control lines: 1.00mm² / black
Cable ties are used to form the cable harness !
+24V
X25af
CompFlap1
X7af
2
F
A module
M5 split washer, DIN 7980
M5x16 fillister head screw, DIN 912
3
5
2
4
6
1
M5 hexagon nut, DIN 439
Distributor sheet
Locking clip plug:
To Harting plug housing (from X1)
PE
A11
N8V/34V
6
1
P8V
32
C
+5V
CAN_INT
CAN_RESET
GND
+5V
GND
A
Ground connection :
Contact washer
M5 hexagon nut, DIN 439
Annular cable lug
B5
B6
B9
B8
B7
10
B module
CANL
CANH
3
4
5
76
X3ag
X4ag
B10
B11
B12
B2
34
A6
+5V
C
A3
A8
A4
E
gnye
00336788gnye
00336789gnye
00336790
PE
PE
8
B
5
1
D
1
A9
A1
A2
X3ag
X2ag
M5 washer, DIN 125
X1ag
500kbps
CAN bus
500kbps
X5ar - X16ar
B4
key
key
B1
A5
A
8
A12
2
3
CAN bus
1P34V
To cover
To distributor sheet
To machine frame
0.56mm² / bk
Bridge
A1 CAN-bus coupler
00332557 (ag)
0.56mm² / bk
00336787
X100
7
ab c
GND
F
03.
01.
03.
Tek
Tek
Tek
2
gnye
B3
+24V
X1af
GND
X4ag
E
4b
1a
2c
4c
109
24.03.99
1
00336152-030103LD3
Distributor, sector 1
Hoffmann
11.12.1997
10.04.00
24.03.99
Document stat.
Product stat.
Function stat.
3
5
4
1
2
3
6
6
7
4
5
3
1
2
8 / 9
4
2
1
2
3
4
PE
PE
5
4
6
7
1
3
PL EA1 E2
5
1
1
3
6
2
4
1
3
2
2
8 / 9
1
2
3
1
2
3
4
5
8
8
29
must be as viewed from the rear side of the casing.
Cable
GROUND
7
PE
6a
7a
7b
7c
3c
that the numerical sequence of a locking clip plug
Please note that ...
4a
PE
16
71
1
5
4
4
3
3
2
6
6c
2a
4
Spare
Spare
Spare
Address bit 1
GND_Address
Address bit 0
S_Begin
L_Begin
L_End
S_End
Spare
Spare
PCC11
PCC12
ModifiedStatus Stand.Date Name
Orig. Replaced byRepl. f.
Author
Check.
Date
Spare
S_CompEnd
S_hood
S_StartButton
S_Emerg.StopButton
S_CompFlap
S_StopButton
L_End
L_Begin
S_Emerg.StopButton
S_StartButton
S_StopButton
L_End
L_Begin
S_hood
L_End
L_Begin
S_CompFlap
L_End
S_StopButton
S_CompFlap
S_Emerg.StopButton
S_StartButton
S_hood
L_End
S_CompEnd
Spare
PCC11
PCC12
Spare
Sheet
Sh.