CP-743E-04 PART LIST - 第278页
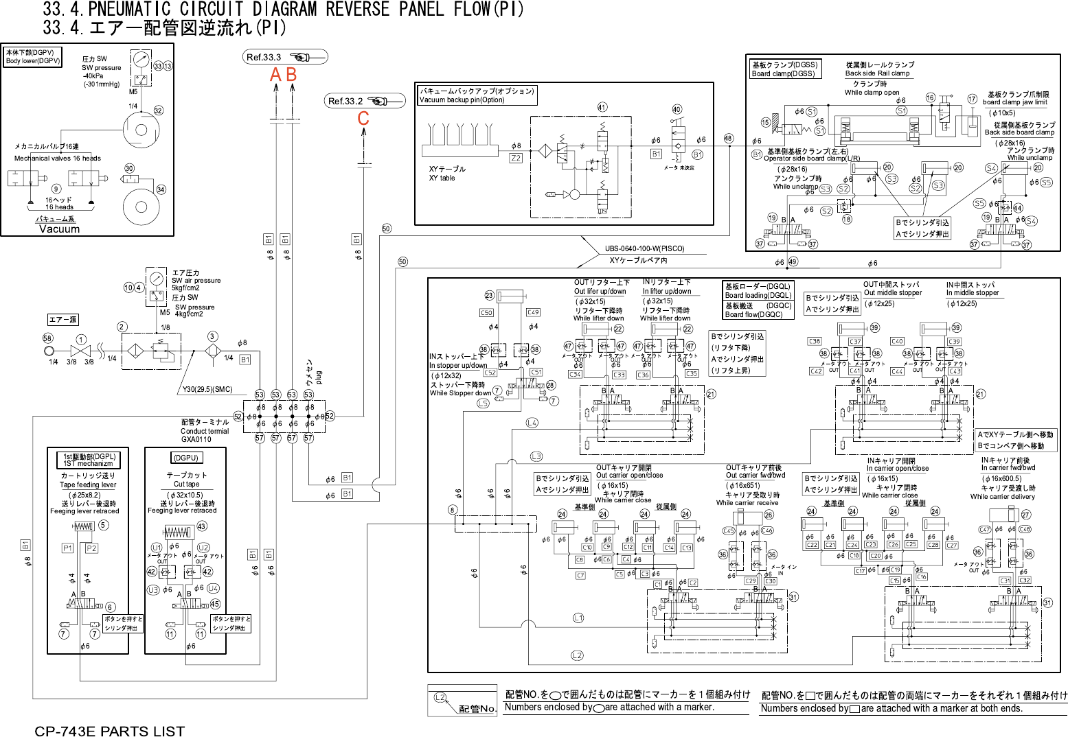
33.4.PNEUMATIC CIRCUIT DIAGRAM REVERSE PANEL FLOW(PI) 33.4.エアー配管図逆流れ(PI) 番号 図番 & コード番号 個数 品名 規格 材質 備考 No. Drg.No. & Code No. QTY Description Rating Materials Remarks 1 H1059T 1 VALVE, BALL バルブ ボール RP-LL-3/8 O…

273

33.4.PNEUMATIC CIRCUIT DIAGRAM REVERSE PANEL FLOW(PI)
33.4.エアー配管図逆流れ(PI)
番号 図番 & コード番号 個数 品名 規格 材質 備考
No. Drg.No. & Code No. QTY Description Rating Materials Remarks
1 H1059T 1 VALVE, BALL バルブ ボール RP-LL-3/8 OT
2 H30297 1 FILTER REGULATOR フィルタレギュレータ AW3000-02-BD OT
3 S4016R 1 SEPARATOR, MIST セパレータ ミスト AFM3000-02-D OT
4 A1038Y 1 SW, PRESSURE SW プレッシャ AP-40Z OT
5 WPL5012 1 CYLINDER 特殊 シリンダ KA25X8.2-813W OT
6 H1077T 1 VALVE, SOL バルブ SOL PCS242-M5-D24-SP OT
7 S1058A 2 SILENCER サイレンサ AN120-M5 OT
8 A4063E 1 ELBOW エルボ QMQ6-5M812 OT
9 DCPH0680 16 VALVE, MECHANICAL バルブ メカニカル MDV235-ZB OT
10 S3150H 1 SW, PRESSURE SW プレッシャ AP-43 OT
11 S1053A 10 SILENCER サイレンサ SL-1 OT
13 S31495 1 SW, PRESSURE SW プレッシャ AP-41 OT
15 H1062X 1 VALVE, MECHANICAL バルブ メカニカル 80-VM133-M5-01 OT
16 CSSS1400 1 VALVE 三方向手動切替弁 CR2184W OT
17 CSSS1001 1 CYLINDER, AIR シリンダ エアー NSA10X5-296W OT
18 K5345D 1 CONTROLLER, SPEED コントローラ スピード AS2211F-01-06S(シロ) OT
19 H10661 2 VALVE, SOL バルブ SOL F15T4-F4-PL3-DC24V OT
20 DGSS0080 3 CYLINDER 特殊 シリンダ CRB-0041WY OT
21 ACSQL0240 2 VALVE, SOL バルブ SOL F10M2AJ-24W OT
22 S2210A 2 CYLINDER, AIR シリンダ エアー CDAS32X15-ZE202B2 OT
23 S22076 1 CYLINDER, AIR シリンダ エアー CDQSB12-25DC-F9NWL OT
24 S2209A 8 CYLINDER, AIR シリンダ エアー CDAS16X15-ZE202B1 OT
26 DGQL0020 1 CYLINDER, RODLESS シリンダ ロッドレス ORK16X653-412W OT
27 DGQL0030 1 CYLINDER, RODLESS シリンダ ロッドレス ORK16X602-411W OT
28 H1066K 1 VALVE, SOL バルブ SOL F10T2-F4-PL3-DC24V OT
30 T1063F 1 DUCT ダクト NPS50 OT
31 ADGQL8010 2 VALVE, SOL バルブ SOL F15M2J-9WY OT
32 H5447Z 1 PUMP, VACUUM ポンプ バキューム KHA750A-306-G1 OT
33 A1038Y 1 SW, PRESSURE SW プレッシャ AP-40Z OT
34 S5213A 1 BLOWER, VORTEX 送風器 渦流 2BH1-500-7AH21-G31 OT
36 K5335F 4 CONTROLLER, SPEED コントローラ スピード ASD330F-01-06S(シロ) OT
37 S1056A 4 SILENCER サイレンサ AN101-01 OT
38 K5335A 6 CONTROLLER, SPEED コントローラ スピード JSU-4 OT
39 DGQC0210 2 CYLINDER, AIR シリンダ エアー CDQSB12-32DC-F9NWL OT
40 H1037E 1 VALVE, MANUAL バルブ 手動 HV6-6 OT
41 H1006T 1 GENERATOR, VACUUM 発生器 真空 VDBL12P8-06-SA OT
42 K5342D 2 CONTROLLER, SPEED コントローラ スピード AS2201F-01-06S(シロ) OT
CP-743E PARTS LIST
274

33.4.PNEUMATIC CIRCUIT DIAGRAM REVERSE PANEL FLOW(PI)
33.4.エアー配管図逆流れ(PI)
番号 図番 & コード番号 個数 品名 規格 材質 備考
No. Drg.No. & Code No. QTY Description Rating Materials Remarks
43 DCPU0190 1 CYLINDER, AIR シリンダ エアー CRB-0006W OT
44 K53474 1 CONTROLLER, SPEED コントローラ スピード AS2311F-01-06S(シロ) OT
45 H1081N 1 VALVE, SOL バルブ SOL PCS245-01-D24-SP OT
47 K5347W 4 CONTROLLER, SPEED コントローラ スピード AS2301F-01-06S(シロ) OT
48 Y3082C 1 UNION, ELBOW ユニオン エルボ KQ2V06-01S OT
49 K50764 1 CONNECTOR コネクタ KQ2U06-01S OT
50 Y3067A 2 UNION ユニオン KQ2H06-00 OT
52 A4146A 2 JOINT, ONE-TOUCH ジョイント ワンタッチ EL8-PT1/4 OT
53 A4147A 4 ELBOW エルボ EL8-PT1/8 OT
57 K53710 4 JOINT, ONE-TOUCH ジョイント ワンタッチ EC6-PT1/8 OT
58
H3149A
1
PLUG, COUPLER
プラグ カプラ
20PM
OT
CP-743E PARTS LIST
275