Oxford-100-Manual.pdf - 第300页
Plasmalab System 100 (ICP 180) Oxford Instruments Plasma Technology Illustrated Parts Catalogue 0.5 Pneumatic control components (continued) G/AIR/REG/104 WAFER CLAMP CIRCUIT Wafer clamp cylinder G/AIR/CYLl320 ¢:::> -…

Plasmalab
System
100
(ICP
180)
Oxford
Instruments
Plasma
Technology
Illustrated Parts Catalogue
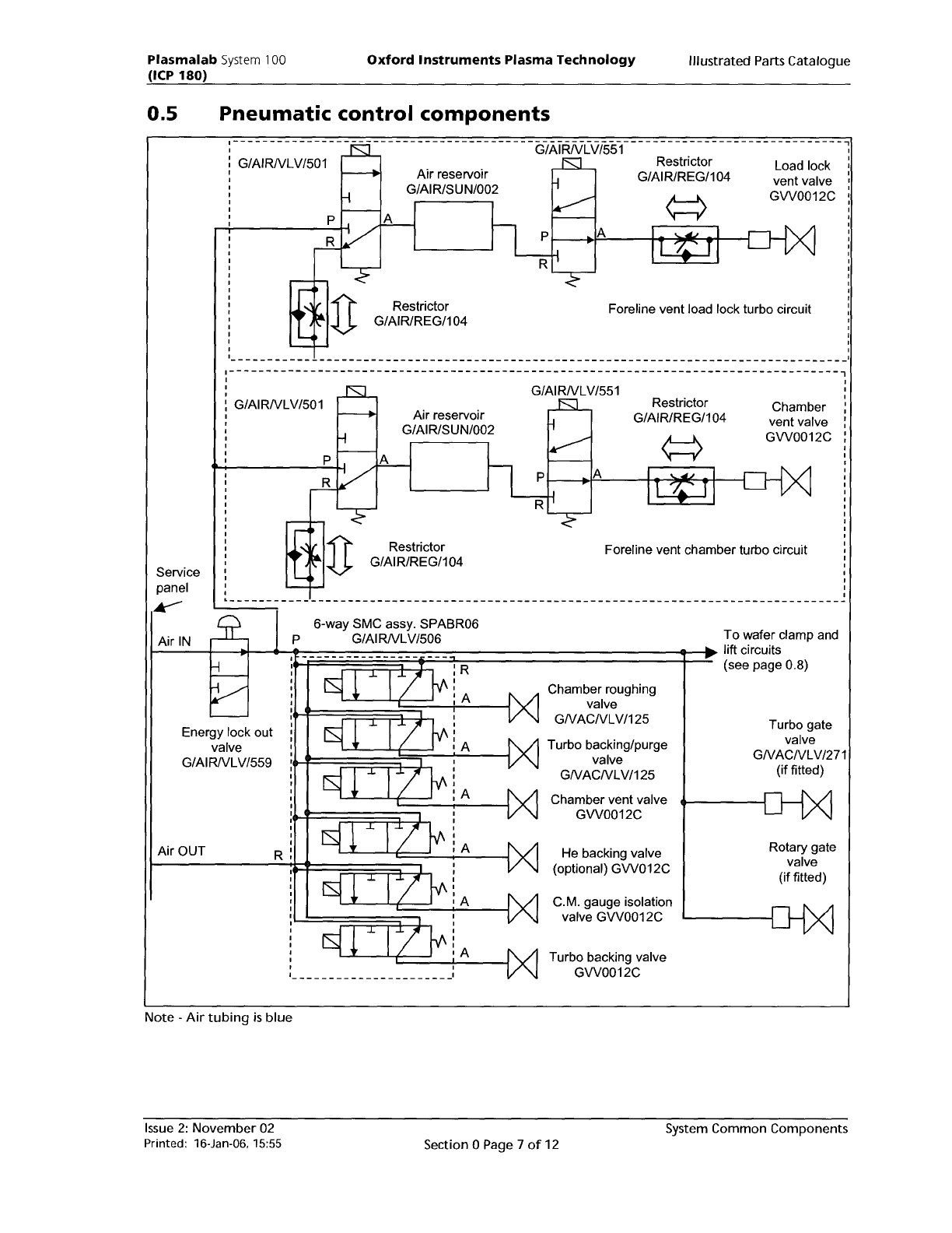
0.5
Pneumatic
control
components
R
-----------------------------------------G/AIRAiCv/551-
-----------------------------,
G/AIRNLV/501 Restrictor Load lock
Air
reservoir G/AIR/REG/104 vent valve
G/AIRISUN/002
GW0012C
P
Restrictor
G/AIR/REG/104
Foreline vent load lock turbo circuit
-----------------------------------------------------------------------------------,
G/AIRNLV/501
P
R
Air reservoir
G/AIRISUN/002
G/AIRNLV/551
Restrictor
G/AIR/REG/104
Chamber
vent valve
GW0012C
Rotary gate
valve
(if fitted)
Turbo gate
valve
GNACNLV/271
(if fitted)
Foreline vent chamber turbo circuit
C.M. gauge isolation
valve
GW0012C
He backing valve
(optional)
GW012C
Chamber vent valve
GW0012C
Turbo backing valve
GW0012C
Chamber roughing
valve
GNACNLV/125
Turbo backing/purge
valve
GNACNLV/125
Restrictor
G/AIR/REG/104
R
Energy lock out
valve
G/AIRNLV/559
Air OUT
Service
panel
.-
6-way SMC assy. SPABR06
Air
IN
P G/AIRNLV/506 To wafer clamp and
1--1j1-
......
1-f-;-~-~-~-
~-
-~-~-~-~-~-
~-
-=-~-~-=::-
~~============t::j!'
~i:e~r~~~:
0.8)
Note
-
Air
tubing
is
blue
Issue
2:
November
02
Printed: 16-Jan-06.15:55
System Common Components
Section 0 Page 7
of
12

Plasmalab
System
100
(ICP
180)
Oxford
Instruments
Plasma
Technology
Illustrated Parts Catalogue
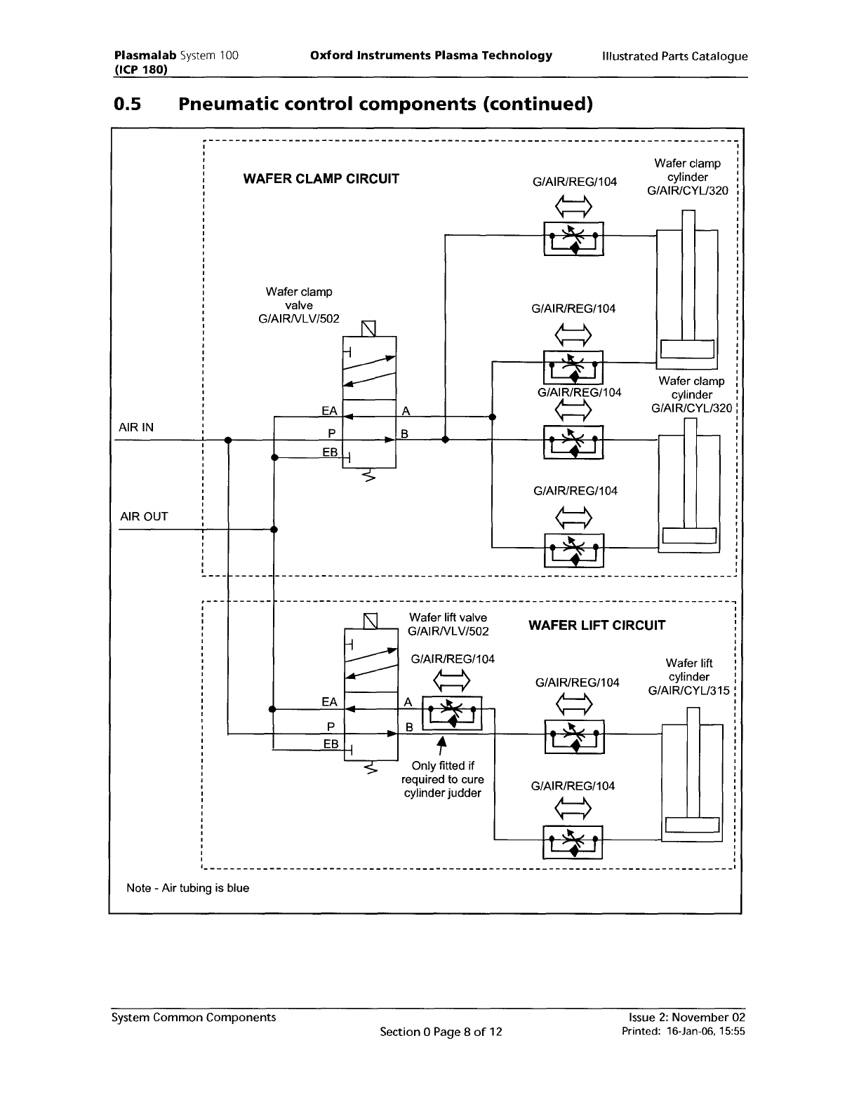
0.5
Pneumatic
control
components
(continued)
G/AIR/REG/104
WAFER CLAMP CIRCUIT
Wafer clamp
cylinder
G/AIR/CYLl320
¢:::>
-
.---
---lI~
...
7liJ~~:_+lI--___l-
-
IT
.~
TI
Wafer clamp
valve
G/AIRNL
V/502
EA A
G/AIRIREG/104
IT
'7
TI
G/AIR/REG/104
¢:::>
Wafer clamp
cylinder
GI
AI
R/CYLl320
co-
I_A_IR_I_N
'--
.....
__
+-
__
~P+-_--I*"B~_....-
__
+-
__
-++
1....;~~.J<-
..
A+-I
Ir---
~
EB
IT
6'
J I
G/AIR/REG/104
AIR OUT
II
IA
~J
AI
G/AIR/REG/104
¢:::>
WAFER LIFT CIRCUIT
Wafer lift valve
G/AIRNL
V/502
G/AIR/REG/104 Wafer lift
)---!\
G/AIR/REG/104 cylinder
'r--v'
¢:::>
G/AIR/CYLl315
EA A
I
,tt
I
co-
L_~_--E..p
+-_~~B
J:I~
T~~~T~I-+-_-+I~J~~.~I
__
-Ir---
~
EB
+ I'
.ill"
I I
Only fitted if
required to cure
cylinderjudder
I'
'.ill"
'I
Note - Air tubing is blue
System
Common
Components
Section 0 Page 8
of
12
Issue
2:
November
02
Printed: 16-Jan-06. 15:55

Plasmalab
System
100
(ICP
180)
Oxford
Instruments
Plasma
Technology
Illustrated
Parts Catalogue
0.6
Nitrogen
purge
line
Check valve
GW0605
Air OUT
Gauge
G/AIR/REG/570
Regulator
G/AIR/REG/560
Set to
0.5/0.7 bar
Note
-
Nitrogen
tubing
is
yellow.
Issue
2:
November
02
Printed: 16-Jan-06. 15:55
Maglev turbo pipe run
Mass flow meter
M/MTR/MFM/003
Restrictor
G/AIR/REG/106
Restrictor
G/AIR/REG/106
Restrictor
G/AIRIREG/106
Section 0 Page 9
of
12
Solenoid switch & T piece
(supplied with Maglev
Turbo only)
Chamber
vent valve
GW0012C
Foreline
vent valve
GW0012C
System
Common
Components