Infinity EX Mechanical - 第10页
8 Mechanical Drawings 12907 6 Issue 3 T ransit Brac ket GA REMOVE THIS NUT & WASHER 16.0 REMOVE THIS NUT & WASHER PART NO. QTY . ITEM NO. DESCRIPTION 1 2 3 4 5 6 7 8 9 10 11 12 13 14 15 16 17 18 19 20 21 22 23 24…

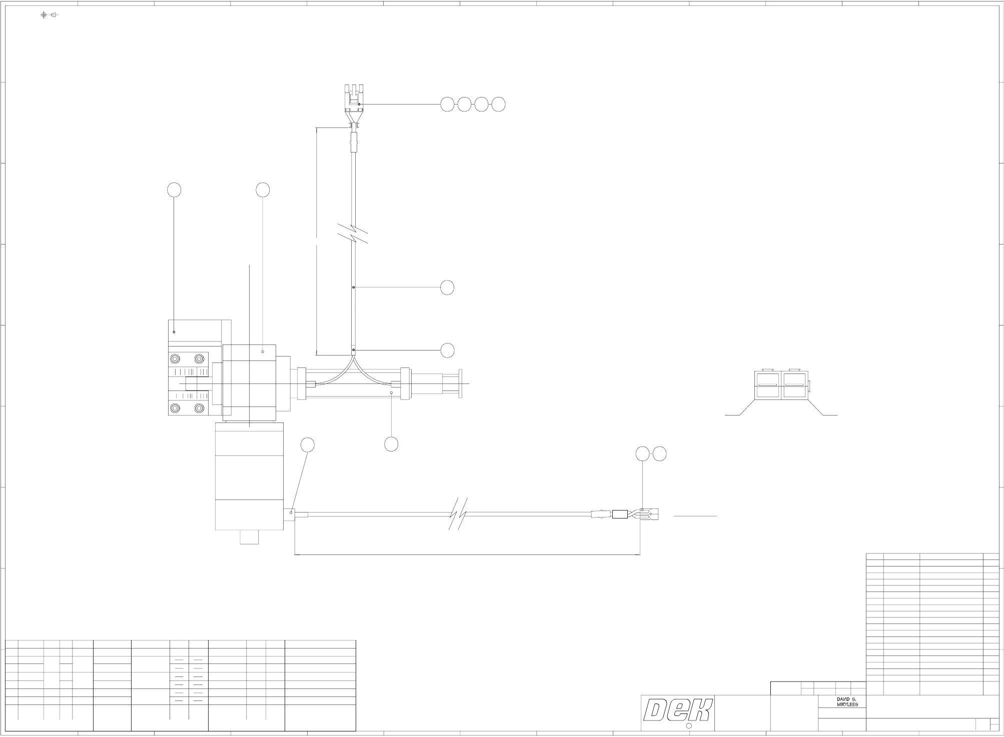
Mechanical Drawings 7
129074 Issue 5 Headlift GA
PART NO. QTY.ITEM NO. DESCRIPTION
2
3
4
5
6
7
8
9
10
11
12
13
14
15
16
17
18
19
20
54321
A
B
CC
B
A
12345
67
8
910
11 12
13
6
7
8
9
10 11
12
13
D
E
F
G
H
I
D
E
F
G
H
I
PROJECTION
DRAWN
APPROVED
DATE
C
COPYRIGHT
DO NOT SCALE
ORIGINAL SCALE
(CAD)
1:1
A
OF
SH.
TITLE
DRAWING NUMBER
0
DATE INITIALDCR
LATEST
ISSUE
No.
1
1
1994
20/01/94
266 HEADLIFT G.A.
129074
LINEAR ACTUATOR
1
119541 HOUSING, MODULAR
2
119542 CONTACT, MODULAR
2
MOUNT
700517 M6 NI-LOCK
700604 M6 WASHER FORM A
E2260 HEAT SHRINK f12.7
133791 LABEL
137139
137086
WARNING
WARNING
WARNING
WARNINGWARNING
LIMIT SWITCHES ARE FACTORY SET
LIMIT SWITCHES ARE FACTORY SET
LIMIT SWITCHES ARE FACTORY SET
LIMIT SWITCHES ARE FACTORY SET
LIMIT SWITCHES ARE FACTORY SET
DO NOT ADJUST
DO NOT ADJUST
DO NOT ADJUST
DO NOT ADJUST
DO NOT ADJUST
DO NOT ADJUSTDO NOT ADJUSTDO NOT ADJUST
DO NOT ADJUST
LIMIT SWITCHES ARE FACTORY SET
LIMIT SWITCHES ARE FACTORY SET
LIMIT SWITCHES ARE FACTORY SET
LIMIT SWITCHES ARE FACTORY SET
LIMIT SWITCHES ARE FACTORY SET
LIMIT SWITCHES ARE FACTORY SET
LIMIT SWITCHES ARE FACTORY SET
LIMIT SWITCHES ARE FACTORY SET
LIMIT SWITCHES ARE FACTORY SET
LIMIT SWITCHES ARE FACTORY SET
LIMIT SWITCHES ARE FACTORY SET
LIMIT SWITCHES ARE FACTORY SET
LIMIT SWITCHES ARE FACTORY SET
LIMIT SWITCHES ARE FACTORY SET
LIMIT SWITCHES ARE FACTORY SET
LIMIT SWITCHES ARE FACTORY SET
LIMIT SWITCHES ARE FACTORY SET
LIMIT SWITCHES ARE FACTORY SET
LIMIT SWITCHES ARE FACTORY SET
LIMIT SWITCHES ARE FACTORY SET
700190 M6 x 35 SKT CAP SCW
VIEW 1
(SHOWING CONNECTOR POLARISATION)
SCALE 5:1
B1A1
8CON1
(956)(955)
05
02/04/96
11015 DP
E9382
E9376
4W TRI. HOOD
4W TRI. PLUG
1
1
08
07
06
05
04
03
02
01
-
-
TYPE COLOUR ITEM
WIRE
No. SIZE
IDENTITY
TO
BINDING
SLEEVE
ITEM
TERM
ITEM
FROM
BINDING
SLEEVE
ITEM
TERM
ITEM
REMARKS
50/0.25
50/0.25
TRI
TRI
BK
E2232
956
955
8CON1
8CON1
-B1
-A1
119542
119542
ACTUATOR
RD
E2235
(RD)
(BK)
E2151
4-6mm GREY BRAID
.4
9PL56
9PL56
9PL56
9PL56
-1
-2
-3
-4
-
-
-
-
E0421
E0421
E0421
E0421
7/0.2
7/0.2
7/0.2
7/0.2
BK
BK
BU
BU
2 CORE
CABLE
2 CORE
CABLE
SENSOR
LEAD
SENSOR
LEAD
SENSOR
SENSOR
NEAREST MOTOR
NEAREST MOTOR
173
001
174
001
9PL56
E0421 24-28 AWG CONTACT PIN
G1500
T18R CABLE TIES
0.05M
1 OFF
4 OFF
4 OFF
4 OFF
1 OFF
OFF
OFF
OFF
OFF
OFF
OFF
1 OFF
4OFF
8CON1
A1
B1
VIEW 1
6 7 11 14
4
mm
+20
-0
45
2
mm
+20
-0
3
13
15
28
13
IN 2 POS.
286
456
PRINTING MACHINES LIMITED,
IT MAY NOT BE COPIED,REPRODUCED,
PUBLISHED OR DISCLOSED IN WHOLE
OR IN PART WITHOUT OUR WRITTEN
CONSENT.
IN IT, IS THE PROPERTY OF DEK
THIS DRAWING AND THE COPYRIGHT

8 Mechanical Drawings
129076 Issue 3 Transit Bracket GA
REMOVE THIS NUT & WASHER
16.0
REMOVE THIS NUT & WASHER
PART NO. QTY.ITEM NO. DESCRIPTION
1
2
3
4
5
6
7
8
9
10
11
12
13
14
15
16
17
18
19
20
21
22
23
24
25
26
27
28
29
30
31
32
33
34
35
36
37
38
39
40
41
42
43
44
45
46
47
48
49
50
51
52
53
54
55
56
57
58
59
60
61
62
63
64
65
66
67
68
69
70
71
72
73
74
75
76
77
78
79
80
81
82
83
84
85
86
87
88
89
90
91
92
93
94
95
96
97
98
99
100
XX
X
XX
X
XX
X
XX
X
XX
X
XX
X
XX
X
XX
X
XX
X
XX
X
XX
X
XX
X
XX
X
XX
X
XX
X
XX
X
XX
X
XX
X
XX
X
XX
X
XX
X
XX
X
XX
X
XX
X
XX
X
XX
X
XX
X
XX
X
XX
X
XX
X
XX
X
XX
X
XX
X
XX
X
XX
X
XX
X
XX
X
XX
X
XX
X
XX
X
XX
X
XX
X
XX
X
XX
X
XX
X
XX
X
XX
X
XX
X
XX
X
XX
X
XX
X
XX
X
XX
X
XX
X
XX
X
XX
X
XX
X
XX
X
XX
X
XX
X
XX
X
XX
X
XX
X
XX
X
XX
X
XX
X
XX
X
XX
X
XX
X
XX
X
XX
X
XX
X
XX
X
XX
X
XX
X
XX
X
XX
X
54321
A
B
CC
B
A
12345
67
8
910
11 12
13
6
7
8
9
10 11
12
13
D
E
F
G
H
I
D
E
F
G
H
I
PROJECTION
DRAWN
APPROVED
DATE
C
COPYRIGHT
DO NOT SCALE
ORIGINAL SCALE
(CAD)
101
102
103
104
105
XX
X
XX
X
XX
X
XX
X
XX
X
A
OF
SH.
TITLE
DRAWING NUMBER
0
DATE INITIALDCR
LATEST
ISSUE
No.
1993
0
10
5
4 OFF 50.0 LG
OF 107612
REMOVE THIS NUT & WASHER
REMOVE THIS NUT & WASHER
NOTE !
EXTREME CAUTION MUST BE APPLIED WHEN FITTING
CHASE AND PRINTHEAD ROLLERS.
A 0.1 MM SHIM CAN BE PLACED BETWEEN
CHASE SUPPORT CLAMP
SCALE 2:1
SCALE 2:1
SCALE 2:1
DOUBLE SQUEEGEE CLAMP
DETAIL 'C'
REAR CHASE SUPPORT CLAMP
SCALE 2:1
BOTH ENDS
REF
DETAIL 'D'
FRONT CHASE SUPPORT CLAMP
SCALE 1:1
DETAIL 'E'
PASTE DISPENSER SUPPORT CLAMP
16.0
DETAIL 'H'
DETAIL 'G'
FRONT L/H TRANSIT RAIL CLAMP
SCALE 1:1
FRONT R/H TRANSIT RAIL CLAMP
SCALE 1:1
SEE DETAIL 'G'
SEE DETAIL 'F'
SEE DETAIL 'D'
SEE DETAIL 'F'
SEE DETAIL 'G'
SEE DETAIL 'C'
112254
112266
112364
129123
129124
129125
700501
700505
700507
700532
700605
SCREWED ROD
TRNSPORT BRKT
M5 STUDDING 100 LG
FRONT TRANSIT BRKT
REAR TRANSIT BRKT
TRANSIT BRK P/DISPENSE
M5 NYLOCK NUT
M5 HEX NUT
M8 HEX NUT
M12 HEX NUT
M8 WASHER
M12 WASHER
2
1
2
4
1
1
1
4
8
8
1
1
05/01/94
BJS
2:1
TRANSIT BRACKET GA (266)
129076
SEE DETAIL 'E'
4
33
4 POSN
3
3
2 POSN
WHEN FIXING TO ITEM 5
WHEN FIXING TO ITEM 5 OR 6
6
9
9
BOTH ENDS
WHEN FIXING TO ITEM 5
2 POSN
2 POSN
1
2
WHEN FIXING TO ITEM 5
1
DETAIL 'A'
DETAIL 'B'
700201 M8 HEX HD SCREW
2
12
14
13
14 16
12
12
15 18
15 18
15 18
15 18
11 16
11 16
CHASE SUPPORTS DETAIL 'B' (4 OFF),SET SO THAT
SEE DETAIL 'B'
SEE DETAIL 'A'
SEE DETAIL 'A'
SEE DETAIL 'B'
113072 M8 STUDDING 120 LG
7
SECURE USING
700646 WASHER
700117
19 20
M5X20SKTHDCAPSC
ALL DIMENSIONS ARE FOR REFERENCE ONLY.
SECURE USING
M5 X 12 SKT CAP SCREW700115
21
700119 M5 X 30 SKT.CAP SCREW
2
19
700642
700603
M5 FORM A WASHER
1
22
23
23
700624 2BA T2 WASHER
20 23
22
3
2
7
03
24.11.94
8249 PH
5
9
8
700501
NI-LOCK NUT M5
1
22
4
5
PRINTING MACHINES LIMITED,
IT MAY NOT BE COPIED,REPRODUCED,
PUBLISHED OR DISCLOSED IN WHOLE
OR IN PART WITHOUT OUR WRITTEN
CONSENT.
IN IT, IS THE PROPERTY OF DEK
THIS DRAWING AND THE COPYRIGHT

Mechanical Drawings 9
129307 Issue 5 Calibration Jig GA