Infinity EX Mechanical - 第27页
Mechanical Drawings 25 1 45539 Issue 3 X - Y Rail Suppor t Rail (A T) GA 5 4 3 2 1 A B C C B A 123 45 67 8 91 0 11 12 13 6 7 8 9 10 11 12 13 D E F G H I D E F G H I PROJECTION DRAWN APPROVED DATE C COPYRIGHT DO NOT SCALE…

24 Mechanical Drawings
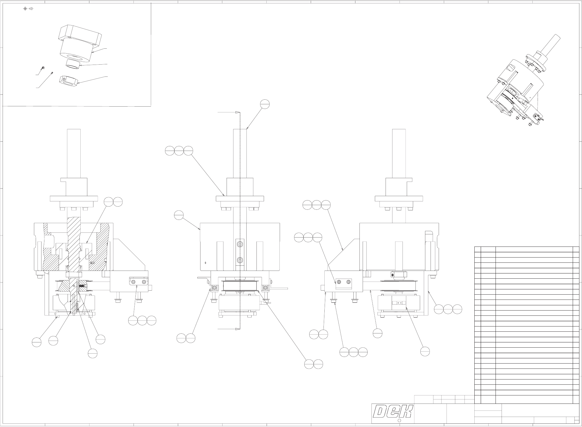
145370 Issue 5 Table Lift GA
54321
A
B
CC
B
A
12345
67
8
910
11 12
13
6
7
8
9
10 11
12
13
D
E
F
G
H
I
D
E
F
G
H
I
PROJECTION
DRAWN
RELEASE STATE
DATE
C
COPYRIGHT
DO NOT SCALE
SCALE
TITLE
DRAWING NUMBER
2003
BOM NUMBER
A
A
ITEM PART NO. DESCRIPTION QTY.
1
107041 TIMING PULLEY 1
2
107044 BEARING HOUSING 1
3
107380 TABLE BOSS 1
4
107381 TABLE MOTOR WEB 1
5
107508 TIMING BELT 1
6
112020 KEY 5MM 1
7
112056 BALL SCREW ASSY 1
8
112414 CABLE TIE CLAMP 2
9
112503 KEY 4X4X13.5 1
10
117076 BRACKET 9 WAY `D' 1
11
117131 4 WAY TRIAD 1
12
117980 MOTOR 'U' PLATE 1
13
145311 LINK COLLAR - BALL SCREW NUT 1
14
157111 TABLE BRAKE BRAKET 1
15
160457 WARNER BRAKE 1
16
700003 SCREW M3X8 PAN.HD SLTD MC ST.ST 2
17
700101 SCREW M3X8 CAP HD ST.ST 4
18
700116 SCREW M5X16 CAP HD ST.ST 5
19
700117 SCREW M5X20 CAP HD ST.ST 11
20
700124 SCREW M6X20 CAP HD ST.ST 4
21
700180 SCREW M4X40 CAP HD ST.ST 3
22
700182 SCREW M5X50 CAP HD ST.ST 1
23
700601 WASHER M3 PLAIN FORM A ST.ST 4
24
700603 WASHER M5 PLAIN FORM A ST.ST 8
25
700611 WASHER M5 CRINKLE BE/CU 4
26
700624 WASHER 2BA PLAIN LARGE T2 ST.ST 4
27
700804 SCREW M4X10 SKT. SET(GRUB) 2
28
G1404 CLP EXT D1400/12 2
ITEM PART NO. DESCRIPTION QTY.
1
107041 TIMING PULLEY 1
2
107044 BEARING HOUSING 1
3
107380 TABLE BOSS 1
4
107381 TABLE MOTOR WEB 1
5
107508 TIMING BELT 1
6
112020 KEY 5MM 1
7
112056 BALL SCREW ASSY 1
8
112414 CABLE TIE CLAMP 2
9
112503 KEY 4X4X13.5 1
10
117076 BRACKET 9 WAY `D' 1
11
117131 4 WAY TRIAD 1
12
117980 MOTOR 'U' PLATE 1
13
145311 LINK COLLAR - BALL SCREW NUT 1
14
157111 TABLE BRAKE BRAKET 1
15
160457 WARNER BRAKE 1
16
700003 SCREW M3X8 PAN.HD SLTD MC ST.ST 2
17
700101 SCREW M3X8 CAP HD ST.ST 4
18
700116 SCREW M5X16 CAP HD ST.ST 5
19
700117 SCREW M5X20 CAP HD ST.ST 11
20
700124 SCREW M6X20 CAP HD ST.ST 4
21
700180 SCREW M4X40 CAP HD ST.ST 3
22
700182 SCREW M5X50 CAP HD ST.ST 1
23
700601 WASHER M3 PLAIN FORM A ST.ST 4
24
700603 WASHER M5 PLAIN FORM A ST.ST 8
25
700611 WASHER M5 CRINKLE BE/CU 4
26
700624 WASHER 2BA PLAIN LARGE T2 ST.ST 4
27
700804 SCREW M4X10 SKT. SET(GRUB) 2
28
G1404 CLP EXT D1400/12 2
ITEM PART NO. DESCRIPTION QTY.
1
107041 TIMING PULLEY 1
2
107044 BEARING HOUSING 1
3
107380 TABLE BOSS 1
4
107381 TABLE MOTOR WEB 1
5
107508 TIMING BELT 1
6
112020 KEY 5MM 1
7
112056 BALL SCREW ASSY 1
8
112414 CABLE TIE CLAMP 2
9
112503 KEY 4X4X13.5 1
10
117076 BRACKET 9 WAY `D' 1
11
117131 4 WAY TRIAD 1
12
117980 MOTOR 'U' PLATE 1
13
145311 LINK COLLAR - BALL SCREW NUT 1
14
157111 TABLE BRAKE BRAKET 1
15
160457 WARNER BRAKE 1
16
700003 SCREW M3X8 PAN.HD SLTD MC ST.ST 2
17
700101 SCREW M3X8 CAP HD ST.ST 4
18
700116 SCREW M5X16 CAP HD ST.ST 5
19
700117 SCREW M5X20 CAP HD ST.ST 11
20
700124 SCREW M6X20 CAP HD ST.ST 4
21
700180 SCREW M4X40 CAP HD ST.ST 3
22
700182 SCREW M5X50 CAP HD ST.ST 1
23
700601 WASHER M3 PLAIN FORM A ST.ST 4
24
700603 WASHER M5 PLAIN FORM A ST.ST 8
25
700611 WASHER M5 CRINKLE BE/CU 4
26
700624 WASHER 2BA PLAIN LARGE T2 ST.ST 4
27
700804 SCREW M4X10 SKT. SET(GRUB) 2
28
G1404 CLP EXT D1400/12 2
ITEM PART NO. DESCRIPTION QTY.
1
107041 TIMING PULLEY 1
2
107044 BEARING HOUSING 1
3
107380 TABLE BOSS 1
4
107381 TABLE MOTOR WEB 1
5
107508 TIMING BELT 1
6
112020 KEY 5MM 1
7
112056 BALL SCREW ASSY 1
8
112414 CABLE TIE CLAMP 2
9
112503 KEY 4X4X13.5 1
10
117076 BRACKET 9 WAY `D' 1
11
117131 4 WAY TRIAD 1
12
117980 MOTOR 'U' PLATE 1
13
145311 LINK COLLAR - BALL SCREW NUT 1
14
157111 TABLE BRAKE BRAKET 1
15
160457 WARNER BRAKE 1
16
700003 SCREW M3X8 PAN.HD SLTD MC ST.ST 2
17
700101 SCREW M3X8 CAP HD ST.ST 4
18
700116 SCREW M5X16 CAP HD ST.ST 5
19
700117 SCREW M5X20 CAP HD ST.ST 11
20
700124 SCREW M6X20 CAP HD ST.ST 4
21
700180 SCREW M4X40 CAP HD ST.ST 3
22
700182 SCREW M5X50 CAP HD ST.ST 1
23
700601 WASHER M3 PLAIN FORM A ST.ST 4
24
700603 WASHER M5 PLAIN FORM A ST.ST 8
25
700611 WASHER M5 CRINKLE BE/CU 4
26
700624 WASHER 2BA PLAIN LARGE T2 ST.ST 4
27
700804 SCREW M4X10 SKT. SET(GRUB) 2
28
G1404 CLP EXT D1400/12 2
ITEM PART NO. DESCRIPTION QTY.
1
107041 TIMING PULLEY 1
2
107044 BEARING HOUSING 1
3
107380 TABLE BOSS 1
4
107381 TABLE MOTOR WEB 1
5
107508 TIMING BELT 1
6
112020 KEY 5MM 1
7
112056 BALL SCREW ASSY 1
8
112414 CABLE TIE CLAMP 2
9
112503 KEY 4X4X13.5 1
10
117076 BRACKET 9 WAY `D' 1
11
117131 4 WAY TRIAD 1
12
117980 MOTOR 'U' PLATE 1
13
145311 LINK COLLAR - BALL SCREW NUT 1
14
157111 TABLE BRAKE BRAKET 1
15
160457 WARNER BRAKE 1
16
700003 SCREW M3X8 PAN.HD SLTD MC ST.ST 2
17
700101 SCREW M3X8 CAP HD ST.ST 4
18
700116 SCREW M5X16 CAP HD ST.ST 5
19
700117 SCREW M5X20 CAP HD ST.ST 11
20
700124 SCREW M6X20 CAP HD ST.ST 4
21
700180 SCREW M4X40 CAP HD ST.ST 3
22
700182 SCREW M5X50 CAP HD ST.ST 1
23
700601 WASHER M3 PLAIN FORM A ST.ST 4
24
700603 WASHER M5 PLAIN FORM A ST.ST 8
25
700611 WASHER M5 CRINKLE BE/CU 4
26
700624 WASHER 2BA PLAIN LARGE T2 ST.ST 4
27
700804 SCREW M4X10 SKT. SET(GRUB) 2
28
G1404 CLP EXT D1400/12 2
THIS DRAWING AND THE COPYRIGHT
IN IT, IS THE PROPERTY OF
DEK PRINTING MACHINES LIMITED
IT MAY NOT BE COPIED, REPRODUCED,
PUBLISHED OR DISCLOSED IN WHOLE
OR IN PART WITHOUT OUR WRITTEN
CONSENT.
1:1
G. MARJASON
265 SERIES TABLE LIFT ASSY
14-Jan-98
145370
145371
SH 1
OF 1
A
0
LATEST
ISSUE
No. DATE DCR INITIAL
05 13-Jun-03 28122 PAH
PART No.: 107044
DESCRIPTION: BEARING HOUSING
NUT TIGHTENING TORQUE 48Nm
SECTION A-A
SCALE 1:2
SCALE 1:1
BEARING (THK FK20)
SPACER
SQUARE NUT
SLUG
GRUB SCREW
1
1
3
1
7
1
8
2
13
1
17
2
27
2
19
6
24
6
2
1
6
1
9
1
20
4
21
3
28
2
23
2
10
1
17
2
4
1
5
1
11
1
12
1
14
1
15
1
16
2
18
2
19
4
22
1
23
2
24
2
25
4
26
4
19
1
18
3

Mechanical Drawings 25
145539 Issue 3 X - Y Rail Support Rail (AT) GA
54321
A
B
CC
B
A
12345
67
8
910
11 12
13
6
7
8
9
10 11
12
13
D
E
F
G
H
I
D
E
F
G
H
I
PROJECTION
DRAWN
APPROVED
DATE
C
COPYRIGHT
DO NOT SCALE
SCALE
TITLE
DRAWING NUMBER
2001
BOM NUMBER
ITEM PART NO. DESCRIPTION QTY.
1
107326 BEARING POST 1
2
107333 BEARING (SKF 608-2RS1) 3
3
112414 CABLE TIE CLAMP 2
4
112611 ROLLER BRACKET 1
5
117324 3 WAY BRACKET 1
6
117806 RAIL SUPPORT BRACKET 2
7
117809 RAIL SUPPORT L.H. 1
8
119499 SWITCH,SAFETY 1
9
119668 BRACKET, MAGNET 1
10
119802 BRACKET, REGULATOR 1
11
119847 RAIL SUPPORT RH 1
12
119858 RAIL SUPPORT REAR 2
13
119903 RH CLEAN HOME CLAMP LOOM 1
14
119904 LH CLEAN HOME CLAMP LOOM 1
15
129245 BEARING POST 2
16
129346 BALL BEARING - DEEP GROOVE 8
17
129358 BRACKET, H.E. 1
18
133167 LEFT HAND MAGNET BRKT 1
19
140432 BRACKET, SAFETY SWITCH 1
20
140781 SCREEN CLEAN HOME HALL EFFECT LOOM 1
21
140784 CAM Y HOME HALL EFFECT LOOM GA 1
22
145514 FRONT 'Y' TIMING PULLEY 2
23
145516 AXIS IDLE TIMING PULLEY 2
24
165248 LINEAR BEARING, CAGED-BALL, SR20. 2
25
165475 BELT TENSIONING BRACKET, 2
26
165477 IDLE BEARING POST 2
27
E0505 SMALL P CLIP 3
28
G1404 CLP EXT D1400/12 4
29
G1434 CLP EXT D1400/8 1
THIS DRAWING AND THE COPYRIGHT
IN IT, IS THE PROPERTY OF
DEK PRINTING MACHINES LIMITED
IT MAY NOT BE COPIED, REPRODUCED,
PUBLISHED OR DISCLOSED IN WHOLE
OR IN PART WITHOUT OUR WRITTEN
CONSENT.
11:20
N. PALMER
X-Y RAIL SUPPORT (AT) G.A.
01-Jul-98
145539
145186/139070
SH 1
OF 1
A
0
LATEST
ISSUE
No. DATE DCR INITIAL
.
13/07/01 26827 PH
03
1
2
3
4
5
6
7
8
9
10
11
12
13
14
1516
17
18
19
20
21
22
23
27
28
29
24
25
26

26 Mechanical Drawings
150243S1 Issue 2 Infinity EX 12 Inch Monitor Footprint
54321
A
B
CC
B
A
12345
REMOVE ALL BURRS & SHARP EDGES
67
8
910
11 12
13
6
7
8
9
10 11
12
13
D
E
F
G
H
I
D
E
F
G
H
I
PROJECTION
DRAWN
RELEASE STATE
DATE
MATERIAL
FINISH
SURFACE ROUGHNESS
C
COPYRIGHT
A
DO NOT SCALE
SCALE
3:20
THREADS: ISO COARSE
TO CLASS 6H/6g U.O.S.
DIMENSIONS
IN MM'S-INCHES IN ( )
TITLE
DRAWING NUMBER
0
2003
1314
DIMENSION B
1065
DIMENSION F
2230
85
1064
1490
1285
1113
DIMENSION A
980
310
1596
DIMENSION G
498
1449
DIMENSION D
1194
DIMENSION C
1579
DIMENSION E
THIS DRAWING AND THE COPYRIGHT
IN IT, IS THE PROPERTY OF DEK
PRINTING MACHINES LIMITED,
IT MAY NOT BE COPIED, REPRODUCED,
PUBLISHED OR DISCLOSED IN WHOLE
OR IN PART WITHOUT OUR WRITTEN
CONSENT.
DSF 3.1.1
1.6um
N/A
TOLERANCES TO BE TO
DST 1.1.1mK
UNLESS STATED
M PHILPOT
INF.EX FOOTPRINT
N/A
10-Sep-02 150243
SH 1
OF 2
LATEST
ISSUE
No. DATE DCR INITIAL
02 12/11/02 27695 PB
ALL DIMENSIONS SHOWN WITH MAXIMUM BOARD TRANSFER HEIGHT OF 980MM (DIMENSION A)
DIMENSION B; SCREEN LOAD HEIGHT= 1065 MAX/ 905 MIN
DIMENSION C; KEYBOARD HEIGHT= 1194 MAX/ 1034 MIN
DIMENSION D; MONITOR EYE HEIGHT= 1449 MAX/ 1289 MIN
DIMENSION E; MONITOR TOP HEIGHT= 1579 MAX/ 1419 MIN
DIMENSION F; BEACON HEIGHT= 2230 MAX/ 2070 MIN
DIMENSION G; FRONT OF MACHINE TO FRONT OF BOARD
PROE ASSY; 150244.ASM, SIMPLIFIED REP; FOOTPRINT
REAR
FRONT
LEFT
RIGHT
FRONT
REAR
DIMENSION C
DIMENSION D
DIMENSION E