Infinity EX Mechanical - 第54页
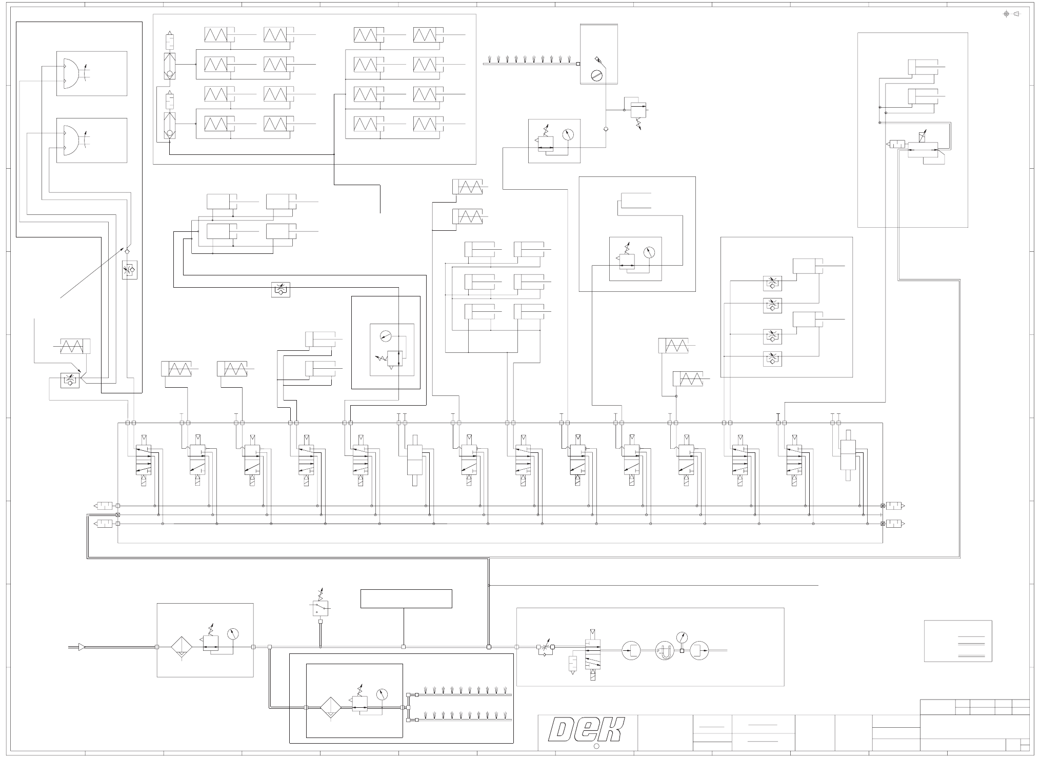
52 Mechanical Drawings 158090S1 Issue 1 3 Pn eumatic Circ uit Infinit y 5 4 3 2 1 A B C C B A 1 2 3 4 5 REMOVE ALL BURRS & SHARP EDGES REMOVE ALL BURRS & SHARP EDGES 6 7 8 9 10 11 12 13 6 7 8 9 10 11 11 12 13 D E…

Mechanical Drawings 51
158053 Issue 2 14 Station Manifold (Norgren) GA

52 Mechanical Drawings
158090S1 Issue 13 Pneumatic Circuit Infinity
54321
A
B
CC
B
A
1 2 3 4 5
REMOVE ALL BURRS & SHARP EDGES
REMOVE ALL BURRS & SHARP EDGES
6
7
8
9 10
11 12
13
6
7
8
9
10
11
11
12
13
D
E
F
G
H
I
D
E
F
G
H
I
PROJECTION
PROJECTION
DRAWN
APPROVED
APPROVED
DATE
TOLERANCES UNLESS
TOLERANCES UNLESS
OTHERWISE STATED
OTHERWISE STATED
MATERIAL
MATERIAL
FINISH
SURFACE ROUGHNESS
SURFACE ROUGHNESS
C
COPYRIGHT
A
OF
SH.
IT MAY NOT BE COPIED,REPRODUCED,
IT MAY NOT BE COPIED,REPRODUCED,
PUBLISHED OR DISCLOSED IN WHOLE
PUBLISHED OR DISCLOSED IN WHOLE
OR IN PART WITHOUT OUR WRITTEN
OR IN PART WITHOUT OUR WRITTEN
CONSENT.
CONSENT.
IN IT, IS THE PROPERTY OF
IN IT, IS THE PROPERTY OF
DRAWING SCALE
DRAWING SCALE
DO NOT SCALE
DO NOT SCALE
ORIGINAL SCALE
ORIGINAL SCALE
(PLOT)
(CAD) 1:1
(CAD) 1:1
THIS DRAWING AND THE COPYRIGHT
THIS DRAWING AND THE COPYRIGHT
GEN.
GEN.
ANG.
CRS.
THREADS
ISO COARSE U.O.S.
ISO COARSE U.O.S.
DIMENSIONS
IN MM'S-INCHES IN ( )
IN MM'S-INCHES IN ( )
TITLE
DRAWING NUMBER
DRAWING NUMBER
DATE
DATE
INITIAL
INITIALDCR
LATEST
LATEST
ISSUE
ISSUE
No.
0
1999
IN OUT
FILTER / REGULATOR ASSEMBLY
FILTER / REGULATOR ASSEMBLY
MAINS AIR IN
MAINS AIR IN
AT 4.5 BAR
MINIMUM
MINIMUM
TUBING
TUBING
4.0 :-
4.0 :-
8.0 :-
8.0 :-
PRESSURE SENSE
P
AUTOFLEX (OPTIONAL)
AUTOFLEX (OPTIONAL)
SCREEN CLAMPS
LID BOLT LEFT
LID BOLT LEFT
BOARD STOP
REGULATOR ASSEMBLY
REGULATOR ASSEMBLY
IN
OUT
WET CLEAN
WET CLEAN
BOARD CLAMPS
SOLVENT TANK
UNDER SCREEN CLEANER
UNDER SCREEN CLEANER
RELIEF VALVE
RELIEF VALVE
SQUEEGEE BAR
SQUEEGEE BAR
SCREEN CLEAN
SCREEN CLEAN
PASTE DISPENSE (OPTIONAL)
PASTE DISPENSE (OPTIONAL)
REGULATOR ASSEMBLY
REGULATOR ASSEMBLY
IN
OUT
R
VACUUM TOOLING
VACUUM TOOLING
VENTURI VACUUM (OPTIONAL)
VENTURI VACUUM (OPTIONAL)
A
B
A
B
A
B
A
B
A
B
A
B
A
B
A
B
A
B
A
B
A
B
A
B
A
B
A
B
A
B
SCREEN DRIVE
SCREEN DRIVE
SCREEN DRIVE
COUPLE LEFT
COUPLE RIGHT
SCREEN DRIVE
SCREEN DRIVE
COUPLE REAR
COUPLE REAR
BOARD CLAMP
IN
OUT
REGULATOR
(OPTIONAL)
PRO-FLOW + SCAR
PRO-FLOW + SCAR
(OPTIONAL)
(OPTIONAL)
6.0 :-
6.0 :-
WHEN USED
FOR L-R BOARD
FOR L-R BOARD
TRANSFER
WHEN USED
FOR R-L BOARD
TRANSFER
REMOTE BOARD STOP
REMOTE BOARD STOP
ONLY ONE CONNECTION
ONLY ONE CONNECTION
WILL BE MADE AT ANY
WILL BE MADE AT ANY
ONE TIME.
ONE TIME.
LID BOLT RIGHT
LID BOLT RIGHT
3/2
3/2
3/2
3/2 3/2
3/2
3/2
SPARE
5/2 5/2
SPARE
5/2
5/2
5/2
IN
O
UT
O
UT
FILTER / REGULATOR ASSEMBLY
FILTER / REGULATOR ASSEMBLY
IO R T
I
L)
AIR NISE
(OP O
NA
IO R T
I
L)AIR NISE (OP O
NA
HTC AUX. CONVEYORS (OPTIONAL)
HTC AUX. CONVEYORS (OPTIONAL)
SEE SHEET 2
HTC BOARD CLAMPS (OPTIONAL)
HTC BOARD CLAMPS (OPTIONAL)
13
26/09/04
26/09/04
30332
30332
MJP
MJP
5/2
5/2
ANY CHANGES TO PROFLOW
ANY CHANGES TO PROFLOW
SEE DARRYL GREEN
SEE DARRYL GREEN
WIP TREV WARREN
WIP TREV WARREN
TO PORT A.
TO PORT A.
FOR HTC AND OLD RAILS
FOR HTC AND OLD RAILS
OPTION, BLANK
OPTION, BLANK
PORT B
PORT B
NEW RAILS BOARDCLAMPS
NEW RAILS BOARDCLAMPS
TO SNUGGERS (SEE SHT 2)
TO SNUGGERS (SEE SHT 2)
DEK
PRINTING MACHINES LIMITED,
PRINTING MACHINES LIMITED,
±
±_°
±_°
±_
NTS
1
2
D PEARCE
20/07/99
20/07/99
158090
158090
PNEUMATIC CIRCUIT
PNEUMATIC CIRCUIT
INFINITY
(OPTIONAL)
˙
_

Mechanical Drawings 53
158090S2 Issue 13 Pneumatic Circuit Infinity
54321
A
B
CC
B
A
1 2 3 4 5
REMOVE ALL BURRS & SHARP EDGES
REMOVE ALL BURRS & SHARP EDGES
6
7
8
9 10
11 12
13
6
7
8
9
10 11
12
13
D
E
F
G
H
I
D
E
F
G
H
I
PROJECTION
PROJECTION
DRAWN
APPROVED
DATE
DATE
TOLERANCES UNLESS
TOLERANCES UNLESS
OTHERWISE STATED
OTHERWISE STATED
MATERIAL
MATERIAL
FINISH
SURFACE ROUGHNESS
SURFACE ROUGHNESS
C
COPYRIGHT
A
OF
SH.
IT MAY NOT BE COPIED,REPRODUCED,
IT MAY NOT BE COPIED,REPRODUCED,
PUBLISHED OR DISCLOSED IN WHOLE
PUBLISHED OR DISCLOSED IN WHOLE
OR IN PART WITHOUT OUR WRITTEN
OR IN PART WITHOUT OUR WRITTEN
CONSENT.
CONSENT.
IN IT, IS THE PROPERTY OF
IN IT, IS THE PROPERTY OF
DRAWING SCALE
DRAWING SCALE
DO NOT SCALE
DO NOT SCALE
ORIGINAL SCALE
ORIGINAL SCALE
(PLOT)
(PLOT)
(CAD) 1:1
(CAD) 1:1
THIS DRAWING AND THE COPYRIGHT
THIS DRAWING AND THE COPYRIGHT
GEN.
ANG.
CRS.
THREADS
ISO COARSE U.O.S.
ISO COARSE U.O.S.
DIMENSIONS
IN MM'S-INCHES IN ( )
IN MM'S-INCHES IN ( )
TITLE
TITLE
DRAWING NUMBER
DRAWING NUMBER
DATE
INITIAL
INITIALDCR
LATEST
LATEST
ISSUE
ISSUE
No.
0
1999
1999
TUBING
4.0 :-
4.0 :-
8.0 :-
6.0 :-
6.0 :-
TO PNEUMATIC SUPPLY (SEE SHEET 1)
TO PNEUMATIC SUPPLY (SEE SHEET 1)
R/H CONVEYOR
R/H CONVEYOR
SOLENOIDS
SOLENOIDS
HTC AUX CONVEYOR BOARD STOPS
HTC AUX CONVEYOR BOARD STOPS
M27SOL01
M27SOL03
M27SOL03
M27SOL02
M27SOL02
L-R DIR.= R/H UPLINE B. STOP
L-R DIR.= R/H UPLINE B. STOP
L-R DIR.= R/H D'LINE B. STOP
L-R DIR.= R/H D'LINE B. STOP
L-R DIR.= L/H D'LINE B. STOP
L-R DIR.= L/H D'LINE B. STOP
AA
B
5/2
5/2
P
OS'N 7
P
OS'N 7
BOARD CLAMP
BOARD CLAMP
IN
OUT
REGULATOR
REGULATOR
(OPTIONAL)
(OPTIONAL)
BOAR
CLAMPS
D
BOAR
CLAMPS
D
R
E
UR ON
OL
P
S
S
E
CTR
R
E
UR ON
OL
P
S
S
E
CTR
IN
OUT
SN
UGE
ONG
R
S
SN
UGE
ONG
R
S
S
UG
R
NGES
S
UG
R
NGES
GR O NSNUG E S
PTIO
GR O N
SNUG E S
PTIO
NOTE:
THIS TUBE TO BE
THIS TUBE TO BE
0.5 TO 1M LONG
0.5 TO 1M LONG
SNUGGER
DELAY
DELAY
CONTROL
CONTROL
UNCLAMP
SPEED
CONTROL
CLAMP
SPEED
CONTROL
CONTROL
NOTE:
NOTE:
THIS TUBE TO BE
THIS TUBE TO BE
0.5 TO 1M LONG
0.5 TO 1M LONG
UNCLAMP DELAY CONTROL
UNCLAMP DELAY CONTROL
FITTED AT SOLENOID
FITTED AT SOLENOID
ON REAR OF M/C
ON REAR OF M/C
TO PNEUMATIC SUPPLY (SEE SHEET 1)
TO PNEUMATIC SUPPLY (SEE SHEET 1)
DEK
PRINTING MACHINES LIMITED,
PRINTING MACHINES LIMITED,
±_
±_
±°_
±_°
±_
±_
NTS
2
2
D PEARCE
20/07/99
20/07/99
MJP
13
13
26/09/04
26/09/04
30332
30332
158090
PNEUMATIC CIRCUIT
PNEUMATIC CIRCUIT
INFINITY
INFINITY