NPM-D电路 - 第230页
在线预览 NPM-D电路 PDF 文档。

4.
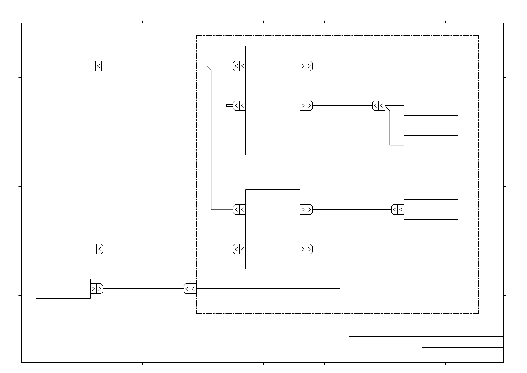
LOAD WIRING DIAGRAM OPTION
負荷配線図 オプション
4-10 2D INSPECTION SENSOR HEAD
2D 検査ヘッド
EJM6DB-10-410-00

LED controller
PPE0AA
CN1
CN3
CN2
CN4
Camera link switch
PNF0AM
CN1
CN3
CN4
CN2
-K301
-K302
Coaxial LED board
UN58EX
Middle LED module
DMW21MN/L3
-E030
-E031~-E038
Lower LED module
DMW6MN/L
-E041~-E048
Color camera
-B3031
2D Inspection Sensor Head
DC24V,RS422
Camera link
Head camera
-B3001/-B3002
1
Panasonic Factory Solutions Co.,Ltd. パナソニック ファクトリーソリューションズ株式会社
Name
Drawing No.
Loc. No.
F4K1020-05A
1
2 3 4 5 6 7 8
A
B
C
D
E
F
1 2 3 4 5 6 7 8
A
B
C
D
E
F
Page. No.
Wiring for 2D Inspection Sensor Head:NPM
(BLOCK DIAGRAM)
N610093639+002AB
P002