NPM-D电路 - 第233页
CN3 2 7 1 6 3 4 8 9 5 10 5V GND CH1_A CH1_K CH1_TEMP CH2_A CH2_K 5V GND CH2_TEMP CN5 1 2 3 4 GND SENSE 24V GND -K301 PPE0AA LED controller CN6 1 2 3 24V 24GND HeadLock No use YE GN/WH GN RD/WH RD BK/WH BK No use 43025-10…

TMEE1.25-4
NICHIFU
-K301
PPE0AA
+24V
GND
+24V
GND
+24V
GND
IN01
GND
CN1
1
9
2
10
3
11
4
12
RXD+
RXD-
TXD+
TXD-
GND
EMG
ILK1
ILK2
5
13
6
14
7
15
8
16
TMEE1.25-3
NICHIFU
14
5
6
13
DM1P016SA1
CN1
Japan Aviation Electronics Industry
4
3
12
11
16
15
9
10
8
7
1
2
13
5
12
4
11
3
10
2
9
1
43025-1600
CN1K301
MOLEX
15
7
14
6
8
16
4
3
2
1
43025-0400
CN1K302
MOLEX
LED controller
-K302
PNF0AM
Camera link switch
GND(ILK)
+24S
GNDS
GND(ILK)
CN1
1
2
3
4
s
s
s
s
N610081534AB
U-TKVVBS AWG24-4P
BU
BU
BU
BU
BU
BU
YE/WH (0.2mm2-4P)
YE
GN/WH
GN
RD/WH
RD
BK/WH
BK
BK/WH (0.5mm2-1P)
N610081534AB
U-TKVV AWG20-1P
BK
Panasonic Factory Solutions Co.,Ltd. パナソニック ファクトリーソリューションズ株式会社
Name
Drawing No.
Loc. No.
F4K1020-05A
1
2 3 4 5 6 7 8
A
B
C
D
E
F
1 2 3 4 5 6 7 8
A
B
C
D
E
F
Page. No.
Wiring for 2D Inspection Sensor Head:NPM
(DC24V,RS422 wiring)
N610093639+003AA
P003

CN3
2
7
1
6
3
4
8
9
5
10
5V
GND
CH1_A
CH1_K
CH1_TEMP
CH2_A
CH2_K
5V
GND
CH2_TEMP
CN5
1
2
3
4
GND
SENSE
24V
GND
-K301
PPE0AA
LED controller
CN6
1
2
3
24V
24GND
HeadLock
No use
YE
GN/WH
GN
RD/WH
RD
BK/WH
BK
No use
43025-1000
CN3K301
MOLEX
2
7
1
6
3
4
8
9
5
10
YE/WH (0.3mm2-4P)
N610093641AA
U-TKVV AWG22-4P
1
2
3
4
5
6
7
43645-0700
CN
MOLEX
CN2
1
5
2
6
3
7
4
8
TXD+
TXD-
RXD+
RXD-
EMG
ILK1
GND
ILK2
8
4
7
3
6
2
5
1
43025-0800
CN2K301
MOLEX
BU
BU
+5V
Temp
GND
A(R)
C(R)
A(G)
C(G)
LED同軸照明
Coaxial LED board
1
2
3
4
5
6
7
CN
-E030
UN58EX
Panasonic Factory Solutions Co.,Ltd. パナソニック ファクトリーソリューションズ株式会社
Name
Drawing No.
Loc. No.
F4K1020-05A
1
2 3 4 5 6 7 8
A
B
C
D
E
F
1 2 3 4 5 6 7 8
A
B
C
D
E
F
Page. No.
Wiring for 2D Inspection Sensor Head:NPM
(LED Lighting wiring 1)
N610093639+004AA
P004

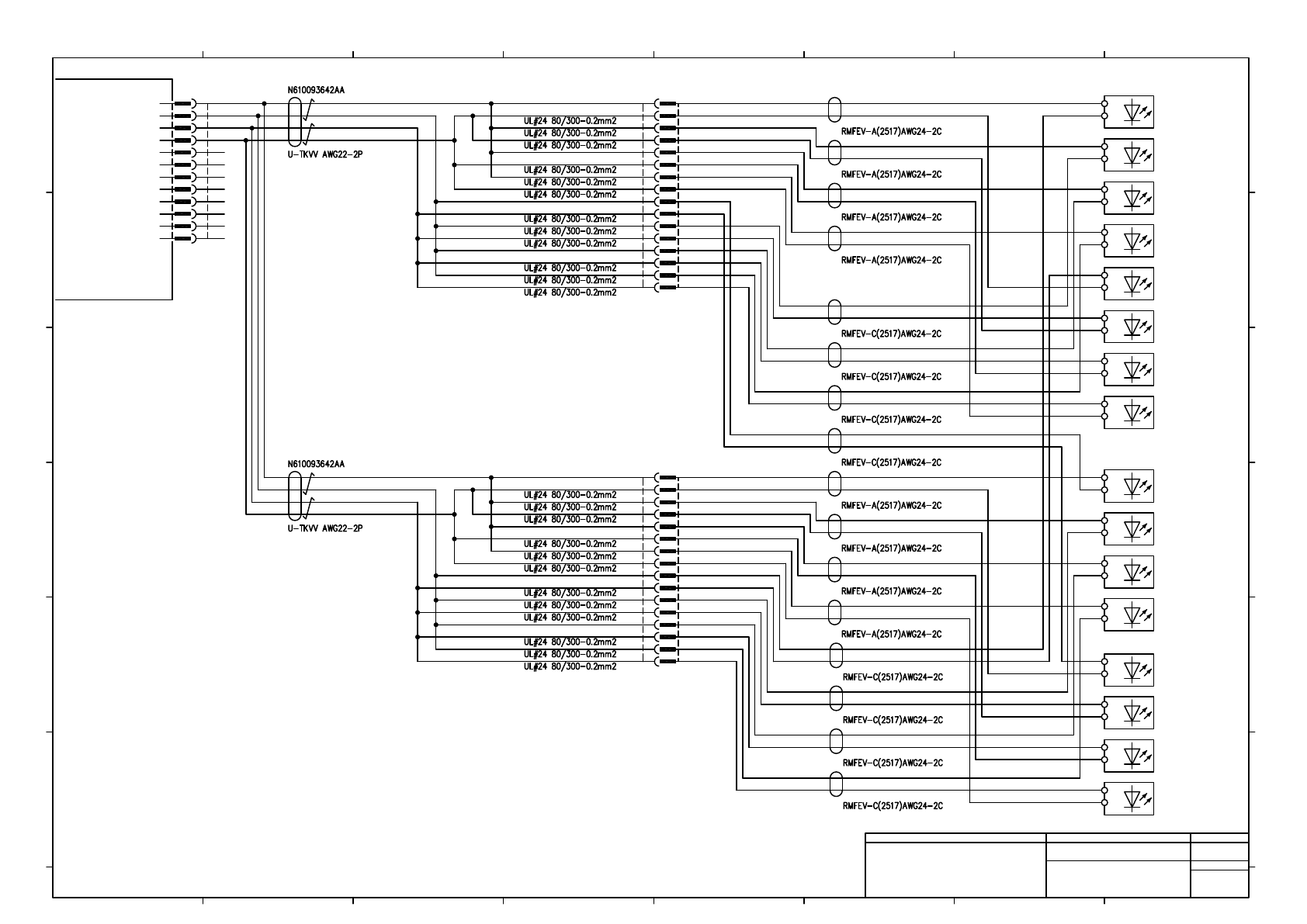
43025-1200
CN4K301
MOLEX
6
12
1
7
4
9
2
8
3
10
5
11
RD/WH (0.3mm2-2P)
BK
BK/WH
RD
RD/WH (0.3mm2-2P)
BK
BK/WH
RD
9
5
16
4
15
3
14
2
13
1
43025-1600
E031R
MOLEX
11
7
10
6
8
12 12
8
11
7
10
6
9
5
16
4
15
3
14
2
13
1
43020-1600
E031P
MOLEX
9
5
16
4
15
3
14
2
13
1
43025-1600
E035R
MOLEX
11
7
10
6
8
12 12
8
11
7
10
6
9
5
16
4
15
3
14
2
13
1
43020-1600
E035P
MOLEX
BU
BU
BU
BU
BU
BU
BU
BU
BU
BU
BU
BU
BU
BU
BU
BU
BU
BU
BU
BU
BU
BU
BU
BU
RD 0.2mm2-2C)
BU
WH
BK (0.2mm2-2C)
WH
BK (0.2mm2-2C)
WH
BK (0.2mm2-2C)
WH
BK (0.2mm2-2C)
RD 0.2mm2-2C)
BU
RD 0.2mm2-2C)
BU
RD 0.2mm2-2C)
BU
RD 0.2mm2-2C)
BU
WH
BK (0.2mm2-2C)
WH
BK (0.2mm2-2C)
WH
BK (0.2mm2-2C)
WH
BK (0.2mm2-2C)
RD 0.2mm2-2C)
BU
RD 0.2mm2-2C)
BU
RD 0.2mm2-2C)
BU
CH3_A
CH3_K
CH4_A
CH4_K
5V
GND
CH3_TEMP
5V
GND
CH4_TEMP
F.G
F.G
-K301
PPE0AA
LED controller CN4
1
7
4
9
2
8
3
10
5
11
6
12
Middle LED #1
Middle LED #2
Middle LED #3
Middle LED #4
Lower LED #1
Lower LED #2
Lower LED #3
Lower LED #4
Middle LED #5
Middle LED #6
Middle LED #7
Middle LED #8
Lower LED #5
Lower LED #6
Lower LED #7
Lower LED #8
-E031
DMW21MN/L3 A
K
Panasonic
-E032
DMW21MN/L3 A
K
Panasonic
-E033
DMW21MN/L3 A
K
Panasonic
-E034
DMW21MN/L3 A
K
Panasonic
-E041
DMW21MN/L3 A
K
Panasonic
-E042
DMW21MN/L3 A
K
Panasonic
-E043
DMW21MN/L3 A
K
Panasonic
-E044
DMW21MN/L3 A
K
Panasonic
-E035
DMW21MN/L3 A
K
Panasonic
-E036
DMW21MN/L3 A
K
Panasonic
-E037
DMW21MN/L3 A
K
Panasonic
-E038
DMW21MN/L3 A
K
Panasonic
-E045
DMW21MN/L3 A
K
Panasonic
-E046
DMW21MN/L3 A
K
Panasonic
-E047
DMW21MN/L3 A
K
Panasonic
-E048
DMW21MN/L3 A
K
Panasonic
Right Side
Left Side
1
1
1
1
1
1
1
1
1
1
1
1
1
1
1
1
Panasonic Factory Solutions Co.,Ltd. パナソニック ファクトリーソリューションズ株式会社
Name
Drawing No.
Loc. No.
F4K1020-05A
1
2 3 4 5 6 7 8
A
B
C
D
E
F
1 2 3 4 5 6 7 8
A
B
C
D
E
F
Page. No.
Wiring for 2D Inspection Sensor Head:NPM
(LED Lighting wiring 2)
N610093639+005AB
P005