NPM-D电路 - 第86页
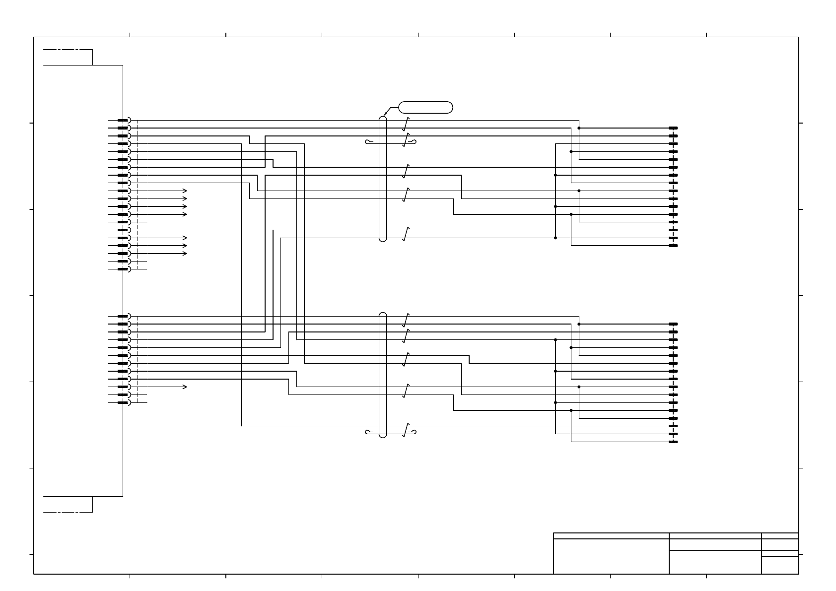
-K321 PNF0B4 Power Unit 1 -A02 ILK Board #1 MOLEX B1120P 43020-1400 14 13 12 11 10 9 8 7 6 5 4 3 2 1 MOLEX B1131P 43020-0200 2 1 MOLEX B1130P 43020-1400 14 13 12 11 10 9 8 7 6 5 4 3 2 1 7 8 9 10 11 12 OT102 IN121 IN123 2…

-K321
PNF0B4
Power Unit 1
-A02
ILK Board #1
CNTL
1
2
3
4
5
6
7
8
9
10
11
12
13
14
15
16
17
18
19
20
20
19
18
17
16
15
14
13
12
11
10
9
8
7
6
5
4
JST
CNTLK321
PUDP-20V-S
3
2
1
24VOUT
24GND
IN124
IN117
OT101
IN113
IN136
24VOUT
24GND
IN126
OT103
IN127
IN125
24VOUT
24GND
IN132
OT105
IN133
24VOUT
24GND
MOLEX
B1115P
43020-1600
16
15
14
13
12
11
10
9
8
7
6
5
4
3
2
1
MOLEX
B1117P
43020-1600
16
15
14
13
12
11
10
9
8
7
6
5
4
3
2
1
IN134
24VOUT
24GND
IN120
7
8
9
10
CNTR1
1
2
3
4
5
6
24VOUT
24GND
IN122
IN115
OT100
IN112
11
12
24VOUT
24GND
12
11
10
9
8
7
6
5
4
MOLEX
CNTR1K321
43025-1200
3
2
1
BK/WH
BK
RD/WH
RD
GN/WH
GN
YE/WH
YE
BU UL#24 80/300-0.2mm2
BU UL#24 80/300-0.2mm2
BU UL#24 80/300-0.2mm2
BU UL#24 80/300-0.2mm2
BU UL#24 80/300-0.2mm2
BU UL#24 80/300-0.2mm2
BU
UL#24 80/300-0.2mm2 BN/WH
BN
BK/WH
BK
RD/WH
RD
GN/WH
GN
YE/WH
YE
BN/WH
BN
2464C(BPF)VVP AWG#24×5P-B
BU UL#24 80/300-0.2mm2
BU UL#24 80/300-0.2mm2
BU UL#24 80/300-0.2mm2
BU UL#24 80/300-0.2mm2
BU UL#24 80/300-0.2mm2
BU UL#24 80/300-0.2mm2
BU UL#24 80/300-0.2mm2
N610159601AD
IN126
P037-4B
OT103
P037-4C
IN127
P037-4C
IN125
P037-4D
IN132
P037-4E
OT105
P037-4D
IN133
P037-4D
IN120
P037-4B
2464C(BPF)VVP AWG#24×5P-B
For B1115R
L1 Conveyor Sensor
2
For B1117R
L2 Conveyor Sensor
2
2464-1061/ⅡA(PF) LF 5P×24AWG
3
3
2464-1061/ⅡA(PF) LF 5P×24AWG
3
Panasonic Factory Solutions Co.,Ltd. パナソニック ファクトリーソリューションズ株式会社
Name
Drawing No.
Loc. No.
F4K1020-05A
1
2 3 4 5 6 7 8
A
B
C
D
E
F
1 2 3 4 5 6 7 8
A
B
C
D
E
F
Page. No.
Main Body Wiring : NPM-D3
(Conveyor I/F 3)
N610159580+036AE
P036
4

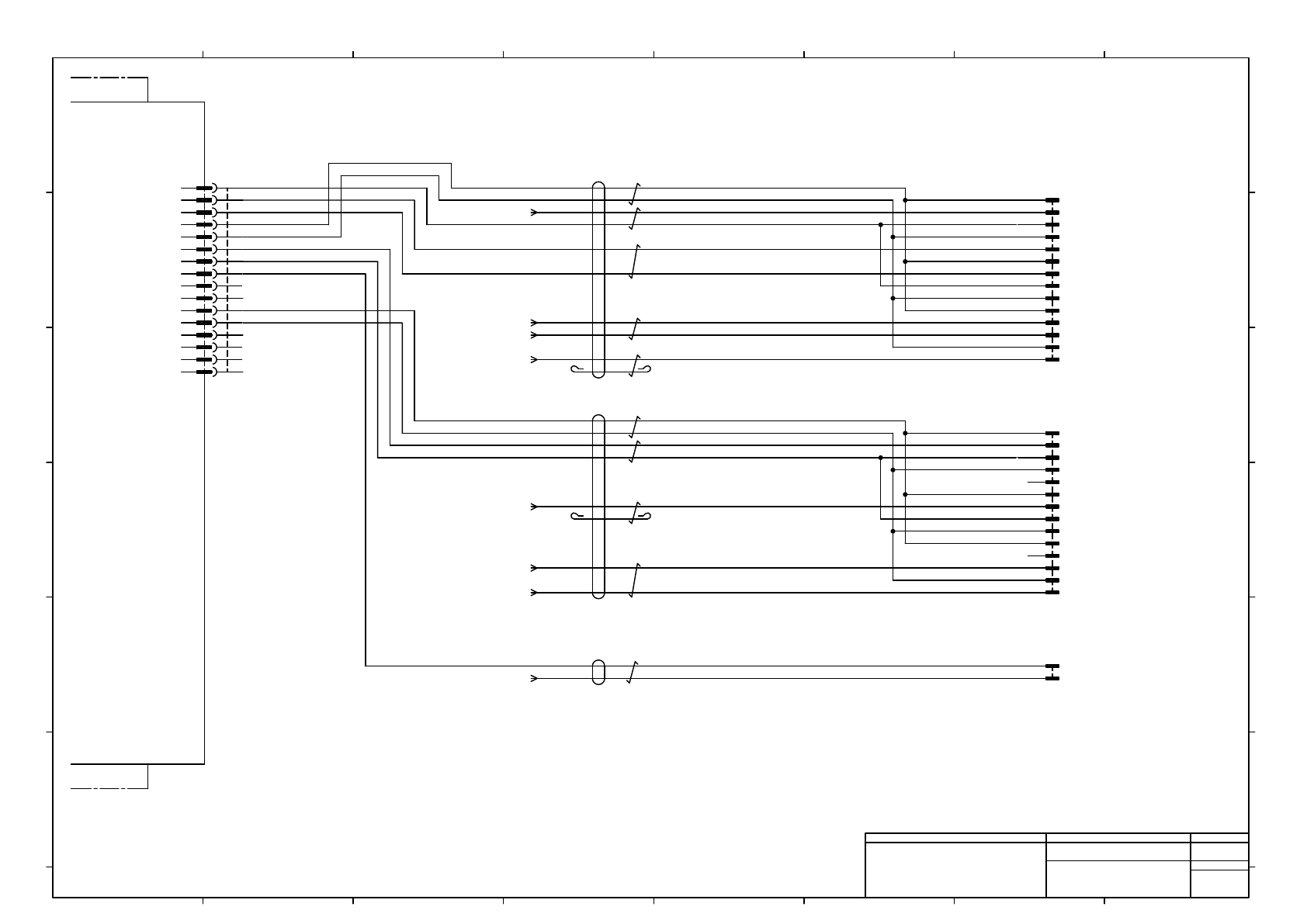
-K321
PNF0B4
Power Unit 1
-A02
ILK Board #1
MOLEX
B1120P
43020-1400
14
13
12
11
10
9
8
7
6
5
4
3
2
1
MOLEX
B1131P
43020-0200
2
1
MOLEX
B1130P
43020-1400
14
13
12
11
10
9
8
7
6
5
4
3
2
1
7
8
9
10
11
12
OT102
IN121
IN123
24VOUT
CNTR2
3
4
5
6
1
2
13
14
15
16
16
15
14
13
12
11
10
9
8
7
6
5
4
MOLEX
CNTR2K321
43025-1600
3
2
1
NC
NC
NC
NC
IN012
IN107
24VOUT
24GND
24GND
IN130
OT104
IN131
BK/WH
BK
RD/WH
RD
GN/WH
GN
YE/WH
YE
BU UL#24 80/300-0.2mm2
BU UL#24 80/300-0.2mm2
BU UL#24 80/300-0.2mm2
BU UL#24 80/300-0.2mm2
BU UL#24 80/300-0.2mm2
BU UL#24 80/300-0.2mm2
BN/WH
BN
2464C(BPF)VVP AWG#24×5P-B
BK/WH
BK
RD/WH
RD
GN/WH
GN
YE/WH
YE
BU UL#24 80/300-0.2mm2
BU UL#24 80/300-0.2mm2
BU UL#24 80/300-0.2mm2
BU UL#24 80/300-0.2mm2
BU UL#24 80/300-0.2mm2
BU UL#24 80/300-0.2mm2
IN133 P036-2C
OT105 P036-2C
IN125 P036-2C
IN127 P036-2B
OT103 P036-2B
IN126 P036-2B
IN120 P036-2E
BN/WH
BK
2464C(BPF)VVP AWG#24×1P-B
U-TKVV 4P-AWG24
IN132 P036-2C
1
1
For B1120R
L1 Conveyor Sensor
2
For B1130R
L2 Conveyor Sensor
2
For B1131R
L1・L2 Conveyor Sensor
2
Panasonic Factory Solutions Co.,Ltd. パナソニック ファクトリーソリューションズ株式会社
Name
Drawing No.
Loc. No.
F4K1020-05A
1
2 3 4 5 6 7 8
A
B
C
D
E
F
1 2 3 4 5 6 7 8
A
B
C
D
E
F
Page. No.
Main Body Wiring : NPM-D3
(Conveyor I/F 4)
N610159580+037AD
P037
2464-1061/ⅡA(PF) LF 5P×24AWG
3
2464-1061/ⅡA(PF) LF 4P×24AWG
3
2464-1061/ⅡA(PF) LF 1P×24AWG
3

-K321
PNF0B4
ILK Board #1
I/O Board
CN30
CN31
-K322
PNF0B3
1
3
2
4
5
6
7
8
P24
G24
IN235
N.C.
P24
IN236
G24
N.C.
1
3
2
4
5
7
6
8
P24
G24
IN244
IN234
P24
G24
IN245
IN233
2464C(BPF)VVP AWG#24×3P-B
GN/WH
GN
BK/WH
BK
RD/WH
RD
MOLEX
CN30K322
43025-0800
8
7
6
5
4
2
3
1
MOLEX
CN31K322
43025-0800
8
6
7
5
4
2
3
1
MOLEX
1B1235R
43025-0800
8
7
6
5
4
2
3
1
MOLEX
1B1244R
43025-0800
8
6
7
5
4
2
3
1
MOLEX
R4134R
43025-0400
4
3
2
1
BK/WH
BK
RD/WH
RD
2464C(BPF)VVP AWG#24×2P-B
BK/WH
BK
RD/WH
RD
2464C(BPF)VVP AWG#24×2P-B
U-TKVV 4P-AWG24
BK/WH
BK
RD/WH
RD
GN/WH
GN
YE/WH
YE
MOLEX
R4136R
43025-0400
4
3
2
1
1
2
3
4
5
6
7
8
9
10
CNVLB
24VOUT
OT117
24VOUT
OT134
24VOUT
OT135
24VOUT
OT136
24VOUT
OT137
Power Unit 1
JST
CNVLBK321
PAP-10V-S
1
2
3
4
5
6
7
8
9
10
AMP
OT117P
177906-1
2
1
BK/WH
BK
2464C(BPF)VVP AWG#24×1P-B
N610160961AD
N610160960AD
N610159602AC
For 1B1235P
L2 P.C.B Support Sensor
For 1B1244P
L1 P.C.B Support Sensor
For R4134P
L1 P.C.B Support Valve
For R4136P
L2 P.C.B Support Valve
-A02
AMP
OT117R
177898-1
2
1
2464C(BPF)VVP AWG#24×1P-B
BK
BK/WH
OT117R-2
P039-7B
CNCOV
N610160959AD
1
2
3
4
5
6
7
8
9
10
P24
P24
IN223
IN225
IN227
IN224
G24
G24
G24
IN226
MOLEX
CNCOVR
43025-1000
1
2
3
4
5
6
7
8
9
10
MOLEX
1B1223P
43020-0800
8
7
6
5
4
3
2
1
U-TKVV 4P-AWG24
BK/WH
BK
RD/WH
RD
GN/WH
GN
YE/WH
YE
For 1B1223R
Transfer Specification
Note1) Connector Pin arrangement is not sequential.
Note1)
Note1)
Note1)
Note1)
2
2
2
2
2
3
3
3
3
2464-1061/ⅡA(PF) LF 4P×24AWG
3
2464-1061/ⅡA(PF) LF 4P×24AWG
3
2464-1061/ⅡA(PF) LF 1P×24AWG
3
2464-1061/ⅡA(PF) LF 2P×24AWG
3
2464-1061/ⅡA(PF) LF 2P×24AWG
3
2464-1061/ⅡA(PF) LF 1P×24AWG
3
2464-1061/ⅡA(PF) LF 3P×24AWG
3
Panasonic Factory Solutions Co.,Ltd. パナソニック ファクトリーソリューションズ株式会社
Name
Drawing No.
Loc. No.
F4K1020-05A
1
2 3 4 5 6 7 8
A
B
C
D
E
F
1 2 3 4 5 6 7 8
A
B
C
D
E
F
Page. No.
Main Body Wiring : NPM-D3
(Conveyor I/F 5)
N610159580+038AE
P038
4
4
4
4