RS-1維修調整要領書 - 第22页
维修调整要领书 1- 15 【 RS - 1XL 】 1 ) 拆下 SL3061232TN ,从 CB_BR 上卸下 Y 轴电缆拖链。 2 ) 拆下 SM 3051052T N ,从 X 轴组件上卸下 Y 轴电缆拖链。 3 ) 拆下 SL6061292 TN ,拆下 FC _SUPPORT_ Y_V 2 。 按相反的步骤进行装配。这时,请注意电缆拖链内的线束不要缠绕。 并且,请将 Y 轴移动到最靠身前的位置,用手推入线束,确认 Y 电缆…

维修调整要领书
1-14
1-3-2 Y 轴电缆拖链的更换
Y CABLE BEAR (E) (40060210)
1) 拆下 SL3061232TN,从 CB_BR 上卸下 Y 轴电缆拖链。
2) 拆下 SM3051052TN,从 X 轴组件上卸下 Y 轴电缆拖链。
3) 拆下 SL6061292TN,拆下 FC_SUPPORT_Y_V2。
4) 按相反的步骤进行装配。这时,请注意电缆拖链内的线束不要缠绕。
并且,请将 Y 轴移动到最靠身前的位置,用手推入线束,确认 Y 电缆拖链内部的线束不绷紧。
图 1-3-2-1 Y 轴电缆拖链
CB_BR
SL3061232TN
FC_SUPPORT_Y_V2
SL6061292TN
Y 轴电缆拖链
FC_SUPPORT_Y_V2
SM3051052TN
SL6061292TN

维修调整要领书
1-15
【RS-1XL】
1) 拆下 SL3061232TN,从 CB_BR 上卸下 Y 轴电缆拖链。
2) 拆下 SM3051052TN,从 X 轴组件上卸下 Y 轴电缆拖链。
3) 拆下 SL6061292TN,拆下 FC_SUPPORT_Y_V2。
按相反的步骤进行装配。这时,请注意电缆拖链内的线束不要缠绕。
并且,请将 Y 轴移动到最靠身前的位置,用手推入线束,确认 Y 电缆拖链内部的线束不绷紧。
图 1-3-2-2 Y 轴电缆拖链(XL)
Y_CB_TABLE
FC_SUPPORT_Y_V2
FC_SUPPORT_Y_V2
SL3061232TN
Y_CB_SUPPORT_XL
SL6061292TN
SL6061292TN
SM3051052TN

维修调整要领书
1-16
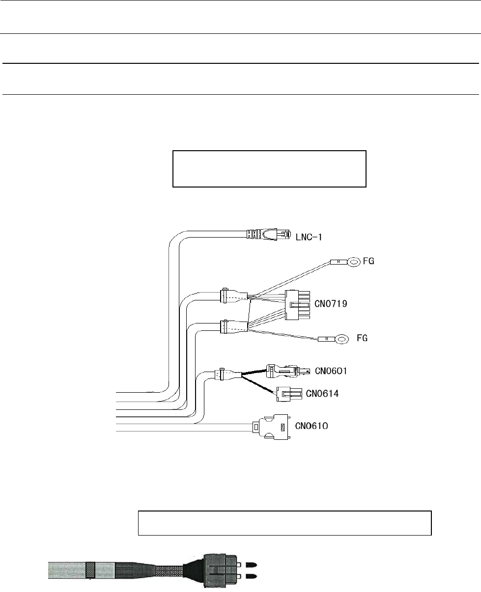
1-4 XY 拖链电缆束线的更换要领说明
1-4-1 拆下 X 电缆
1) 取下贴装头顶盖,卸下与 XY 拖链电缆相连的各类插接器和 OPTICAL FIBER CABLE 7M。
XY 拖链电缆
OPTICAL FIBER CABLE 7M
OPTICAL FIBER CABLE 7M
(
40048070
)
图 1-4-1-1
图 1-4-1-2
XY拖链电缆(40182272)
XY拖链电缆XL(40214920)