NXTII 培训手册.pdf - 第179页

Edition 1.0 N X T I I 用户高级培训手册 FMC-1010-003-0 C 4-41 FUJI MACHINE MFG. CO., LTD 4.16 料盘单元 -L 的 TY 轴 ·TZ 轴伺服放大器的电池 4.16.1 更换时期 电池报警时。 注意 ) ・ 请不要使用指定以外的 电池。 ・ 请在不切断机器电源状 态下更换电池。没有接通电源的 状态下拆下电池时, 有必要重新设 定马达的原点 。 ・ 使用完的电池请根据…

100%1 / 350
Edition 1.0
NXT II
用户高级培训手册
FMC-1010-003-0C
4-40
FUJI MACHINE MFG. CO., LTD
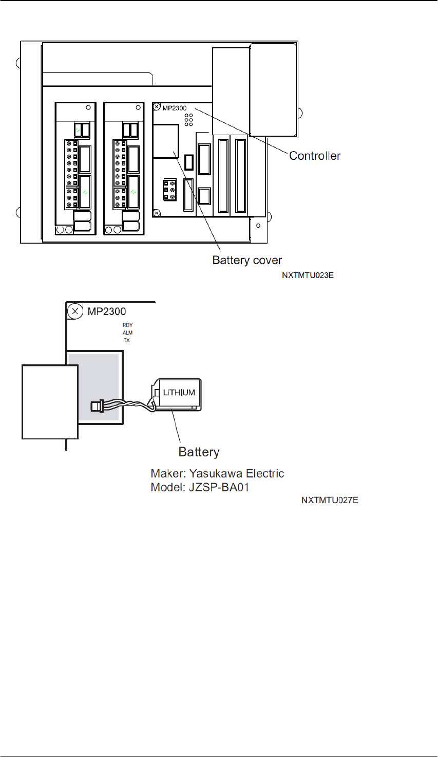
4. 打开控制器前面的电池盖板。
5. 拆下电池的导线插头,与新品的电池更换。
6. 安装电池后,确认「BATLED 已经熄灭。
7. 关上电池盖板。
8. 关紧控制器的安全门。
Edition 1.0
NXT II
用户高级培训手册
FMC-1010-003-0C
4-41
FUJI MACHINE MFG. CO., LTD
4.16 料盘单元-L TY ·TZ 轴伺服放大器的电池
4.16.1 更换时期
电池报警时。
注意
)
请不要使用指定以外的电池。
请在不切断机器电源状态下更换电池。没有接通电源的状态下拆下电池时,有必要重新设
定马达的原点
使用完的电池请根据处理地区的规定进行处理。
4.16.2 更换方法
1. 请接通模组的电源,安装料盘单元-L
2. 请打开在 TY 轴和 TZ 轴马达旁边的各个电池盒,将电池与新品更换。
3. 装上料盘单元-L 主体的盖板。
Edition 1.0
NXT II
用户高级培训手册
FMC-1010-003-0C
4-42
FUJI MACHINE MFG. CO., LTD
4.17 料盘单元-L 联锁电路板的保险丝
保险丝熔断时,电路板上的 LED 灯灭。更换保险丝前请确认是否熔断。
4.17.1 更换方法
1. 请接通模组的电源,安装料盘单元-L
2. 拧松螺丝,打开控制箱的安全门。
3. 确认熔断的保险丝是哪一根后,将主电源开关 OFF 后切断机器的电源。
注意
)
在更换保险丝前,请务必切断电源。请用与拆下的保险丝相同容量的保险丝更换。
4. 从联锁电路板上拔下保险丝(34F134F234F3)并更换。
5. 关紧控制箱的安全门。