NXTII 培训手册.pdf - 第186页
Edition 1.0 N X T I I 用户高级培训手册 FMC-1010-003-0 C 4-48 FUJI MACHINE MFG. CO., LTD 4.22 料盘单元 -LTC 伺服控制器的电池 对料盘单元 -LTC 的运转必要的数据保存在控制器 (MP2300) 内部的存储器中, 这个存储器用 电池备份。 为了稳定运行料盘单元 -LTC ,请每 2 年必须更换电池。 4.22.1 电池的种类 图号 H10212 名称 电池…

Edition 1.0
NXT II
用户高级培训手册
FMC-1010-003-0C
4-47
FUJI MACHINE MFG. CO., LTD
4.21 料盘单元-LT 联锁电路板的保险丝
保险丝熔断时,电路板上的 LED 灯灭。更换保险丝前请确认是否熔断。
4.21.1 更换方法
1. 请接通模组的电源,安装料盘单元-LT。
2. 拧松螺丝,打开正面下部的盖板。详细请参考" 8.23 拆下料盘单元-LT 盖板 "。
3. 确认熔断的保险丝是哪一根后,将主电源开关 OFF 后切断机器的电源。
注意
)
在更换保险丝前,请务必切断电源。请用与拆下的保险丝相同容量的保险丝更换。
4. 从联锁电路板上拔下保险丝(T1F1 ~ 9)并更换。
5. 关紧前盖板的安全门。

Edition 1.0
NXT II
用户高级培训手册
FMC-1010-003-0C
4-48
FUJI MACHINE MFG. CO., LTD
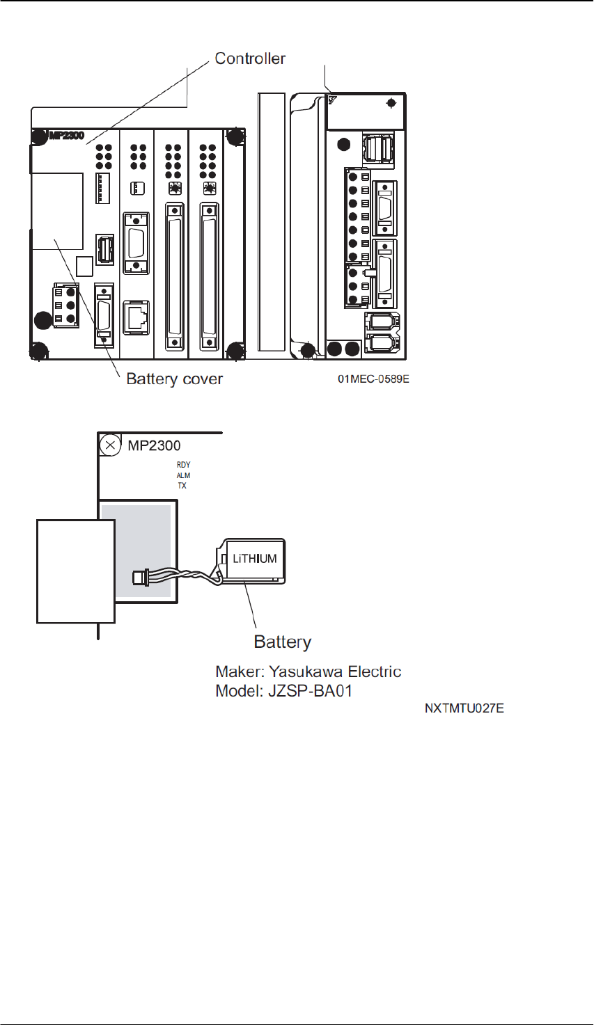
4.22 料盘单元-LTC 伺服控制器的电池
对料盘单元-LTC 的运转必要的数据保存在控制器 (MP2300) 内部的存储器中,这个存储器用
电池备份。 为了稳定运行料盘单元-LTC,请每 2 年必须更换电池。
4.22.1 电池的种类
图号
H10212
名称 电池
型号
JZSP-BA01
规格 1日 8 小时运转:约 3 年
4.22.2 更换方法
注意
)
・
请不要使用指定以外的电池。
・
请在不切断机器电源状态下更换电池。没有接通电源的状态下拆下电池时,有必要重新设
定马达的原点。
・
使用完的电池请根据处理地区的规定进行处理。
1. 请接通模组的电源,安装料盘单元-LTC。
2. 请拆除料盘单元-LTC 的废料带箱。
3. 拧松螺丝,打开正面下部的盖板。详细请参考" 8.25 拆下料盘单元-LTC 盖板 "。
4. 确认控制的「RDY」LED(绿色)处于点亮状态。

Edition 1.0
NXT II
用户高级培训手册
FMC-1010-003-0C
4-49
FUJI MACHINE MFG. CO., LTD
5. 打开控制器前面的电池盖板。
6. 拆下电池的导线插头,与新品的电池更换。
7. 安装电池后,确认「BAT」LED 已经熄灭。
8. 关上电池盖板。
9. 关紧控制器的安全门。