KE-2050_电路图 - 第167页
在线预览 KE-2050_电路图 PDF 文档。



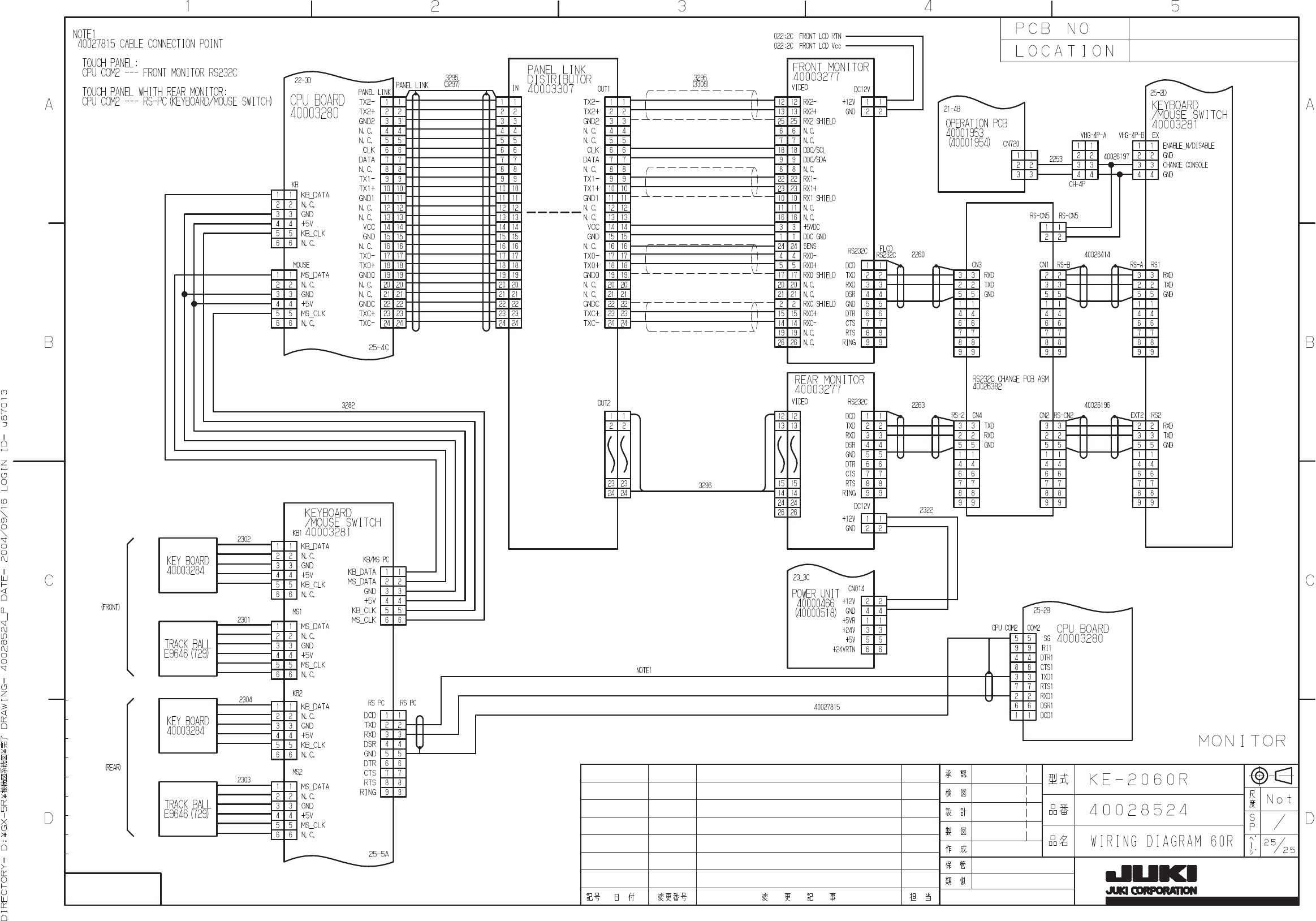
KE-2060
SYSTEM DIAGRAM
ISM/MES GX5
1
1
40176227
CPU BOARD
CTR
L UNIT
KEYBOARD
40003280
KEYBOARD/MOUSE SWITCH
40003281
COM2COM2
40003282
40027815
MOUSE
MOUSE
BARCORD
READER
KEYBOARD
BARCORD
READER
40002302
40002304
40002303
40002301
40003284
40003284
40176191
40176191
FRONT
REAR
EZ145864411
EZ145864411
KB
MOUSE
KB/MS PC
RS PC
KB1
KB2
MS1
MS2
NOT
尺
度
ペ
ジ
型式
品番
品名
承認
検図
設計
製図
作成
保管
類似
担 当
記号 日付 変更番号
変更記事
D
C
B
A
54321
C
B
A
D
TSK10-A3-V01
EDA
ISM/MES COOPERATION