文档中心
/
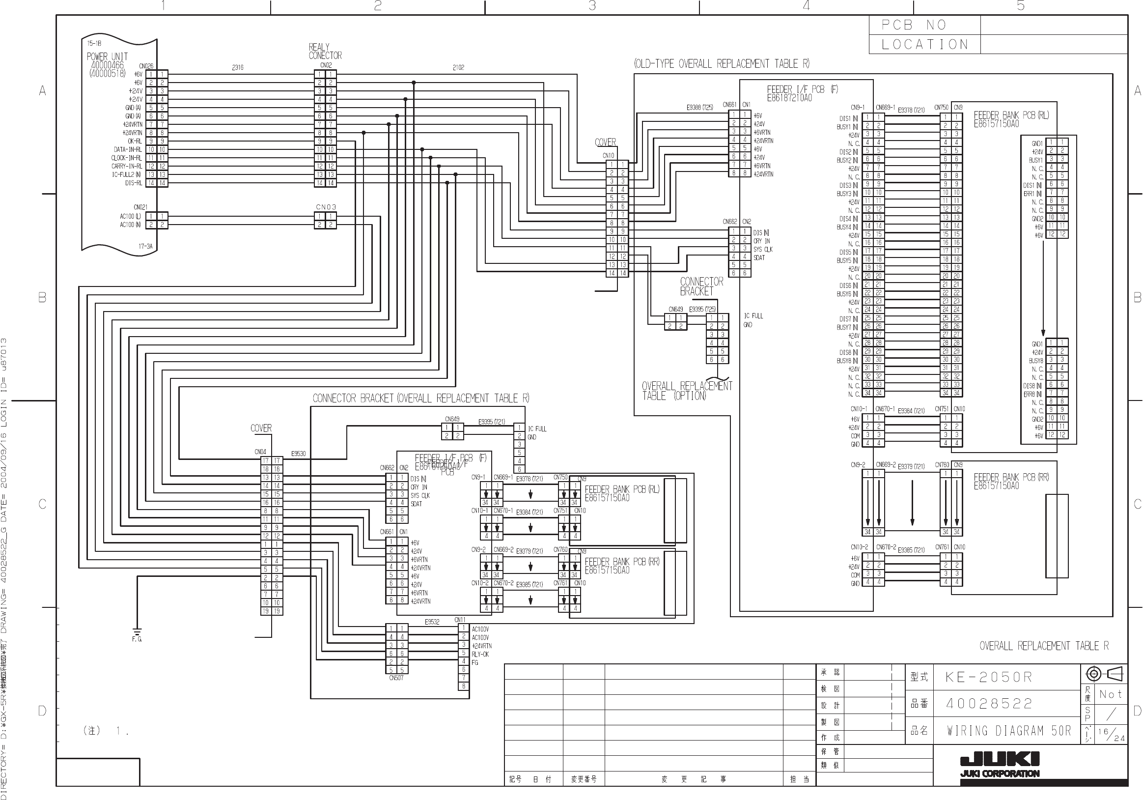
KE-2050_电路图
KE-2050_电路图 - 第91页
在线预览 KE-2050_电路图 PDF 文档。
目录
100%
显示:宽度
宽度
1 / 171
回到旧版
旧版
?
该页面需要启用 JavaScript 才能进行交互式预览。