P-196-001e - 第113页
MODEL TCM-3100J-2 0108-001 111 Key No. P AR T No. P AR T NAME Q’ty REMARKS NOTE 5-3 1 -1 630 064 4562 BL OCK 1 659C--03B-015 1 -2 630 064 4579 BL OCK 1 659C--03B-016 2 4 1 1 1 41 48 0 0 WASHER V 12X24X2.5 8 FW12 3 411 14…

MODEL TCM-3100J-2
0108-001
110
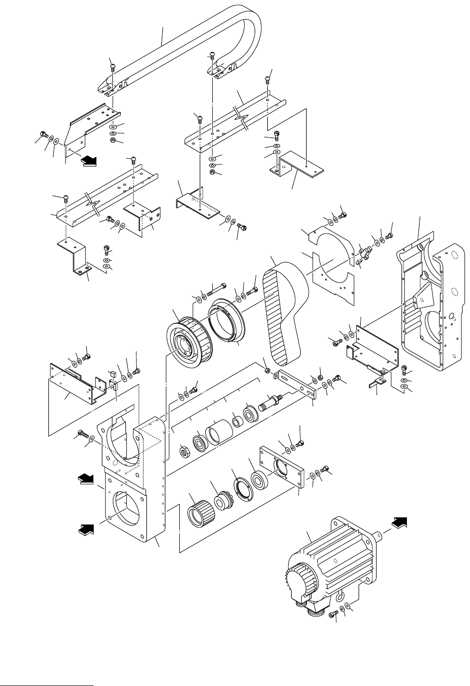
ㇱຠଏ⛎ㇱ FEEDER CARRIAGE SECTION
Fig. 5-3 ࡞࡙࠾࠶࠻㚟േㇱ Feeder Carriage Driver
A
8
7
6
5
9
40
20
20
2
3
31-5
31-5
31-3
31-3
31-1
31-1
31-2
31-2
31-3
31-4
31-4
4
18
18
19
19
21
22
23
24
25
25
26
58
59
60
67
66-1
66
66
42
42
41
41
1-1
1-1
56
68
68
69
69
60
57
59
58
45
46
47
50
50
48
49
49
1-2
64
63
62
61
14
51
52
52
27
28
29
29
17
16
15
31
31
32
33
37
37
38
39
30
12
12
11
11
10
10
44
44
43
43
B
B
A
100
100-1
99
101
102
103
84
84
83
82
81
95
95
89
89
95
89
94
94
93
93
92
92
91-1
92
92
93
94
94
94
94
94
93
93
92
93
93
92
92
90-2
90-1
91-2
91-2
101
102
103
95
Fig.5-3
TCM-3100J-2

MODEL TCM-3100J-2
0108-001
111
Key No. PART No. PART NAME Q’ty REMARKS
NOTE
5-3
1 -1 630 064 4562 BLOCK 1 659C--03B-015
1 -2 630 064 4579 BLOCK 1 659C--03B-016
2 411 141 4800 WASHER V 12X24X2.5 8 FW12
3 411 141 3308 WASHER SPR 12 8 SW12
4 630 000 8227 BOLT,HEX-SCT 8 M12X30
5 630 061 2967 PULLEY,TIMING 2 659C--03H-015
6 411 141 4503 WASHER V 8X17X1.6 8 FW8
7 411 141 3100 WASHER SPR 8 8 SW8
8 630 000 8081 BOLT,HEX-SCT 8 M8X60
9 630 064 1905 DISK 2 659C--03B-039
10 411 141 4008 WASHER V 4X9X0.8 6 FW4
11 411 141 2905 WASHER SPR 4 6 SW4
12 630 000 7695 BOLT,HEX-SCT 6 M4X35
14 630 094 2064 MOTOR,AC-SERVO 2 SVM2(R1), SVM3(R2),
#SGMGH-40ACB-TV12
659C--03H-003
15 411 141 4800 WASHER V 12X24X2.5 8 FW12
16 411 141 3308 WASHER SPR 12 8 SW12
17 630 000 8234 BOLT,HEX-SCT 8 M12X35
18 630 061 2974 PULLEY,TIMING 2 659C--03H-012
19 630 032 5126 NUT 2 659C--03H-013
20 630 063 9810 BELT,TIMING 2 659C--03H-020
21 630 052 1122 HOLDER 2 659C--03B-040
22 630 035 0029 BEARING,RADIAL 2 659C--03H-014
23 630 048 4076 HOLDER 2 659C--03B-041
24 411 141 4008 WASHER V 4X9X0.8 8 FW4
25 411 141 2905 WASHER SPR 4 8 SW4
26 630 000 7640 BOLT,HEX-SCT 8 M4X14
27 411 141 4305 WASHER V 6X12.5X1.6 8 FW6
28 411 141 3001 WASHER SPR 6 8 SW6
29 630 000 7916 BOLT,HEX-SCT 8 M6X30
30 630 039 9554 PLATE 2 659C--03B-044
31 630 060 6690 ASSY,PULLEY 2
31 -1 630 054 9997 PULLEY 2 659C--03B-043
31 -2 630 055 1907 COLLAR 2 659C--03B-045
31 -3 630 032 5270 BEARING,RADIAL 4 659C--03H-010
31 -4 630 054 9980 PIN,LOCATE 2 659C--03B-042
31 -5 630 008 6201 NUT 2 659C--03H-011
32 411 141 3308 WASHER SPR 12 2 SW12
33 411 141 1304 NUT HEX 12 2 M12
37 630 001 0237 WASHER 4 659C--03H-009
38 411 141 3001 WASHER SPR 6 4 SW6
39 630 000 7909 BOLT,HEX-SCT 4 M6X25
40 411 141 0703 NUT HEX 6 2 M6
41 630 001 0237 WASHER 2 659C--03H-009
42 630 000 7923 BOLT,HEX-SCT 2 M6X35
43 630 095 3329 PLATE 2 659C--03B-020
44 630 047 6675 COVER 2 659C--03B-021
45 411 141 4008 WASHER V 4X9X0.8 8 FW4
46 411 141 2905 WASHER SPR 4 8 SW4

MODEL TCM-3100J-2
0108-001
112
Key No. PART No. PART NAME Q’ty REMARKS
NOTE
5-3
47 630 000 7626 BOLT,HEX-SCT 8 M4X10
48 630 032 5287 SENSOR,PHOTO 2 PHS26, PHS27 659C--03H-017
49 630 000 0269 SENSOR,PHOTO(CONNECTOR) 2 659C--03H-006
50 411 119 1909 WASHER V 3X7X0.5 4 FW3 F
51 411 086 4408 WASHER SPR 3 4 SW3 F
52 411 042 0703 SCR PAN 3X8 4 M3X8 PAN
56 630 065 2208 BRACKET 1 659C--03B-138
57 630 065 2215 BRACKET 1 659C--03B-139
58 411 141 4305 WASHER V 6X12.5X1.6 8 FW6
59 411 141 3001 WASHER SPR 6 8 SW6
60 630 000 7886 BOLT,HEX-SCT 8 M6X16
61 630 065 2246 BRACKET 1 659C--03B-142
62 411 141 4008 WASHER V 4X9X0.8 2 FW4
63 411 141 2905 WASHER SPR 4 2 SW4
64 630 000 7633 BOLT,HEX-SCT 2 M4X12
66 630 046 6447 SENSOR,PHOTO 1 PHS63 659C--03H-018
66 -1 630 000 0269 SENSOR,PHOTO(CONNECTOR) 1 659C--03H-006
67 411 141 3902 WASHER V 3X7X0.5 2 FW3
68 411 141 2806 WASHER SPR 3 2 SW3
69 411 040 7803 SCR PAN 3X12 2 M3X12 PAN
81 630 067 1070 BRACKET 2 659C--03B-023
82 411 141 4305 WASHER V 6X12.5X1.6 4 FW6
83 411 141 3001 WASHER SPR 6 4 SW6
84 630 000 7893 BOLT,HEX-SCT 4 M6X20
89 630 056 2507 GUIDE 2 659C--03B-025
90 -1 630 055 4144 BRACKET 1 659C--03B-029
90 -2 630 052 1139 BRACKET 1 659C--03B-026
91 -1 630 055 4151 BRACKET 1 659C--03B-030
91 -2 630 052 5908 BRACKET 1 659C--03B-028
92 630 001 0220 WASHER 8 659C--03H-021
93 411 141 4107 WASHER V 5X10X1 8 FW5
94 630 000 7756 BOLT,HEX-SCT 8 M5X12
95 411 140 8007 SCR TRS 5X6 8 M5X6 TRS
99 630 064 2582 MECH PARTS 2 659C--03H-004
100 411 113 9703 SCR TRS 6X10 16 M6X10 TRS
100 -1 411 166 7008 SCR TRS 6X16 8 659C--03H-147
101 411 141 4206 WASHER V 6X12.5X1.6 16 FW6 F
102 411 008 2505 WASHER SPR 6 16 SW6 F
103 411 004 5104 NUT HEX 6 16 M6 F