P-196-001e - 第159页
MODEL TCM-3100J-2 0108-001 157 Key No. P AR T No. P AR T NAME Q’ ty REMARKS NOTE 7-4 1 630 056 1500 P LA T E 4 659G--03B-033 1 -1 630 059 2405 BR ACK ET (PH OTO L) 2 6 5 9G - - 03 B -0 1 6 1 -2 630 059 2412 BR ACK ET (P …

MODEL TCM-3100J-2
0108-001
156
18
13
3-1
1-3
1-3
14
3-2
3-3
3-3
3-4
6
24
25
25
27
27
26
26
28
28
30
30
29
29
8
7
3-2
3-2
3-1
9-1
9-3
9-2
2
12
16
16
19
15
15
33
32
31
31
21
21
11
17
17
3-1
1-1
3-2
3-3
2
2
1
1
6
8
7
6
8
7
9-1
1
9-3
1-2
9-2
6
8
7
9-1
9-3
9-2
9-1
9-3
9-2
34
34
36
36
35
35
22
23
3-4
3-2
3-1
3-4
3-2
3-1
3-1
1-1
3-2
3-3
3-3
3-1
3-1
3-2
3-2
3-3
3-4
3-2
3-1
2
1
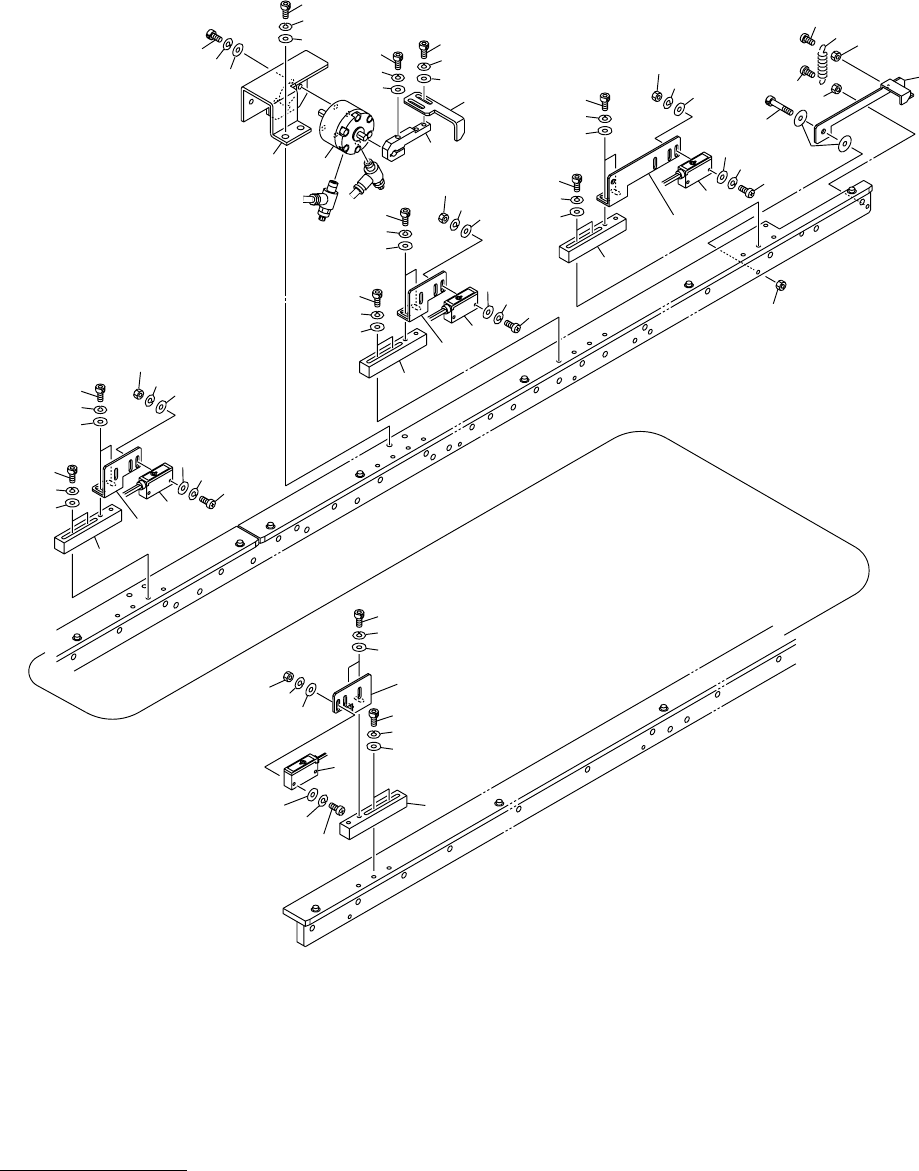
㧸ࠦࡦࡌࠕㇱ L CONVEYOR SECTION
Fig. 7-4 ၮ᧼ᬌㇱޔၮ᧼ࠬ࠻࠶ࡄ P.C.B. Detector, P.C.B. Stopper

MODEL TCM-3100J-2
0108-001
157
Key No. PART No. PART NAME Q’ty REMARKS
NOTE
7-4
1 630 056 1500 PLATE 4 659G--03B-033
1 -1 630 059 2405 BRACKET(PHOTO L) 2 659G--03B-016
1 -2 630 059 2412 BRACKET(PHOTO R) 1 659G--03B-039
1 -3 630 058 8804 BRACKET(PHOTO L) 1 659G--03B-040
2 630 060 6973 SENSOR,PHOTO 4 PHS125, PHS57, PHS58, PHS122
659G--03H-026
3 -1 411 119 1909 WASHER V 3X7X0.5 16 FW3 F
3 -2 411 086 4408 WASHER SPR 3 16 SW3 F
3 -3 411 162 1604 SCR PAN 3X20 8 M3X20 PAN
3 -4 411 054 6809 NUT HEX 3 8 M3 F
6 411 141 4008 WASHER V 4X9X0.8 8 FW4
7 411 141 2905 WASHER SPR 4 8 SW4
8 630 000 7619 BOLT,HEX-SCT 8 M4X8
9 -1 411 141 4008 WASHER V 4X9X0.8 8 FW4
9 -2 411 141 2905 WASHER SPR 4 8 SW4
9 -3 630 000 7664 BOLT,HEX-SCT 8 M4X20
11 630 047 6088 LEVER 1 659G--03B-015
12 630 001 0220 WASHER 2 659G--03H-027
13 630 000 7787 BOLT,HEX-SCT 1 M5X25
14 411 141 0604 NUT HEX 5 1 M5-3
15 411 054 6809 NUT HEX 3 1 M3 F
16 411 040 6202 SCR PAN 3X10 1 M3X10 PAN
17 411 054 8506 NUT HEX 4 1 M4 F
18 411 162 1505 SCR PAN 4X20 1 M4X20 PAN
19 630 001 8103 SPRING,TENSION 1 659G--03H-028
21 630 058 8811 BRACKET(CYL) 1 659G--03B-026
22 630 060 6980 ROTARY ACTUATOR 1 SV32 659G--03H-034
23 630 058 8712 LEVER 1 659G--03B-027
24 630 048 5448 LEVER 1 659G--03B-028
25 411 141 4008 WASHER V 4X9X0.8 2 FW4
26 411 141 2905 WASHER SPR 4 2 SW4
27 630 000 7626 BOLT,HEX-SCT 2 M4X10
28 411 141 4008 WASHER V 4X9X0.8 1 FW4
29 411 141 2905 WASHER SPR 4 1 SW4
30 630 000 7664 BOLT,HEX-SCT 1 M4X20
31 411 141 4008 WASHER V 4X9X0.8 2 FW4
32 411 141 2905 WASHER SPR 4 2 SW4
33 630 000 7626 BOLT,HEX-SCT 2 M4X10
34 411 141 4107 WASHER V 5X10X1 2 FW5
35 411 141 6705 WASHER SPR 5 2 SW5
36 630 000 7749 BOLT,HEX-SCT 2 M5X10

MODEL TCM-3100J-2
0108-001
158
R ࠦࡦࡌࠕㇱ R CONVEYOR SECTION
Fig. 8-1 ࠦࡦࡌࠕ Conveyor
55
53
53
53-3
57-1
96
8
57
53
53-1
54
54
58
58
59
59
60
60
53-3
53
53
30
30
29
29
28
28
27
27
9
38
47
47
53
53
53-3
44
42
10
53-3
53
53-2
53-2
53
53-1
53-1
53
18
21
21
21
19
43
43
48
48
46
38
38
36
36
35
35
34
34
37
37
33
33
41
45
22
22
45
17
11
11
12
12
13
20
18
7
67
67
68
68
69
66
66
40
39
46
47
48
48
42
53
53-3
53-3
44
44
43
28
27
27
29
30
A
B
C
D
A
B
C
D
F
E
31
32
32
2
1
1
31
32
32
39
39
40
41
3
53
53
53-3
53-1
53-1
53-2
53
37
33
93
92
91
36
34
35
41
39
40
25
23
23
26-1
26-1
24
24
6
4
5
16
14
15
26
26
56
56-1
56-1
53-3
53
53
58
59
60
54
8-1
8-1
53-2
53
53-3
53
55
79
78
77
75
74
72
71
73
73
76
F
75
74
72
73
71
76
79
78
77
E
Fig.8-1
TCM-3100J-2