P-196-001e - 第261页
MEMO

MODEL TCM-3100J-2
0108-001
258
Key No. PART No. PART NAME Q’ty REMARKS
NOTE
13-1
32 411 141 6705 WASHER SPR 5 16 SW5
33 630 000 7756 BOLT,HEX-SCT 16 M5X12
34 630 068 9761 STAY 1 659RB-03B-018
35 630 068 9754 STAY 1 659RB-03B-017
36 630 059 8063 SUPPORT 2 659RB-03B-019
37 630 059 8070 SUPPORT 2 659RB-03B-020
38 630 001 0220 WASHER 12 BW5
39 411 141 6705 WASHER SPR 5 12 SW5
40 630 000 7756 BOLT,HEX-SCT 12 M5X12
56 630 066 0357 PLATE 5 659RB-03B-053
57 630 066 0340 PLATE 2 659RB-03B-052
58 630 001 0220 WASHER 14 BW5
59 411 141 6705 WASHER SPR 5 14 SW5
60 630 000 7756 BOLT,HEX-SCT 14 M5X12
61 630 053 3132 BOLT,HEX-SCT 24 659RB-03H-010
62 630 059 8056 SUPPORT 2 659RB-03B-012
63 630 001 0220 WASHER 8 BW5
64 411 141 6705 WASHER SPR 5 8 SW5
65 630 000 7756 BOLT,HEX-SCT 8 M5X12
69 630 065 9047 BRACKET 2 659RB-03B-048
70 630 059 9589 BRACKET 7 659RB-03B-013
71 630 059 9602 BRACKET 2 659RB-03B-047
71 -1 630 060 3149 BRACKET 2 659RB-03B-049
72 630 001 0220 WASHER 22 BW5
73 411 141 6705 WASHER SPR 5 22 SW5
74 630 000 7756 BOLT,HEX-SCT 22 M5X12
77 630 101 1752 BRACKET 1 659RB-03B-065
78 630 101 1769 BRACKET 1 659RB-03B-066
79 630 101 1790 BRACKET 1 659RB-03B-067
80 630 101 1806 BRACKET 1 659RB-03B-068
81 630 095 5422 SOLENOID 2 SOL7(LS20), SOL8(LS21)
659RB-03H-003
81 -1 630 095 5439 MECH PARTS(ACTUATOR) 2 659RB-03H-013
82 411 141 4008 WASHER V 4X9X0.8 6 FW4
83 411 141 2905 WASHER SPR 4 6 SW4
84 630 000 7695 BOLT,HEX-SCT 6 M4X35
85 411 051 2804 SCR TRS 4X8 4 M4X8 TRS
87 630 001 0220 WASHER 4 BW5
88 411 141 6705 WASHER SPR 5 4 SW5
89 630 000 7763 BOLT,HEX-SCT 4 M5X16
90 630 101 4654 PLATE 2 659RB-03B-070
91 630 001 0213 WASHER 6 BW4
92 411 141 2905 WASHER SPR 4 6 SW4
93 630 000 7633 BOLT,HEX-SCT 6 M4X12
96 630 070 3788 COVER 2 659RB-03B-058
97 411 140 8007 SCR TRS 5X6 8 M5X6 TRS

MEMO

MODEL TCM-3100J-2
0108-001
260
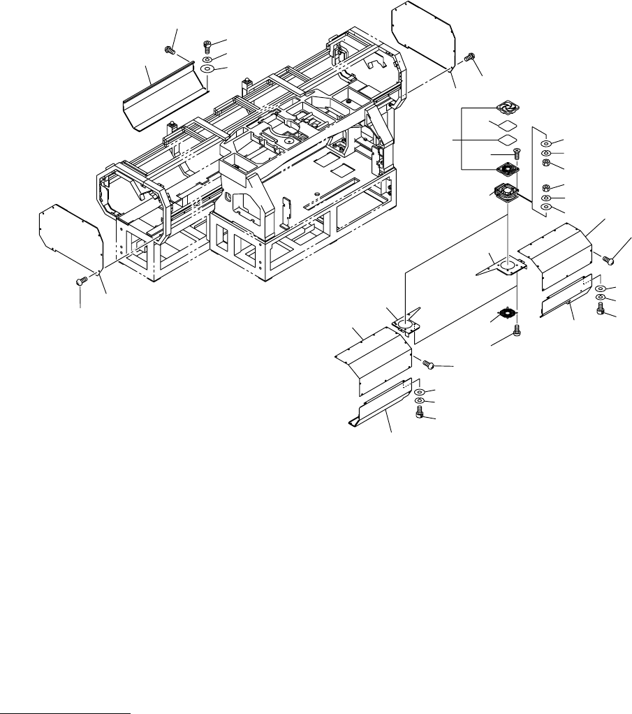
ᓟ㕙ࠞࡃㇱ REAR COVER SECTION
Fig.13-2 ᓟ㕙ࠞࡃ Rear Cover
66
66
83
75
75
74
74
73
73
72
71
71
61
67
67
67
55
56
57
54
65
64
85
91
67
55
55
56
56
57
57
53
62
63
63
92
93
94
89
88
87
82
84
86
86
67