P-196-001e - 第35页
MODEL TCM-3100J-2 0108-001 33 Key No. P AR T No. P AR T NAME Q’ty REMARKS NOTE 3-4 1 630 050 7546 P ULLEY ,TIMING 1 6 5 9 K--03H-002 2 630 049 0060 ME CH P AR T S(MECHA LOCK) 1 65 9 K--03H-007 3 630 058 3465 CA M (01 ) 1…

MODEL TCM-3100J-2
0108-001
32
ࡋ࠶࠼㚟േㇱ HEAD DRIVING SECTION
Fig. 3-4 ࠞࡓゲ㧙 1 Cam Shaft-1
1
2
3
4
5
6
7
8
9
10
10
11
12
12
13
14
15
15
16
16
17
17
18
18
19
19
23
21
21
22
20
27
27
28
28
29
30
30
24
25
26
26
See Fig.2-1
Key No.1

MODEL TCM-3100J-2
0108-001
33
Key No. PART No. PART NAME Q’ty REMARKS
NOTE
3-4
1 630 050 7546 PULLEY,TIMING 1 659K--03H-002
2 630 049 0060 MECH PARTS(MECHA LOCK) 1 659K--03H-007
3 630 058 3465 CAM (01) 1 659K--03B-071
4 630 029 1391 WASHER 3 659K--03H-048
5 411 008 2109 WASHER SPR 5 3 SW5 F
6 630 052 0934 BOLT,HEX (7T) 3
7 630 048 7190 DISK 1 659K--03B-027
8 411 141 4008 WASHER V 4X9X0.8 1 FW4
9 411 141 2905 WASHER SPR 4 1 SW4
10 630 000 7633 BOLT,HEX-SCT 1 M4X12
11 630 048 7176 BRACKET 1 659K--03B-025
12 630 032 5287 SENSOR,PHOTO 1 PHS60 659K--03H-042
13 630 000 0269 SENSOR,PHOTO(CONNECTOR) 1 659K--03H-043
14 411 119 1909 WASHER V 3X7X0.5 2 FW3 F
15 411 086 4408 WASHER SPR 3 2 SW3 F
16 411 042 0703 SCR PAN 3X8 2 M3X8 PAN
17 411 141 4107 WASHER V 5X10X1 2 FW5
18 411 141 6705 WASHER SPR 5 2 SW5
19 630 000 7756 BOLT,HEX-SCT 2 M5X12
20 630 049 0251 KEY 1 659K--03H-047
21 630 048 7152 RING 1 659K--03B-023
22 630 000 8982 SET SCREW 2 M6X8 SET
23 630 058 3526 CAM (07) 1 659K--03B-077
24 630 029 1391 WASHER 3 659K--03H-048
25 411 008 2109 WASHER SPR 5 3 SW5 F
26 630 052 0927 BOLT,HEX (7T) 3
27 630 050 5177 NAME PLATE,INDEX 1 659K--03H-055
28 411 141 4503 WASHER V 8X17X1.6 1 FW8
29 411 141 3100 WASHER SPR 8 1 SW8
30 630 000 8005 BOLT,HEX-SCT 1 M8X16

MODEL TCM-3100J-2
0108-001
34
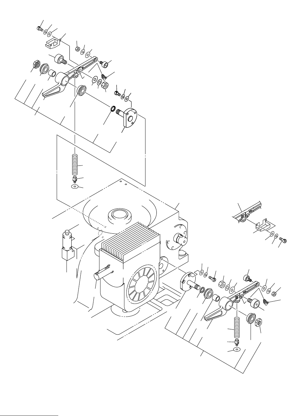
ࡋ࠶࠼㚟േㇱ HEAD DRIVING SECTION
Fig. 3-5 ࠞࡓゲ㧙 1 ࡃ Cam Shaft-1 Lever
6-3
6-2
6-6
25
24
23
31
31
7
28
29
29
30
12
13
14
15
22
21
20
20
19
36
37
38
26-4
26-4
6-3
26-3
26-3
26-3
26-2
26-6
5
4
3
11
27
27
10
9
8
32
32
35
42
41
40
39
34
33
See Fig.2-1
Key No.1
26-1
26-1
26
6-1
6
6-4
26-5
16
17
18
18
6-5
Fig.3-5
TCM-3100J-2
TCM-3100J