KY8030 Electric Drawings_Ver2.0

KY -8030 Electric Dr a wings ( Standard T ype F ront -Fix)

100%1 / 75
KY-8030 Electric Drawings
(Standard Type Front-Fix)
2009-01-16
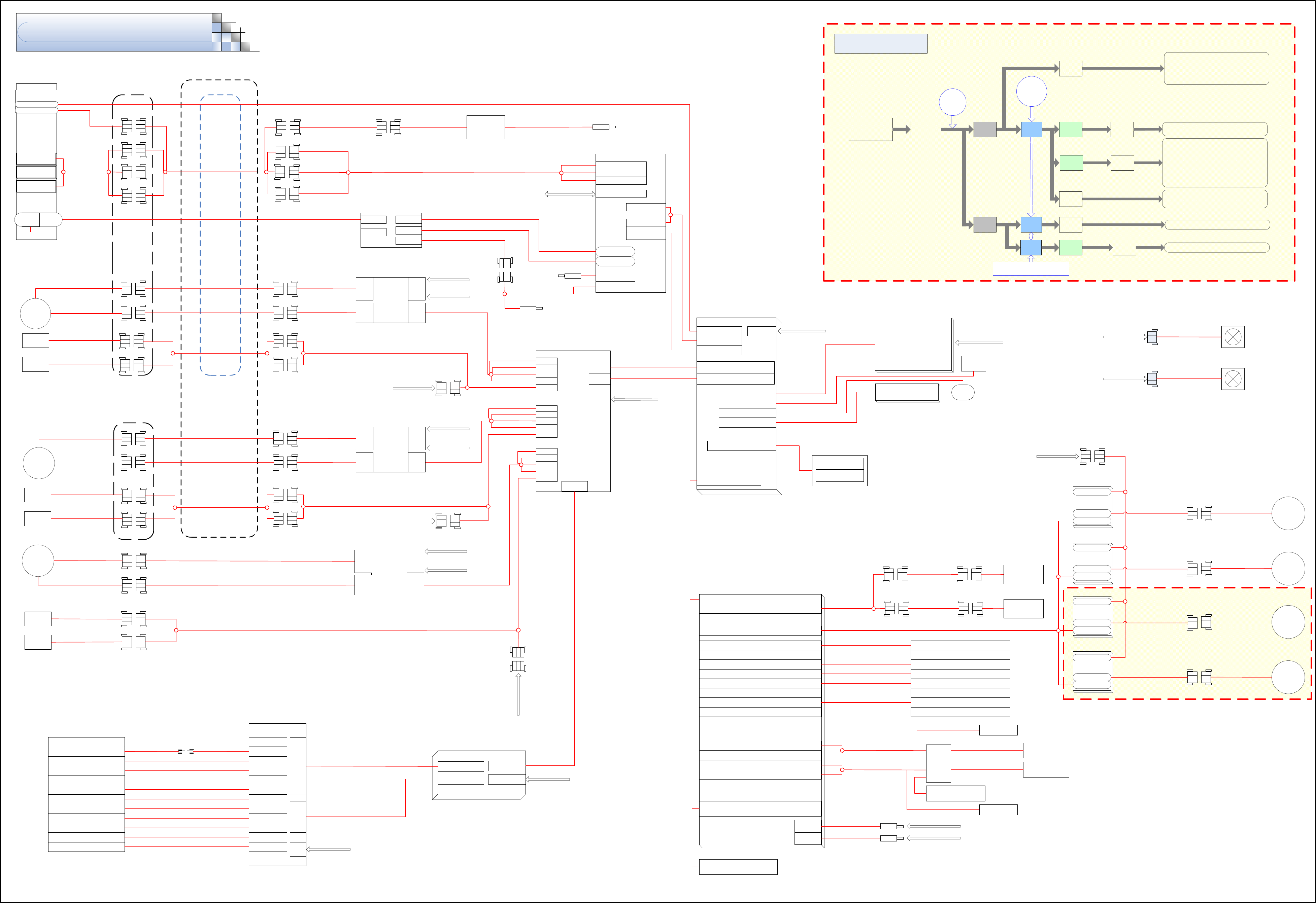
KY- 8030 Main Electronic Diagram
2D LED ON/OFF
Y-axis
Servo
Motor
Y Lmt+
Y Lmt-
X-axis
Servo
Motor
X Lmt+
X Lmt-
CMD2
ENC2
SIO2
ENC0
BR0
CMD0
ENC1
BR1
CMD1
AIO0
AIO1
AIO2
PCI1
24V
J52 3D LED-Left
J53 3D LED-Right
J58 2D LED-T
J11 2D-SW
J14 Grabber
J44
J39
9pin DB-M
J45 DC 24V
J46 DC 5V
PZT-POS
PZT-DRV
CON
CON
CON
CON
CON CON
CON
CON
CON CON
CON
CON
Caflux X gantry
PZT .SGC
CAMERA
LVDS
PWR
T/B05 DC 5V
3D-L Light
3D-R Light
2D Light
LCD Monitor
Keyboard
COM2
Grabber DIO
Frame Grabber
LAN Port
POWER
Keyboard PS2
USB Port
Monitor Connector
Mouse
T/B 07
AC 220V
Caflux Y gantry
CON CON
CON
CON
CON
CON
CON
CON
T/B 03
DC 24V
Camera
Power
I-LUG
T/B 07
AC 220V
CON
CON
I-LUG
T/B 03 DC 24V
Motion Control Board CON2
Motion Control Board CON1
CON
CON
CON CON
CON
CON
CON
CON
CON
CON
CON
CON
CON
CON
H - bracket
X - bracket
CON CON
CON
CON
CON CON
CON
CON
CON
CON
USB Port
USB
Port
I-LUG
COM1
Z-axis
Servo
Motor
CON
CON
CON
CON
CON
CON
CON
CON
Panasonic
Servo
Driver
X1X2
X6
T/B 01
AC 220V
T/B 04
AC 220V
Z Lmt+
Z Lmt-
CON
CON
CON CON
CON
CON
CON
CON
CON
CON
PCI2
Extension Serial
PS1
Power Unit Diagram
CP1
CP2
Main Power
Switch
MC1
MC2
Noise
Filter
AC 220V
T/B02
T/B01
T/B04
* PC Power
* LCD Monitor Power
* Camera Adaptor Power
T/B07
AC 220V
D
C
5
V
* Motion I/F Board I/O +24V Power
* STMC +24V Power
* VPC Board +24V Power
* PZT AMP +24V Power
* Emotiontek I/F +24V Power
* Emotiontek Module +24V Power
* Servo Limit Sensor +24V Power
* FAN Power
* Servo AMP Power
PS2
DC 24V
* VPC Board +5V Power
* STMC +5V Power
AC 220V
* Servo Motor Power
* Step Motor Driver PowerPS3
MCCB
RUN
Switch
Emergency Door S/W
IO1
AXIS/IO
POWER
EXT-I/O
Main Control PC
Barcode&NG-Buffer
COM4
COM5
Emotion MOTION MODULE
T/B 03
DC 24V
T/B 03
DC 24V
I/O
T
/
B
0
3
D
C
2
4
V
VPC 4.1
PZT AMP
DRV
POS
DC 24V
PZT
SGC
HEAD
X5
Panasonic
Servo
Driver
X1X2
X6 X5
T/B 01
AC 220V
T/B 04
AC 220V
Panasonic
Servo
Driver
X1X2
X6 X5
T/B 01
AC 220V
T/B 04
AC 220V
T/B 03
DC 24V
T/B 03
DC 24V
Emotion Motion
Interface Board
Y-axis Servo Driver
X-axis Servo Driver
Z-axis Servo Driver
*CP - Miniature Circuit Breaker
*PS - AC-DC Converter (SMPS)
*T/B - Terminal Block
*MC - Contactor
*MCCB - Main Circuit Breaker
FAN1
1
2
3
24V
FAN2
1
2
3
24V
T/B 01
AC 220V
T/B 01
AC 220V
DWG.E015-0264000-01/02
CON CON
DWG.E015-0260300-01
DWG.E015-0260400-01DWG.E015-0260500-01
DWG.E015-0263200-01
DWG.E015-0260600-01
DWG.E015-0262200-01
DWG.E015-0262300-01
DWG.E015-0263100-01
DWG.E015-0262100-03
DWG.E015-0262100-02
DWG.E015-0262100-01
DWG.E015-0260100-01
DWG.E015-0260200-01
DWG.E015-0252100-01
DWG.E015-0247300-06
DWG.E015-0247300-05
DWG.E015-0247300-02
DWG.E015-0247300-01
DWG.E015-0247300-04
DWG.E015-0247300-03
DWG.E015-0247200-01
DWG.E015-0247200-02
DWG.E015-0247100-01
DWG.E015-0247100-02
DWG.E015-0247100-03
DWG.E015-0246300-01
DWG.E015-0246300-03
DWG.E015-0246300-02
DWG.E015-0246200-01
DWG.E015-0246200-02
DWG.E015-0246100-03
DWG.E015-0246100-01
DWG.E015-0246100-02
DWG.E015-0244300-02
DWG.E015-0244300-01
DWG.E015-0244300-03
DWG.E015-0244200-01
DWG.E015-0244200-02
DWG.E015-0244100-02
DWG.E015-0244100-01
DWG.E015-0244100-03
DWG.E015-0243300-01
DWG.E015-0243100-01
DWG.E015-0243200-01
DWG.E015-0242100-01
DWG.E015-0242100-02
DWG.E015-0241400-01
DWG.E015-0241300-01
DWG.E015-0241300-01
DWG.E015-0241300-01
DWG.E015-0241100-03
DWG.E015-0241200-03
DWG.E015-0241100-02
DWG.E015-0241200-01
DWG.E015-0241100-01
DWG.E015-0241200-02
DWG.E015-0230200-01
DWG.E015-0230300-01
DWG.E015-0230300-02
Accept Cable
Accept Cable
Accept Cable
Accept Cable
T/B 07
AC 220V
DWG.E015-0210100-01
DWG.E015-0210100-02
DWG.E015-0121100-01
DWG.E015-0251300-01
DWG.E015-0121200-01
DWG.E015-0121200-02
SIO0
SIO1
BR2
T/B05
DC 24V
T/B03
RS-232 Serial Communication - J4
Work Home, Limit Sensor - CON21
STMC Board
STEP Motor Control Signal - J1
Pre SMEMA IN - CON37
Pre SMEMA OUT - CON35
Next SMEMA OUT - CON36
Next SMEMA IN - CON38
From MCS Pre SMEMA OUT - CON29
From MCS Next SMEMA OUT - CON30
To MCS Pre SMEMA IN - CON27
To MCS Next SMEMA IN - CON28
CON9
Power Sequence, Conveyor Only
CON25
I-LUG
pSMEMA
nSMEMA
Entry IN Sensor - CON24
Exit OUT Sensor - CON80
Work Stopper(LR) - CON39
Work Stopper(RL) - CON81
pSMEMA IN
pSMEMA OUT
nSMEMA OUT
T/B03
DC 24V
nSMEMA IN
Entry IN
Exit OUT
Work Stopper(RL) UP/DOWN
Work Stopper(LR) UP/DOWN
DWG.E015-0251200-01
DWG.E015-0256100-01
DWG.E015-0256100-02
DWG.E015-0256200-01
DWG.E015-0256200-02
Run Switch
DWG.E015-0110200
NG Buffer
DWG.E015-0233000
DWG.E015-0231000
DWG.E015-0231000
DWG.E015-0231000
DWG.E015-0231000
DWG.E015-0233000
DWG.E015-0233000
DWG.E015-0231000
DWG.E015-0231000
STEP Driver
STEP Driver
STEP Driver
STEP Driver
CN4
CN1
CN3
CON CON
CON
CON
STEP
MOTOR
STEP
MOTOR
T/B05
DC 24V
CON
CON
CON
CON
STEP
MOTOR
CN4
CN1
CN3
CN4
CN1
CN3
Home(-)
Sensors
CON
CON
CON
CON
Limit(+)
Sensors
CON CON
STEP
MOTOR
CN4
CN1
CN3
IN Conveyor
Work Conveyor
Out Conveyor
IR
Work Width
WR
OR
WW
DWG.E015-0251400
DWG.E015-0253200-01
DWG.E015-0253200-02
DWG.E015-0253200-03
DWG.E015-0253200-04
DWG.E015-0253300-01
DWG.E015-0253300-02
DWG.E015-0253300-03
DWG.E015-0253300-04
DWG.E015-0254300-02
DWG.E015-0254300-01
T/B10
Run Switch
DWG.E015-0110200
Next OUT
Pre OUT
*OPTION : 3Stage
DWG.E015-0253100-01
CON
CON
CON
CON
DWG.E015-0254200-01
DWG.E015-0254200-02
DWG.E015-0254100-01
CON8
I-LUG
T/B02
DC 5V
DWG.E015-0251100-01
DWG.E015-0256100-03
DWG.E015-0210200
DWG.E015-0121100-02
Conveyor Only Switch CN3
DWG.E015-0110200
DWG.E015-0255100-01
DWG.E015-0233000
DWG.E015-0261100-01
DWG.E015-0261200-01
Accept Cable
VAS I/O IF
J3
J15
CON2
J4
J2 SWITCH
CON3
J9
CON1
J3
CON4
CN-6
CN-7
CN-8
J1
IN : BUTTONS
IN : CONVEYOR-SENSOR
OUT : SERVO ENABLE
IN : AIR PRESSURE
IN/OUT : SMEMA(STMC)
IN : DOOR OPEN
OUT : SOL.
OUT : 2D LED ON/OFF
CON
OUT : TOWER LAMP
OUT : NG BUFFER
J10
J10
IN : CONVEYOR-Entry
IN : CONVEYOR-Exit
DWG.E015-0231000
DWG.E015-0231000
DWG.E015-0231000
DWG.E015-0231100
DWG.E015-0231000
DWG.E015-0231000
DWG.E015-0231000
DWG.E015-0231000
DWG.E015-0233000
DWG.E015-0233000
DWG.E015-0233000
DWG.E015-0233000
DWG.E015-0233000
MC3
FILE NAME E015-0110000.SCH DATE 2007.08.17 CHANGER Y.M.LEE
Power Box Block Diagram
CP 1
CP2
MC1
MC2
RL1
MC3
NF1
MCCB
T
/
B
1
0
M
A
I
N
P
W
R
T
/
B
MAIN F.G
P
S
1
P
S
2
P
S
3
FAN1
P
Z
T
A
M
P
S
T
M
C
B
O
A
R
D
T
/
B
0
1
~
0
7
V
P
C
B
O
A
R
D
C
O
N
V
E
Y
O
R
S
/
W
I
/
O
B
O
A
R
D
IR
WW
I/O
MODUAL
C
A
M
E
R
A
A
D
P
T
E
R
JUCTION
I/F BOARD
SERVO Y
SERVO X
SERVO Z
A
DSG.
HO.KIM
REV.
DWG.
Y.M.LEE
SUBNET
CHK.
K.H.KIM
X
APPR.
E.H.S
MODEL
NAME
SHEET
DWG NO
KY-8030
Power Box Block Diagram
2 OF 6
E015-0110100