P-138-001e - 第188页
MODEL TCM-3700 9912-001 空圧制御部 PNEUMA TIC SECTION Fig.10-2 エアポート配管 Air Port Piping

MODEL TCM-3700
9912-001
10- 1
PART No. PART NAME Q'ty REMARKS
1 630 057 7983 PLATE 1 739L--01B-013
2 630 003 6787 MECH PARTS(RUBBER DAMPER) 4 739L--01H-002
3 411 141 4305 WASHER V 6X12.5X1.6 8 FW6
4 411 141 3001 WASHER SPR 6 8 SW6
5 630 000 7862 BOLT,HEX-SCT 8 M6X10
6 411 141 4305 WASHER V 6X12.5X1.6 4 FW6
7 411 141 3001 WASHER SPR 6 4 SW6
8 630 000 7886 BOLT,HEX-SCT 4 M6X16
12 630 055 2195 VACUUM PUMP 1 739L--01H-001
13 630 031 8593 AIR LINE EQPT(FILTER) 1
13 -1 630 012 1230 AIR LINE EQPT(FLT ELEM) 1
14 630 055 2171 VACUUM PARTS 1
14 -1 630 055 3062 PIPE FITTINGS 1 739L--01H-091
15 630 056 8035 BRACKET 1 739L--01B-012
18 411 141 4107 WASHER V 5X10X1 2 FW5
19 411 141 6705 WASHER SPR 5 2 SW5
20 630 000 7749 BOLT,HEX-SCT 2 M5X10
21 630 003 7074 PIPE FITTINGS 1
23 411 141 4503 WASHER V 8X17X1.6 8 FW8
24 411 141 3100 WASHER SPR 8 8 SW8
25 411 141 0901 NUT HEX 8 8 M8
31 630 034 9290 PIPE FITTINGS 1 739L--01H-037
32 630 003 7845 PIPE FITTINGS 1
33 630 003 8187 PIPE FITTINGS 5
34 630 003 8088 PIPE FITTINGS 2
35 630 003 8279 PIPE FITTINGS 1 739L--01H-003
36 630 009 3520 PIPE FITTINGS 1 739L--01H-004
37 630 003 7371 PIPE FITTINGS 1
42 630 003 8033 PIPE FITTINGS 1
43 630 003 7036 PIPE FITTINGS 1
44 630 003 7791 PIPE FITTINGS 1
45 630 004 1026 PIPE FITTINGS 2 739L--01H-005
46 630 033 6948 TUBE 1 739L--01H-006
47 630 008 0940 TUBE(BAND) 2 739L--01H-007
Key No.
NOTE

MODEL TCM-3700
9912-001
空圧制御部 PNEUMATIC SECTION
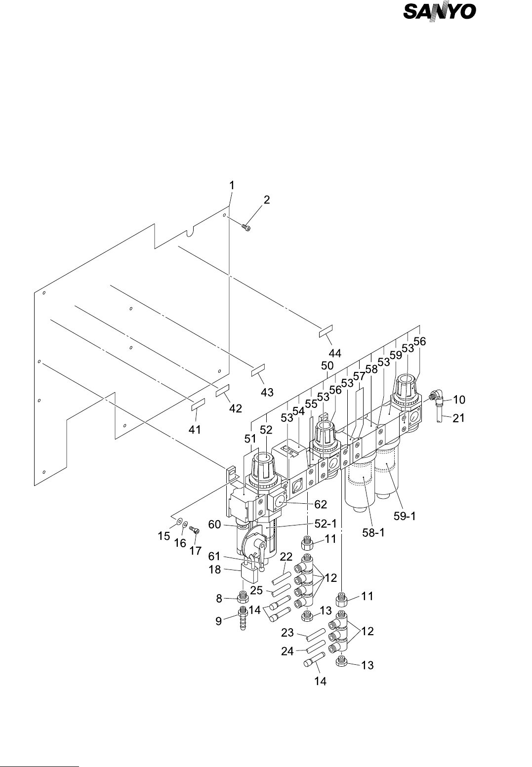
Fig.10-2 エアポート配管 Air Port Piping

MODEL TCM-3700
9912-001
10- 2
PART No. PART NAME Q'ty REMARKS
1 630 085 4442 COVER(RBR) 1 739R--01B-121
2 411 113 9109 SCR TRS 5X10 5 M5X10 TRS
8 630 003 8033 PIPE FITTINGS 1
9 630 008 0285 PIPE FITTINGS 1
10 630 003 7388 PIPE FITTINGS 1
11 630 003 8231 PIPE FITTINGS 2 739L--01H-010
12 630 003 8224 PIPE FITTINGS 7 739L--01H-009
13 630 003 8248 PIPE FITTINGS 2 739L--01H-011
14 630 003 7814 PIPE FITTINGS 3
15 411 141 4305 WASHER V 6X12.5X1.6 4 FW6
16 411 141 3001 WASHER SPR 6 4 SW6
17 630 000 7893 BOLT,HEX-SCT 4 M6X20
18 630 053 4917 MECH PARTS 1 739L--01H-092
50 630 055 2515 AIR LINE EQPT 1 739L--01H-008
51 630 046 7963 PIPE FITTINGS 1
52 630 077 7918 AIR LINE EQPT 1
52 -1 630 062 4526 AIR LINE EQPT 1
53 630 043 8031 AIR LINE EQPT 5
54 630 046 8014 SWITCH,PRESSURE 1
55 630 054 9546 PIPE FITTINGS 1
56 630 046 8007 AIR LINE EQPT 2
57 630 046 7970 PIPE FITTINGS 1
58 630 043 8017 AIR CLEAN EQPT 1
58 -1 630 062 4533 AIR LINE EQPT 1
59 630 043 8024 AIR CLEAN EQPT 1
59 -1 630 062 4540 AIR LINE EQPT 1
60 630 003 8187 PIPE FITTINGS 1
61 630 061 4893 VALVE 1
62 630 003 8125 PIPE FITTINGS 1
Key No.
NOTE