P-138-001e - 第25页
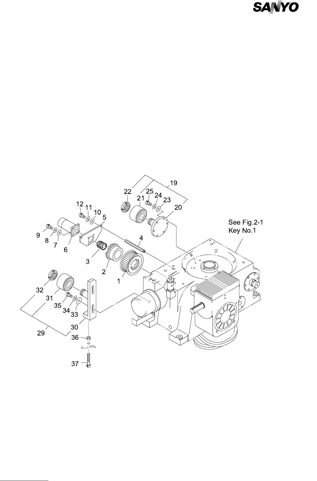
MODEL TCM-3700 9912-001 2- 3 PART No. PART NAME Q'ty REMARK S 630 067 3531 ASSY ,HOLDER 16 1 630 065 8552 MO TOR,ST EPPING 1 739BB-01H -006 2 630 048 1662 HOLD ER 1 739BB-01B-001 3 630 002 0953 SPRING ,COMP 5 739BB-…

MODEL TCM-3700
9912-001
ターンテーブル部 TURNTABLE SECTION
Fig. 2-3 ヘッド ASSY Head Assy

MODEL TCM-3700
9912-001
2- 3
PART No. PART NAME Q'ty REMARKS
630 067 3531 ASSY,HOLDER 16
1 630 065 8552 MOTOR,STEPPING 1 739BB-01H-006
2 630 048 1662 HOLDER 1 739BB-01B-001
3 630 002 0953 SPRING,COMP 5 739BB-01H-003
4 630 047 3650 HOOK 5 739BB-01B-005
5 630 048 1723 SHAFT 5 739BB-01B-002
6 411 015 7609 RING E 1.5 10 739BB-01H-007
7 630 000 8890 SET SCREW 2 M3X6 SET
8 630 057 0076 PIPE FITTINGS 1 739BB-01H-004
9 630 048 0849 SEAL 10 739BB-01H-002
10 630 052 9623 BUSH,BALL 5 739BB-01H-001
11 630 048 1686 CAP 5 739BB-01B-003
12 630 042 7912 SPRING,COMP 5 739BB-01B-006
13 630 044 1130 BOLT,HEX-SCT 5 739BB-01H-005
14 630 048 1709 HOLDER 1 739BB-01B-008
15 411 141 2806 WASHER SPR 3 1 SW3
16 630 000 7510 BOLT,HEX-SCT 1 M3X8
17 630 053 1015 DISK 1 739BB-01B-004
18 630 000 7497 BOLT,HEX-SCT 2 M3X4
Key No.

MODEL TCM-3700
9912-001
ヘッド駆動部 HEAD DRIVING SECTION
Fig. 3-1 ベルトテンショナー Belt Tensioner